123424 (689471), страница 3
Текст из файла (страница 3)
3. Находим максимальный допустимый натяг для внутреннего кольца подшипника:
4. По значению
подбираем из числа рекомендуемых, посадку для внутреннего кольца подшипника, например Ø35H0/m6, для которой предельные отклонения размеров: для отверстия
,
, для вала
,
.
5. Определим минимальный и максимальный натяги в рассматриваемом соединении:
;
Так как
(
) и
(
), можно заключить, что посадка внутреннего кольца подшипника выполнена правильно.
6. Выбираем посадку для наружного кольца подшипника, например Ø72Н7/h0, для которой предельные отклонения размеров равны: для отверстия
;
; для вала:
;
.
Для выбранной посадки максимальный зазор
; минимальный зазор
,
что свидетельствует о том, что посадка относится к посаде с зазором.
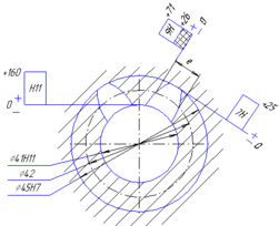
Строим схему полей допусков выбранных посадок для колец подшипника качения Рисунок 4.1.
Рисунок 4.1
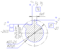
8. Чертим условные рабочие чертежи посадочных мест подшипников с указанием требований Рисунок 4.2.
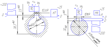
9. Чертим условные рабочие чертежи сборочных узлов с указанием требуемых размеров, обозначений Рисунок 4.3.
Рисунок 4.2
Рисунок 4.3
5. Шпоночные и шлицевые соединения
В задании указаны диаметр вала и втулки
, длина соединения
, тип соединения 3.
По СТ СЭВ 189-78 выбираем основные размеры соединения:
,
, интервал длин
от
, до
,
,
.
Записываем условное обозначение шпонки: Шпонка
СТ СЭВ 189-78. Для заданного вида соединения назначаем поля допусков для деталей шпоночного соединения, пользуясь СТ СЭВ 189-78, для ширины шпонки b – h9; для высоты шпонки h – h11; для длины шпонки l – h14; для ширины паза на валу - N9; для ширины паза во втулке - Js9.
Определяем предельные отклонения пользуясь СТ СЭВ 144-88 на гладкие соединения:
Диаметр вала – 35m6
Диаметр втулки – 35H7
Ширина шпонки – 10h9
Высота шпонки – 8h11
Длина шпонки – 42h14
Ширина паза на валу – 10P9
Ширина паза во втулке – 10P9
Глубина паза на валу –
Глубина паза во втулке –
Строим схемы расположения полей допусков Рисунок 5.1.
Рисунок 5.1
В задании указаны параметры эвольвентного соединения: номинальный диаметр
; модуль
. Вид центрирования по наружному диаметру. По ГОСТ 6033-70 выбираем недостающие параметры -
. Находим диаметр делительной окружности:
По СТ СЭВ 259-68 назначаем поля допусков втулки и вала из рекомендуемых посадок. Выбираем по наружному центрирующему диаметру для втулки
; для вала
, посадка по
; для ширины впадин втулки
(толщина зуба S) – для ширины впадины
, для толщины зуба
посадка
; поле допуска втулки и вала по центрирующему диаметру при плоской форме дна впадин для втулки
, для вала
, посадка -
.
Величины придельных отклонений диаметров определяем, пользуясь стандартом СЭВ 144-88. Величины придельных отклонений по боковым сторонам зубьев определяем, пользуясь стандартом СЭВ 259-88.
Для втулки
СТ СЭВ 259-88 центрирующий диаметр
; ширина впадин
,
;
;
.
Для вала
: центрирующий диаметр
, толщина зуба
,
;
;
.
Условное обозначение соединения
СТ СЭВ 259-88.
Пользуясь величинами предельных отклонений, строим схему расположения полей допусков Рисунок 5.2.
Рисунок 5.2
В задании указаны параметры прямобочного шлицевого соединения
. Вид центрирования по
. По ГОСТ 1139-80 выбираем недостающие данные -
,
.
По ГОСТ1139-80 назначаем поля допусков втулки и вала из рекомендуемых посадок, выбираем по наружному центрирующему диаметру
для втулки -
, для вала
, посадка по
-
; для ширины шлица (вала)
для втулки -
, для вала -
, посадка по
-
, поле допуска втулки по нецентрирующему диаметру
-
, предельное отклонение вала по нецентрирующему диаметру
- не менее
.
Величины придельных отклонений определяем, пользуясь стандартом СЭВ 144-88 на гладкие сопряжения.
Для втулки
:
Центрирующий диаметр
Не центрирующий диаметр -
Ширина паза
Для вала
:
Центрирующий диаметр
Не центрирующий диаметр -
Ширина зуба
Условно обозначение:
.
Пользуясь величинами придельных отклонений, строим схему расположения полей допусков Рисунок 5.3.
Рисунок 5.3
6. Размерные цепи
6.1 Составление схемы размерной цепи
Из приложения 2 выбираем вариант задания:
Рисунок 6.1
Составим и поясним схему заданной размерной цепи:
Рисунок 6.2
Замыкающий размер
в трехзвенной цепи (Рисунок 6.1) зависит от размера
, называемого увеличивающим (чем больше этот размер, тем больше значение
), и размера
, называемого уменьшающим (при его увеличении
уменьшается). Замыкающее звено может быть положительным, отрицательным или равным нулю. Размерную цепь можно условно изображать в виде схемы (Рисунок 6.2). По схеме удобно выявлять увеличивающие и уменьшающие звенья. Над буквенными обозначениями звеньев принято изображать стрелку, направленную вправо, для увеличивающих звеньев и влево — для уменьшающих.
6.2 Расчёт подетальной размерной цепи методом максимума и минимума
Проверочная задача
Таблица 6.1 Исходные данные
|
| 15 |
| 25 |
| 15 | ||||
|
| -0,15 |
| 0 |
| +0,15 | ||||
|
| -0,25 |
| -0,15 |
| +0,05 | ||||
|
| 2 |
| 8 | ||||||
|
| -0,05 |
| +0,24 | ||||||
|
| -0,15 |
| 0 | ||||||
Эскиз детали Схема размерной цепи
Рисунок 6.3
Параметры составляющих звеньев: передаточное отношение
Номинальный размер и предельные отклонения Допуски:
;
;
;
.
;
Координата середины полей допусков:
;
;
;
.
;
Расчёт номинального размера замыкающего звена:
Расчёт допуска замыкающего звена:
Расчёт предельных отклонений замыкающего звена:
Расчёт координаты середины поля допуска, замыкающего звена:
.
Схема расположения поля допуска замыкающего звена показана на Рисунке 6.4.
Рисунок 6.4
6.3 Сложение и вычитание размеров и предельных отклонений
Исходные данные:
Таблица 6.2 Размеры и предельные отклонения
| 55-0,1 | +20-0,1 | -35+0,1 | +15±0,2 | -20±0,2 |
|
Подготовим уравнение к сложению и вычитанию придельных отклонений:
6.4 Расчёт подетальной размерной цепи методом максимума-минимума. Проектная задача.
Исходные данные:
Эскиз детали Схема размерной цепи
Рисунок 6.5
Передаточные отношения составляющих звеньев:
.
Требования к замыкающему звену:
;
;
;
.
Звенья с известными допусками в размерной цепи отсутствуют
.
В качестве корректирующего звена можно принять звено
с размером 15мм, так как положение внутренней торцовой поверхности не будет влиять на служебное назначение детали.
Расчёт производится методом максимума-минимума. Связь между допусками замыкающего звена и допусками составляющих звеньев устанавливается способом одинакового квалитета.
Расчёт количества единиц допуска производится по следующей формуле:
- принимаем из таблицы П.7.1 и записываем в таблицу 6.3.
Назначаем квалитет по таблице П.7.2 в зависимости от стандартного
, ближайшего к расчётному
. Принимаем 12-й квалитет.
Назначаем стандартный допуск по таблице П.7.3 в зависимости от номинального размера и принятого 12-го квалитета. Допуски составляющих звеньев, кроме
, записаны в таблице 6.3.
Расчёт допуска корректирующего звена из условия формулы:
.
Назначенные предельные отклонения составляющих звеньев
записаны в таблице 6.3.
Расчёт координат, середины поля допуска составляющих звеньев проводим по формуле
, а результаты записываем в табл.6.1.
Таблица 6.3 Сведения о размерной цепи, рассчитанной методом максимума-минимума
| Символ звена | Номин. размер | Характер действия |
|
| Квалитет | мкм | мкм | мкм | мкм | мкм | Исполн. размер |
|
| 15 | увел. | +1 | 1,08 | 12 | 180 | 90 | +180 | 0 | -90 |
|
|
| 35 | увел. | +1 | 1,56 | 12 | 250 | 125 | +250 | 0 | -125 |
|
|
| 20 | увел. | +1 | 1,31 | 12 | 210 | 105 | +210 | 0 | -105 |
|
|
| 25 | увел. | +1 | 1,31 | 12 | 210 | 105 | +160 | -50 | 55 |
|
|
| 15 | уменш. | -1 | 1,08 | 12 | 160 | 80 | +160 | 0 | 50 |
|
Расчёт координаты середины поля допуска, корректирующего звена по формуле:
Расчёт предельных отклонений корректирующего звена:
;
















