123333 (689432)
Текст из файла
КУРСОВОЙ ПРОЕКТ
на тему: «Механизмы компрессора»
1. Структурный анализ механизмов
1.1 Структурный анализ рычажного механизма
Рисунок 1.1. Подвижные звенья механизма
1-кривошип
2-шатун
3-ползун
4-шатун
5-ползун
Кинематические пары.
О (0-1),вр.,5 кл.
А (1-4),вр.,5 кл.
А'(1-2),вр.,5 кл.
В (2-3),вр.,5 кл.
В'(3-0),пост.,5 кл.
С (4-5),вр.,5 кл.
С'(5-0),пост.,5 кл.
Найдём число степеней свободы.
Запишем формулу Чебышева.
W=3∙n-2∙P5-P4 (1.1)
Где, W-число степеней свободы,
n-число подвижных звеньев,
P4 - число пар 4-го класса,
P5 - число пар 5-го класса.
W=3∙5-2∙7=1
Число степеней свободы рычажного механизма равно 1.
Разобьём механизм на группы Асура и рассмотрим каждую группу в отдельности.
A'(1-2)-внешняя
B'(3-0)-внешняя
B (2-3)-внутренняя
W=3∙2-2∙3=0
II кл. 2 вид Рисунок 1.2
А (1-4)-внешняя
С' (5-0)-внешняя
C (4-5)-внутренняя
W=3∙2-2∙3=0
II кл. 2 вид
O (0-1)
W=3-2=1
Рисунок 1.4
Составим структурную формулу:
Механизм является механизмом 2кл.,2в..
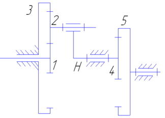
1.2 Структурный анализ зубчатого механизма
Рисунок 1.5. Подвижные звенья механизма
1 – центральное колесо
2 – сателлит
3 – зубчатое колесо
H – водило
4 – зубчатое колесо
5 – зубчатое колесо
Кинематические пары.
(1-0),вр.,5 кл.
(5-0),вр.,5 кл.
(2-H),вр.,5 кл.
(4-0),вр.,5 кл.
(1-2),вр.,4 кл.
(2-3),вр.,4 кл.
(4-5),вр.,4 кл.
Найдём число степеней свободы.
Исходя из формулы Чебышева имеем,
W=3∙4-2∙4-3=1
Число степеней свободы зубчатого механизма равно 1, следовательно, данный механизм является планетарным.
1.3 Структурный анализ кулачкового механизма
Рисунок 1.6. Подвижные звенья механизма
1-кулачок
2-ролик
3-коромысло
Кинематические пары.
О (1-0),вр.,5 кл.
А (3-0),вр.,5 кл.
В (2-3),вр.,5 кл.
С (1-2),пост.,4 кл.
Найдём число степеней свободы.
W=3∙n-2∙P5-P4
W=3∙3-2∙3-1=2
Число степеней свободы равно 2.
Так как W≠1, то присутствует лишнее звено - ролик.
2. Динамический анализ рычажного механизма
2.1 Определение скоростей
Для заданной схемы механизма строим 12 положений.
Определяем масштабный коэффициент построения механизма:
(2.1)
где,
- масштабный коэффициент,
- длина звена,
- длина звена на чертеже,
Запишем длинны звеньев механизма на чертеже
Приступаем к построению повёрнутых планов скоростей для каждого положения. Рассмотрим пример построения для положения №5:
У кривошипа определяем скорость точки А
(2.2)
где,
- длина звена,
- угловая скорость кривошипа,
Для построения вектора скорости точки А определяем масштабный коэффициент
(2.3)
где,
- скорость точки А,
- вектор скорости точки А,
- полюс, выбираемый произвольно
Для определения скорости точки B запишем систему уравнений:
(2.4)
- из задания
Для определения скорости центра масс 2-го звена S2 воспользуемся соотношением:
(2.5)
где,
,
- расстояния между соответствующими точками на механизме, м
,
- длинны векторов скоростей на плане, мм
мм
Соединив, точку
и π получим скорость центра масс второго звена.
Для определения скорости точки C запишем систему уравнениё:
(2.6)
- из задания
Для определения скорости центра масс 4-го звена S4 воспользуемся соотношением:
(2.7)
где,
,
- расстояния между соответствующими точками на механизме, м
,
- длинны векторов скоростей на плане, мм
мм
Соединив, точку
и π получим скорость центра масс второго звена.
Определим значения угловых скоростей звеньев.
Направление
определяем, перенеся вектор ab в точку S2 – второе звено вращается против часовой стрелки. Аналогично получим, что
направлена по часовой стрелке.
Скорости точек остальных положений определяются аналогичным образом. Все значения сводим в таблицу(2.1).
Таблица 2.1 – Значения линейных и угловых скоростей
| N положения | VB=VS3,
| VS2,
| VС=VS5,
| VS4,
| VBA= VCA,
|
|
| 1 | 0 | 5,58 | 0 | 5,58 | 8,37 | 33,48 |
| 2 | 5,36 | 6,66 | 3,01 | 6,14 | 7,34 | 29,37 |
| 3 | 8,46 | 8,14 | 6,04 | 7,39 | 4,36 | 17,42 |
| 4 | 8,37 | 8,37 | 8,37 | 8,37 | 0 | 0 |
| 5 | 6,04 | 7,39 | 8,46 | 8,14 | 4,36 | 17,42 |
| 6 | 3,01 | 6,14 | 5,36 | 6,66 | 7,34 | 29,37 |
| 7 | 0 | 5,58 | 0 | 5,58 | 8,37 | 33,48 |
| 8 | 3,01 | 6,14 | 5,36 | 6,66 | 7,34 | 29,37 |
| 9 | 6,04 | 7,39 | 8,46 | 8,14 | 4,36 | 17,42 |
| 10 | 8,37 | 8,37 | 8,37 | 8,37 | 0 | 0 |
| 11 | 8,46 | 8,14 | 6,04 | 7,39 | 4,36 | 17,42 |
| 12 | 5,36 | 6,66 | 3,01 | 6,14 | 7,34 | 29,37 |
2.2 Определение приведённого момента инерции звеньев
Приведённый момент инерции определяется по формуле:
(2.8)
где,
- масса i-го звена рычажного механизма, кг
- линейная скорость центра масс i-го звена,
- угловая скорость i-го звена,
- приведённый момент инерции i-го звена по отношению к центру масс
(2.9)
- для звена, совершающего сложное движение
- для звена, совершающего вращательное или колебательное движения
- для звена, совершающего поступательное движение
Запишем формулу для нашего механизма:
(2.10)
Для 5-го положения приведём расчёт, а для остальных положений сведём значение
в таблицу 2.2
кг∙м2
кг∙м2
кг∙м2
Записав формулу (2.11) для положения №5 и подставив известные величины, получим:
Таблица 2.2 – Приведённые моменты инерции
| N положения |
| N положения |
|
| 1 | 0,0592 | 7 | 0,0592 |
| 2 | 0,0886 | 8 | 0,0886 |
| 3 | 0,1441 | 9 | 0,1441 |
| 4 | 0,1701 | 10 | 0,1701 |
| 5 | 0,1441 | 11 | 0,1441 |
| 6 | 0,0886 | 12 | 0,0886 |
Для построения графика приведённого момента инерции необходимо Рассчитать масштабные коэффициенты.
,
(2.11)
где,
- масштабный коэффициент по оси
- максимальное значение
, кг∙м2
- значение
на графике, мм
,
(2.12)
где,
- масштабный коэффициент по оси φ
- принятая длинна одного оборота по оси φ
Характеристики
Тип файла документ
Документы такого типа открываются такими программами, как Microsoft Office Word на компьютерах Windows, Apple Pages на компьютерах Mac, Open Office - бесплатная альтернатива на различных платформах, в том числе Linux. Наиболее простым и современным решением будут Google документы, так как открываются онлайн без скачивания прямо в браузере на любой платформе. Существуют российские качественные аналоги, например от Яндекса.
Будьте внимательны на мобильных устройствах, так как там используются упрощённый функционал даже в официальном приложении от Microsoft, поэтому для просмотра скачивайте PDF-версию. А если нужно редактировать файл, то используйте оригинальный файл.
Файлы такого типа обычно разбиты на страницы, а текст может быть форматированным (жирный, курсив, выбор шрифта, таблицы и т.п.), а также в него можно добавлять изображения. Формат идеально подходит для рефератов, докладов и РПЗ курсовых проектов, которые необходимо распечатать. Кстати перед печатью также сохраняйте файл в PDF, так как принтер может начудить со шрифтами.















