144733 (620710), страница 6
Текст из файла (страница 6)
Условный параметр А0:
Относительная высота сжатой зоны:
Относительное плечо внутренней пары сил: η = 1 - 0,5ξ
Требуемая площадь сечения арматуры:
Подбираем по сортаменту необходимый диаметр стержня, учитывая, что число стержней в сечении - 4.
Арматура подбирается для трех сечений ригеля:
1 - сечение в крайнем пролете (М11);
2 - сечение в левой средней опоре (М21 = М23);
3 - сечение в среднем пролете (М22).
На средней опоре используется расчётный изгибающий момент в сечении ригеля по грани колонны (п.2.4.3).
Граничная относительная высота сжатой зоны:
,
где ω = - 0,008 Rbb2 = 0,85 - 0,008 14,5 0,9 = 0,7456;
σsR = Rs = 365 МПа (для ненапрягаемой арматуры).
Толщина защитного слоя бетона аb для продольной рабочей арматуры должна составлять (п.5.5 СНиП [2]):
не менее диаметра стержня: аb ≥ d,
не менее 20 мм в балках высотой h ≥ 250 мм: аb ≥ 20 мм.
Расстояние в свету между стержнями продольной рабочей арматуры аs должно составлять (п.5.5 СНиП [2]):
не менее наибольшего диаметра стержня: аs ≥ d,
не менее 25 мм для нижней арматуры и 30 мм для верхней: аs ≥ 25 (30) мм.
Расстояния по высоте между осями арматурных стержней (рис.4.1) должны назначаться с учётом этих требований, а также кратными 5 мм:
а1 аb + 0,5d, кратно 5 мм;
а2 аs + d, кратно 5 мм.
Тогда расстояние от растянутой грани сечения до центра тяжести продольной рабочей арматуры составит:
а = а1 + 0,5а2.
Если оно сильно отличается от принятого ранее, особенно в большую сторону, то прочность может быть не обеспечена и расчёт необходимо провести заново. Если это расстояние отличается не сильно и площадь арматуры взята с запасом, расчёт можно не повторять. Окончательно это выяснится в табл.4.2.
4.3 Подбор продольной рабочей арматуры ригеля
Таблица 4.1.
| Расчётное сечение | в крайнем пролёте | на левой средней опоре | в среднем пролёте | |
| М, кН·см | М11 = 60 799 | Mfr = 43 400 | М22 = 34 098 | |
| h0 = h - a, см | 75 - 8 = 67 | 75 - 7 = 68 | 75 - 6 = 69 | |
| А0 | 0,4151 | 0,2877 | 0,2195 | |
| ξ | 0,5880 | 0,3484 | 0,2510 | |
| η | 0,706 | 0,826 | 0,874 | |
| Требуемая Аs, см2 | 35,22 | 21,17 | 15,49 | |
| Принятое армирование | 436 А 400 | 428 А 400 | 425 А 400 | |
| Фактич. Аs, см2 | 40,72 | 24,63 | 19,68 | |
| а1, мм | Минимальное | 36 + 0,536 = 54 | 28 + 0,528 = 42 | 25 + 0,525 = 37,5 |
| Принятое | 55 | 45 | 40 | |
| а2, мм | Минимальное | 36 + 36 = 72 | 30 + 28 = 58 | 25 + 25 = 50 |
| Принятое | 75 | 60 | 50 | |
| Фактич. а, мм | 55 + 0,5·75 = 92,5 | 45 + 0,5·60 = 75 | 40 + 0,550 = 65 | |
| Фактич. h0 = h - a, см | 75 - 9,25 = 65,75 | 75 - 7,5 = 67,5 | 75 - 6,5 = 68,5 | |
| Расст. h01 = h - a1, см | 75 - 5,5 = 69,5 | 75 - 4,5 = 70,5 | 75 - 4 = 71 | |
4.4 Подбор поперечной рабочей арматуры ригеля
4.4.1 Конструирование поперечной арматуры
Диаметр стержней поперечной арматуры d принимается из условия ее свариваемости с продольной арматурой наибольшим диаметром D = 36 мм:
d ≥ 0,25D = 0,25·36 = 9 мм.
Чтобы расчётное сопротивление поперечной арматуры не снижалось (п.4.1), её диаметр должен составлять
d ≥ D/3 = 36/3 = 12 мм.
Окончательно диаметр назначим после расчёта. Если по расчёту поперечная арматура требоваться не будет, её диаметр примем только исходя из указанных здесь условий.
Шаг стержней поперечной арматуры назначается в соответствии с конструктивными требованиями п.5.27 СНиП [2], затем проверяется расчетом прочности по наклонному сечению.
На приопорных участках длиной L0 = L/4 = 7,8/4 = 1,95 м
при высоте сечения h > 450 мм (в данном случае h = 750 мм)
,
S1 500 мм.
Принимаем S1 = 250 мм (кратно 50 мм), см. прил.1.
На остальной части пролета при h>300 мм:
,
S2 500 мм.
Принимаем S2 = 500 мм (кратно 50 мм).
4.4.2 Общие соображения по расчёту прочности наклонных сечений
Для обеспечения прочности элемента по наклонному сечению необходимо провести три расчёта:
Расчёт на действие поперечной силы по наклонной трещине.
Расчёт на действие изгибающего момента по наклонной трещине.
Расчёт на действие поперечной силы по наклонной полосе между наклонными трещинами.
Расчёт на действие изгибающего момента допускается не проводить, если все стержни продольной арматуры доведены до опоры и имеют надёжную анкеровку. В данном случае некоторые стержни не доводятся до опоры, но отвечают определённым конструктивным требованиям, которые учтены в п.4.4., поэтому расчёт на действие изгибающего момента выполнять не будем.
Анкеровка арматуры - обеспечение восприятия арматурой действующих на неё усилий путём заведения её на определённую длину за расчётное сечение или устройства на её концах специальных анкеров.
Расчет прочности ригеля по наклонному сечению на действие поперечной силы проведем для сечения, в котором значение Q максимальное (сечение слева от средней опоры ригеля), Q = Q21 = 470,27 кН, см. п.2.4.3.
Установленный в результате расчёта шаг поперечной арматуры в целях унификации принимаем и возле остальных опор. При необходимости можно провести соответствующие расчёты и увеличить шаг арматуры.
4.4.3 Расчет на действие поперечной силы по наклонной трещине
1-й этап. Установим необходимость проведения расчёта.
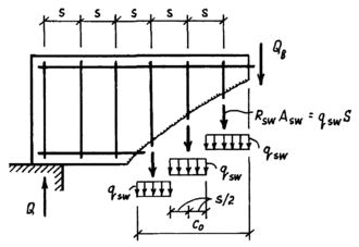
Поперечное усилие в сечении с наклонной трещиной воспринимает бетон (Qb) и поперечная арматура (Qsw). Расчетная схема усилий приведена на рис.4.2.
Рис.4.2 Схема усилий в наклонном сечении изгибаемого элемента при расчёте по прочности.
Минимально возможное значение поперечного усилия, воспринимаемого бетоном (по ф-ле п.3.31* СНиП [2]):
Qb,min = b3 Rbt b2 bh0 = 0,60,1050,92565,75 = 93,20 кН < Q = 470,27 кН.
здесь b3 - коэффициент, учитывающий вид бетона; для тяжелого бетона b3 = 0,6.
В качестве рабочей высоты сечения принимается фактическое значение h0 в крайнем пролёте из табл.4.1.
Если Q < Qb,min, то поперечная арматура по расчёту не требуется.
Фактически бетон может воспринимать большее усилие, чем Qb,min, поэтому уточним значение Qb. В общем случае расчета принимается, что поперечное усилие распределяется поровну между бетоном и поперечной арматурой:
Qb = Qsw = Q / 2 = 470,27/2 = 235,14 кН.
Параметр, характеризующий сопротивление бетона образованию наклонных трещин:
Mb = b2 Rbt b2 bh02 = 2,000,1050,92565,752 = 20 426 кНсм;
здесь b2 - коэффициент, учитывающий вид бетона; для тяжелого бетона b2 = 2,00.
Длина проекции опасной наклонной трещины на продольную ось элемента из ф-лы (76) СНиП [2]:
Величина с0 принимается в пределах h ≤ с0 ≤ 2h0 = 2·65,75 = 131,5 см.
Указанное условие выполняется, и мы оставляем с0 без изменения.
Когда условие не выполняется, то с0 принимается равным верхнему или нижнему пределу (например, если получается с0 > 2h0, то следует принимать с0 = 2h0).
Поперечное усилие, воспринимаемое бетоном:
Получили Qb < Q, значит бетон не может воспринять всё усилие и поперечная арматура требуется по расчёту.
2-й этап. Найдём шаг поперечной арматуры, необходимой по расчёту.
Необходимая интенсивность поперечного армирования из ф-лы (82) СНиП [2]:
.
В соответствии с ф-лой (33) СНиП [2] величина qsw принимается не менее:
,
qsw = 2,707 кН/см > 0,709 кН/см,
условие выполняется.
Требуемый диаметр поперечных стержней из формулы (81) СНиП [2]:
.
В поперечном сечении ригеля устанавливается два каркаса с поперечной арматурой, поэтому принимаем по сортаменту 214 А 400 (А-III), (Аsw = 3,08 см2).
Условие d ≥ D/3 выполняется: d = 14 мм > 36/3 = 12 мм.
Максимально допустимый шаг, свыше которого трещины появляются между поперечными стержнями и усилия полностью передаются на бетон:
;
условие S ≤ Smax выполняется.
3-й этап (проверочный). Найдём несущую способность наклонного сечения с принятым армированием.
Интенсивность поперечного армирования (усилие в поперечных стержнях, отнесённое к единице длины элемента):
.
Длина проекции опасной наклонной трещины по ф-ле (80) СНиП [2]:
.
Поперечное усилие, воспринимаемое бетоном:
.
Поперечное усилие, воспринимаемое арматурой:
Qsw = qsw с0 = 3,57375,61 = 270,15 кН.
Как уже отмечалось,
















