144733 (620710), страница 8
Текст из файла (страница 8)
Продольное армирование колонны назначается из условия прочности, которое имеет вид:
Nk (Rb b2 A + Rsc As,tot),
где - коэффициент, учитывающий влияние продольного изгиба; принимается по справочной таблице в зависимости от отношения расчётной длины колонны к её ширине: l0/hk = 4,2/0,45 = 9,33; тогда коэффициент = 0,9.
| l0/hk | 6…12 | 16 | 20 |
| 0,9 | 0,8 | 0,7 |
А - площадь поперечного (бетонного) сечения колонны: A = (bk) 2 = 452 = 2025 см2.
Rsc - расчётное сопротивление продольной арматуры сжатию; для арматуры класса A-III (А400) Rsc = 365 МПа.
As,tot - суммарная площадь продольной арматуры колонны, которую необходимо определить в результате расчёта.
Требуемая площадь продольной арматуры As,tot назначается из двух условий:
из условия прочности:
.
из условия обеспечения минимального коэффициента армирования
min = 0,002 (0,2%): As,tot 2A min = 220250,002 = 8,1 см2.
Принимаем по сортаменту As,tot = 10,18 см2 (418 A 400).
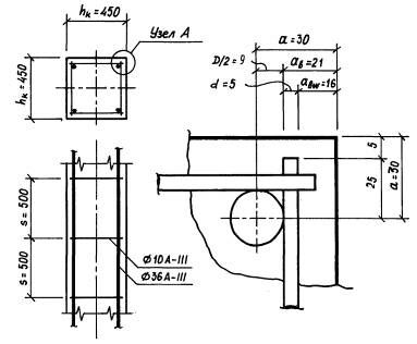
Устанавливаем 4 арматурных стержня по углам колонны (рис.5.1).
Допускается применять для армирования колонны 6 стержней, однако в данном случае этот вариант является менее выгодным.
5.2 Конструирование поперечной арматуры колонны
Поперечная арматура в колоннах устанавливается в целях:
Образования пространственных каркасов.
Предотвращения выпучивания продольных стержней.
Сдерживания поперечных деформаций бетона.
Диаметр поперечной арматуры d назначается из условия свариваемости с продольными арматурными стержнями диаметром D:
d 0,25D = 0,2518 = 4,5 мм. Принимаем поперечную арматуру 5 A 400.
Шаг поперечных арматурных стержней не должен превышать
s 20D = 2018 = 360 мм; s 500 мм. Принимаем s = 350 мм (кратно 50 мм).
Для усиления концевых участков у торцов колонн дополнительно устанавливаем сетки косвенного армирования из арматуры 8 A-I, размер ячеек 5050 мм. Назначаем 5 сеток с шагом 75 мм.
Толщина защитного слоя бетона аb для продольной рабочей арматуры колонны (см. рис.5.1) должна составлять (п.5.5 СНиП [2]):
не менее диаметра стержня: аb ≥ D = 18 мм,
не менее 20 мм: аb ≥ 20 мм.
Требуемое расстояние от наружной грани колонны до центра тяжести продольной арматуры: а аb + 0,5D = 21 + 0,5·18 = 29 мм. Принимаем a = 30 мм, тогда
фактическая толщина защитного слоя: аb = а - 0,5D = 30 - 0,5·18 = 21 мм > 18 мм.
Толщина защитного слоя бетона аbw для поперечной арматуры колонны должна составлять (п.5.5 СНиП [2]):
не менее диаметра стержня: аbw ≥ d = 5 мм,
не менее 15 мм: аbw ≥ 15 мм.
Фактическая толщина защитного слоя: аbw = аb - d = 21 - 5 = 16 мм > 15 мм. Таким образом, требования по величине защитного слоя выполнены.
Рис.5.1 Размещение арматуры в поперечном сечении колонны.
6. Расчёт и конструирование фундамента
6.1 Общие соображения
Проектируем отдельный монолитный фундамент мелкого заложения под колонну.
Основные понятия: обрез фундамента - это его верхняя грань, подошва фундамента - это нижняя грань, основание - это грунт под подошвой фундамента, глубина заложения подошвы фундамента - это расстояние от наружной поверхности земли до подошвы фундамента.
Глубина заложения подошвы фундамента назначается исходя из инженерно-геологических условий площадки строительства, климатических воздействий на верхние слои грунта (в том числе условий промерзания грунта), а также конструктивных особенностей возводимого и соседних сооружений и составляет (по заданию) df = 1,3 м.
Пол 1-го этажа выполняется по грунту. Заглубление обреза фундамента относительно уровня пола 1-го этажа: d0 = 0,15 м.
Высота фундамента: hf = df - d0 = 1,30 - 0,15 = 1,15 м.
Расчётное сопротивление грунта основания (по заданию):
R0 = 0,25 МПа = 250 кН/м2.
Средний удельный вес фундамента с грунтом на его уступах: m = 20 кН/м3.
Классы бетона и арматуры для фундамента принимаются такими же, как и у ригеля перекрытия (п.4.1). Коэффициент длительности действия нагрузки b2 = 0,9.
Под фундаментом предусматривается бетонная подготовка толщиной 100 мм из бетона класса В3,5.
Фундамент под колонну, сжатую со случайным эксцентриситетом, воспринимает в основном только продольную силу, поэтому его можно считать центрально нагруженным. Продольные усилия на уровне верха фундамента допускается принимать такими же, как на уровне пола 1-го этажа (п.2.4.4): нормативное усилие Nk.n = 1947 кН; расчётное усилие Nk = 2175 кН.
Центрально нагруженные фундаменты обычно проектируют квадратными в плане.
Внецентренно нагруженные колонны и фундаменты проектируют прямоугольными, при этом широкая сторона располагается в плоскости действия изгибающего момента.
Расчёт фундамента состоит из двух этапов. На первом из них проводится расчёт по несущей способности основания, в результате которого определяется площадь подошвы фундамента Af. На втором этапе выполняется расчёт по несущей способности самого фундамента, на основе которого определяются остальные размеры фундамента и площадь рабочей арматуры As,f.
6.2 Определение площади подошвы фундамента
Расчёт по несущей способности основания выполняется на действие нормативных нагрузок с учётом веса фундамента и грунта на его уступах. Расчёт производится из условия, что давление под подошвой фундамента pn не должно превышать расчётное сопротивление грунта основания R0:
.
Тогда требуемая площадь подошвы фундамента:
.
Необходимый размер стороны подошвы квадратного в плане фундамента:
,
принимаем af = 3,0 м = 3000 мм (кратно 100 мм).
Фактическая площадь подошвы фундамента: Af = 3002 = 90 000 см2.
Расчёт по несущей способности конструкции самого фундамента выполняется на действие расчётных нагрузок без учёта веса фундамента и грунта на его уступах. Напряжения под подошвой фундамента в этом случае:
.
6.3 Определение основных размеров фундамента
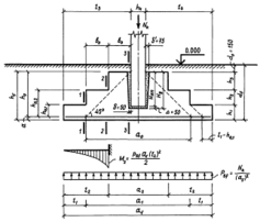
Высота фундамента hf = 1,15 м > 0,90 м, поэтому проектируем фундамент трёхступенчатым. Размеры ступеней назначаются таким образом, чтобы внутренние грани ступеней не пересекали прямую, проведённую под углом 45 к грани колонны на уровне верха фундамента (рис.6.1). Указанная прямая определяет границы так называемой пирамиды продавливания.
Рис.6.1 Основные размеры отдельного фундамента под колонну.
Определение высоты ступеней
Высота ступеней назначается кратной 50 мм. Принимаем высоту первой (нижней) и второй (средней) ступеней h1 = h2 = 350 мм, а третьей (верхней) ступени h3 = 450 мм.
Принимаем расстояние от нижней грани фундамента до центра тяжести растянутой арматуры подошвы а = 5 см, тогда рабочая высота фундамента:
h0 = hf - a = 115 - 5 = 110 см.
Рабочая высота первой и второй ступеней:
h0,1 = h1 - a = 35 - 5 = 30 см; h0,2 = h1 + h2 - a = 35 + 35 - 5 = 65 см.
Определение глубины заделки колонны в фундаменте
Сборные колонны соединяют с фундаментами путём их заделки в специальные гнёзда (стаканы), оставляемые в фундаментах при бетонировании.
Глубина заделки колонны в фундаменте Han должна быть не менее:
Han 1,4hk = 1,4450 = 630 мм; Han 25D = 2518 = 450 мм;
здесь D - диаметр продольной арматуры колонны; при классе бетона фундамента ниже В25 требуется Han 30D.
Принимаем Han = 630 мм, предусматриваем зазор между нижней гранью колонны и дном стакана = 50 мм, тогда глубина стакана:
Hg = Han + = 630 + 50 = 680 мм.
Толщина дна стакана должна быть не менее 200 мм:
tg = hf - Hg = 1150 - 680 = 470 мм > tg,min = 200 мм.
Условие выполняется. Определение размеров ступеней в плане.
Определяем минимальные размеры ступеней из условия работы фундамента на продавливание:
a2 hk + 2h3 = 450 + 2450 = 1350 мм;
a1 hk + 2 (h2 + h3) = 450 + 2 (350 + 450) = 2050 мм.
Назначаем ширину выноса b0 всех ступеней примерно одинаковой:
b0 = (af - hk) /6 = (3000 - 450) /6 = 425 мм.
Тогда ширина верхней и средней ступени составит:
a2 = hk + 2b0 = 450 + 2425 = 1300 мм < 1350 мм; a2=1350
a1 = hk + 4b0 = 450 + 4555 = 2670 мм > 2050 мм; a1=2050
Консольные вылеты ступеней:
l1 = (af - a1) /2 = (3000 - 2050) /2 = 475 мм;
l2 = (af - a2) /2 = (3000 - 1350) /2 = 825 мм;
l3 = (af - hk) /2 = (3000 - 450) /2 = 1275 мм.
Назначаем зазоры между стенками стакана и гранями колонны: поверху = 75 мм, понизу = 50 мм.
6.4 Расчёт фундамента на продавливание
Условие расчёта фундамента на продавливание имеет вид (формула (107) СНиП [2]):
F Rbt b2 um h0,
где - коэффициент, учитывающий вид бетона; для тяжелого бетона = 1,00; umh0 - площадь боковой поверхности пирамиды продавливания; сторона верхнего основания пирамиды равна ширине колонны hk, сторона нижнего основания
a0 = hk + 2h0 = 45 + 2110 = 265 см;
um - среднеарифметическое между периметрами верхнего и нижнего основания пирамиды продавливания:
um = (4hk + 4a0) /2 = 2 (hk + h0) = 2 (45 + 110) = 310 см;
F - продавливающая сила, равная разности усилий, приложенных к верхнему и нижнему основаниям пирамиды продавливания:
F = Nk - psf (a0) 2 = 2175 - 0,024 (265) 2 = 489,6 кН > 0.
Если F < 0, то основание пирамиды продавливания выходит за пределы подошвы фундамента и продавливания не происходит.
Предельное усилие, которое может воспринять фундамент из условия работы на продавливание:
Fult = Rbt b2 um h0 = 1,000,1050,9310110 = 3222 кН > F = 489,6 кН.
















