144733 (620710), страница 9
Текст из файла (страница 9)
Проверка выполняется.
6.5 Проверка прочности плиты по наклонному сечению
Рабочая высота нижней ступени фундамента должна соответствовать условию прочности бетона по наклонному сечению на действие поперечной силы при отсутствии поперечного армирования в сечении, начинающемся на нижней границе пирамиды продавливания для первой ступени.
Условие расчёта имеет вид: Q Qb,min, где Q - поперечное усилие в конце наклонного сечения, вызванное реактивным давлением грунта:
Q = psf af (l1 - h0,1) = 0,024300 (47,5 - 30) = 126 кН,
Qb,min - минимальное поперечное усилие, воспринимаемое бетоном в наклонном сечении:
Qb,min = 0,6 Rbt b2 a h0,1 = 0,60,1050,930030 = 510,3 кН > Q = 126 кН,
поэтому прочность плиты по наклонному сечению обеспечена.
6.6 Подбор арматуры подошвы фундамента
Под действием реактивного давления грунта psf ступени фундамента работают на изгиб как консольные элементы (см. рис.6.1). Растягивающие усилия воспринимает продольная арматура, расположенная возле подошвы фундамента. Подбор продольной арматуры производится для сечений, проходящих по грани средней ступени (1-1), по грани верхней ступени (2-2) и по грани колонны (3-3).
Расчётный изгибающий момент в каждом исследуемом сечении определяется как в консоли вылетом li:
.
Плечо внутренней пары сил при расчёте фундамента допускается принимать равным zb = 0,9h0. Тогда требуемая площадь сечения арматуры составит:
,
где для арматуры класса А 400 (А-III) расчётное сопротивление Rs = 36,5 кН/см2.
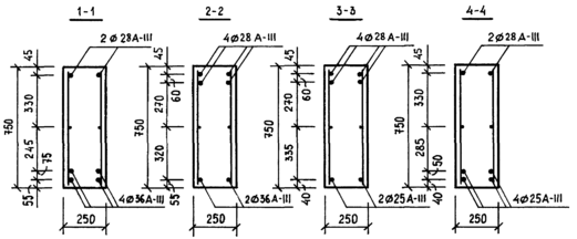
Расчёт требуемой площади арматуры для трёх сечений приведён в табл.6.1.
Таблица 6.1. Определение площади арматуры подошвы фундамента
| Сечение i | ai см | h0, i см | li cм | Mi кНсм | As, i см2 |
| 1 | 205 | 30 | 47,5 | 8123 | 8,24 |
| 2 | 135 | 65 | 82,5 | 24503 | 11,48 |
| 3 | 45 | 110 | 127,5 | 58523 | 16, 20 |
Фундаментные плиты армируют по подошве сварными сетками; диаметр арматуры составляет 10…16 мм, шаг стержней s = 100…200 мм [4].
Применим для армирования сетку с ячейками 100100 мм, расстояние от вертикальной грани подошвы до первого стержня назначим равным 50 мм. Тогда в каждом направлении сетка будет состоять из af /100 = 3000/100 = 30 стержней.
Требуемая площадь одного стержня: As,1 16, 20/30 = 0,54 см2.
Принимаем в итоге по сортаменту 3810 А 400 (А-III), шаг s = 100 мм;
площадь одного стержня Аs,1 = 0,785 см2, всех стержней Аs,f = 38 Аs,1 = 29,83 см2.
Толщина защитного слоя бетона фундамента ab должна быть выше минимально допустимой ab,min (при наличии подготовки под фундаментом ab,min = 35 мм):
ab = a - 0,5D = 50 - 0,510 = 45 мм > ab,min = 35 мм.
Условие выполняется.
Процент армирования (для сечения 1-1):
.
В пределах глубины стакана дополнительно предусматриваем 5 сеток конструктивного поперечного армирования из стержней 8A-I, устанавливаемых с шагом s = 150 мм, причём верхняя сетка находится на расстоянии s0 = 50 мм от верха стакана.
Список литературы
-
СНиП 2.01.07 - 85*. Нагрузки и воздействия. / Госстрой России. - М.: ФГУП ЦПП, 2004. - 44 с.
-
СНиП 2.03.01 - 84*. Бетонные и железобетонные конструкции. / Госстрой России. - М.: ФГУП ЦПП, 2001. - 76 с.
-
СНиП 52-01-2003. Бетонные и железобетонные конструкции. Основные положения. - М.: ФГУП ЦПП, 2004. - 24 с.
-
СП 52-101-2003. Свод правил по проектированию и строительству. Бетонные и железобетонные конструкции без предварительного напряжения арматуры. ГУП "НИИЖБ". - М.: ФГУП ЦПП, 2004. - 54 с.
-
СП 52-102-2004. Свод правил по проектированию и строительству. Предварительно напряженные железобетонные конструкции. ГУП "НИИЖБ". - М.: ФГУП ЦПП, 2005. - 38 с.
-
Байков В.Н., Сигалов Э.Е. Железобетонные конструкции. Общий курс: Учебник для ВУЗов. - М.: Стройиздат, 1991. - 767 с.
-
Бондаренко В.М., Римшин В.И. Примеры расчёта железобетонных и каменных конструкций: Учеб. пособие. - М.: Высш. шк., 2006. - 504 с.
-
Тимофеев Н.А. Проектирование несущих железобетонных конструкций многоэтажного промышленного здания: Метод. указания к курсовой работе и практическим занятиям для студентов спец. "Строительство ж. д., путь и путевое хозяйство". - М.: МИИТ, 2004. - 48 с.
Приложение
Графическая часть
Лист 1. План и поперечный разрез здания (М 1: 200).
Лист 2. Армирование панели перекрытия (М 1: 10), спецификация арматуры.
Лист 3. Армирование ригеля перекрытия (М 1: 50),
конструктивное решение опорного узла (М 1: 20)
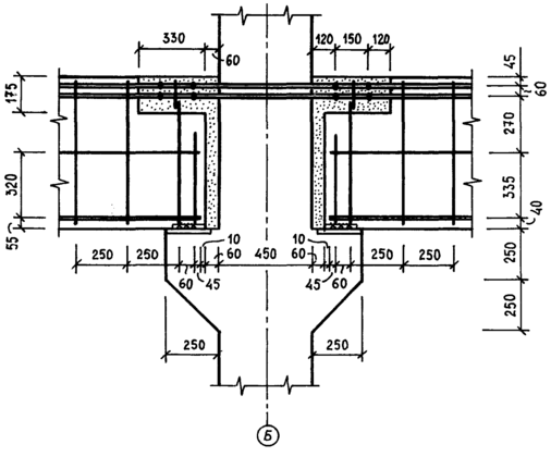
Лист 4. Армирование фундамента под колонну (М 1: 50).
Армирование панели перекрытия
(М 1:10)
Опорный узел
(М 1:5)
Узел А
(М 1:5)
К-2
Разрез 2-2
(М 1:10)
К-1
Линия сгиба
С-2
С-1
Узел А
Разрез 1-1
(М 1:10)
ПРИМЕЧАНИЯ:
Бетон тяжёлый класса В40. Передаточная прочность при обжатии 20 МПа.
Натяжение напрягаемой арматуры электротермическим способом на упоры. Контролируемое значение предварительного напряжения 800 МПа.
Размещение поперечной арматуры по длине каркаса панели
Пример 1. Панель пролётом 7,8 м.
Длина стержней продольной арматуры на 20 мм меньше конструктивной длины панели lk = 7770 мм:
l = 7770 - 20 = 7750 мм.
Число шагов поперечной арматуры в средней части пролёта при шаге S2 = 250 мм:
n2 = 7750/ (2250) = 15,5;
принимаем n2 = 15 (в сторону уменьшения). Тогда
S2n2 = 25015 = 3750 мм.
Длина размещения поперечной арматуры у опор:
l0 = (7750 - 3750) /2 = 2000 мм.
Число шагов поперечной арматуры возле опор при шаге S1 = 150 мм: n1 = 2000/150 = 13,3; принимаем n1 = 13 (в сторону уменьшения).
Тогда
S1n1 = 15013 = 1950 мм.
Остаток по краям составляет:
2000 - 1950 = 50 мм.
Остаток должен составлять не менее диаметра продольного стержня (8 мм) и не менее 20 мм. Указанные требования выполняются.
Пример 2. Панель пролётом 6,6 м.
Длина стержней продольной арматуры на 20 мм меньше конструктивной длины панели lk = 6570 мм:
l = 6570 - 20 = 6550 мм.
Число шагов поперечной арматуры в средней части пролёта при шаге S2 = 200 мм:
n2 = 6550/ (2200) = 16,3;
принимаем n2 = 16 (в сторону уменьшения). Тогда
S2n2 = 20016 = 3200 мм.
Длина размещения поперечной арматуры у опор:
l0 = (6550 - 3200) /2 = 1675 мм.
Число шагов поперечной арматуры возле опор при шаге S1 = 150 мм:
n1 = 1675/150 = 11,2;
принимаем n1 = 11 (в сторону уменьшения).
Тогда
S1n1 = 15011 = 1650 мм.
Остаток по краям составляет:
1675 - 1650 = 25 мм.
Остаток должен составлять не менее диаметра продольного стержня (8 мм) и не менее 20 мм. Указанные требования выполняются.
Армирование ригеля перекрытия
(М 1:50)
Поперечные сечения ригеля перекрытия
(М 1:20)
Сварка закладных деталей
Вставка
Опорный узел ригеля перекрытия
(М 1:20)
А
1-1
рмирование фундамента (М 1:50)Панели перекрытий
| Тип панели | Размеры поперечного сечения, мм | Нагрузка от собственного веса панели, кН/м2 | |
| высота hn | ширина bn | ||
| Рёбристая | 25…40 | 110…150 | 2,5 |
| 2Т | 30…40 | 2,0 | |
Характеристики панелей и ригелей перекрытия
| Пролёт L, м | Характеристики панели перекрытия | Характеристики ригеля перекрытия | ||||||||||
| высота | номинальная ширина | число панелей по длине пролёта | шаг поперечной арматуры, мм | высота | ширина | шаг поперечной арматуры, мм | ||||||
| hn, мм | bn, мм | S1 | S2 | hr, мм | br, мм | S1 | S2 | |||||
| 6 | 300 | 1 200 | 5 | 150 | 200 | 600 | 200 | 200 | 450 | |||
| 6,6 | 300 | 1 100 | 6 | 150 | 200 | 650 | 250 | 200 | 450 | |||
| 7,2 | 350 | 1 200 | 6 | 150 | 250 | 700 | 250 | 200 | 500 | |||
| 7,8 | 350 | 1 300 | 6 | 150 | 250 | 750 | 250 | 250 | 500 | |||
| 8,4 | 400 | 1 400 | 6 | 150 | 300 | 800 | 300 | 250 | 500 | |||
| 9 | 450 | 1 500 | 6 | 150 | 300 | 850 | 300 | 250 | 500 | |||
Нормативные и расчётные сопротивления бетона, начальные модули упругости
| Класс бетона В | Сопротивления бетона, МПа | Модуль упругости бетона Eb103, МПа | ||||
| на сжатие | на растяжение | |||||
| Rbn | Rb | Rbt,n | Rbt | естественного твердения | подвергнутого тепловой обработке | |
| В5 | 3,5 | 2,8 | 0,55 | 0,37 | 13,0 | 11,5 |
| В7,5 | 5,5 | 4,5 | 0,70 | 0,48 | 16,0 | 14,5 |
| В10 | 7,5 | 6,0 | 0,85 | 0,57 | 18,0 | 16,0 |
| В12,5 | 9,5 | 7,5 | 1,00 | 0,66 | 21,0 | 19,0 |
| В15 | 11,0 | 8,5 | 1,15 | 0,75 | 23,0 | 20,5 |
| В20 | 15,0 | 11,5 | 1,40 | 0,90 | 27,0 | 24,0 |
| В25 | 18,5 | 14,5 | 1,60 | 1,05 | 30,0 | 27,0 |
| В30 | 22,0 | 17,0 | 1,80 | 1, 20 | 32,5 | 29,0 |
| В35 | 26,5 | 19,5 | 1,95 | 1,30 | 34,5 | 31,0 |
| В40 | 29,0 | 22,0 | 2,10 | 1,40 | 36,0 | 32,5 |
| В45 | 32,0 | 25,0 | 2, 20 | 1,45 | 37,5 | 34,0 |
| В50 | 35,0 | 27,6 | 2,30 | 1,55 | 39,0 | 35,0 |
| В55 | 39,5 | 30,0 | 2,40 | 1,60 | 39,5 | 35,5 |
| В60 | 43,0 | 33,0 | 2,50 | 1,65 | 40,0 | 36,0 |
Сортамент стержневой и проволочной арматуры. Площади поперечных сечений проволочной и стержневой арматуры
| Диаметр, мм | Расчётная площадь поперечного сечения, см2 при числе стержней | Масса 1 м длины, кг | |||||
| 1 | 2 | 3 | 4 | 5 | 6 | ||
| 3 | 0,071 | 0,141 | 0,212 | 0,283 | 0,353 | 0,424 | 0,052 |
| 4 | 0,126 | 0,251 | 0,377 | 0,502 | 0,628 | 0,754 | 0,092 |
| 5 | 0, 196 | 0,393 | 0,589 | 0,785 | 0,982 | 1,178 | 0,144 |
| 6 | 0,283 | 0,57 | 0,85 | 1,13 | 1,41 | 1,70 | 0,222 |
| 8 | 0,503 | 1,01 | 1,51 | 2,01 | 2,51 | 3,02 | 0,395 |
| 10 | 0,785 | 1,57 | 2,36 | 3,14 | 3,93 | 4,71 | 0,617 |
| 12 | 1,131 | 2,26 | 3,39 | 4,52 | 5,65 | 6,79 | 0,888 |
| 14 | 1,539 | 3,08 | 4,62 | 6,16 | 7,69 | 9,23 | 1, 208 |
| 16 | 2,011 | 4,02 | 6,03 | 8,04 | 10,05 | 12,06 | 1,578 |
| 18 | 2,545 | 5,09 | 7,63 | 10,18 | 12,72 | 15,27 | 1,998 |
| 20 | 3,142 | 6,28 | 9,42 | 12,56 | 15,71 | 18,85 | 2,466 |
| 22 | 3,801 | 7,60 | 11,40 | 15, 20 | 19,00 | 22,81 | 2,984 |
| 25 | 4,909 | 9,82 | 14,73 | 19,63 | 24,54 | 29,45 | 3,840 |
| 28 | 6,158 | 12,32 | 18,47 | 24,63 | 30,79 | 36,85 | 4,830 |
| 32 | 8,043 | 16,09 | 24,13 | 32,17 | 40,21 | 48,26 | 6,310 |
| 36 | 10,179 | 20,36 | 30,54 | 40,72 | 50,89 | 61,07 | 7,990 |
| 40 | 12,566 | 25,13 | 37,70 | 50,27 | 62,83 | 75,40 | 9,865 |
Диаметры прокатываемой арматуры
| Диаметр, мм | Стержневая горячекатаная арматура | Проволочная арматура | ||||||||||
| А240 A-I | А300 A-II | А400 A-III | А500 | А600 A-IV | А800 A-V | А1000 A-VI | Aт-VII | В500 Вр-I | Вр-II | В-II | ||
| 3 | + | + | + | |||||||||
| 4 | + | + | + | |||||||||
| 5 | + | + | + | |||||||||
| 6 | + | - | + | + | + | + | + | |||||
| 8 | + | - | + | + | + | + | + | |||||
| 10 | + | + | + | + | + | + | + | + | + | |||
| 12 | + | + | + | + | + | + | + | + | + | |||
| 14 | + | + | + | + | + | + | + | + | ||||
| 16 | + | + | + | + | + | + | + | + | ||||
| 18 | + | + | + | + | + | + | + | + | ||||
| 20 | + | + | + | + | + | + | + | + | ||||
| 22 | + | + | + | + | + | + | + | + | ||||
| 25 | + | + | + | + | + | + | + | + | ||||
| 28 | + | + | + | + | + | + | + | + | ||||
| 32 | + | + | + | + | + | + | + | |||||
| 36 | + | + | + | + | ||||||||
| 40 | + | + | + | + | ||||||||
Характеристики горячекатанной, проволочной и канатной арматуры
| Класс арматуры | Диаметр арматуры, мм | Сопротивление арматуры, МПа | Модуль упругости, МПа, Es10-4 | |||
| Норматив-ное | Расчётное | |||||
| Растяже-нию Rsn | Растяжению продольной арматуры Rs | Растяжению поперечной арматуры Rsw | Сжа-тию Rsc | |||
| A-I | 6-40 | 235 | 225 | 175 | 225 | 21 |
| A-II | 10-40 | 295 | 280 | 225 | 280 | 21 |
| A-III | 6-8 | 390 | 355 | 285 | 355 | 20 |
| 10-40 | 390 | 365 | 290 | 365 | 20 | |
| A500 | 6-40 | 500 | 435 | 300 | 400 | 20 |
| A-IV | 10-32 | 590 | 510 | 405 | 450 | 19 |
| A-V | 10-32 | 785 | 680 | 545 | 500 | |
| A-VI | 10-22 | 980 | 815 | 650 | ||
| Ат-VI | 10-32 | 980 | 815 | 785 | ||
| Ат-VII | 10-28 | 1175 | 980 | 785 | ||
| Вр-I | 3-12 | 490 | 410 | 290 | 400 | 17 |
| Вр-II | 3 | 1500 | 1250 | 1000 | 20 | |
| 4-5 | 1400 | 1170 | 940 | |||
| 6 | 1200 | 1000 | 785 | |||
| 7 | 1100 | 915 | 730 | |||
| 8 | 1000 | 850 | 680 | |||
| В-II | 3 | 1500 | 1250 | 1000 | ||
| 4-5 | 1400 | 1170 | 940 | |||
| 6 | 1300 | 1050 | 835 | |||
| 7 | 1200 | 1000 | 785 | |||
| 8 | 1100 | 915 | 730 | |||
| К-7 | 6-12 | 1500 | 1250 | 1000 | 18 | |
| 15 | 1400 | 1180 | 945 | |||
| К-19 | 14 | 1500 | 1250 | 1000 | ||
Площади поперечных сечений канатной арматуры
| Марка каната | Диаметр, мм | Расчётная площадь поперечного сечения, см2 при числе стержней | Масса 1м длины, кг | ||||||
| 1 | 2 | 3 | 4 | 5 | 6 | ||||
| К-7 | 6 | 0,227 | 0,454 | 0,681 | 0,908 | 1,135 | 1,362 | 0,173 | |
| 9 | 0,510 | 1,020 | 1,53 | 2,04 | 2,55 | 3,06 | 0,402 | ||
| 12 | 0,906 | 1,812 | 2,718 | 3,624 | 4,53 | 5,436 | 0,714 | ||
| 15 | 1,416 | 2,832 | 4,248 | 5,664 | 7,08 | 8,496 | 1,116 | ||
| К-19 | 14,2 | 1,287 | 2,574 | 3,861 | 5,148 | 6,435 | 7,722 | 1,014 | |
Размещение арматуры в каркасах и сетках панелей
| Пролёт панели l, м | Конструктивная длина панели lk, мм | Размещение арматуры по длине каркаса К-1, мм | Общая длина стержня, мм |
| 6 | 5 970 | 25 + 2100 + (1509 = 1350) + (20014 = 2800) + (1509 = 1350) + 2100 + 25 | 5 950 |
| 6,6 | 6 570 | 25 + (15011 = 1650) + (20016 = 3200) + (15011 = 1650) + 25 | 6 550 |
| 7,2 | 7 170 | 25 + (15012 = 1800) + (25014 = 3500) + (15012 = 1800) + 25 | 7 150 |
| 7,8 | 7 770 | 50 + (15013 = 1950) + (25015 = 3750) + (15013 = 1950) + 50 | 7 750 |
| 8,4 | 8 370 | 25 + 100 + (15014 = 2100) + (30013 = 3900) + (15014 = 2100) + 100 + 25 | 8 350 |
| 9 | 8 970 | 25 + 100 + (15015 = 2250) + (30014 = 4200) + (15015 = 2250) + 100 + 25 | 8 950 |
| Пролёт панели l, м | Размещение арматуры по длине каркаса К-2, мм | Общая длина стержня, мм | Размещение арматуры по высоте каркаса К-1, мм | Общая длина стержня, мм |
| 6 | 30 + (2005 = 1000) + 30 | 1 060 | 10 + 260 + 10 | 280 |
| 6,6 | 30 + (1506 = 900) + 30 | 960 | 10 + 260 + 10 | 280 |
| 7,2 | 30 + (2005 = 1000) + 30 | 1 060 | 10 + 310 + 10 | 330 |
| 7,8 | 30 + 150 + (2004 = 800) + 150 + 30 | 1 160 | 10 + 310 + 10 | 330 |
| 8,4 | 30 + (2006 = 1200) + 30 | 1 260 | 10 + 360 + 10 | 380 |
| 9 | 30 + 150 + (2005 = 1000) + 150 + 30 | 1 360 | 10 + 410 + 10 | 430 |
| Пролёт панели l, м | Размещение арматуры по длине сеток С-1 и С-2, мм | Общая длина стержня, мм | Размещение арматуры по ширине сетки С-1, мм | Общая длина стержня, мм |
| 6 | 50 + (20029 = 5 800) + 50 | 5 900 | 50 + (1506 = 900) + 50 | 1 000 |
| 6,6 | 50 + (20032 = 6 400) + 50 | 6 500 | 50 + (2004 = 800) + 50 | 900 |
| 7,2 | 50 + (20035 = 7 000) + 50 | 7 100 | 50 + (1506 = 900) + 50 | 1 000 |
| 7,8 | 50 + (20038 = 7 600) + 50 | 7 700 | 50 + (2005 = 1000) + 50 | 1 100 |
| 8,4 | 50 + (20041 = 8 200) + 50 | 8 300 | 50 + 150 + (2004 = 800) + 150 + 50 | 1 200 |
| 9 | 50 + (20044 = 8 800) + 50 | 8 900 | 50 + (2006 = 1200) + 50 | 1 300 |
Размещение арматуры в каркасах ригелей
| Пролёт ригеля L, м | Конструктивная длина ригеля Lk, мм | Размещение арматуры по длине каркаса крайнего ригеля, мм | Общая длина стержня, мм |
| 6 | 5 965 | 40 + 200 + (2007 = 1400) + (4506 = 2700) + (2007 = 1400) + 100 + 60 + 45 | 5 945 |
| 6,6 | 6 565 | 40 + 50 + (2008 = 1600) + (4507 = 3150) + (2008 = 1600) + 60 + 45 | 6 545 |
| 7,2 | 7 165 | 40 + 200 + (2008 = 1600) + (5007 = 3500) + (2008 = 1600) + 100 + 60 + 45 | 7 145 |
| 7,8 | 7 765 | 40 + 100 + (2508 = 2000) + (5007 = 3500) + (2508 = 2000) + 60 + 45 | 7 745 |
| 8,4 | 8 365 | 40 + 200 + (2508 = 2000) + (5008 = 4000) + (2508 = 2000) + 60 + 45 | 8 345 |
| 9 | 8 965 | 40 + 200 + (2509 = 2250) + (5008 = 4000) + (2509 = 2250) + 100 + 60 + 45 | 8 945 |
| Пролёт ригеля L, м | Lk, мм | Размещение арматуры по длине каркаса среднего ригеля, мм | Общая длина стержня, мм |
| 6 | 5 430 | 40 + 60 + 80 + (2007 = 1400) + (4505 = 2250) + (2007 = 1400) + 80 + 60 + 40 | 5 410 |
| 6,6 | 6 030 | 40 + 60 + 180 + (2008 = 1600) + (4505 = 2250) + (2008 = 1600) + 180 + 60 + 40 | 6 010 |
| 7,2 | 7 630 | 45 + 60 + 150 + (2009 = 1800) + (5005 = 2500) + (2009 = 1800) + 150 + 60 + 45 | 7 610 |
| 7,8 | 7 230 | 45 + 60 + (2508 = 2000) + (5006 = 3000) + (2508 = 2000) + 60 + 45 | 7 210 |
| 8,4 | 8 830 | 45 + 60 + 50 + (2509 = 2250) + (5006 = 3000) + (2509 = 2250) + 50 + 60 + 45 | 8 810 |
| 9 | 8 430 | 45 + 60 + 100 + (2509 = 2250) + (5007 = 3500) + (2509 = 2250) + 100 + 60 + 45 | 8 410 |
Краткие теоретические сведения.
















