144733 (620710), страница 11
Текст из файла (страница 11)
Почему в качестве напрягаемой применяют только высокопрочную арматуру. В процессе натяжения в арматуре создают напряжения, близкие к её нормативному сопротивлению. Высокопрочная арматура характеризуется высокими значениями нормативного сопротивления, поэтому, в отличие от обыкновенной арматуры, позволяет создавать более высокие значения предварительных напряжений, несмотря на значительные их потери под влиянием различных факторов (ползучести бетона и др.). Величина предварительных напряжений в обыкновенной арматуре невелика и все они будут утрачены в результате потерь.
Почему в конструкциях без предварительного напряжения не применяют высокопрочную арматуру. В конструкциях без предварительного напряжения при действии эксплуатационной нагрузки допустимая ширина раскрытия трещин составляет 0,2…0,3 мм, при этом напряжения в арматуре не превышают 250…300 МПа. Расчётное сопротивление высокопрочной арматуры может достигать 1000 МПа и более, поэтому ей замечательные прочностные возможности в конструкциях без предварительного напряжения будут недоиспользованы.
Почему в элементах с высокопрочной арматурой необходимо применять бетон более высоких классов. Высокопрочная арматура используется в предварительно напряженных конструкциях. Повышение класса бетона в связи с использованием высокопрочной арматуры вызвано необходимостью либо обеспечить требуемую прочность сечений при обжатии, либо уменьшить потери напряжений в напрягаемой арматуре. Для этого необходимо повысить передаточную прочность бетона Rbp, а вместе с ней - и класс бетона.
Почему арматура периодического профиля является более эффективной. Периодический профиль арматуры применяется в целях улучшения её сцепления с бетоном, которое возрастает в 2…3 раза. Использование промасленной, грязной или ржавой арматуры ухудшает сцепление. Надёжное сцепление арматуры с бетоном обеспечивает совместность их деформаций. Ухудшение сцепления приводи к росту прогибов и ширины раскрытия трещин, а нарушение сцепления - к разрушению конструкций.
Почему с увеличением диаметра арматуры увеличивается ширина раскрытия трещин в конструкциях. При увеличении диаметра арматуры в 2 раза площадь сечения увеличивается в 22 = 4 раза, усилие в ней также возрастает в 4 раза, а периметр увеличивается только в 2 раза. Таким образом, увеличение контакта арматуры с бетоном отстаёт от роста усилия, поэтому при одинаковых напряжениях в арматуре с увеличением диаметра ухудшается сцепление и возрастает раскрытие трещин.
Новый унифицированный класс арматуры А500. В настоящее время в России и странах Европейского Сообщества намечается переход к производству и применению только одного унифицированного класса ненапрягаемой (рабочей и конструктивной) арматуры - А500. Состав, свойства и технология изготовления нового класса арматуры соответствуют требованиям евростандарта EN10080. Низкое содержание углерода (не более 0,22%) улучшает свариваемость и пластические свойства арматуры, а термомеханическое упрочнение повышает прочность (по сравнению с арматурой А400 прочность выше на 23%). Благодаря улучшенному серповидному профилю внешней поверхности арматуры (европрофилю) повышается её сцепление с бетоном. Стоимость арматуры класса А500 не выше, чем у традиционно применяемой ненапрягаемой арматуры класса А400. Таким образом, широкое применение арматуры класса А500 позволит повысить безопасность сооружений и снизить расход арматуры.
Основные положения расчёта железобетонных конструкций.
С 1955 г. в нашей стране расчёт строительных конструкций производится по методу предельных состояний. Цель расчёта - не допустить наступления предельных состояний при эксплуатации и возведении зданий и сооружений.
Под предельным состоянием конструкции понимают такое её состояние, при котором она перестает удовлетворять предъявляемым к ней требованиям безопасности или эксплуатационной пригодности.
Различают 2 группы предельных состояний:
1-я группа: по потере несущей способности, т.е. полной непригодности конструкции к эксплуатации.
2-я группа: по непригодности к нормальной эксплуатации, т.е. эксплуатации, осуществляемой в соответствии с предусмотренными технологическими или бытовыми условиями. Эти предельные состояния затрудняют эксплуатацию, принципиально не исключая её возможности.
Для железобетонных конструкций обычно проводят расчеты:
по 1-й группе предельных состояний - на прочность:
по нормальному сечению (подбор продольной арматуры);
по наклонному сечению (подбор поперечной арматуры).
по 2-й группе предельных состояний:
по образованию трещин;
по раскрытию трещин;
по деформациям (прогибам).
В данной работе мы ограничиваемся расчетом по 1-й группе предельных состояний. В общем виде условие расчёта выглядит следующим образом:
S ≤ R или Ψ = R - S ≥ 0,
где
S - суммарная расчётная нагрузка на конструкцию;
R - несущая способность конструкции;
Ψ - резерв (запас) прочности конструкции.
Что такое несущая способность конструкции. В качественном отношении - это способность конструкции воспринимать нагрузку. В количественном отношении - это максимальная величина нагрузки, которую может выдержать конструкция.
Расчёт изгибаемых элементов по несущей способности.
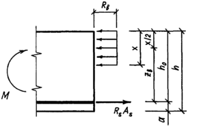
Что такое граничная относительная высота сжатой зоны бетона. В сечении железобетонного элемента, находящегося под нагрузкой, имеются сжатая и растянутая зоны. При расчёте по прочности считается, что усилия в сжатой зоне воспринимаются бетоном, а в растянутой - продольной арматурой (рис. П-3).
Высота сжатой зоны бетона обозначается "x". Относительной высотой сжатой зоны ξ является отношение её фактической высоты x к рабочей высоте сечения h0:
.
Рис. П-3. Схема усилий в нормальном сечении изгибаемого элемента при расчёте по прочности.
Экспериментально установлено, что если в предельном состоянии (т.е. перед разрушением) высота сжатой зоны окажется меньше некоторого граничного значения xR, то разрушение начинается с наступления расчётного сопротивления (физического или условного предела текучести) в арматуре и заканчивается раздроблением сжатого бетона. Такое разрушение происходит плавно, постепенно.
Если высота сжатой зоны x > xR, то разрушение начинается с раздробления бетона, имеет хрупкий характер и происходит внезапно. Напряжения в арматуре при этом не достигают расчётного сопротивления, т.е. прочность арматуры недоиспользуется.
Элементы, для которых характерно такое разрушение, называются переармированными. Их использование неэкономично и опасно. Поэтому такие элементы в строительстве, как правило, не применяются.
При x = xR наступление текучести в арматуре и раздробление сжатого бетона происходят одновременно.
Для сравнения граничной высоты сжатой зоны у различных сечений пользуются понятием относительной граничной высоты:
.
При проектировании железобетонных элементов требуется, чтобы выполнялось условие: ξ ≤ ξR. Для этого случая справедливы все основные расчётные формулы для подбора арматуры и определения несущей способности сечения.
Всегда ли повышение площади растянутой арматуры приводит к повышению несущей способности сечения изгибаемого элемента. При ξ ≤ ξR увеличение количества продольной арматуры приводит к повышению несущей способности сечения, но одновременно увеличивает высоту сжатой зоны в предельном состоянии. По мере приближения относительной высоты сжатой зоны к своему предельному значению ξR повышение несущей способности становится менее интенсивным, и прекращается совсем при ξ = ξR.
Как влияет прочность бетона на несущую способность нормального сечения изгибаемого элемента. Прочность бетона влияет не столь существенно, как это кажется на первый взгляд. При сохранении армирования неизменным с увеличением прочности бетона Rb пропорционально уменьшается высота сжатой зоны х. Это приводит к увеличению плеча внутренней пары сил (zb = h0 - 0,5x), которое растёт намного медленнее, чем уменьшается х. Поэтому повышение класса бетона слабо увеличивает прочность сечения.
Какое поперечное сечение изгибаемого элемента является более рациональным: прямоугольное или тавровое. Более рациональным является тавровое сечение, если его полка расположена в сжатой зоне. Такой тип сечения позволяет при сохранении той же несущей способности сократить расход бетона, убрав его лишнюю часть из растянутой зоны. Однако в тавровом сечении может наблюдаться более раннее образование и более значительное раскрытие нормальных трещин, чем в равнопрочном прямоугольном сечении той же высоты. Если же полка таврового сечения находится в растянутой зоне, то такое сечение рассчитывают на прочность как прямоугольное шириной, равной ширине стенки (ребра). Более нерациональное сечение трудно придумать, однако и такие сечения иногда бывают полезными (например, в ригелях перекрытий). Наличие полок в растянутой (нижней) зоне позволяет опирать на них панели перекрытий, что приводит к уменьшению высоты перекрытия.
Некоторые вопросы и задания на защиту.
Расположите арматуру в однопролётной свободно опёртой балке (Рис.)
Из какого условия определяется площадь сечения продольной рабочей арматуры в изгибаемом элементе. Из условия прочности при действии изгибающего момента в опасном нормальном сечении.
Почему возле опор балочных конструкций шаг поперечной арматуры уменьшается. Поперечная арматура воспринимает воздействие поперечных усилий, которые возрастают по мере приближения к опорам.
Расположите арматуру в двухпролётной неразрезной балке (Рис.)
Почему в сечении над средней опорой арматура располагается вверху. По эпюре изгибающих моментов видно, что в этом сечении растяжение возникает в верхней зоне.
Как определить сечение, в котором верхняя продольная арматура не требуется по расчёту. Необходимо сравнить несущую способность сечения без верхней рабочей арматуры с усилием от внешней нагрузки.
Расположите арматуру в консольной плите (Рис.)
Можно ли консольную плиту усиливать подкосом. Можно только в том случае, если она имеет надёжное верхнее и нижнее армирование, и её прочность проверена расчётом.
Можно ли в плите перекрытия самостоятельно устроить люк на соседний этаж. (?)
Если после устройства такого люка плита перекрытия не обрушится, то чем это можно объяснить. Фактически действующая нагрузка на конструкцию бывает, как правило, меньше своего расчётного значения, используемого при расчёте по прочности. С другой стороны, прочностные характеристики бетона и арматуры в большинстве случаев превышают свои расчётные значения. Поэтому условие прочности выполняется и разрушения конструкции даже при наличии проёма, не предусмотренного проектом, не происходит.
















