144733 (620710), страница 2
Текст из файла (страница 2)
3.6 Конструирование поперечной рабочей арматуры панели
3.7 Расчет полки панели на местный изгиб
3.7.1 Общие соображения
3.7.2 Нагрузки на полку панели
3.7.3 Расчётная схема полки, внутренние усилия
3.7.4 Поперечное сечение полки
3.7.5 Подбор рабочей арматуры
3.7.6 Конструирование сеток
3.8 Рабочие чертежи панели перекрытия
4. Расчет и конструирование ригеля перекрытия
4.1 Прочностные и деформативные характеристики бетона и арматуры
4.2 Подбор продольной рабочей арматуры ригеля
4.3 Подбор продольной рабочей арматуры ригеля
4.4 Подбор поперечной рабочей арматуры ригеля
4.4.1 Конструирование поперечной арматуры
4.4.2 Общие соображения по расчёту прочности наклонных сечений
4.4.3 Расчет на действие поперечной силы по наклонной трещине
4.4.3 Проверка прочности на действие поперечной силы по наклонной полосе между наклонными трещинами
4.5 Обрыв продольной арматуры в пролёте
4.6 Определение несущей способности нормальных сечений ригеля
4.7 Определение длины заделки арматурных стержней
4.8 Определение экономического эффекта от снижения расхода арматуры
4.9 Конструктивное армирование ригеля, опорный узел
5. Расчёт и конструирование колонны
5.1 Подбор продольной арматуры
5.2 Конструирование поперечной арматуры колонны
6. Расчёт и конструирование фундамента
6.1 Общие соображения
6.2 Определение площади подошвы фундамента
6.3 Определение основных размеров фундамента
6.4 Расчёт фундамента на продавливание
6.5 Проверка прочности плиты по наклонному сечению
6.6 Подбор арматуры подошвы фундамента
Список литературы
Приложение
Краткие теоретические сведения
Введение
Многоэтажные промышленные здания служат для размещения различных производств: цехов лёгкого машиностроения, приборостроения, химической, электро- и радиотехнической промышленности, а также складов, холодильников, гаражей, предприятий железнодорожного транспорта и прочих объектов. Для всех названных производств характерны сравнительно небольшие вертикальные и горизонтальные нагрузки на конструкции здания.
Многоэтажные производственные здания целесообразно строить, когда технологический процесс организован по вертикальной схеме или когда площадь территории, выделенная для строительства, ограничена и стеснена.
Чаще всего многоэтажные производственные здания выполняют из железобетона, так как в настоящее время он является одним из основных материалов капитального строительства и реконструкции.
Основу многоэтажного производственного здания образует железобетонный каркас, состоящий из колонн, ригелей, плит перекрытия и элементов жесткости. Иногда здания проектируют с неполным каркасом, в котором колонны располагаются только внутри, а наружные стены исполняют роль несущих и ограждающих конструкций.
Требованиям индустриализации строительства в наибольшей степени отвечают сборные железобетонные конструкции, возведение которых на строительной площадке осуществляется из заранее заготовленных элементов. Их производство ведется на базе развитой сети высокомеханизированных и автоматизированных предприятий сборного железобетона, специализированных на выпуск определенного ассортимента изделий и конструкций. Вместе с тем, в настоящее время в строительстве широко применяется и монолитный железобетон.
В данной работе выполняется проектирование основных несущих конструкций сборного железобетонного каркаса многоэтажного производственного здания. Целью проектирования является разработка наиболее технологичных конструктивных решений, обеспечивающих несложное, быстрое и экономичное изготовление, транспортирование и монтаж конструкций, которые будут надёжны и безопасны в эксплуатации.
Проектирование ведется в соответствии с действующими нормативными документами (СНиП, ГОСТ), составляющими техническую и юридическую основу проектных работ и обеспечивающими необходимую надёжность и экономичность строительных объектов.
1. Компоновка конструктивной схемы каркаса здания
1.1 Объёмно-планировочные параметры здания
Таблица 1.1.
| Расстояние между продольными разбивочными осями | L | по заданию | 7,8 м |
| Количество пролётов поперек здания | n | по заданию | 4 |
| Ширина здания (в осях) | L0 | L·n | 31,2 м |
| Расстояние между поперечными разбивочными осями | l | по заданию | 7,8 м |
| Количество пролетов вдоль здания | m | по заданию | 13 |
| Длина здания (в осях) | l0 | l·m | 101,4 м |
| Высота этажа | H | по заданию | 4,2 м |
| Количество этажей | по заданию | 5 |
1.2 Состав и работа каркаса здания
Продольные и поперечные разбивочные оси образуют сетку, в узлах которой устанавливаются колонны. Расстояние между продольными разбивочными осями принято называть пролётом здания, между поперечными - шагом колонн.
Колонны по высоте имеют выступающие части - консоли, на которые устанавливаются балки - ригели. Сверху на ригели укладываются панели перекрытия.
На панели действуют вертикальные нагрузки (эксплуатационные), которые передаются затем через ригели на колонны, а с них через фундаменты на грунт основания. Горизонтальные нагрузки (ветровые) воспринимаются наружными стенами здания, которые выполняются из кирпича. На них передается также и часть вертикальных нагрузок.
Конструктивная система здания с использованием колонн и несущих стен носит название неполного каркаса.
1.3 Температурные швы
Чтобы в элементах каркаса не возникали дополнительные усилия от изменения температуры, здание в необходимых случаях разрезают на отдельные самостоятельные блоки (температурные отсеки) поперечными и продольными температурными швами.
По требованиям СНиП [2] наибольшая длина температурного отсека составляет 60 м.
Длина здания l0 = 101,4 м > 60 м, поэтому необходимо устройство поперечного температурного шва.
Предусматриваем шов в середине длины здания, тогда длина температурного отсека составит:
lt = l · 7= 7,8 · 7 = 54,6 м < 60 м.
Температурный шов представляет собой два ряда колонн, смещённых от разбивочной оси на 500 мм.
1.4 Колонны и наружные стены
Сечение колонн обычно принимают квадратным со стороной 300, 350, 400, 450 мм (в соответствии с требованиями унификации). С увеличением нагрузки увеличивается и сечение колонн.
Толщина наружной стены принимается кратной размерам кирпича (250120 мм, высота 65 мм), с учётом 10 мм на вертикальный шов:
| 380 мм = 120+10+250 мм | (1,5 кирпича) |
| 510 мм = 250+10+250 мм | (2 кирпича) |
| 640 мм = 250+10+120+10+250 мм | (2,5 кирпича) |
Принимаем сечение колонн 450450 мм, толщину кладки наружных стен 640 мм (постоянной на всех этажах).
1.5 Ригели
Принимаем поперечное направление ригелей, т.е. располагаем ригели поперёк здания. В этом случае они образуют вместе с колоннами раму с жесткими узлами, обеспечивая дополнительную пространственную жесткость каркаса в поперечном направлении.
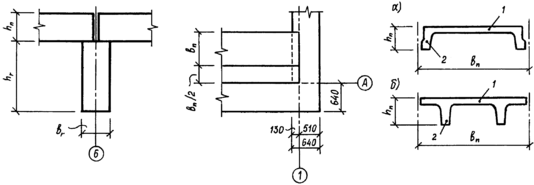
Сечение ригеля принимаем прямоугольным, так как оно наиболее простое в изготовлении (а так же и в расчёте). Назначаем размеры сечения ригеля (рис.1.1 и прил.1):
высота hr = (1/10…1/15) L = 780…520 мм; принимаем hr = 750 мм (кратно 50 мм);
ширина br = (0,3…0,4) hr = 225…300 мм; принимаем br = 250 мм (кратно 50 мм).
Чем больше высота сечения ригеля, тем лучше он работает на восприятие нагрузки, но строительная высота перекрытия при этом увеличивается.
Ригели, находящиеся у продольной наружной стены, опираются одним концом на эту стену, а другим - на консоль колонны. Глубину заделки ригеля в стену примем равной длине кирпича (250 мм).
1.6 Панели перекрытия
Выбор типа панелей производится на основе экономических и эксплуатационных критериев. В курсовой работе предлагается выбрать тип панели по собственному усмотрению и использовать рёбристые панели (рис.1.3, а), или панели типа "2Т" (рис.1.3, б). В данном примере расчёта применяются рёбристые панели перекрытия. Рекомендуемые размеры сечения и нагрузка от собственного веса для различных типов панелей представлены в Приложении 1.
Схема раскладки панелей. Принимаем наиболее распространённый вариант раскладки (подходит для любого типа панелей): между колоннами укладываются связевые панели, которые служат распорками, передающими горизонтальные нагрузки. Рядовые и связевые панели имеют одинаковую ширину; укладываемые у продольных стен доборные панели в два раза уже рядовых (рис.1.2).
Заделка панелей в стены:
в продольные стены панели не заделываются;
в поперечные стены заделка составляет 130 мм
(половина кирпича с учётом толщины раствора шва: 120 + 10 мм).
Привязка наружных стен к разбивочным осям:
к продольной оси: нулевая привязка
(внутренняя грань стены совмещена с разбивочной осью);
к поперечной оси: привязка 130 мм
(внутренняя грань стены смещена с разбивочной оси внутрь здания на величину заделки панели в стену).
Размеры сечения панели перекрытия:
высота hп = (1/20…1/30) l = 390…260 мм, принимаем hп = 350 мм (кратно 50 мм);
ширина панели bn назначается такой, чтобы в соответствии со схемой раскладки на длине пролёта можно было разместить целое число панелей. При этом ширина панели должна находиться в пределах 1200…1500 мм. Рекомендуемая ширина панелей представлена в таблице 2 Приложения 1.
Принимаем ширину панели bn = 1300 мм (кратно 100 мм), тогда между продольными осями укладывается 6 панелей.
1.7 План и поперечный разрез здания
Компоновка конструктивной схемы каркаса заканчивается изображением плана и поперечного разреза здания (масштаб М 1: 200).
Основные сборные конструктивные элементы каркаса на строительных чертежах принято обозначать марками (например: П-1, П-2, П-3 - панели перекрытия соответственно рядовые, связевые и доборные). Однотипные элементы получают одинаковые марки.
Колонны здания для удобства изготовления, транспортировки и монтажа разделяются по высоте на отдельные монтажные элементы. Длина монтажного элемента может составлять 1; 2 и 3 этажа (но не более 18 м для возможности перевозки).
Для удобства выполнения работ по замоноличиванию стыков и сварки выпусков арматуры стык колонн располагается выше пола перекрытия на 800 мм.
Для изображения на поперечном разрезе задают ориентировочные (предварительные) размеры консольного выступа колонн (напр.250250 мм, скос под углом 45º) и фундамента (трёхступенчатый, высота ступени 350 мм). Глубина заложения подошвы фундамента df принимается по заданию.
2. Определение нагрузок и статический расчёт элементов каркаса
2.1 Общие положения
В Нормах проектирования (СНиП [1]) указаны нормативные значения нагрузок (qn), которые соответствуют условиям нормальной эксплуатации сооружений (за это их называют эксплуатационными).
Нормативные нагрузки приняты с обеспеченностью (доверительной вероятностью), равной 0,95. Это означает, что из 100 нагрузок 95 не будут превышать установленного нормативного значения.
В практических расчётах используются расчётные значения нагрузки (q), получаемые путём умножения их нормативной величины qn на коэффициент надёжности по нагрузке γf, учитывающий статистический характер изменчивости нагрузок:
q = qn · γf
Расчётные нагрузки имеют обеспеченность 0,997…0,999, что вполне достаточно для проведения расчётов по прочности.
2.2 Коэффициенты надежности по нагрузке
Таблица 2.1.
| Вид нагрузки | γf | пункт СНиП [1] | |
| Постоянная: собственный вес конструкций | железобетонных | 1,1 | табл.1 |
| изоляционных, выравнивающих и отделочных слоев, выполняемых на строительной площадке | 1,3 | ||
| Временная | снеговая | 1,4 | п.5.7 |
| технологическая v ≥ 2 кН/м2 | 1,2 | п.3.7 | |
Расчётные значения нагрузок также принято умножать на коэффициент надёжности по назначению здания γn, учитывающий степень ответственности зданий и сооружений, которая характеризуется значимостью экономических, социальных и экологических последствий отказов этих объектов.
















