46390 (607835), страница 7
Текст из файла (страница 7)
Для 1-го варианта: По заданной преподавателем таблице истинности составить уравнение, минимизировать его с помощью карт Карно и построить схемы:
а) в базисе И, ИЛИ, НЕ;
б) в базисе И-НЕ.
Для 2-го варианта: Записать логическое уравнение компаратора, минимизировать, разработать логическую схему в базисе И-НЕ, ИЛИ-НЕ
5.3 Рабочее задание
1-й вариант: При помощи логического конвертора по заданной таблице истинности (той же что и в предварительном задании) составить уравнение, минимизировать его и построить схемы в базисах И, ИЛИ, НЕ и И-НЕ:
- открыть панель управления логического конвертора и занести туда таблицу истинности;
- пользуясь кнопкой
перевести её в уравнение и минимизировать его;
- сравнить полученный результат с уравнением полученным вручную, с помощью карт Карно;
- используя кнопки
и
построить схемы в различных базисах, сохранить их в каталоге Custom и сравнить их с полученными вручную.
2-й вариант: Разработка цифрового компаратора(схема сравнения кодов) для 2-х разрядного кода:
а) имеются 2 входа кода “А”- А1, А2 и 2 входа кода “В”- В1,В2. Сигнал на выходе высокий, если код А равен коду В, и низкий если коды не совпадают;
б) сигнал на выходе высокий, если код А больше кода В и низкий в остальных случаях;
в) сигнал на выходе высокий, если код А меньше кода В и низкий в остальных случаях.
Для всех случаев создать таблицы истинности и занести их в логический конвертор, конвертировать в уравнение, минимизировать и построить схему в базисе И-НЕ(NAND). Уравнения и соответствующие им таблицы истинности занести в конспект.
Каждую созданную схему сохранить в текущем каталоге Custom и зарисовать в конспект рядом с соответствующими таблицами истинности. Сравнить с домашней разработкой. Затем по очереди вызывая схемы, проверить их с помощью генератора слов и логического анализатора:
- ко входам исследуемой схемы подключить 4 выхода генератора слов и в соответствующих входам столбцам набрать все возможные сочетания 0 и 1 (2 столбца- код А, 2 столбца- код В);
- к выходу схемы подключить логический анализатор(любой канал);
- синхронизация генератора слов внутренняя, логического анализатора тоже;
- для удобства просмотра, частоты внутренних генераторов выставить таким образом, чтобы 1 импульс приходился на одно деление (например частота генератора 1 kHz, а у анализатора 1 msdiv);
- запустить генератор слов в пошаговом режиме, снимать показания логического анализатора и сравнивать их с исходной таблицей истинности.
Для схемы равенства кодов:
- записать в двоичном коде слово на котором возникают гонки, а также предшествующее ему;
- определить на каких элементах схемы возникают гонки.
3-й вариант: Синтезировать дешифратор адреса для заданного преподавателем 4-х разрядного адреса. Проверить работу при помощи логического анализатора и генератора слов.
- составить таблицу истинности для дешифратора адреса и занести её в логический конвертор;
- конвертировать в уравнение;
- синтезировать схемы в базисах И, ИЛИ, НЕ и ИЛИ-НЕ(NAND), сохранить схемы в текущем каталоге;
- ко входу схемы подключить первые 4 вывода генератора слов;
- загрузить в генератор слов последовательность слов кнопкой Load, файл Parit;
- подключить на выход схемы логический анализатор;
- генератор слов запустить в режиме Burst;
- полученные данные сравнить с исходной таблицей истинности;
- записать в двоичном коде слово на котором возникают гонки, а также предшествующее ему;
- определить на каких элементах схемы возникают гонки;
Таблицу истинности, уравнение и схемы занести в конспект.
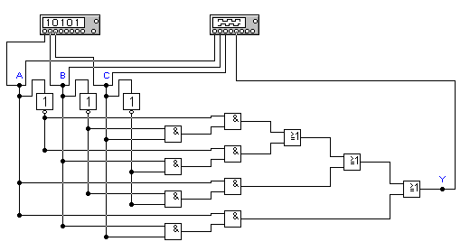
4-й вариант: Синтез схемы контроля чётности 4-х разрядных слов. Из методических указаний (см. Рис.5.2 перенести на рабочее поле Electronics Workbench схему контроля чётности вручную. Используя логический конвертор составить таблицу истинности для схемы. Затем схему стереть и по таблице истинности составить логическое уравнение(с помощью конвертора), синтезировать схемы в двух доступных базисах, проверить при помощи генератора слов и логического анализатора.
Рис. 5.2 Схема контроля чётности.
- ко входам перенесённой схемы подключить первые четыре вывода логического конвертора, выход схемы подключить к выводу конвертора, находящемуся вверху справа(расположен обособленно);
- на панели управления логического конвертора “открыть” четыре первые столбца- A, B, C, D;
- “нажать” на кнопку
, в столбце Out появится комбинация 0 и 1, что вместе со столбцами A, B, C и D даст таблицу истинности для исследуемой схемы
- выделить всю схему, а затем стереть её используя меню Edit;
- по имеющейся таблице истинности получаем уравнение и синтезируем схему(см. предыдущие варианты), полученные схемы сохранить в текущем каталоге Custom и вызывая по очереди проверить генератором слов(Load файл Parit) и логическим анализатором(см. предыдущие варианты);
- полученную таблицу истинности и уравнение занести в конспект.
5.4 Контрольные вопросы
1. Назовите способы задания логических функций.
2. Что такое совершенная дизъюнктивная и совершенная конъюнктивная и нормальные формы ?
3. Назовите основные способы минимизации булевых выражений.
4. Что такое- функционально полный базис ?
5. Объясните почему так сильно различаются по количеству логических элементов, схемы контроля чётности, синтезированные в различных базисах (см.4-й вариант) ?
6. Что такое гонки в цифровой схеме и каким образом можно избавится от них ?
6. Методические рекомендации по быстрому знакомству с программой
6.1. Работа с HELP, проблема языка и русификация
Electronics Workbench имеет обширный Help весьма удобный и действительно полезный в работе. Он использует стандартную панель Help для Windows и может использоваться как по основным разделам - Help, так и по индексу - Help Index...(всё что предоставляет Electronics Workbench разложено в алфавитном порядке). Но всё это к сожалению на английском языке. Правда с помощью меню Редактирование в него можно вставлять аннотации на русском языке, куда можно поместить перевод.
6.2 Об окне Description
Следует упомянуть, что окно Description, предназначенное для составления комментариев к схемам имеет существенный недостаток - оно поддерживает только английские шрифты.
Текст в окне Windows доступен для копирования через буфер обмена в любое приложение Windows. Для этого нужно лишь выделить его “мышью”, как в Word, и затем воспользоваться командой Cut или Copy из меню Edit. Возможно также и копирование текста из приложений Windows в Description - командой Paste, но при этом теряется форматирование текста(если оно было).
6.3. Возможности получения твердой копии и подготовки отчета
Очень широкие возможности предоставляет Electronics Workbench при создании отчётов и описаний.
Команда Print - очень удобна в этом отношении поскольку позволяет распечатать на принтере(используется диспетчер печати Windows с установленным в нём принтером) практически все результаты моделирования схемы см.рис.6.1.
Рис.6.1 Панель для распечатки результатов моделирования Electronics Workbench.
Кроме того посредством буфера обмена Electronics Workbench совмещается со всеми стандартными приложениями Windows. Всё что изображено на экране легко переносится например в Word или в Paintbrush(для редактирования). Распознаётся всё что было перенесено как рисунок(образ) за исключением текста из Description и Help.
6.4 Демонстрационная версия
С целью скорейшего приобретения студентом навыков работы с приборами контроля цифровых схем - генератором слов и логическим конвертором предлагается, ввести в лабораторную работу демонстрационную схему с уже подключенными приборами (см. рис.6.2)
Рис.6.2 Демонстрационная схема
Схема реализует функцию “суммирование по модулю 2” на 3 входа. Она находится в папке Example под именем Practic, там же расположен файл с последовательностью слов для генератора слов c таким же именем (расширение DP).
Схема позволяет ознакомится с подключением приборов и с их управлением. С её помощью можно ознакомится с различными режимами работы как генератора слов так и логического анализатора буквально методом проб и ошибок поскольку сломать ничего невозможно, а если вдруг всё окончательно запуталось можно вернуться к первоначальному виду схемы загрузив её заново командой Revert to Saved из меню File.
Методические указания для ознакомления с генератором слов и логическим анализатором:
1) Снять временные диаграммы работы схемы в разных режимах работы генератора слов (логический анализатор в режиме Burst):
а) в пошаговом (Step);
б) в режиме посылки последовательности импульсов (Burst);
в) в циклическом режиме.
2) Снять временные диаграммы работы схемы в разных режимах работы логического анализатора (генератор слов использовать в режиме Burst):
а) в режиме приёма произвольных последовательностей импульсов (Burst);
б) в режиме запуска с заданного слова (Pattern и в окошке под этой кнопкой набрать слово).
7.Организационно-экономическая часть
7.1 Организация НИР.
Этапы НИР :
1) Разработка технического задания.
2) Разработка технического предложения.
3) Разработка русифицированного интереса.
4) Дополнение базы данных.
5) Разработка схемных решений.
6) Разработка методических указаний.
7) Подготовка документации.
8) Сдача темы.
В разработке участвуют:
- руководитель темы - 1 чел..
- программист - 1 чел.
- инженер- электронщик - 1 чел.
- переводчик с английского языка - 1 чел.
- оператор ЭВМ - 1 чел.
- лаборант - 1 чел.
Календарный график выполнения работ представлен на рис. 7.1
Рис.7.1 Календарный график выполнения работ.
7.2 Расчёт затрат.
7.2.1 Материалы, покупные изделия (табл. 7.1).
7.2.2 Основная зарплата (табл. 7.2).
7.2.3 Дополнительная зарплата.
7.2.4 Отчисления на социальные нужды.
7.2.5 Накладные расходы.
Таблица 7.1
Материалы и покупные изделия.
| Наименование материала, изделия. | Цена за един.(руб.). | Количество | Сумма затрат(руб.). |
| Системный блок PI-133 и клавиатура | 4800 | 1шт. | 4800 |
| Монитор Samsung 14” | 3240 | 1шт. | 3240 |
| Манипулятор “мышь” Microsoft mouse | 168 | 1шт. | 168 |
| Операционная оболочка Windows 95 | 1848 | 1компл | 1848 |
| Пакет редакторов Microsoft Office | 5472 | 1компл | 5472 |
| Программа моделирования Electronics Workbench | 14400 | 1компл | 14400 |
| Принтер Hewlett Packard 695c | 3240 | 1шт. | 3240 |
| Сетевой фильтр Pilot | 480 | 1шт. | 480 |
| Дискеты | 120 | 1упак. | 120 |
| Коврик для мыши | 48 | 1шт. | 48 |
Итого: 34064 руб.















