46390 (607835), страница 6
Текст из файла (страница 6)
zq=fq(xn,....,x1),
где zq- выходные сигналы комбинационной схемы,
xp- входные сигналы, p= 1, 2, .....,n, q= 1, 2, ....,k;
описывающая работу комбинационной схемы(КС) без обратных связей, является её статической моделью.
Для исследования переходных процессов, вызываемых в логических схемах(ЛС) изменениями входных сигналов, необходимо ввести динамические модели ЛЭ, учитывающие паразитные задержки. Тогда динамическая модель ЛС будет определятся динамической моделью ЛЭ и статической моделью ЛС. Так, динамическая модель КС без обратных связей будет определятся формой представления функций fq(v), задающей структурную схему (число ЛЭ и все связи между ними), и динамической моделью ЛЭ.
Самая общая динамическая модель ЛЭ И-НЕ, имеющего два входа, представлена на рис.3.1(а).
а)
б)
в)
Рис.3.1 Модели логического элемента ИЛИ-НЕ
Эта модель состоит из безынерционного ЛЭ И-НЕ (статическая часть модели) и паразитных элементов задержки (i=1, 2, 3). Величины задержек и зависят от длины проводников, соединяющих выводы ЛЭ с источниками сигналов, от длительности фронтов входных сигналов x1 и x2, от порогов срабатывания ЛЭ по входам x1 и x2, а величина определяется инерционностью той части ЛЭ И-НЕ, через которую проходит сигнал описываемый функцией x1 x2 .В общем случае точные значения величин i неизвестны, так как они зависят от многих факторов и стечением времени могут изменяться. Кроме того, значения величин i могут быть различными при переходах сигналов x1, x2 и с 0 на 1 и с1 на 0. Рассмотренная модель является наиболее сложной и пригодна для описания любого ЛЭ (И, ИЛИ, ИЛИ-НЕ), если использовать в ней соответствующую статическую модель.
Будем говорить, что входные сигналы ЛЭ не изменяются одновременно, если на интервале изменяется только один сигнал x1 или x2 , и что входные сигналы ЛЭ изменяются одновременно, если на интервале изменяются оба сигнала x1 и x2, так как истинное соотношение величин задержек и неизвестно. Если сигналы x1 и x2 никогда одновременно не изменяются (хотя бы в противоположных направлениях), то модель ЛЭ И-НЕ может быть приведена к виду, показанному на рис.3.1(б), где - элемент задержки с переменной величиной задержки или в зависимости от того, каким сигналом xp вызывается изменение выходного сигнала . Поэтому данную модель назовём динамической моделью с переменной задержкой. Из рис 3.1(б) следует, что:
Обозначив сигналы xp(t)= xp и , получим :
где - значение выходного сигнала ЛЭ в данный момент времени,
- следующее его значение, которое появится через времям
после изменения входных сигналов xp.
Модель с переменной задержкой можно представить в несколько ином виде (рис.3.1(в)), положив, что элемент задержки в момент изменения сигнала xp подключается к тому входу, на который этот сигнал подаётся, а на другом входе элемент задержки в этом случае отсутствует. Данную модель будем называть динамической моделью с виртуальной задержкой.
Логический элемент находится в устойчивом состоянии, если сигналы до элемента задержки и после него совпадают, т.е. если . Если же , то ЛЭ находится в неустойчивом состоянии, так как в этом случае его выходной сигнал должен изменится через время не большее .
а)
б)
Рис.3.2 Комбинационная схема составленная из логических элементов И и ИЛИ на основании их динамических моделей
На рис.3.2(а) показана КС, составленная из ЛЭ И и ИЛИ на основании их динамических моделей. Для ЛЭ И использована модель с переменной задержкой, а для ЛЭ ИЛИ - общая модель. Как видно из рис.3.2(а), КС выполняет функцию f(v)=x3 x1+x3 x2, которая является её статической моделью.
Пусть x1= x2=1 и изменяется только один сигнал x3. Тогда функция f(v)=x3 +x3 =1, т.е. из статической модели КС следует, что её выходной сигнал не должен изменятся при изменениях входного сигнала x3. Наличие же паразитных задержек и разной величины приводит к появлению на выходе КС ложных значений выходного сигнала малой длительности (рис.3.2(б)). Так как истинное соотношение величин задержек и неизвестно, то нельзя предугадать, в каком месте появится ложное значение выходного сигнала (при изменении входного сигнала x3 с 0 на 1 или с 1 на 0). Динамические модели ЛЭ и предназначены для формализации исследования поведения ЛС при переходных процессах, вызываемых в них изменениями входных сигналов.
При изменении выходных сигналов двух или большего числа ЛЭ, вызванных одними и теми же изменениями входных сигналов КС, из-за неравенства задержек возникают состязания(гонки) ЛЭ. Состязания ЛЭ называются критическими, или недопустимыми, если хотя бы один выходной сигнал КС во время переходного процесса может изменится более одного раза. Состязания ЛЭ называются некритическими, или допустимыми, если все выходные сигналы КС во время переходного процесса изменяются только один раз.
4. Разработка логических схем практикума
Представленные ниже электрические схемы являются примерами схем синтезируемых в ходе выполнения лабораторной работы.
4.1 Схема цифрового автомата
Рис.4.1 Логическая схема к 1-му варианту
Схема изображённая на рис.4.1 представляет из себя цифровой автомат (с 4-мя входами A, B, C и D и выходом Y) реализующий логическое уравнение:
Y=ABC+BCD+BCD+ABCD
Настоящая схема реализована в базисе И-НЕ при помощи логического конвертора.
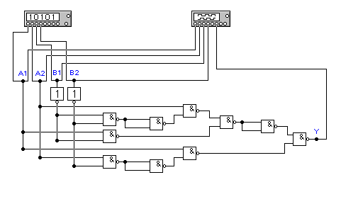
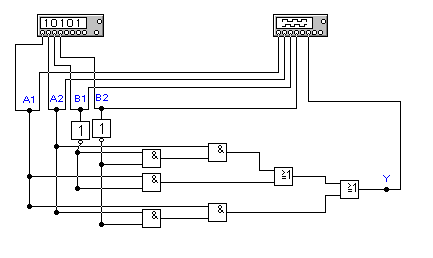
4.2 Цифровой компаратор 2-х разрядного кода
а)
б)
Рис.4.2 Схема цифрового компаратора ко 2-му варианту
На рис.4.2(а,б) изображена схема цифрового компаратора. Входными кодами являются 2-х разрядные коды А и В (А1,А2 и В1, В2 соответственно). Реализуемая им логическая функция имеет вид:
Y=1 если A>B
Схема реализована в двух доступных в логическом конверторе базисах: рис.4.2(а) И, ИЛИ, НЕ и рис.4.2(б) И-НЕ. Для контроля правильности работы компаратора в обе схемы введены генератор слов и логический анализатор. Генератор слов подключен на входах схем и используется для генерации всех возможных комбинаций кодов А и В (2 разряда код А и 2 код В всего 4, следовательно 24=16 - генерируется 16 различных слов). На выходах схем подключен логический анализатор причём его первые 4 канала включены параллельно 4 используемым выходам генератора слов. Это сделано для получения более наглядной картинки на экране панели управления логического анализатора(см рис.4.3)
Рис.4.3 Временная диаграмма работы цифрового компаратора
Выход схемы подключен к 6-му каналу анализатора. Таким образом на экране одновременно отображаются входные и выходные сигналы, что позволяет получить полную временную диаграмму работы устройства(вход и выход на экране точно синхронизированы во времени).Наименование каналов сверху вниз: А1, А2, В1, В2 и Y.
4.3 Дешифратор 4-х разрядного адреса
а)
б)
Рис.4.4 Схема дешифратора адреса к 3-му варианту.
На рис.4.4(а,б) показана схема дешифратора адреса. Причём на рис.4.4(а) схема синтезирована в базисе И, ИЛИ, НЕ, а на рис.4.4(б) в базисе И-НЕ. Дешифрируемый адрес 01112 или 710. Подключив на вход схем генератор слов, а на выход логический анализатор(точно также как и в предыдущей схеме) легко получить временные диаграммы работы устройства см.рис.4.5
Рис.4.5 Временные диаграммы дешифратора адреса
С полученных временных диаграмм легко сосчитать дешифрованный адрес. Кроме того на полученной диаграмме выхода схемы можно наблюдать паразитный выброс - результат гонок возникающих с приходом кода 0100 на первом элементе И см.рис.4.4(а). Это вполне объяснимо поскольку разряды дешифрируемого сигнала проходят разное количество цифровых элементов. Конечно у реальных дешифраторов обязательно используется строб-импульс или тактирование.
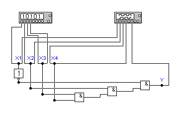
4.4 Схема контроля чётности
Рис.4.6 Схема для получения таблицы истинности бита чётности с помощью логического конвертора
Схема на рис.4.6 показывает способ подключения логического конвертора. При таком подключении и задании соответствующего режима работы цифровой конвертор составляет таблицу истинности для подключенной схемы. Происходит это следующим образом:
На своих выводах подключенных ко входам схемы конвертор перебирает все возможные сочетания 0 и 1. В данном случае подключено 4 входа следовательно это будет 24=16 комбинаций(4-х разрядных слов). С выхода схемы конвертор считывает реакцию схемы на каждое слово и записывает её в столбец Out отображённый на панели управления вместе с перебираемым входным кодом. Отклик схемы на каждое слово записывается в той же строке, где находится и само посланное слово.
Таблица истинности для приведённой на рис.4.6 схемы контроля чётности будет иметь вид см.рис.4.7.
Рис.4.7 Таблица истинности схемы контроля чётности на панели логического конвертора.
Следующий этап - синтез схемы в базисе доступном на логическом конверторе.
Рис.4.8 Схема контроля чётности синтезированная в базисе И, ИЛИ, НЕ
Представленная на рис.4.8 схема осуществляет контроль чётности поступающих на её входы 4-х разрядных слов. В случае если количество единиц чётное на выходе Y формируется 1 если нечётное 0. В этом можно убедится подключив генератор слов и логический анализатор как показано на схеме рис.4.8. Временные диаграммы полученные на логическом анализаторе имеют вид см.рис.4.9
Рис.4.9 Временные диаграммы схемы контроля чётности
Все представленные здесь логические схемы реализованы на идеальных цифровых ключах из библиотеки Electronics Workbench. При желании их можно легко перевести в реальные серии микросхем. Библиотека Electronics Workbench предоставляет большие возможности для этого см.рис.4.10
Рис.4.10 Библиотека реальных компонентов электрических схем
Библиотека предоставляет широчайший набор цифровых компонентов ТТЛШ и КМОП технологий (ТТЛ логика морально устарела и поэтому не представлена).
5. Методические указания
к лабораторной работе.
“Логическое проектирование комбинационных схем.”
Цель работы: Изучить способы проектирования комбинационных схем с использованием с использованием логического конвертора моделирующего пакета программ Electronics Workbench.
5.1 Описание лабораторной установки
Лабораторная установка представляет из себя виртуальную электронную лабораторию Electronics Workbench. Файлы содержащие исследуемые схемы находятся в каталоге Labs. Сохранение, полученных в ходе лабораторной работы схем, производить в каталоге Custom.
Для того чтобы сохранить схему в требуемом каталоге следует воспользоваться командой Save as из меню File. После выбора этой команды появится панель см.рис.5.1.
Рис.5.1 Панель для сохранения результатов.
Затем навести стрелку на каталог(папку) Custom дважды нажав левую кнопку “мыши” открыть каталог(папку). После этого установить курсор с помощью мыши в окошко под надписью Имя файла и ввести туда имя, под которым вы желаете сохранить свою схему, следя за тем чтобы сохранить расширение са.4(для схем), и “нажать” с помощью “мыши” кнопку ОК.
5.2 Предварительное расчётное задание.















