125448 (598618)
Текст из файла
МИНИСТЕРСТВО ОБЩЕГО И ПРОФЕССИОНАЛЬНОГО
ОБРАЗОВАНИЯ РФ
Тверской государственный технический университет
Кафедра инженерной графики
РЕЗЬБЫ. КРЕПЕЖНЫЕ ДЕТАЛИ. СОЕДИНЕНИЯ
Методическая разработка и задания к графической работе для студентов всех специальностей
Тверь 1997
Методическая разработка с вариантами заданий предназначена для студентов, изучающих курсы "Машиностроительное черчение" и "Инженерная графика".
В методической разработке кратко и, по возможности, максимально приближенно к действующим стандартам, изложены основные сведения о резьбах, крепежных деталях и соединениях с использованием резьбовых деталей.
Методическая разработка обсуждена и рекомендована к печати на учебно-методическом семинаре кафедры "Инженерная графика" (протокол № 1 от 21 января 1997г.).
Соединение деталей с помощью резьбы является одним из старейших видов соединений. Резьбы для неподвижных соединений принято называть крепежными, а для подвижных соединений - кинематическими (ходовыми). В случае "подвижного резьбового соединения" принято говорить о передачах винт - гайка, преобразующих вращательное движение в поступательное.
Широкое применение резьбовых соединений определяется следующими причинами: а) возможностью создания больших осевых сил, превышающих прикладываемую силу в 70 - 100 раз, ввиду клинового действия резьбы, а также большого отношения длины ключа к радиусу резьбы; б) малыми габаритами; в) простотой изготовления.
Наиболее распространенные крепежные резьбы: метрическая и трубная; кинематические (ходовые): трапецеидальная, упорная, круглая.
Для повышения герметичности крепежных резьб они изготавливаются без зазоров или делаются коническими. В тех случаях, когда КПД резьбы не имеет большого значения, в качестве ходовых могут использоваться и резьбы метрические, например, резьбы на шпинделе и в крышке вентиля.
1. РЕЗЬБА - ОСНОВНЫЕ ТЕРМИНЫ И ОПРЕДЕЛЕНИЯ
В связи с широким распространением резьб они в свое время стали первым объектом стандартизации в машиностроении. При разработке стандартов на резьбы во всех странах учитываются рекомендации ИСО - ISO – International Organization for Standartization (международная организация по стандартизации). Стандартизованы термины и определения /1/, профиль /2/, диаметры и шаги/3/, основные размеры /4/, допуски и посадки /5, 7/ и т.д.
В основе формирования всех резьб лежит понятие винтовой линии (рис.1). Винтовая линия резьбы может быть получена как траектория точки, равномерно перемещающейся по образующей цилиндра или конуса при равномерном вращении образующей вокруг оси.
Винтовая поверхность резьбы образуется кривой (ломаной) линией, лежащей в одной плоскости с осью и перемещающейся относительно оси таким образом, что каждая точка этой линии движется по винтовой линии резьбы (рис.2).
Выступ резьбы - выступающая часть материала детали, ограниченная винтовой поверхностью резьбы.
Резьба - один или несколько равномерно расположенных выступов резьбы постоянного сечения (профиля), образованных на боковой поверхности прямого кругового цилиндра или прямого кругового конуса.
Заход резьбы - это начало выступа резьбы. Если резьба образована одним выступом, двумя или тремя выступами, то принято говорить соответственно об одно-, двух- и трехзаходных резьбах. Очевидно, чем больше число заходов - тем больше угол подъема резьбы . В качестве примера образования резьбы можно рассмотреть процесс навивки на цилиндрический стержень проволоки треугольного сечения (витки плотно прилегают друг к другу) (рис.3).
Рис. 1. Винтовая цилиндрическая линия: а) образование; б) развертка, - угол подъема винтовой линии, Ph - ход (осевое перемещение за один оборот).
Рис. 2. Образование винтовой поверхности цилиндрической резьбы:
а) ломаная (кривая) образующая винтовой цилиндрической поверхности; б) наружная винтовая поверхность; в) внутренняя винтовая поверхность; г) осевое сечение соединения внутренней и наружной винтовых поверхностей.
Рис. 3. Образование резьбы:
а) одним выступом - однозаходная;
б) двумя выступами - двухзаходная;
в) тремя выступами - трехзаходная.
Шаг резьбы Р - расстояние по линии, параллельной оси резьбы, между средними точками (на диаметрах d2 и D2) ближайших одноименных боковых сторон профиля резьбы (на рис.3 Р и Рh условно показаны на диаметрах d).
Ход резьбы Рh - расстояние по линии, параллельной оси резьбы, между исходной средней точкой на боковой стороне резьбы и средней точкой, полученной при перемещении исходной по винтовой линии на угол 360.
Между шагом резьбы Р, ходом резьбы Рh и числом заходов n о
чевидно соотношение Ph = n х Р.
Основной профиль резьбы - общий для наружной и внутренней резьбы (рис.4) - линия, используемая при образовании винтовой поверхности (рис. 2 а, г). Основной профиль и его положение относительно оси определяется размерами: d, D, d1 , D1 , d2, D2, , P, H и H1.
Исходный треугольник резьбы - его вершины получим, если боковые стороны основного профиля продлить до пересечения (рис.4). Высота исходного треугольника равна Н, основание Р, а угол при вершине .
Номинальный профиль резьбы отличается от основного введением зазоров (рис. 5). Номинальный профиль винта (наружной резьбы) определяется размерами: d1, d2, d3, h3, H1 ; гайки (внутренней резьбы): D1, D2, D4, H1, H4.
Действительный профиль резьбы отличается от номинального допускаемыми отклонениями (допусками) диаметров (d, d2, D1, D2). На рис. 6 зоны возможного расположения действительных профилей заштрихованы. 6h, 6g - поля допусков диаметра d2 винта; 6Н, 6G - поля допусков диаметра D2 гайки.
Из рассмотренных геометрических параметров резьбы наибольшее значение имеют: угол профиля - и угол подъема резьбы .
Рис. 4. Основной профиль резьбы
d (D) - номинальный диаметр резьбы винта (гайки);
d1 (D1) - внутренний диаметр резьбы винта (гайки);
d2 (D2) - средний диаметр резьбы винта (гайки);
Р - шаг езьбы; - угол профиля;
Н1 - рабочая высота профиля;
Н - высота исходного треугольника резьбы.
Рис. 5. Номинальный профиль
h3 (H4) - высота профиля винта (гайки)
c - зазор (радиальный)
d3 (D4) - диаметр канавки винта (гайки)
Чем больше , тем ниже КПД резьбового соединения, что благоприятно для крепежных резьб ( = 60, 55) и не желательно для кинематических (ходовых) резьб ( = 30; = 30 + 3 = 33). Наибольший КПД имеют прямоугольные резьбы ( = 0), но, поскольку изготовление их сложнее и они менее прочны, прямоугольные резьбы не стандартизованы.
Чем больше угол подъема резьбы , тем выше КПД резьбового соединения. Теоретически наиболее благоприятный угол 40. Из-за условий изготовления наиболее часто у кинематических резьб угол не более 16...20.
У крепежных резьб понижают склонность к самоотвинчиванию уменьшением шага резьбы при данном диаметре d, тем самым уменьшая угол . Обычно у крепежных резьб угол не более 3 ... 4.
Рис. 6. Действительный профиль резьбы:
а) зазор в резьбе может быть равен нулю
б) резьба с гарантированным зазором
2. ИЗОБРАЖЕНИЕ РЕЗЬБЫ
Поскольку построение изображений винтовых поверхностей, образующих резьбу, процесс трудоемкий, на чертежах резьбу показывают условно.
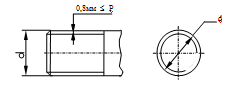
Наружная резьба - изображается сплошными основными толстыми линиями по номинальному диаметру и сплошными тонкими линиями по внутреннему (рис. 7). На изображениях, полученных проецированием на плоскость перпендикулярную оси стержня, тонкую линию проводят на ¾ окружности, причем эта линия может быть разомкнута в любом месте и не должна начинаться и заканчиваться на осевых линиях; фаска, не имеющая специального конструкторского назначения, на этом виде не изображается.
Расстояние между тонкой линией и сплошной основной принимают в пределах не менее 0,8мм и не больше шага резьбы Р.
Границу резьбы наносят в конце полного профиля резьбы (до начала сбега) сплошной основной толстой линией.
Сбег резьбы - участок резьбы неполного профиля, получаемый в связи с наличием у резьбонарезного инструмента "заборной" части или в результате плавного отвода резца.
Рис. 7. Наружная резьба (на стержне)
Внутренняя резьба - изображается в разрезах сплошной основной линией по внутреннему диаметру и тонкой сплошной линией по номинальному диаметру (рис.8).
При изображении на плоскости перпендикулярной оси резьбы сплошная тонкая линия проводится в виде дуги, равной 3/4 окружности, разомкнутой в любом месте; фаска при этом не показывается. Линии штриховки в разрезах и сечениях проводятся до сплошной основной линии.
Границу (конец) участка резьбы полного профиля изображают сплошной основной толстой линией (рис. 8, 9), при этом величина недореза а (рис. 9) примерно равна 3Р (Р - шаг резьбы). При необходимости на чертеже может указываться и величина сбега х (рис. 9).
Резьбовое соединение. На разрезах резьбового соединения (рис. 10), в отверстии показывают только часть резьбы, которая не закрыта резьбой стержня ("преимущество" наружной резьбы).
На чертежах, по которым резьбу не выполняют (например сборочных), допускается изображать резьбу в соединениях, как показано на рис.11.
3. ПРОФИЛИ РЕЗЬБЫ И ИХ ОБОЗНАЧЕНИЕ
Существует достаточно много стандартных резьб. В таблице 1 приведены основные из них.
Среди крепежных резьб наибольшее распространение имеет метрическая резьба (в обозначении буква М). Целый ряд стандартов регламентирует все параметры резьбы. Так, ГОСТ 8724 – 81 устанавливает номинальные диаметры резьбы и шаги для каждого номинального диаметра. Наибольший шаг для каждого номинального диаметра называется крупным и в обозначении резьбы не указывается, например, М8. Мелкие шаги в обозначении резьбы указываются, например М8 х 0,75; М8 х 0,5.
Кроме перечисленных в табл. 1 резьб применяются и другие стандартные резьбы. Вот некоторые из них:
а) резьба окулярная для оптических приборов по ГОСТ 5359 - 77;
б) резьба метрическая для приборостроения по ГОСТ 16967 - 81;
в) резьба метрическая для диаметров от 1 до 180 мм на деталях из пластмасс по ГОСТ 11709 - 71;
г) резьба коническая вентилей и горловин баллонов для газа по ГОСТ 9909 - 81;
д) резьба круглая для цоколей и патронов электрических ламп по ГОСТ 6042 - 83.
Если резьба имеет стандартный профиль, но отличается от соответствующей стандартной резьбы диаметром или шагом, такая резьба называется специальной. В этом случае к обозначению резьбы добавляют надпись Сп, а в обозначении указывают размер номинального диаметра и шаг, например Сп. М 19 х 1,5 (в стандарте есть ближайшие диаметры 18 и 20).
Характеристики
Тип файла документ
Документы такого типа открываются такими программами, как Microsoft Office Word на компьютерах Windows, Apple Pages на компьютерах Mac, Open Office - бесплатная альтернатива на различных платформах, в том числе Linux. Наиболее простым и современным решением будут Google документы, так как открываются онлайн без скачивания прямо в браузере на любой платформе. Существуют российские качественные аналоги, например от Яндекса.
Будьте внимательны на мобильных устройствах, так как там используются упрощённый функционал даже в официальном приложении от Microsoft, поэтому для просмотра скачивайте PDF-версию. А если нужно редактировать файл, то используйте оригинальный файл.
Файлы такого типа обычно разбиты на страницы, а текст может быть форматированным (жирный, курсив, выбор шрифта, таблицы и т.п.), а также в него можно добавлять изображения. Формат идеально подходит для рефератов, докладов и РПЗ курсовых проектов, которые необходимо распечатать. Кстати перед печатью также сохраняйте файл в PDF, так как принтер может начудить со шрифтами.
















