125448 (598618), страница 2
Текст из файла (страница 2)
Если резьба имеет нестандартный профиль ( например прямоугольный ), он изображается на чертеже с нанесением размеров, необходимых для изготовления резьбы.
Таблица 1
Продолжение таблицы 1
Продолжение таблицы 1
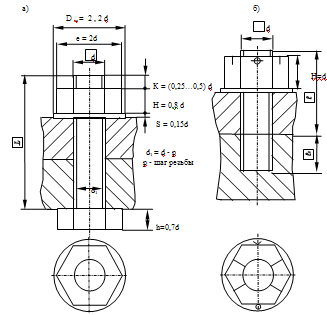
4. СОЕДИНЕНИЕ БОЛТОМ И ШПИЛЬКОЙ. УПРОЩЕННОЕ ИЗОБРАЖЕНИЕ
На сборочных чертежах и чертежах общих видов стандартные крепежные детали изображаются упрощенно или условно ( ГОСТ 2 . 315 - 68 ) . При упрощенном изображении крепежные детали вычерчиваются по относительным ( приближенным ) размерам, определяемым в зависимости от номинального диаметра резьбы - d, рис. 12.
Рис.12. Упрощенное изображение соединения: а) болтом; б) шпилькой
В задании в соединении шпилькой используется прорезная или корончатая гайка. Номинальный диаметр резьбы , d , болта и шпильки берется в соответствии с вариантом задания (см. раздел 6) .
Длину болта и шпильки студент выбирает самостоятельно, используя соответствующий стандарт, или принимает рекомендуемую (см. табл.).
На чертежах упрощенных изображений соединений болтом и шпилькой нанести размеры, буквенные обозначения которых даны в рамках на рис.12.
При вычерчивании сверленого и нарезанного отверстий под шпильку используйте таблицу приложения 6.
На изображении сверленого отверстия, должны быть 3 размера (фаска, диаметр, глубина), а на изображении нарезанного - 4 (резьба, фаска, глубина сверления, длина резьбы полного профиля). Глубина сверления равна длине ввинчиваемого конца шпильки 1, (приложение 4) плюс величина недореза а 3Р ( недорез = сбег + недовод) (рис. 9) .
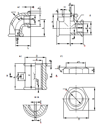
5. СОЕДИНЕНИЕ ТРУБНОЕ
Соединения трубные представляют собой узлы, состоящие из труб, соединенных деталями, называемыми фитингами ( угольники, тройники, кресты, муфты и т.д.). Трубные магистрали используются для транспортировки жидкостей, пара, газа. Пример трубного соединения при помощи муфты показан на рис. 13, здесь же сообщены основные размеры.
Фитинги см. рис. 14 а, б и табл. 2; контргайки см. рис. 14 и табл. 2; трубы см. приложение 7; обозначение резьбы см. табл. 1. Варианты заданий см. раздел 6.
Рис.13. Трубное соединение
Необходимо обратить внимание на то , что длины резьбовых концов соединяемых труб (рис. 13) различны. На одной трубе (левой) длина нарезанной резьбы равна длине резьбы на фитинге (ис.14 а , б) или ~ 0,5 L (рис.14 в). Длина резьбы на другой трубе (рис.13), правой, имеет сгон, чтобы была возможность сборки и замены трубы в магистрали. При замене трубы контргайка и муфта свинчиваются вправо до полного разъединения труб.
Рис. 14. Детали трубных соединений: а) угольник; б) тройник; в) муфта; г) контргайка
Таблица 2
РАЗМЕРЫ ФИТИНГОВ И ИХ ЭЛЕМЕНТОВ (рис. 14) (выдержки из ГОСТ 8944 - 75 и др.)
В таблице 2 размер L ( муфты ) дан для длинных муфт ГОСТ 8955 - 75; размер L для коротких муфт см. табл. 3.
6. СОДЕРЖАНИЕ И ВАРИАНТЫ ЗАДАНИЙ
Работа выполняется на формате А 2 (420 х 594мм) и включает изображения: гайки (табл. 4, приложение 1, 2), болта (табл. 5, приложен. 3), шпильки (табл. 6 , приложение 4), винта (табл. 7, приложение 5), сверленого и нарезанного отверстия под шпильку (приложение 6), соединение болтом и шпилькой (рис.12), трубного соединения (табл. 3, пример с муфтой, рис. 13; фитинги, рис.14, табл. 2; трубы приложение 7).
Над изображением крепежных деталей приводится их обозначение, приложение 8.
Способ построения шестигранника с фаской гаек и болтов см. приложение 9.
Таблица 3
Варианты заданий по трубному соединению.
Длины L длинных муфт ГОСТ 8955 - 75 см. стр. 15 таблица 2.
Таблица 4
Варианты заданий
Таблица 5
Варианты заданий
Таблица 6
Варианты заданий
Таблица 7
Варианты заданий
Приложение 1
Гайки шестигранные прорезные и корончатые.
Выдержки из ГОСТ 5932-73, ГОСТ 5918-73.
Гайки с номинальными диаметрами резьбы в скобках стандартом применять не рекомендуется.
Шероховатость поверхности
Приложение 2
Гайки шестигранные
Выдержки из ГОСТ 6927-70, ГОСТ 5915-73, ГОСТ 15526-70
| d | (18) | 20 | (22) | 24 | (27) | 30 | 36 | 42 | 48 | Диаметр резьбы, мм |
| Р | 2,5 | 3,0 | 3,5 | 4,0 | 4,5 | 4,5 | Шаг крупный | |||
| S | 27 | 30 | 32 | 36 | 41 | 46 | 55 | 65 | 75 | Размер под ключ ГОСТ 6424-73 |
| emin | 29,6 | 33 | 35 | 39,6 | 45,2 | 50, 9 | 60, 8 | 71,3 | 82,6 | Кл.ВиС, для кл.А больше |
| e | 31,2 | 34,6 | 37 | 41,6 | 47,3 | 53,1 | 63,5 | 75,1 | 86,6 | для построения шестигранника |
| da min | 18 | 20 | 22 | 24 | 27 | 30 | 36 | 42 | 48 | Пример записи на |
| da max | 19,4 | 21,6 | 23, 8 | 25, 9 | 29, 2 | 32, 4 | 38, 9 | 45, 4 | 51, 8 | чертеже 18 +1,4 |
| dW min | 25,3 | 27,7 | 31,7 | 33,2 | 38,3 | 42,7 | 51,1 | 59,9 | 69,4 | Только для кл. |
| hw max | 0, 8 | точности В и С ( в кл.точн.А | ||||||||
| hw min | 0, 2 | 0, | 25 | нет исп.3) | ||||||
| m | 15 | 16 | 18 | 19 | 22 | 24 | 29 | 34 | 38 |
Шероховатость поверхностей
| Класс | Поверхность, | Ra, | мкм | |
| точности | ГОСТ | Резьба(поле доп.) | Торцы | Остальное |
| А | 5927 - 70 | 3,2 (6H) | 6,3 | 12,5 |
| В | 5915 - 70 | 6,3 (6H) | 6,3 | 12,5 |
| С | 15526 - 70 | 12,5 (7H) | 50 | 50 |
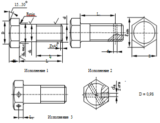
Приложение 3
Болты с шестигранной головкой
Выдержки из ГОСТ 7798-70, ГОСТ 7805-70, ГОСТ 15589-70
Для класса С используется только исполнение 1
| d | (18) | 20 | (22) | 24 | (27) | 30 | 36 | 42 | 48 | Диаметр резьбы,мм |
| d1 | 18 | 20 | 22 | 24 | 27 | 30 | 36 | 42 | 48 | Диаметр стержня, мм |
| Р | 2,5 | 3,0 | 3,5 | 4,0 | 4,5 | 5,0 | Шаг крупный | |||
| S | 27 | 30 | 32 | 36 | 41 | 46 | 55 | 65 | 75 | Размер под ключ ГОСТ 6424-73 |
| К | 12 | 12,5 | 14 | 15 | 17 | 18,7 | 22,5 | 26 | 30 | |
| еmin | 29,6 | 33 | 35 | 39,6 | 45,2 | 50,9 | 60,8 | 71,3 | 82,6 | Для кл.В и С, для А размер больше |
| е | 31,2 | 34,6 | 37 | 41,6 | 47,3 | 53,1 | 63,5 | 75,1 | 75,1 | Для построения шестигранника |
| d3 | 4,0 | 4,0 | 5,0 | 6,3 | 6,3 | 8,0 | 8,0 | Отверстие под шплинт | ||
| d4 | 4,0 | 5,0 | Отверстие для сто- порения проволокой | |||||||
| L2 | 6,0 | 6,5 | 7,0 | 7,5 | 8,5 | 9,5 | 11,5 | 13,0 | 15, | |
| L | 90 | В задании (рекомендуется) | ||||||||
| L1 | 84 | 84 | 83 | 83 | 82 | 81 | 80 | 78 | 78 | |
| b | 42 | 46 | 50 | 54 | 60 | 66 | 78 | 90 | 90 | |
| Rmin | 0,6 | 0,8 | 1,0 | 1,2 | 1,6 | Пример записи на чертеже R 0,6 min | ||||
| da max | 20,2 | 22,4 | 24,4 | 26,4 | 30,4 | 33,4 | 39,4 | 45,6 | 52,6 | Для класса А и В |
| Z | 2,5 | 3,0 | 3,0 | 3,5 | 4,0 | 5,0 | 5,0 | ГОСТ 12414-66 |
Шероховатость поверхностей
| Класс | Поверхность, | Ra, мкм | |||
| точности | ГОСТ | Резьба (поле доп.) | Опорная поверхность | Стержень | Остальное |
| A | 7805 - 70 | 3, 2 (6g) | 6,3 | 3,2 | 12,5 |
| B | 7798 - 70 | 6 ,3 (6g) | 6,3 | 12,5 | 12,5 |
| C | 15589 - 70 | 12, 5 (8g) | 50 | 50 | 50 |
Приложение 4
















