125448 (598618), страница 3
Текст из файла (страница 3)
Шпилька
Выдержки из ГОСТ 22032-76...ГОСТ 22043-76
| d | (18) | 20 | (22) | 24 | (27) | 30 | 36 | 42 | 48 | Диаметр резьбы, мм |
| Р | 2,5 | 3,0 | 3,0 | 3,5 | 4,0 | 4,5 | 5,0 | Шаг крупный | ||
| d1 | 18 | 20 | 22 | 24 | 27 | 30 | 36 | 42 | 48 | Класс А - h12; класс В - h14 |
| L | 75 | 130 | Рекомендуется в задании | |||||||
| L0 | 42 | 46 | 50 | 54 | 60 | 53 | 49 | 45 | 41 | L0+2P, например, 42+5 |
| L1 = 1d | 18 | 20 | 22 | 24 | 27 | 30 | 36 | 42 | 48 | Класс А - jS16; класс В - jS17 |
| L1 = 1,25d | 22 | 25 | 28 | 30 | 35 | 38 | 45 | 52 | 60 | - " - |
| L1 = 1,6d | 28 | 32 | 35 | 38 | 42 | 48 | 56 | 68 | 76 | - " - |
| L1 = 2d | 36 | 40 | 44 | 48 | 54 | 60 | 72 | 84 | 95 | - " - |
| L1 = 2,5d | 45 | 50 | 55 | 60 | 68 | 75 | 88 | 105 | 120 | - " - |
| Z | 2,5 | 3,0 | 3,0 | 3,5 | 4,0 | 5,0 | 5,0 | ГОСТ 12414 - 66 |
| ГОСТ | Ввинчиваемый конец, L1 | Класс точности | Отверстие под шпильку в деталях из: |
| 22032-76 | 1 d | B | сталь, бронза, латунь, титановые сплавы |
| 22033-76 | 1 d | A | |
| 22034-76 | 1, 25 d | B | сталь, бронза |
| 22035-76 | 1, 25 d | A | |
| 22036-76 | 1, 6 d | B | ковкий и серый чугун, допускается сталь, бронза |
| 22037-76 | 1, 6 d | A | |
| 22038-76 | 2 d | B | легкие сплавы, допускается сталь |
| 22039-76 | 2 d | А | |
| 22040-76 | 2, 5 d | В | легкие сплавы, допускается сталь |
| 22041-76 | 2, 5 d | А | |
| 22042-76 | для деталей с гладкими отв. L 1 = L 0 | В A | |
| 22043-76 |
Шероховатость поверхностей
| Класс | Поверхность, | Ra, | мкм | |
| точности | ГОСТ | Резьба(поле доп.) | Торцы | Остальное |
| А | 22033 - 76 . . . нечетные до . . . 22041 - 76 | 3, 2 (6g) | 6, 3 | 12, 5 |
| В | 22032 - 76 . . . четные до . . . 22040 - 76 | 6, 3 (6g) | 6, 3 | 12, 5 |
Приложение 5
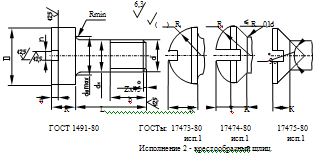
Винты
Выдержки из ГОСТ 1491-80, ГОСТ 17473 - 80,
ГОСТ 17474-80, ГОСТ17475-80
| d | 8 | 10 | 12 | 14 | 16 | 18 | 20 | Диаметр резьбы,мм | |||||
| Р | 1,25 | 1,5 | 1,75 | 2,0 | 2,0 | 2,5 | 2,5 | Шаг крупный | |||||
| D | 13 | 16 | 18 | 21 | 24 | 27 | 30 | 1491-80,17473-80 | |||||
| 14,5 | 18 | 21,5 | 25 | 28,5 | 32,5 | 36 | 17474-80,17475-80 | ||||||
| 5 | 6 | 7 | 8 | 9 | 10 | 11 | 1491-80,17473-80 | ||||||
| K | 5,6 | 7 | 8 | 9,5 | 11 | 12 | 14 | 17473-80 | |||||
| 4 | 5 | 6 | 7 | 8 | 9 | 10 | 17474-80,17475-80 | ||||||
| b | 22 | 26 | 30 | 34 | 38 | 42 | 45 | b+2P,например,22+2,5 | |||||
| n | 2 +0, 31 | 2,5 +0 , 31 | 3 +0, 31 | 4 +0, 3 7 | 5 +0, 37 | ГОСТ 24669-81 | |||||||
| L | 45 | Рекомен.в задании | |||||||||||
| 2,8 | 3,2 | 3,8 | 4,2 | 4,6 | 5,1 | 5,6 | 1491-80,17473-80 | ||||||
| h | 3,7 | 4,5 | 5,4 | 6,3 | 7,2 | 8,1 | 9,0 | 17474-80 | |||||
| 2,1 | 2,6 | 3,0 | 3,5 | 4,0 | 4,5 | 5,0 | 17475-80 | ||||||
| Rmin | 0,4 | 0,6 | 0,8 | ГОСТ 24670-81 | |||||||||
| da max | 9,2 | 11,2 | 14,2 | 16,2 | 18,2 | 20,2 | 22,4 | ГОСТ 24670-81 | |||||
| d1 | 8 | 10 | 12 | 14 | 16 | 18 | 20 | Диаметр стержня | |||||
| 6,5 | 8,1 | 9,1 | 10,6 | 12,1 | 13,6 | 15,1 | 17473-80 | ||||||
| R1 | 15 | 19 | 22,5 | 26 | 30 | 34 | 38 | 17474-80 | |||||
| f | 2 | 2,5 | 3 | 3,5 | 4 | 4,5 | 5 | 17474-80 | |||||
| Z | 1,4 | 1,6 | 2 | 2 | 2,5 | ГОСТ 12414-66 | |||||||
Винты класса точности А и В отличаются допусками расположения поверхностей и допуском на размер L.
Приложение 6
Диаметры сверл для отверстий под нарезание метрической резьбы с зазорами (ГОСТ 16093-81) с крупным шагом среднего класса точности в материалах с нормальной вязкостью ( выдержки из ГОСТ 19257 - 73), фаска ( см . рис . 9 ) по ГОСТ 10549 - 80
| Номинальный диаметр | Шаг/фаска | Диаметр отв. с полями | под резьбы допуска | Диаметр |
| резьбы d,мм | Р/Z,мм | 6Н,мм | 6G,мм | сверла,мм |
| 14 | 2/2 | 11,90+0,3 | 11,95+0,3 | 12 |
| 16 | 2/2 | 13,90+0,3 | 13,95+0,3 | 14 |
| 18 | 2,5/2,5 | 15,35+0,4 | 15,40+0,4 | 15,5 |
| 20 | 2,5/2,5 | 17,35+0,4 | 17,40+0,4 | 17,5 |
| 22 | 2,5/2,5 | 19,35+0,4 | 19,40+0,4 | 19,5 |
| 24 | 3,0/2,5 | 20,85+0,4 | 20,90+0,4 | 21 |
| 27 | 3,0/2,5 | 23,85+0,4 | 23,90+0,4 | 24 |
| 30 | 3,5/2,5 | 26,30+0,48 | 26,35+0,48 | 26,5 |
| 33 | 3,5/2,5 | 29,30+0,48 | 29,35+0,48 | 29,5 |
| 36 | 4,0/3,0 | 31,80+0,48 | 31,85+0,48 | 32 |
| 39 | 4,0/3,0 | 34,80+0,48 | 34,88+0,48 | 35 |
| 42 | 4,5/3,0 | 37,25+0,55 | 37,30+0,55 | 37,5 |
| 45 | 4,5/3,0 | 40,25+0,55 | 40,30+0,55 | 40,5 |
| 48 | 5,0/4,0 | 42,70+0,6 | 42,80+0,6 | 43 |
| 52 | 5,0/4,0 | 46,70+0,6 | 46,80+0,6 | 47 |
Примечание. Под материалом повышенной вязкости понимаются материалы, у которых из - за повышенных упругих деформаций и пластических свойств наблюдается значительный подъем витка (вспучивание). К таким материалам относятся: латуни, сплавы алюминия, магния, титана, высоколегированные стали и т. д.
















