124872 (598610), страница 8
Текст из файла (страница 8)
Первичная обмотка понижающего трансформатора (рис, 2.13, а) состоит из большого числа витков обычного обмоточного провода. Первичная обмотка при работе трансформатора подключается к силовой электросети. Вторичная же обмотка в большинстве случаев состоит из одного (максимум — двух) витков большого сечения и поэтому имеет очень малое сопротивление, что позволяет получать от нее значительный по величине сварочный ток, протекающий через свариваемые детали. Включение и выключение сварочного тока производится в первичной цепи прерывателем, имеющим довольно сложное устройство. Если электрическая часть контактной машины бывает примерно одинаковой, то механическая ее часть может быть различной по устройству, и по этому признаку в промышленности находят применение десятки различных типов контактных машин.
По форме выполняемых сварных соединений существуют три основных вида контактной сварки: стыковая, точечная и шовная.
Стыковая контактная сварка имеет две разновидности: сварка сопротивлением и сварка оплавлением. При сварке сопротивлением (рис. 2.13, а) детали прочно закрепляются в зажимном устройстве машины и под небольшим давлением сжимаются до соприкосновения друг с другом свариваемыми поверхностями. Затем включается ток, и детали в месте контакта и зон, к нему прилегающих, быстро разогреваются до высокой температуры (0,8 — 0,9
). Тогда осуществляется их сдавливание осадочным устройством машины, с одновременным выключением тока. За счет пластической деформации металла в стыке происходит образование соединения в твердом состоянии.
Сваренные детали имеют в месте сварки значительное усиление (увеличение сечения) за счет осадки металла при обжатии.
К достоинствам стыковой сварки сопротивлением следует отнести:
простоту устройства машины;
незначительный расход энергии на нагрев деталей, при высокой производительности сварки;
уменьшенный расход металла (только на осадку).
Вместе с тем, процесс имеет и недостатки:
значительное давление осадки, вследствие чего машина должна иметь высокие силовые характеристики;
трудность обеспечения высокого качества сварных соединений (особенно при сварке больших сечений) из-за неравномерного прогрева стыка и возможного присутствия в нем не удаленных окисных пленок.
Стыковая сварка сопротивлением применяется для соединения деталей небольшого сечения, например, проволок, а также стержней или полос — из хорошо сваривающейся в пластическом состоянии стали (малоуглеродистая, низколегированная), при условии специальной подготовки торцов соединяемых элементов. Эффективно применение этого вида сварки при изготовлении сварных сеток и каркасов арматуры железобетона.
Сварка оплавлением может быть прерывистой и непрерывной.
При прерывистом оплавлении ток включается в момент, когда детали подведены друг к другу, но еще разъединены. Под напряжением производится дальнейшее сближение деталей до краткого их соприкосновения в местах выступов, неровностей, а затем их отводят друг от друга. Таких сближений и отводов деталей с искристым разбрызгиванием частично расплавленного металла осуществляется несколько, пока не произойдет оплавление по всему свариваемому сечению. Лишь после этого под повышенным давлением производится быстрая осадка деталей, в процессе которой и выключается ток. При таком процессе происходит выдавливание расплавленного, в основном окисленного металла и прочих продуктов загрязнения из зоны сварки, с образованием так называемого грата, после удаления которого остается небольшое усиление в зоне сварки.
При непрерывном оплавлении происходит медленное и равномерное сближение деталей, пока не осуществится их соприкосновение в отдельных точках — местах выступов;
высокая плотность тока, здесь создаваемая, приводит к быстрому расплавлению и частичному испарению металла на этих участках, с выбросом его из плоскости стыка в виде брызг, При дальнейшем сближении в соприкосновение приходят новые точки, процесс повторяется и т.д. Сближение деталей продолжается до тех пор, пока обе поверхности стыкуемых деталей равномерно не оплавятся. Тогда производится быстрая осадка с приложением значительного давления. Сварка оплавлением имеет ряд преимуществ:
возможность получения соединений из различных сталей цветных металлов и их сплавов весьма развитого сечения (углеродистых сталей — более 100 000 мм2, алюминиевых сплавов - до 30 000 мм2 и др.);
высокая производительность машин (больше чем при электродуговой и электрошлаковой сварке встык таких же сечений);
не требуется особая подготовка и очистка соединяемых поверхностей деталей, качество сварных соединений высокое.
Однако у этого вида сварки есть и недостатки: значительный расход металла на оплавление и осадку; необходимость удаления после сварки грата, а иногда и самого усиления;
усложненная схема привода машин и узлов автоматического управления.
Стыковая сварка оплавлением применяется для соединения трубных стыков, фасонных профилей (например, стыков рельс), стержней массивного сечения, различных деталей машин и т.д.
Одним из наиболее распространенных способов контактной сварки является точечная сварка. При этом процессе соединяемые детали зажимают между электродами машины, имеющими форму усеченных конусов (рис. 2.13, 6), и через них пропускают ток.
Протекающий через детали ток более всего разогревает металл в месте их соприкосновения, так как здесь сопротивление току наиболее значительное.
Давление, оказываемое на электроды, должно быть таким, чтобы не только преодолеть жесткость деталей, но и осуществить нужную пластическую деформацию разогретого участка металла. В итоге, в зоне сварки создается своеобразное ядро сварной точки, имеющей чечевицеобразную форму (Рис. 2.13, б).
Для точечной сварки характерна высокая производительность, намного превышающая производительность автоматической дуговой сварки. Вместе с тем этот процесс высокоэкономичен, так как отсутствует расход сварочных материалов, а расход электроэнергии небольшой. Кроме того, деформации сваренных деталей очень незначительны. К достоинствам точечной сварки следует отнести простоту конструкции машины в сравнении со стыковыми и шовными, возможность полной автоматизации процесса, комплексной автоматизации производства в целом. Но и точечная контактная сварка имеет недостатки:
возможность выполнения соединения только внахлестку;
отсутствие герметичности сварных швов;
зависимость качества сварной точки от чистоты поверхности металла и степени сопряженности их друг с другом и др.
Наиболее эффективно применение точечной сварки в серийном и массовом производстве однотипных деталей — в автомобилестроении, с/х машиностроении, вагоностроении, угольном машиностроении, электротехнической и радиотехнической промышленности, самолетостроении и др.
Машины для точечной сварки наиболее универсальны, выполняют до нескольких сотен сварных точек в минуту. Общее их количество в несколько раз превышает число контактных машин для стыковой и шовной сварки. Особенно целесообразно применение автоматизированных многоточечных машин и комплексных автоматических линий.
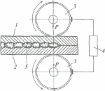
Шовная контактная сварка близка точечной, но в отличие от нее, машина, выполняющая этот процесс, имеет вместо конических электродов ролики, катящиеся по линии сварки и дающее сплошной, непрерывный плотнопрочный шов (рис. 2.14).
Обычно при шовной сварке применяется прерывистый режим работы, тогда сварной шов состоит из отдельных сварных точек, взаимно перекрывающих друг друга. Такой режим работы осуществляется либо за счет подачи тока в виде отдельных импульсов при непрерывном перемещении роликов, либо за счет «шагового», т.е. прерывистого движения роликов, когда ток дается в момент краткой остановки роликов. Более распространены машины, работающие на режиме непрерывного вращения роликов, имеющие не столь сложную конструкцию механической части. Шовная сварка обладает рядом существенных достоинств. К их числу относятся:
герметичность сварного соединения;
экономичность процесса, вследствие отсутствия расхода сварочных материалов и небольшого расхода электроэнергии;
возможность полной автоматизации технологического процесса.
Рис. 2.14. Схема шовной сварки:
1, 2 — свариваемые листы; 3 — электроды-ролики; 4 — трансформатор; 5 —сварной шов
Наиболее же существенные недостатки — необходимость очистки свариваемых поверхностей от окалины, ржавчины, окислов и различных загрязнений, сравнительно невысокая скорость сварки и др.
Шовная сварка используется для соединения листов малой толщины (до 2 — 3 мм) в производстве автомобилей, цельносварных тонкостенных труб, тонкостенных изделий электротехнической и радиотехнической промышленности, различных металлических изделий и т.д.
Для сварки металла малых толщин (2 — 0,1 мм и менее), различных мелких деталей большое применение нашла так называемая конденсаторная сварка, осуществляемая за счет запасенной или аккумулированной энергии конденсатора машины, непрерывно заряжающегося от питающей сети и периодически разряжающегося в ходе сварки. Для конденсаторной сварки характерна малая потребляемая мощность из сети при зарядке конденсатора, стабильное качество сварных соединений, как из однородных, так и разнородных металлов, с весьма малой зоной термического влияния. Вместе с тем, свариваемые детали ограничены в размерах, как по толщине, так и по сечению.
Конденсаторная сварка нашла применение в производстве мелких и мельчайших деталей из цветных и черных металлов, главным образом, с получением точечных соединений. Она используется в приборостроении, радиотехнической и электронной промышленности, в производстве счетных машин, фотоаппаратов, часов, различных устройств оборонной техники и др.
Ранее было показано (см. гл. 1, рис. 1.8), что для осуществления процесса сварки металлов без их расплавления (сварка в твердой фазе) необходимо осуществить их сдавливание таким усилием, чтобы смять поверхностные выступы (неровности), т.е. осуществить местную пластическую деформацию. Такой вид сварки получил название сварки, давлением или прессовой. Требуемое давление для сварки будет тем меньшее, чем выше температура свариваемого металла (см. рис, 1.7). Прессовая сварка за последние годы получила широкое распространение в различных областях. Об этом можно судить даже по разнообразию способов сварки в твердой фазе: термокомпрессионная, диффузионная, трением, холодная, взрывом, ультразвуковая и др. Рассмотрим кратко принципы и особенности некоторых способов сварки в твердой фазе.
Одним из наиболее древних способов сварки в твердой фазе является холодная. Это подтверждают, например, золотые коробочки, хранящиеся в Национальном музее в Дублине (Ирландия), которые по заключению экспертов, изготовлены в эпоху поздней бронзы с применением холодной сварки [1, с. 388]. Первые систематические исследования процесса холодной сварки были начаты в 1948 г. в Англии. Позднее этот способ сварки быстро распространился во многих промышленно развитых странах и в настоящее время она успешно применяется для сварки изделий из пластичных металлов, таких как медь, алюминий, свинец, олово, никель и др.
Поскольку холодная сварка производится при комнатной температуре на воздухе, то для осуществления прочных металлических связей между атомами свариваемых деталей требуется их совместная пластическая деформация довольно значительной величины с целью разрушения и удаления оксидных пленок из зоны контакта, что обеспечивает непосредственный контакт ювенильных поверхностей соединяемых частей.
Существуют многочисленные способы холодной сварки, но наиболее широко используются точечная и шовная для нахлесточных соединений и стыковая для получения соединений встык (рис. 2.15).
Рис. 2.15. Схемы холодной сварки:
а, б - точечной; в, г - стыковой; 1, 2 - свариваемые детали (листы - а, стержни - б); 3 - пуансоны; а, в - исходное положения перед сваркой; б, г - после сварки.
Точечная сварка (рис. 2.15, а, 6) осуществляется одновременным вдавливанием с двух сторон пуансонов 3 в детали I, 2, собранные внахлестку и предварительно очищенные по поверхностям соприкосновения. В местах вдавливания пуансонов детали плотно сжимаются, металл пластически деформируется и выдавливается из зоны внедрения пуансонов, что и обеспечивает схватывание (сварку) металла соединяемых деталей в виде точки. Стыковая сварка (рис. 2.15, в, г) выполняется непосредственным сдавливанием соединяемых деталей 1, 2 в осевом направлении, что приводит к значительному пластическому растеканию металла соединяемых деталей с образованием так называемого грата (усиления) в зоне сварки, который впоследствии удаляется (рис. 2.15, г).
Наиболее широкое применение холодная сварка находит в производстве изделий домашнего обихода из алюминия и его сплавов (чайники, кастрюли и т.п.), в электротехнической промышленности и транспорте для соединения алюминиевых и медных проводов, а также при приварке медных наконечников к алюминиевым проводам и т.д.
Несомненные достоинства холодной сварки, такие как простота процесса, высокая производительность, возможность использования стандартного прессового и прокатного оборудования и другие, ставят этот вид сварки в ряд важных процессов. Следует, однако, иметь в виду и ограничения по использованию холодной сварки, которые связаны, в основном, с невозможностью осуществления большой пластической деформации многих металлов и сплавов (например, углеродистой стали, алюминиево-магниевых сплавов и других материалов).
К холодной сварке тесно примыкает сравнительно новый способ — сварка взрывом, при которой соединение металлов в твердом состоянии происходит в процессе высокоскоростного соударения соединяемых деталей, осуществляемого с помощью энергии взрывчатых веществ (ВВ).
















