150835 (594597), страница 9
Текст из файла (страница 9)
- функция отслеживания краткосрочного обесточивания (до 3 сек.) позволяет после восстановления питания продолжать работу в нормальном режиме;
- силовые блоки имеют свою, не создающую помех систему байпаса;
- силовые блоки управляются посредством оптоволоконных кабелей, что обеспечивает высокую устойчивость к электромагнитным помехам;
- встроенный PLC-контроллер осуществляет различное оперативное управление;
- 3 режима управления: местное, дистанционное (от выносного пульта) и управление от АСУ;
- имеет систему диагностики неисправностей, производит своевременное оповещение о неисправностях, защиту, запись информации о неисправностях;
-
Конструкция и принцип действия
ПЧ имеют шкафную конструкцию. В зависимости от напряжения, мощности, модели и других особых требований ПЧ имеют различные габариты и внешний вид. Высоковольтный привод частотно регулируемый асинхронный (ВПЧА) поставляются в виде функционально законченного оборудования, в состав которого входят:
- ячейка с высоковольтным сухим трансформатором специальной конструкции;
- ячейка силовых модулей с IGBT транзисторами и с модулем управления ВПЧА (промышленный компьютер с сенсорным экраном).
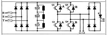
Принцип работы: основная цепь
Рисунок 7- Функциональная схема силовой части преобразователя частоты
В ПЧ реализован принцип переменный - постоянный - переменный ток с одним входным силовым трансформатором. Преобразование из постоянного в переменный ток выполнено в силовых блоках на IGBT-транзисторах.
Входной трансформатор первичной обмоткой (соединение звездой) подключается к трехфазной сети 3кВ. Трансформатор изготовлен в сухом исполнении, имеет воздушное принудительное (внутри шкафа) охлаждение, обладает продолжительным ресурсом и не требует обслуживания. Вторичные обмотки соединены по схеме треугольник, при условии, что каждая группа вторичных обмоток отличается фазовым смещением трансформируемого напряжения. Сдвиг фазы напряжения на последующей группе вторичных обмоток относительно фазы напряжения на предыдущей группе вторичных обмоток определяется результатом деления 60 угловых градусов на количество групп вторичных обмоток (или количество силовых блоков).
Последовательное подключение силовых блоков при формировании выходного фазного напряжения позволяет использовать в ПЧ IGBT-транзисторы, рассчитанные на напряжение, меньшее, чем получается на выходе преобразователя. Последовательное включение силовых блоков позволяет организовать работу ПЧ в режиме многоуровнего ШИМ преобразования. Такой режим позволяет снизить амплитуду выходной пульсации пропорционально количеству примененных фазных блоков.
Подключившись к выходам звездой, мы получаем возможность менять частоту источника питания для электродвигателя.
Силовые блоки:
Схема силового блока приведена на рисунке 8. Входные цепи R, S, Т подключаются к низкому трехфазному напряжению вторичной обмотки трансформатора. Напряжение с трансформатора через диодный трехфазный выпрямитель заряжает конденсаторы. Накопленная электрическая энергия конденсаторов расходуется однофазным мостом, состоящего из IGBT транзисторов Q1-Q4, для формирования напряжения ШИМ на выходах L1, L2.
Рисунок 8- Принципиальная схема силового модуля с IGBT транзисторами
Силовой блок, получив по оптоволоконному кабелю управляющий сигнал на открытие и закрытие IGBT-транзисторов Ql - Q4, формирует ширину импульса выходного напряжения одной фазы. Каждая фаза имеет только 3 возможных значения выходного напряжения: при открытых Q1 и Q4 выходное напряжение L1 и L2 соответствует 1; при открытых Q2 и Q3 8 Безопасность жизнедеятельности
Одними из наиболее опасных факторов при эксплуатации тепловой сети являются:
а) работа трубопровода под давлением (до 10 кг/см2);
б) высокая температура теплоносителя (150 °С);
в) возможное превышение заданной температуры поверхности изоляции;
г) высокая чувствительность водяной тепловой сети к авариям.
8.1 Меры безопасности при эксплуатации тепловых сетей
Прокладка тепловых сетей, конструкция трубопроводов, тепловая изоляция, строительные конструкции тепловых сетей должны соответствовать требованиям действующих правил.
По территории предприятия должна предусматриваться надземная прокладка тепловых сетей на отдельно стоящих опорах.
Уклон трубопроводов тепловых сетей должен быть не менее 0,002 независимо от направления движения теплоносителя и способа прокладки теплопровода.
Материалы, трубы, арматуру для тепловых сетей следует принимать в соответствии с «Правилами устройства и безопасной эксплуатации трубопроводов пара и горячей воды» Госгортехнадзора России.
Все соединения элементов трубопроводов должны быть сварными. Применение фланцевых соединений допускается для присоединения трубопроводов к арматуре и деталям оборудования, имеющим фланцы. Допускается приварка фланцевой арматуры к трубопроводам.
Задвижки и затворы диаметром 500 мм и более должны иметь электропривод. При надземной прокладке тепловых сетей задвижки с электроприводами должны быть установлены в помещении или заключены в кожухи, защищающие арматуру и электропривод от атмосферных осадков и исключающие доступ к ним посторонних лиц.
В нижних точках трубопроводов водяных тепловых сетей должны быть смонтированы штуцера с запорной арматурой для спуска воды.
В высших точках трубопроводов тепловых сетей, в том числе на каждом секционном участке, должны быть установлены штуцера с запорной арматурой для выпуска воздуха (воздушники).
В тепловых сетях должна быть обеспечена надежная компенсация тепловых удлинений трубопроводов.
Трубопроводы тепловых сетей, арматура, компенсаторы, фланцевые соединения и опоры труб должны быть покрыты тепловой изоляцией.
Тепловая изоляция фланцевых соединений, арматуры, участков трубопроводов, подвергающихся периодическому контролю, а также сальниковых, линзовых компенсаторов должна быть съемной. Тепловые сети, проложенные вне помещений, независимо от вида и способа прокладки должны иметь защиту от воздействия влаги.
Ввод в эксплуатацию тепловых сетей после окончания строительства или капитального ремонта без наружного антикоррозионного покрытия труб и металлических конструкций запрещается.
Места установки электрооборудования (насосные, тепловые пункты, туннели), места установки арматуры с электроприводом, регуляторов и контрольно- измерительных приборов должны иметь электрическое освещение, соответствующее «Правилам устройств электроустановок».
8.2 Меры безопасности при эксплуатации теплового оборудования
Перед началом работы должно быть проверено выполнение всех требований Правил, относящихся к предстоящей работе. При нарушении этого положения персонал не имеет права приступать к работе независимо от того, кто ему дал указание об его выполнении.
Обходы и осмотры оборудования должны производиться только с разрешения персонала, ведущего режим оборудования.
Находиться без производственной необходимости на площадках агрегатов, вблизи люков, лазов, около запорной, регулирующей арматуры, фланцевых соединений трубопроводов, находящихся под давлением, запрещается.
При пуске, отключении, опрессовке, испытании оборудования и трубопроводов под давлением вблизи них разрешается находиться только персоналу, непосредственно выполняющему эти работы.
При повышении давления до пробного при гидравлическом испытании оборудования нахождение на нем людей запрещается. Осматривать сварные швы испытываемых трубопроводов и оборудования разрешается только после снижения пробного давления до рабочего.
При обнаружении свищей в паропроводах, коллекторах, в корпусах арматуры необходимо срочно вывести работающих с аварийного оборудования, оградить опасную зону и вывесить знаки безопасности: «Осторожно! Опасная зона».
При монтаже и эксплуатации деаэратора АВАКС должны соблюдаться общие правила техники безопасности при монтаже и эксплуатации промышленных котельных установок.
Перетяжку фланцевых соединений и устранение неплотностей шланговых соединений производить только при отключенной деаэрационной установке.
Запрещается использование контрольно-измерительных приборов, непрошедщих Госповерку.
Для исключения тепловых потерь и безопасного обслуживания выполнить теплоизоляцию корпуса деаэратора.
Подготовка к работе, порядок работы деаэратора:
1) При подготовке к работе необходимо убедится в том что монтаж установки выполнен в соответствии с «Правилами технической эксплуатации тепловых энергоустановок» и схемой привязки деаэратора в существующей системе или котельной.
2) Все монтажные и ремонтные работы должны быть закончены, временные заглушки на трубопроводах удалены, задвижки и вентили исправны и закрыты, контрольно измерительные приборы установлены и исправны.
3) Проверить надежность фланцевых и шланговых соединений, исправность смотрового стекла (отсутствия трещин, сколов и т.д.)
4) Подготовить и включить имеющиеся в схеме подогреватели и насосы.
5) Включить насос эжектора и довести разряжение в эжекторной полости удаления выпора до максимума.
6) Включением насоса или открытием задвижки довести давление на входе в деаэратор до паспортных данных.
7) Убедится что температура деаэрируемой воды соответствует паспортным данным.
8) Открытием шарового крана на линии выпора запустить деаэратор в работу, при этом в смотровом стекле через 20…30 секунд должен наблюдаться влажный пар без присутствия крупных капель или струй воды.
Порядок работы
1) После запуска деаэратора следует контролировать и поддерживать в пределах паспортных данных:
- температуру деаэрируемой воды;
- давление деаэрируемой воды;
- не допускать появление воды в смотровом стекле.
Работа деаэратора может осуществляться в двух режимах: непрерывный или периодический по мере необходимости
2) Отбор проб для проверки качества деаэрации производить согласно существующих требований и правил.
Останов деаэратора
1) Закрыть шаровой кран на линии выпара.
2) Прекратить подачу деаэрируемой воды (останов насоса, закрытие задвижки).
3) Выключить эжектор.
Техническое обслуживание
При непрерывном режиме работы деаэратора обслуживающий персонал должен убедиться в:
- соответствии параметров работы деаэратора (температур и давлений деаэрируемой воды на входе и выходе деаэратора, показаний мановакууметров) паспортным характеристикам;
- отсутствии какой – либо вибрации;
- отсутствии гидравлических ударов;
- отсутствии подсосов в шланговых соединениях.
При периодическом режиме работы обслуживающий персонал должен руководствоваться должностными инструкциями.
При монтаже и эксплуатации эжектора следует руководствоваться «Общими правилами техники безопасности при эксплуатации промышленных котельных установок».
Запрещается производить подтяжку фланцевых соединений на работающем эжекторе.
Запрещается использование контрольно-измерительных приборов, не прошедших Госповерку.
Подготовка к работе эжектора, порядок эксплуатации:
Перед пуском эжектора необходимо:
1) Проверить плотность всех соединений.
2) Убедиться в наличии и исправности контрольно-измерительных приборов.
3) Проверить заполнение системы рабочей водой ее температура не должна превышать 30 0С.
Пуск эжектора:
1) Включить насос эжектора при открытом перепускном клапане.
2) Перепускным клапаном поднять давление рабочей воды до паспортной характеристики.
В процессе работы эжектора необходимо:
1) Следить за температурой рабочей воды которая не должна превышать 300С.
2) Следить за соответствием паспортным характеристикам давления рабочей воды.
3) Следить за плотностью соединений трубопроводов отсоса парогазовой смеси.
Останов эжектора
1) Перепускным клапаном снизить давление рабочей воды до 1 кгс/см2.
2) Остановить насос рабочей воды.
В процессе эксплуатации эжектора необходимо:
1) Периодически проверять плотность всех соединений (производить протяжку фланцевых соединений, проверять плотность трубопроводов парогазовой смеси).
2) Периодически очищать сопловые отверстия от загрязнения.
8.3 Меры безопасности при гидравлическом испытании тепловой сети
Гидравлическому испытанию с целью проверки прочности и плотности трубопроводов и их элементов, а также всех сварных и других соединений подлежат:
а) все элементы и детали трубопроводов; их гидравлическое испытание не является обязательным, если они подвергались 100 % контролю ультразвуком или иным равноценным методом неразрушающей дефектоскопии;
б) блоки трубопроводов; их гидравлическое испытание не является обязательным, если все составляющие их элементы были подвергнуты испытанию в соответствии с пунктом «а», а все выполненные при их изготовлении и монтаже сварные соединения проверены методами неразрушающей дефектоскопии (ультразвуком или радиографией) по всей протяженности;
в) трубопроводы всех категорий со всеми элементами и их арматурой после окончания монтажа.
Допускается проведение гидравлического испытания отдельных и сборных элементов совместно с трубопроводом, если при изготовлении или монтаже невозможно провести их испытания отдельно от трубопровода.
Арматура и фасонные детали трубопроводов должны подвергаться гидравлическому испытанию пробным давлением в соответствии с нормативными документами.
Максимальная величина пробного давления устанавливается расчетом на прочность по нормативным документам, согласованной в установленном порядке.















