147340 (594327), страница 3
Текст из файла (страница 3)
, (2.10)
где
- угол наклона отвала к горизонту,
.
По формуле (2.4):
Wп = 68256+3571+1785,5+2065 = 75677,5 Н.
Проекция на ось пути всех сопротивлений, действующих на один отвал
, Н:
, (2.11)
где
- угол между осью пути и отвалом,
.
.
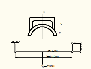
Усилие необходимое для прижатия отвала F0, Н:
, (2.12)
.
2.2 Мощность привода
Для определения мощности привода механизмов, имеющих в качестве силового звена гидроцилиндр, необходимо найти усилие, действующее на гидроцилиндр, и скорость перемещения штока гидроцилиндра.
2.2.1 Определение мощности привода гидроцилиндра выноса несущих рам
Определение усилия проведем в случае, когда отвал заглублен в призму в вертикальной плоскости на 0,09 м.
Усилие определяем по расчетной схеме (рисунок 7).
Рисунок 7 – Расчетная схема к определению усилия в гидроцилиндре подъема
Усилие в гидроцилиндре подъема несущих рам Fгц, Н [19]:
, (2.13)
где G0 – масса отвала с креплением, G0=10000 H (определено предварительно); GНР – масса несущей рамы, GНР = 12000 Н; F0 – усилие прижатия одного отвала, F0 = 26756,05 Н.
.
Внутренний диаметр цилиндра Dц, м:
, (2.14)
где
- гидромеханический КПД цилиндра,
;
- рабочее давление,
.
.
Для определения хода гидроцилиндра рассмотрим расчетную схему (рисунок 8).
Ход гидроцилиндра выноса несущих рам Хгц, мм:
, (2.15)
где
- длины гидроцилиндра в крайних положениях, определенных графическим способом, мм;
- масштаб расчетной схемы,
.
.
По диаметру и ходу поршня выбираем гидроцилиндр [13]: ГЦО – 4 – 60 – 30 – 700,
где ГЦО – гидроцилиндр;
4 – исполнение по типу крепления (на проушине);
60 – диаметр поршня, мм;
30 – диаметр штока, мм;
700 – ход штока, мм.
Рисунок 8 – Расчетная схема к определению хода гидроцилиндра выноса несущих рам
Вывод: гидроцилиндры оставляем штатные; расчет рамы и шарниров можно не делать, т.к. они спроектированы со значительным запасом.
Скорость установки отвала не связана с рабочей скоростью машины, поэтому скорость принимаем равной
для удобства регулирования положения отвала.
Расход жидкости при подаче в поршневую полость Q, м3/с:
, (2.16)
где Ап – рабочая площадь поршня, м2:
, (2.17)
.
По формуле (2.16):
.
Мощность, необходимая для привода цилиндра P, Вт:
, (2.18)
.
Выбор диаметра трубопроводов определяется ограничением скорости рабочей жидкости. В напорном трубопроводе скорость движения
. Диаметр трубопровода dтр, м:
, (2.19)
.
Принимаем диаметр трубопроводов по ГОСТ 8734 – 75: dтр = 9 мм.
2.3 Выбор и расчет элементов рабочего оборудования
Цель расчета – определить опасные сечения и проверить их на прочность, либо подобрать сечение.
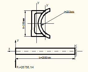
2.3.1 Расчет сечения отвала
Рисунок 9 – Расчетная схема к расчету отвала
Момент сопротивления W, см3 [15]:
, (2.20)
, (2.21)
где
- допускаемые напряжения при изгибе, Ст35 -
= 290МПа; М – изгибающий момент,
.
, (2.22)
.
, (2.23)
.
По формулам (2.20) и (2.21):
,
.
Момент сопротивлений балки Wx1, Wy2,
:
, (2.24)
, (2.25)
где
толщина стенки по ширине и ширина балки,
(рисунок 10);
высота балки и толщина стенки по высоте,
.
Рисунок 10 – Балка
Из формул (2.24) и (2.25) следует:
; (2.26)
; (2.27)
;
.
Рисунок 11 – Расчетная схема сечения отвала
2.3.2 Определение количества болтов крепления ножа отвала
Суммарное усилие действующее на болты
, Н (рисунок 12):
, (2.28)
где
усилие необходимое для прижатия отвала, Н;
суммарное сопротивление, действующее на отвал, Н.
.
По суммарному усилию, действующему на отвал, принимаем диаметр болта
.
Количество болтов из условия среза
, шт.:
, (2.29)
где
допускаемое напряжение при срезе, (Ст35)
.
Принимаем
.
Рисунок 12 – Крепление ножа отвала
2.3.3 Расчет поперечины, соединяющей отвалы
Рисунок 13 – Схема к расчету поперечины соединяющей отвалы
Определим поперечные размеры стержня, соединяющего отвалы.
Сжимающая сила на стержне поперечины
:
, (2.30)
.
Требуемая площадь поперечного сечения стержня поперечины
:
, (2.31)
где
допускаемое напряжение при сжатии, (Ст35)
.
.
Принимаем круглое сечение стержня поперечины (рисунок 14).
Рисунок 14 – Поперечное сечение поперечины
Диаметр стержня dст, м:
, (2.32)
.
2.3.4 Расчет на прочность колонн, на которых установлены отвалы
Момент сопротивления W, см3:
; (2.33)
, (2.34)
где
допускаемое напряжение при изгибе, (Ст35 – нормализация, нагрузка переменная)
;
изгибающий момент,
.
Рисунок 15 – Схема к расчету колонны
, (2.35)
.
По формуле (2.34):
.
Из формулы (2.33) диаметр колонны
:
, (2.36)
.
2.3.5 Расчет подшипников скольжения
Подшипники скольжения рассчитываются на удельную нагрузку
[14]:
, (2.37)
где
реакция опоры,
;
диаметр подшипника,
;
длина подшипника, м;
допустимое давление, для бронзы
.
Из формулы (2.37) следует:
, (2.38)
.
Принимаем длину подшипника из расчета на устойчивость опоры:
, (2.39)
.
2.3.6 Расчет шарнира соединяющего два отвала
Расчет пальца на срез (рисунок 16):
Диаметр пальца
:
, (2.40)
где
усилие среза, Н.
, (2.41)
.
где
допускаемое напряжение на срез, для Ст45
;
число плоскостей среза,
:
.
Рисунок 16 – Шарнирное соединение
Расчет пальца на смятие:
Наименьшая толщина соединяемых частей
:
, (2.42)
где
допускаемое напряжение материала пальца на смятие, для Ст45 – нормализация
:
.
2.3.7 Расчет на прочность проушин крепления гидроцилиндров
Расчет производится из условия того, что гидроцилиндр, работая поршневой полостью, развивает максимальное усилие (рисунок 17).
Проушина крепления гидроцилиндра опускания отвалов крепится к раме механизма опускания отвалов.
Момент сопротивления W, см3:
, (2.43)
Рисунок 17 – Расчетная схема проушин
где М – изгибающий момент,
.
, (2.44)
где
максимальное усилие, развиваемое гидроцилиндром,
;
длина проушины,
.
;
допускаемое напряжение на изгиб, для Ст3 – нагрузка переменная
:
.
Момент сопротивления W, см3:
, (2.45)
где 12 – для двух проушин; В – ширина проушины, В = 1,5 см (принято конструктивно); Н – высота проушины, см.
Из формулы (2.45) следует:
, (2.46)
.
2.4 Расчет ленточного транспортера
2.4.1 Исходные данные
Исходные данные для расчета ленточного транспортера представлены в таблице 2.1. Схема конвейера представлена на рисунке 18.
Рисунок 18 – Схема ленточного конвейера
Таблица 2.1 - Исходные данные для расчета ленточного конвейера
| Тин транспортера | ленточный |
| Режим работы | тяжелый |
| Производительность Q, т/ч | 270 |
| Материал | щебень |
| Насыпная плотность ρ, т/м : | 1,5 |
| Угол естественного откоса в покое, град. | 45 |
| Угол естественного откоса в движении, град, | 35 |
| Группа абразивности | D |
| Коэффициент трения в состоянии покоя по резине | 0,46 |
| Размер типичных кусков а, мм | 10-60 |
| Разгрузка конвейера | свободная |
| Скорость материала при загрузке V0, м/с | 0,42 |
2.4.2 Определение ширины ленты
Скорость конвейерной ленты при транспортировании щебня рекомендуется принимать в пределах 2,5 – 6,3 м/с [12]. Принятое значение скорости равно 4 м/с.
Ширина конвейерной ленты В при опоре на горизонтальные ролики, м:
, (2.47)
где Q - производительность конвейера, т/ч (Q = 270 т/ч); Сβ - коэффициент, учитывающий уменьшение поперечного сечения груза при транспортировании под углом к горизонту; υ - скорость движения ленты конвейера при транспортировании щебня, м/с (υ = 4 м/с [10]); ρ - насыпная плотность груза, т/м3 (принимается ρ = 1,5 т/м3 [10]).
, (2.48)
где с - коэффициент площади поперечного сечения груза на ленте (с=240 [10]); k - коэффициент, учитывающий угол наклона конвейера (k = 0,95 [10]).
.
Ширина ленты с учетом максимальных размеров кусков щебня, м:
, (2.49)
где
- максимальный размер куска щебня, м (
).
Окончательно принята стандартная ширина ленты В = 0,5 м [12].
Поскольку принятая ширина ленты равна расчетной, уточнение скорости движения ленты не требуется.
Выбираем конвейерную ленту общего назначения типа 2 шириной В = 500мм с тремя тяговыми прокладками прочностью 100Н/мм из ткани БКНЛ – 100, допускающими рабочую нагрузку
, с толщиной резиновой обкладки класса прочности Б рабочей поверхности
, не рабочей поверхности
.
Лента 2 – 500 – 3 – БКНЛ – 100 – 4,5 – 2 – Б ГОСТ 20 – 76.
2.4.3 Определение параметров роликовых опор
















