123081 (592757), страница 6
Текст из файла (страница 6)
Малюнок 4.4 – Діаграма завантаження обчислювача
На схемі цифрами позначені:
-
Установка адреси роботи.
-
Дозвіл роботи аналогового комутатора.
-
Дозвіл роботи УВХ і АЦП.
-
Час перетворення.
-
Читання даних.
-
Заборона роботи АЦП і аналогового комутатора.
-
Установка адреси на аналоговий комутатор.
-
Дозвіл роботи аналогового комутатора.
-
Дозвіл роботи УВХ і АЦП.
-
Час перетворення.
-
Читання даних.
-
Визначення значення управляючої дії.
-
Вибір закону управління на Порт 2.
Максимальний час на виповнення алгоритму в межах базового періоду складає (на підставі таблицы 4.2):
,
де
(
– час виконання функціонального алгоритму).
Тоді
.
Оскільки
<, то циклограма малюнка 2.4 може бути реалізована на даному процесорі безпосередньо.
Необхідний об'єм пам'яті програм (ПЗП) складає:
байт.
Об'єму ПЗП достатньо для виконання алгоритму, оскільки об'єм РПП складає 4096 байт.
4.5 Розробка принципової схеми обчислювача
4.5.1 Вибір елементарної бази
Годинозадаючий ланцюг.
Годинозадаючий ланцюг необхідний для завдання тактових імпульсів мікроконтролеру для його синхронізації. На малюнку 4.5 представлена принципова схема час задаючого контура, створеного на основі кварцового резонатора з частотою 22.1184 Мгц, включеного по схемі з середньою крапкою.
Кварцовий резонатор, що підключається до зовнішніх висновків XTAL1 і XTAL2 мікроконтролера, управляє роботою внутрішнього генератора, який формує внутрішні сигнали синхронізації.
На основі сигналів синхронізації пристрій управління мікроконтролера формує машинний цикл фіксованої тривалості, яка дорівнює 12 періодам резонатора. Вибір зупинений саме на такій схемі з таким кварцовим резонатором унаслідок того, що у взаємодії з мікроконтролером AT89S8252 цей ланцюг генерує крок роботи МК рівний 0.5 мкс. Такий крок роботи програм повністю влаштовує, оскільки дозволить легко вкласти алгоритм роботи мікроконтролера в 5 мс.
Для проектованого управляючого обчислювача був вибраний мікроконтролер AT89S8252 фірми Atmel. На малюнку 4.6 представлено графічне позначення мікроконтролера AT89S8252 фірми Atmel.
Вибір цього мікроконтролера обумовлений наступним:
-
гранично низька вартість;
-
наявність 8 кбайтів FLASH-ПЗП програм з можливістю внутрішньосистемного перепрограмування через SPI (serial programming interface) канал;
-
можливість роботи на низьких тактових частотах (аж до нуля Гц), що важливе в системах реального часу.
Основні характеристики наступні:
-
три рівні захисту програм;
-
256 байтів внутрішньої оперативної пам'яті;
-
три 16-бітові таймери/лічильники;
-
32 програмовані лінії уведення-виведення;
-
дев'ять джерел переривань;
-
програмований послідовний інтерфейс;
-
master/slave SPI послідовний інтерфейс;
-
режим зниженого енергоспоживання (живлення +5 В);
-
переривання при подачі напруги;
-
програмований сторожовий таймер;
-
два регістри – покажчика даних;
-
прапор відключення живлення.
Мікроконтролер випускається в DIP корпусі, що дозволяє як встановлювати контроллер на контактний майданчик, так і упаювати його в схему.
Шинний формувач застосовується для збільшення потужності вхідних і вихідних (запетлеваних) сигналів мікроконтролера до 20 мА. Як шинний формувач в представленому пристрої використовується мікросхема КР1533АП6, графічне позначення якої представлено на малюнку 4.7.
Малюнок 4.7 – Шинний формувач
Мікросхема є восьмирозрядним двонаправленим приймачем-передавачем з двома станами на виході і без інверсії вхідної інформації. Режим роботи визначається комбінацією сигналів на двох входах управління –
і
. При низькому рівні напруги на вході управління третім
станом напряму передачі визначається логічним рівнем на вході
, а при високому рівні напруги на вході
виходи мікросхеми переводяться у високоімпедансний стан (таблиця 4.3).
Таблиця 4.3 Таблиця істинності шинного формувача
|
|
| Операція |
| H | X | Третій стан |
| L | H | D1D2 |
| L | L | D2D1 |
Для забезпечення роботи щодо низкоомного або велике навантаження місткості виходи мікросхеми мають підвищену потужність в порівнянні із стандартними.
COM-порт
На малюнку 4.8 представлений зовнішній вигляд роз'єму COM-порту (mother) на шлейфі передачі даних, з вказівкою номерів ніжок.
Малюнок 4.8 – Зовнішній вигляд роз'єму COM-порту
Використовування цього порту ПК як і пристрої узгодження рівнів необхідно при розробці каналу передачі даних на ПК. COM-порт – це послідовний порт ПК, через який можлива передача даних по протоколу RS-232 на підключений ПК.
В таблиці 4.4 представлені відповідні номери ніжок мікроконтролера і COM-порту з поясненням їх призначення, необхідні для наладки даного каналу зв'язку.
Таблиця 4.4 Принцип сполучення МК і ПК
| Мікроконтролер | COM-порт | Призначення |
| 10 | 7 | RXD_MK і TXD_PK |
| 11 | 4 | TXD_MK і RXD_PK |
| 20 | 8 | GND |
LPT-порт
На малюнку 4.9 представлений зовнішній вигляд роз'єму LPT-порту (father) на шлейфі програматора, з вказівкою номерів ніжок.
Малюнок 4.9 – Зовнішній вигляд роз'єму LPT-порту
LPT-порт – це паралельний 25-піновий порт ПК. Вживання цього порту ПК пов'язано з наладкою каналу програматора. Канал програматора здійснює прошивку резидентної пам'яті програм мікроконтролера AT895S8252.
В таблиці 3.4 представлені відповідні номери ніжок мікроконтролера і LPT-порту з поясненням їх призначення.
Таблиця 3.4 Таблиця опису шлейфу програматора
| Мікроконтролера | LPT-порт | Призначення (SPI) |
| 6 | 7 | Mosi |
| 7 | 10 | Miso |
| 8 | 8 | Sck |
| 9 | 6 | Rst |
| 20 | 18, 25 | Gnd |
4.6 Створення принципової схеми управляючого спецобчислювача
Після вибору і розрахунку функціональних блоків пристрою можна переходити до створення принципової схеми управляючого обчислювача.
Принципова схема є з'єднанням вибраних функціональних блоків по функціональній схемі, з урахуванням всіх правил з'єднання. Принципова електрична схема розробленого пристрою представлена в додатку А.
5. Дослідницька частина
5.1 Вибір кругового коефіцієнту нелінійного сервоприводу
В нелінійних системах звичайно присутні автоколивання. Як основний критерій при виборі кругового коефіцієнта використовують вимоги відсутності автоколивань в нелінійній системі. Щоб досліджувати систему на автоколивання, треба її розімкнути так, щоб виділити нелінійність.
Всю розімкнену систему замінюємо двома ланками: лінійної і нелінійної частинами (мал. 5.2)
Малюнок 5.2 – Ланки: лінійна і нелінійна частина
Використовують метод гармонійної лінеаризації. Запишемо умову наявності автоколивань в системі:
, звідси
(умова наявності автоколивань в системі).
Перейдемо до умови відсутності автоколивань. Ця умова запишеться
, отже
– умова відсутності автоколивань. Це означає, що годограф WЛ(s) і годограф
не перетинаються, тоді, автоколивання в системі відсутні. Вигляд
різний, залежно від того, яка нелінійність переважає. Якщо немає петлі, то нелінійність однозначна (мал. 5.3).
Малюнок 5.3 – Годограф без петлі
Те мінімальне значення кругового коефіцієнта посилення сервоприводу, при якому виконується умова існування автоколивань в системі, назвемо критичним.
Чому мінімальне?
Перетин годографів може бути найрізноманітнішим. Завжди в системі буде два граничні цикли. Один стійкий, інший нестійкий. Але коефіцієнт не буде критичним.
Найменший коефіцієнт, який виходить тільки при торканні і буде мінімальним і критичним. Оскільки, якщо його зменшити, то будуть відсутні автоколивання.
Розглянемо деякий окремий випадок.
Розмикаємо систему на вході нелінійної ланки (мал. 5.4)
Малюнок 5.4 – Розімкнена система на вході нелінійної ланки
де
.
Передавальна функція лінійної частини системи:
(5.1)
передавальна функція нелінійної частини системи WН – це коефіцієнт гармонійної лінеаризації в методі гармонійної лінеаризації. В загальному випадку WН складається з речовинної і уявної комплексної складових.
В даному випадку WН(s) – це дійсне число.
В загальному випадку:
.
В даному випадку:
;
.
Для K=1, WН(s) виглядає таким чином (малюнок 5.5)
Малюнок 5.5 – Дійсне число WН для K=1
Величина q для однозначної нелінійності залежить тільки від амплітуди А.
Оскільки K=1, то нелінійність виглядає таким чином (малюнок 5.6)
Поки амплітуда А не перевищує зону нечутливості b, тобто до А=b, система розімкнена і A=0.
Малюнок 5.6 – Нелінійність для K=1
Побудуємо годограф для WЛ(s) і
(малюнок 5.7)
Малюнок 5.7 – Годограф для WЛ(s) і
де
.
Розглянемо передавальну функцію лінійної частини системи для будь-якої лінійної передавальної функції можна записати:
(5.2)
Такий запис справедливий, якщо передавальна функція не має нульових полюсів.
А і В-це поліноми від ω.
А – парний ступінь ω; В-непарний ступінь ω.
Крапка 1 на годографі характерна тим, що фазовий зсув чисельника рівний фазовому зсуву знаменника передавальної функції.
Сумарна ФЧХ такої ланки рівна фазовій характеристиці чисельника мінус фазова характеристика знаменника; значить фазовий зсув рівний нулю:
, звідси
при
. Визначимо модуль передавальної функції лінійної частини системи.
А0 – модуль передавальної функції на частоті
:.
Знайдемо значення частоти
.
;
;
;
;
.
З одержаних співвідношень визначаємо значення кругового коефіцієнта нелінійного сервоприводу.
;
.
Систему більш високого порядку можна апроксимувати системою більш низького порядку для частот в околиці
.
5.2 Розрахунок сервоприводу з нелінійною ланкою
а). Нелінійна ланка задана так (малюнок 5.8)
Малюнок 5.8 – Нелінійна ланка
Характеристика нелінійної ланки:
b=3 ма; c=18 ма; K=1
;
б). Лінійна частина:
;
З умови технічного завдання дано:
;
;
;
;
;
;
;
;
;
;
де РСЕР – середній розподіл Гауса
Розрахунок:
-
Визначимо qm.
Значення коефіцієнта q для даного виду нелінійності визначається виразом:
(5.3)
де а – амплітуда вхідного сигналу;
.
Дана нелінійність має
. Для визначення qm задаємося різними значеннями амплітуди вхідного сигналу, враховуючи, що a>>b2 і прораховуємо на обчислювальній машині (ОМ) значення коефіцієнта q(а) з кроком.
Результати обчислення заносимо в таблицю 1 в додатку Б.
2). Визначимо KКР (використовуючи A0):
Визначимо з умови:
Зробимо заміну:
KКР визначається при
. При підстановці в дійсну частину
одержимо A0. В цьому випадку K=KКР.
Використовуючи цей результат, запишемо
:, звідси критичний круговий коефіцієнт сервоприводу рівний:
Значення qm узято з таблиці 2 додатку Б.
3). Визначення номінального значення добротності сервоприводу і коефіцієнта зворотного зв'язку:
а)
б) σ визначаємо з виразу:
в) номінальне значення добротності визначиться:
г) значення коефіцієнта ЗЗ знайдемо із співвідношення:
5.3 Облік впливу інерційності сервоприводу на стійкість руху
Приймаємо допущення:
-
Нелінійності неістотні.
-
Лінійну частину сервоприводу спростимо до 2-го порядку.
Вважатимемо, що ТП=0.
Для лінійного сервоприводу 2-го порядку в розімкненому стані:
(5.4)
Запишемо передавальну функцію сервоприводу:
(5.5)
де
.
Під керованістю розуміють здатність змінювати параметри свого руху при відхиленні управляючих органів. Керованість напряму пов'язана із стійкість.
Під стійкістю розуміється здатність об'єкту управління повертатися на задану траєкторію після дії на нього обурення.
Динамічними показниками керованості в тимчасовій області вважаються параметри перехідного процесу при східчастому відхиленні управляючих органів час перехідного процесу і величина перерегулювання, в частотній області – власна частота короткоперіодичного руху (ω0) і відносний коефіцієнт загасання (ξ).
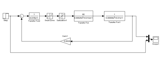
Для перевірки вибраних алгоритмів управління виконаємо моделювання системи з використанням системи моделювання Matlab/Simulink для побудови частотних характеристик. Досліджувана схема моделювання сервоприводу з урахуванням нелінійності приведена на малюнку 5.9.
Малюнок 5.9 – Досліджувана схема сервоприводу з урахуванням нелінійності
На малюнку 5.10 представлений перехідною процес досліджуваної системи сервоприводу з урахуванням нелінійності при КЗЗ> 0.0024=0.024
Малюнок 5.10 – Перехідної процес досліджуваної системи сервоприводу з урахуванням нелінійності при КЗЗ > 0.0024=0.024
З одержаного перехідного процесу видно, що пік амплітуди рівний А=2.5°, немає сталого значення амплітуди і час перехідного процесу дуже великий, т.ч. присутні автоколивання, отже система нестійка, це не задовольняє вимогам ТЗ. Величина перерегулювання складає приблизно δ=1.5% від сталого значення амплітуди і теж не задовольняє вимогам ТЗ.
На малюнку 5.11 представлений перехідною процес досліджуваної системи сервоприводу з урахуванням нелінійності при КЗЗ=0.0024.
Малюнок 5.11 – Перехідної процес досліджуваної системи сервоприводу з урахуванням нелінійності при КЗЗ = 0.0024
На вказаному графіку видно що, що пік амплітуди рівний А=1.39°, стале значення амплітуди, рівний А=1°и час перехідного процесу tПП=0,35c, який задовольняє вимогам ТЗ. Величина перерегулювання складає приблизно δ=0.39% від сталого значення амплітуди і задовольняє вимогам ТЗ. Отже можна зробити висновок, що КЗЗ розрахований правильно, система стійка.
Побудуємо ЛАЧХ і ЛФЧХ нескоректованої системи (мал. 5.12) за допомогою команд MATLAB/Simulink, а також ЛАЧХ і ЛФЧХ скоректованої системи.
На малюнку 5.12. приведені ЛАЧХ нескоректованої системи і варіант ЛАЧХ скоректованої системи. Верхній графік відображає характеристики розімкненої нескоректованої системи (ЛАЧХ, що розташовується); нижній графік – розімкненої скоректованої системи (бажана ЛАЧХ), також на малюнку приведена фазочастотна характеристика.
Малюнок 5.12 – ЛАЧХ і ЛФЧХ замкнутої скоректованої системи
Визначимо запас стійкості розімкненої системи по амплітуді і запас стійкості по фазі. Запаси відображені на малюнку 5.13.
Малюнок 5.13 – ЛАЧХ і ЛФЧХ розімкненої скоректованої системи
Запас стійкості по амплітуді рівний 40.6 дБ, по фазі -375 град. Зв'язана частота ωЗ=202 рад/с. Запас стійкості системи достатні, щоб система залишалася стійкою при варіаціях параметрів, приводу і інших функціональних пристроїв в допустимих межах.
Побудуємо годограф Найквіста незмінної частини досліджуваної системи сервоприводу з урахуванням нелінійності в середовищі MATLAB. Результат обчислення АФЧХ приведений на малюнку 5.14.
Аналіз годографа частотної характеристики незмінної частини системи показує, що годограф перетинає речовинну вісь в крапці (60; jO). Виходячи з критерію стійкості Найквіста, можемо укласти, що замкнута досліджувана система буде стійкою, якщо точка перетину годографом речовинної осі буде ліво крапки (-1; j0), тобто коли.
На даному етапі проектування виконується перевірка відповідності показників якості управління скоректованої, досліджуваної системи сервоприводу з урахуванням нелінійності по вимогах технічного завдання (ТЗ). Якщо всі показники якості скоректованої системи задовольняють вимогам ТЗ, то знайдений алгоритм роботи системи приймається до реалізації. Якщо якийсь із показників якості управління скоректованої системи не відповідає вимогам ТЗ, то необхідно повернутися до етапу синтезу алгоритму управління і відповідним чином змінити форму бажаної ЛАЧХ розімкненої системи [13].
Оцінка якості проводиться по перехідних характеристиках замкнутої системи і по частотних характеристиках розімкненої і замкнутої системи.
Сталі помилки оцінюємо по перехідних характеристиках при t >∞. З малюнка 5.15 виходить, що εстале=0%.
Сталу швидкісну помилку оцінюємо по реалізації скоректованої системи на швидкісне задаюче дію при t >∞. З малюнка 5.15 виходить, що εшв ≈ 0,93%.
6. Економічна частина
6.1 Комплексний план теми НДР
6.1.1 Опис об'єкту
Досліджуваний виріб є електрогідроприводом (рульова машинка) з урахуванням нелінійності.
Метою науково-дослідницької роботи є дослідження впливу зон нелінійності на показники якості сервоприводу.
Результатом дослідження є визначення критичної добротності сервоприводу при заданих нелінійних ділянках. Визначення допустимої амплітуди сигналу при заданих нелінейностях, для підприємств які досліджують даний електрогідропривод.
Електрогідравлічна рульова машинка (РМ), яка представлена в розрізі на малюнку 5.1 і входить до складу універсального лабораторного стенду дослідження сервоприводов (УЛСДС), входять в комплект автомата стабілізації і призначається для повороту газоцівкового керма під впливом командного струму, що поступає з підсилювача-перетворювача.
Рульова машинка складається з наступних основних частин: корпусу, вузла управління, шестерного насоса, електродвигуна, кривошипно-шатунного механізму, запобіжних і повітряних клапанів.
Корпус. Всі механізми рульової машинки зв'язані між собою в загальному корпусі, відлитому з алюмінієвого сплаву. Частина корпусу, в якій розміщений кривошипно-шатунный механізм з поршнем, утворює робочий циліндр 1 РМ. Друга його частина, що вміщає вузол управління і насос, утворює ванну – резервуар, заповнений робочою рідиною. Два канали в нижній частині корпусу через шестерний насос пов'язують ванну з правою і лівою частиною робочого циліндра. У верхній частині робочого циліндра є два нарізні отвори, в які угвинчені штуцери повітряних клапанів 3.
На верхньому фланці корпусу через гумову прокладку 2 кріпиться шістьма болтами 7 електродвигун 10. У верхній частині ванни в отворі вмонтовується пластмасова втулка 4 з шістьма клемами, яка служить для підведення живлення на катушку збудження реле і подачі командних струмів на катушки управління.
Підведення живлення до рульової машинки здійснюється за допомогою 14 – контактної штепсельної вилки 5, закріпленої на ковпачку 6, який одночасно є кожухом, що оберігає від механічних пошкоджень втулку і що йдуть від неї до вилки дроту.
Нелінійності, є в будь-якому реальному приводі, можуть істотно впливати на його динамічні властивості, зокрема на стійкість.
Цей вплив виявляється в наступному: привод, стійкий і має достатній запас стійкості в лінійному наближенні, може виявитися не стійким або не володіючим тим запасом стійкості, який очікується. Такий вплив надають частіше за все «петлеві нелінійності (люфт, гістерезис), але при деяких положеннях в структурі приводу до цього ж ефекту можуть привести і однозначні нелінійності, наприклад навіть такі, як зона нечутливості
В приводі можуть з'явитися принципово нові типи руху, які не можуть існувати в лінійних системах і тому не можуть бути навіть якісно пояснені з позиції лінійної моделі. До таких рухів відносяться в першу чергу автоколивання. Автоколивання можуть викликати ті ж нелінійності, які викликають зменшення запасу стійкості. В одноконтурних системах – це петлеві нелінійності, в неодноконтурних – однозначні.
-
Складання переліку робіт по темі
Тема – це комплекс робіт по виконанню договору (замовлення) на розробку виробу, програмного забезпечення або НДР.
Тема НДР ділиться на стадії. Стадії діляться на етапи і роботи, що деталізуються. В практиці використовуються різні ступені деталізації. Переліки робіт формуються з використанням стандартів державних, галузевих і окремих підприємств.
Тема, що розглядається в даному дипломному проекті, є самостійною НДР прикладного характеру. Тому на неї складається свій перелік робіт. Як основа прийнятий типовий перелік стадій і етапів. Перелік робіт з вказівкою трудомісткості етапів представлений в таблиці 6.1.
6.1.3 Розрахунок трудомісткості етапів
Найважливішою групою планових показників є трудомісткості робіт.
Трудомісткість робіт – це основний розрахунковий показник НДР, залежить від змісту, складнощі, об'ємів конкретних робіт і впливає на всі інші показники – тривалості і терміни робіт, кількість виконавців і їх завантаження.















