115417 (591914), страница 4
Текст из файла (страница 4)
Ефективність процесу вивчення розділу “Елементи цифрової техніки”, усвідомленого сприйняття та засвоєння учнями теоретичних основ функціонування сучасних електронних приладів залежить від багатьох як об’єктивних так і суб’єктивних чиннників, зокрема, організаційних форм та методів проведення занять, дидактичних підходів, прийомів тощо.
Чільне місце в цьому процесі відведено лабораторному практикуму.
Залучення учнів до виконання лабораторних робіт на заняттях шкільного радіотехнічного гуртка в ході вивчення розділу “Елементи цифрової техніки”, переслідує такі основні цілі:
-
закріплення теоретичних знань з основ математичної логіки;
-
вироблення вміння застосовувати їх у практичній діяльності (синтез електронних схем на логічних елементах);
-
закріплення практичних умінь з радіотехнічного експерименту:
-
розвиток творчих конструкторських здібностей;
-
виховання культури праці.
Зміст кожної лабораторної роботи містить основні теоретичні відомості, які стосуються виконуваного експерименту, запитання для самоконтролю глибини і якості їх засвоєння. Лабораторні завдання не лише пов’язують елементи теорії з виконанням експерименту, а й являють собою основу для самоконтролю результатів, оскільки усі розрахункові вихідні дані моделюються експериментом.
ЛАБОРАТОРНА РОБОТА №1
Тема. Дослідження роботи логічних елементів
Мета роботи: ознайомитись з принципом роботи та основними характеристиками найпростіших логічних елементів.
Обладнання: монтажна плата, радіодеталі (згідно поданих схем), паяльник, монтажні проводи, авометр.
Теоретичні відомості
Сучасна цифрова інтегральна мікросхема — це мініатюрний електронний блок, що містить у своєму корпусі транзистори, діоди, резистори та інші активні і пасивні елементи,— загальне число яких може сягати декількох десятків і навіть сотень тисяч! В залежності від числа елементів, розрізняють мікросхеми малого ступеня інтеграції, мікросхеми середнього ступеня інтеграції, великі інтегральні мікросхеми і надвеликі інтегральні мікросхеми. Мікросхеми малого ступеня інтеграції можуть містити 10 — 30, а надвеликі - 100 і більше тисяч як активных так і пасивних елементів.
Досліди, експерименти, про які піде мова на лабораторному практикумі, розраховані на використання мікросхем серії К155. Мікросхеми саме цієї серії є найбільш використовуваними в радіоаматорських конструкціях: генераторах, ігрових автоматах, вимірювальних приладах тощо.
До серії К155 входять більш 80 мікросхем різного ступеня інтеграції і функціонального призначення. Основою багатьох з них служать логічні елементи — електронні блоки, що реалізують найпростіші функції алгебри логіки.
Логічних елементів, що працюють як самостійні цифрові мікросхеми малого ступеня інтеграції і як компоненти мікросхем більш високого ступеня інтеграції, можна нарахувати кілька десятків. Їх основу становлять елементи І, АБО, НЕ, І-НЕ. Елементи І, АБО, НЕ — основні, а елемент І-НЕ є комбінацією елементів І та НЕ.
Що ж являють собою ці «цеглинки» цифрової техніки, яка логіка їх дії? Відразу уточнимо: в основу роботи логічних елементів (та й цифрових мікросхем взагалі), покладено двійкову систему числення, яка базується на двох цифрах - одиниці (1) та нулі (0). Звідси й узагальнена назва розглянутих логічних елементів мікросхем та створюваних на їх базі приладів — цифрові. Ці дві цифри двійкової системи числення дозволяють записувати і «запам'ятовувати» практично будь-які числа. Наприклад, десяткове число 24, в двійковій системі числення, записується як 11000. Щоб отримати цей результат (перетворити число десяткової системи числення, в число будь-якої іншої системи) необхідно скористатись правилом ділення десяткового числа на основу тієї системи числення в яку треба перетворити дане число (тобто на 2, коли мова йде про двійкову систему числення). Остача від ділення на два може бути рівною 0 або 1. Значення остачі присвоюють молодшому розряду шуканого двійкового числа. Результат першого ділення знову ділять на два. Остачу (0 або 1) присвоюють наступному розряду двійкового числа. Подібну процедуру повторюють доти, поки результат ділення не дорівнюватиме нулю. Остача від останньої дії є значенням старшого розряду двійкового числа.
Особливо зручною дана система числення виявилася для програмування і роботи ЕОМ.
Відповідно до прийнятої системи числення електричний сигнал невеликого (чи нульового) рівня напруги, що складає десяті долі вольта, вважають логічним 0, а сигнал більш високого рівня напруги (у порівнянні з логічним 0 може сягати декількох вольт) - логічної 1. Наприклад, говорять: «на вхід елемента (чи мікросхеми) подано сигнал логічної 1». Це значить, що на вхід елемента (чи мікросхеми) подано електричний сигнал напруга якого сягає декілька вольт.
Рис. 6
Отже, рівнями (величинами електричних сигналів) на вході та виході логічних елементів, вираженими цифрами двійкової системи числення, характеризують електричний стан і роботу усіх цифрових мікросхем.
Графічне зображення логічного елемента І подано на рис.6а. Його умовним графічним символом є знак “&” (так в англ. мові позначають сполучник “і”), який ставлять усередині прямокутника. Ліворуч — два (може бути і більше) логічних входи – Х1 та Х2, праворуч — вихід Y. Логіка дії елемента така: сигнал логічної 1, з'явиться на виході лише тоді, коли сигнали такого ж рівня будуть подані на всі його входи.
Зрозуміти цей процес допоможе електричний аналог елемента (рис. 6в), зібраний з послідовно з'єднаних джерела живлення GВ1, вимикачів SВ1, SВ2 та лампи розжарення НL1. Вимикачі імітують наявність (присутність) електричного сигналу на вході аналога, а лампа - індикує рівень сигналу на виході. Розімкнутий стан контактів вимикачів відповідає сигналу логічного О, замкнутий - логічної 1. Доки контакти вимикачів не замкнуті (на обох входах логічний 0), електричне коло аналога розімкнуте, лампа не світиться. Неважко здогадатись: лампа засвітиться лише тоді, коли контакти кнопок SВ1 та SВ2 будуть замкнутими. У цьому і полягає логічний зв'язок між вхідними і вихідними сигналами елемента.
Про стан і логічний зв'язок між вхідними та вихідними сигналами в елементі І свідчить так звана таблиця істинності (рис. 6б.).
Рис. 7
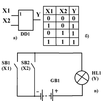
Умовним символом наступного логічного елемента - АБО є цифра 1, розміщена усередині прямокутника (рис.7а.).
Даний елемент, як і попередній, може мати два і більше входи. Сигнал логічної 1 на виході Y, появиться лише при подачі такого ж сигналу на вхід Х1, або на вхід Х2, або ж одночасно на обидва входи. Щоб переконатися в такій логіці дії елемента АБО, слід провести дослід з його електричним аналогом (рис. 7в.). Лампа НL1 засвічуватиметься тоді, коли будуть замкнуті контакти кнопки SВ1, або SВ2.
На основі цих спостережень можна побудувати таблицю істинності для логічного елемента АБО (рис. 7б.)
Рис. 8
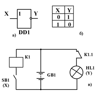
Умовним символом логічного елемента НЕ є також цифра 1 розміщена у лівому верхньому куті прямокутника (рис.8а). Але в нього, на відміну від попередніх, лише один вхід і стільки ж виходів. Невеликий кружечок, яким починається лінія зв'язку вихідного сигналу, символізує логічне заперечення «не» на виході елемента. Мовою цифрової техніки «не» означає, що даний елемент є інвертором - електронним пристроєм, вихідний сигнал якого протилежний вхідному. Інакше кажучи, поки на його вході діє сигнал логічного О, на виході присутній сигнал логічної 1 і, навпаки.
Електричний аналог елемента НЕ можна зібрати за схемою, поданою на рис. 8в. Електромагнітне реле К1, повинно мати групу нормально замкнутих контактів. Поки контакти кнопки SВ1 розімкнуті, обмотка реле знеструмлена і його контакти залишаються замкнутими; лампа НL1 – світить. При замиканні контактів SB1 (імітація появи вхідного сигналу), реле спрацьовує. Його контакти, розмикають коло живлення лампи. Погасла лампа символізує появу логічного 0 на виході Y.
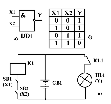
Здебільшого, логічні елементи являють собою комбінацію схем І, АБО, НЕ. Так, наприклад, логічний елемент І-НЕ є комбінацією елементів І та НЕ. На його графічному зображенні (рис.8.1а) є знак «&», а на лінії вихідного сигналу - невеликий кружечок, що символізує логічне заперечення. Ці елементи, в основному, мають один вихід та два (може бути й більше) входів.
Рис. 8.1
Зрозуміти принцип дії такого логічного елемента допоможе його електричний аналог (рис. 8.1в.).
Послідовно з обмоткою реле включено два вимикачі SВ1 та SВ2, контакти яких імітують стан вхідних сигналів.
Коли контакти кнопок розімкнуті (лампа світиться), то на виході присутній сигнал логічної 1. Замкніть контакти одного з вимикачів у вхідному колі. Як на це зреагує індикаторна лампа? Вона продовжує світитись.
А якщо замкнути контакти обох вимикачів? У цьому випадку електричне коло, утворене батареєю живлення, обмоткою реле та контактами вимикачів буде замкнутим, реле спрацює, і своїми контактами розімкне коло живлення лампи. Таким чином, при наявності логічної 1 на обох входах, на виході буде сигнал логічного 0.
Логічний елемент І-НЕ має ще одну істотну властивість:
якщо його входи з'єднати разом і подати на них сигнал логічної 1, на виході елемента буде сигнал логічного 0. І навпаки, при подачі на об'єднаний вхід сигналу логічного О на виході елемента буде сигнал логічної 1. У цьому випадку елемент І-НЕ стає інвертором, тобто виконує функцію логічного елемента НЕ.
Промислові інтегральні мікросхеми того чи іншого призначення будують, в основному, на базі логічних елементів І-НЕ або АБО-НЕ. На основі таких елементів можна будувати схеми, які реалізують практично будь-які логічні функції.
Завдання
-
На макетній платі змонтуйте електронну схему подану на рис.9.
Виводи 7 та 14 мікросхеми підключіть відповідно до мінусової та плюсової шини джерела живлення.
-
Переконавшись в правильності монтажу та надійності з’єднань, подайте на схему живлення.
-
Виміряйте напругу на першому, другому та третьому виводах мікросхеми. Запишіть результати вимірювань.
-
Від’єднайте резистори R1 та R2 від виводів мікросхеми; виміряйте напругу на її входах та виході. Запишіть результати вимірювань.
-
До входів 1 і 2 мікросхеми знову під’єднайте резистори і, почергово вмикаючи та розмикаючи вимикачі SA1, SA2, виміряйте величину напруги на виводах мікросхеми. Запишіть результати вимірювань.
Рис. 9
Контрольні запитання
-
Чому в обчислювальній техніці застосовують двійкову систему числення?
-
Які існують логічні схеми?
-
В чому полягає відмінність логічних схем І, АБО, НЕ одна від одної? Поясніть їх принцип роботи.
-
Охарактеризуйте особливості роботи логічних елементів мікросхеми К155ЛА3.
Література
-
Паскалев Ж. Первые шаги в вычислительной технике. – М.: Радио и связь, 1987.
-
Партин А.С., Борисов В.Г. Введение в цифровую технику. – М.: Радио и связь, 1987.
-
Гайдучок Г.М., Ткачук Р.З. Юному радіоаматору. – К.: Радянська школа, 1980.
ЛАБОРАТОРНА РОБОТА №2
Тема. Дослідження роботи RS-тригера















