115417 (591914), страница 3
Текст из файла (страница 3)
Розрізняють три основні форми організації позакласної роботи: масову, групову та індивідуальну.
До масової форми відносять такі заходи, які охоплюють значну кількість учнів. Це, насамперед, виставки, лекції і доповіді, виробничі екскурсії, тематичні вечори та ін.
Найхарактернішою ознакою групової форми організації позакласної роботи є гурток – добровільне об’єднання учнів, які проявляють підвищений інтерес до певного виду науково-практичної діяльності. Основу роботи такого об’єднання складає колективне вивчення питань проектування та конструювання технічних об’єктів, експериментування, раціоналізаторська діяльність. Гурток може бути поділеним на підгрупи (бригади), в яких учні працюють над вирішенням споріднених завдань. В окремих випадках виникає потреба самостійної роботи учнів (підготовка доповіді, реферату). Це і є індивідуальна форма організації позакласної роботи.
Безперечно, такий поділ форм організації позакласної роботи є дещо умовним, оскільки на практиці всі вони перебувають в тісному взаємозв’язку, взаємодоповнюють, підсилюють та збагачують цілісний процес навчально-виховної роботи школи.
Характеристика діяльності основних видів технічних гуртків.
Загальнотехнічні гуртки. Основним видом трудової діяльності учнів є виготовлення широкого спектру саморобок (починаючи від іграшок та нескладних моделей-прототипів технічних об’єктів до виробів чисто практичного призначення – совки, дитячі стільчики тощо). Об’єм теоретичних знань, отримуваний гуртківцями, здебільшого, обмежений відомостями необхідними для виконання практичних робіт. Основним конструкційним матеріалом, з яким доводиться працювати гуртківцям є деревина, листовий матеріал, дріт. Школярі виконують столярні та слюсарні роботи, користуючись ручними інструментами.
Гуртки технічного моделювання. Діяльність учнів в цих гуртках зводиться до побудови моделей відповідних технічних об’єктів (літаків, машин, кораблів), починаючи з виготовлення елементарних моделей згідно інструкції. Тут гуртківці отримуюють початкові уявлення про відповідні галузі техніки, фізичні основи роботи технічних пристроїв, конструкційні матеріали. Школярі набувають практичних умінь у виконанні розрахунково графічних, монтажно-налагоджувальних, регулювальних, оздоблювальних робіт, у вирішенні конструкторсько-технологічнмх завдань.
Конструкторсько-спеціалізовані гуртки (електро-, радіотехнічні, промислової автоматики). На заняттях, гуртківці отримують початкові знання з електроніки, радіотехніки, поглиблюють знання фізичних та технічних основ радіозв’язку, отримані під час вивчення шкільного курсу фізики, набувають певних практичних умінь розрахунку та монтажу електричних кіл, складання електро- і радіосхем, обробки конструкційних матеріалів. Гуртки по створенню діючих технічних пристроїв. Об’єм набутих тут старшокласниками теоретичних знань та практичних умінь сприяє успішному виконанню робіт, повязаних з побудовою функціонально діючих технічних об’єктів. Тому поряд з проектними, розрахунково-графічними та іншими видами конструкторських робіт, великої питомої ваги набувають технологічні, монтажно - складальні, налагоджувальні операції, експлуатаційні випробування. Учні знайомляться з основами дизайну в технічному конструюванні, вимогами ергономіки до технічних об’єктів та ін.
Навчально-технічні гуртки. Трудова дільність гуртківців спрямована на проектування технічних пристроїв які сприяють підвищенню ефективності та якості навчання – це, насамперед, тренажери, контролюючі прилади, екзаменатори та ін. Школярі набувають певних раціоналізаторських знань та умінь, досвіду удосконалення навчальних посібників.
Гуртки виробничих професій (слюсарів, токарів, фрезеровщиків). Основним видом діяльності гуртківців є вивчення виробничої техніки, оволодіння новаторськими прийомами обробки матеріалів, впровадження наукової організації праці на робочих місцях. Гуртківці детальнo ознайомлюються з широким колом вимірного та різального інструменту, особливостями конструкційних матеріалів, основами машинознавства, теорією різання матеріалів; набувають відповідних умінь та навичок, вчаться творчо їх використовувати,
Гуртки художньо-технічного конструювання. Для цих гуртків характерна єдність технічного і естетичного компоненту творчої діяльності учнів. Поряд з вивченням основ дизайну школярі набувають знань про властивості матеріалів, способи їх обробки та оздоблення.
Безумовно, наведена класифікація не претендує на повне охоплення всіх видів існуючих технічних гуртків. Однак, вона відображає основні напрямки у розвитку технічної творчості школярів, визначає зміст роботи окремих гуртків, сприяє максимальному узгодженню змісту цієї роботи з шкільною програмою трудового навчання.
У системі позакласних занять, в області техніки, значне місце відводиться масовим заходам, як ефективній формі впливу на широку аудиторію учнів з метою розвитку у них пізнавального інтересу до техніки, технічної творчості. Традиційними вже стали доповіді, повідомлення, вечори, зустрічі, на яких обговорюються питання використання техніки в умовах сьогодення, необхідність її розвитку та вдосконалення виробничих процесів; проблеми екології, відновлювальних та невідновлювальних джерел енергії тощо. Всі ці заходи, здебільшого, супроводжуються демонстрацією (виставкою) учнівських робіт з технічного конструювання, екскурсіями на виробничі підприємства.
Все це сприяє активному залученню широкого кола учнів до творчої технічної діяльності.
Можливість широкого вибору форм позакласної роботи з техніки дозволяє у різних умовах і різними засобами вирішувати багатоцільові та багатоаспектні навчально-виховні завдання.
Таким чином творчу технічну діяльність учнів слід розглядати не як самоціль, а як один із способів підвищення ефективності навчально-виховного процесу школи.
Головна роль в організації та проведенні позакласної роботи з техніки належить учителю трудового навчання. Успіх, у цій ділянці навчально-виховного процесу школи, великою мірою залежить від рівня його фахової підготовки, організаторських здібностей, вміння захопити учнів, дохідливо пояснити суть проблеми, навчити працювати з літературою, допомогти кожному визначити головний напрям роботи та ін
Розглянуті методичні прийоми і форми організації позакласної роботи, у своїй сукупності, сприяють активному залученню школярів до різних видів технічної творчості, створюють добрі передумови для надання їй суспільної значимості та виробничої скерованості.
Розділ 2. ОКРЕМІ АСПЕКТИ ОРГАНІЗАЦІЇ РОБОТИ ШКІЛЬНОГО РАДІОТЕХНІЧНОГО ГУРТКА
-
Місце розділу «Елементи цифрової техніки» в програмі радіотехнічного гуртка, та методичні рекомендації щодо його вивчення
З огляду на те, що цифрова обробка інформації практично вже стала основною складовою роботи пристроїв не лише електронної автоматики, але й усієї радіоелектронної апаратури, ця тема набуває особливого значення. Ознайомлення з основами роботи цифрових електронних пристроїв, з фізичною суттю процесів, що проходять при цьому, слід проводити в школі на уроках математики, фізики, інформатики, трудового навчання. Особливої уваги, в реалізації цього завдання, заслуговують шкільні технічні гуртки і, насамперед, гуртки радіоелектронного напрямку. Саме тут, на наш погляд, найбільш невимушено (нагадаємо, що гурток є добровільним об’єднанням учнів за інтересами) проходитиме засвоєння азів роботи цифрової техніки, набуття практичних умінь з конструювання цифрових електронних блоків.
Аналіз існуюючих програм технічних гуртків радіоелектронного напрямку показує, що усі вони, без винятку, передбачають вивчення вказаного розділу. Кількість годин – залежить, насамперед, від специфіки гуртка і становить 8-40% від загальної кількості. При цьому, співввідношення годин, відведених на теоретичні та практичні заняття становить 1 до 2. Це свідчить про відносну складність теми та неможливість її опанування без знання теоретичних основ функціонування цифрової техніки. Тому програми передбачають, насамперед, ознайомлення учнів з основами математичної логіки, двійковою системою числення, різновидами логічних операцій та їх технічною реалізацією, принципом роботи логічних елементів І, АБО, НЕ, їх електричними і часовими параметрами, навантажувальною здатністю тощо.
Рис. 1. Логічні елементи на комутаційних пристроях:
а, б – таблиця істинності елемента І; елемент І;
в, г – таблиця істинності елемента АБО; елемент АБО;
д, е – таблиця істинності елемента НЕ; елемент НЕ.
В процесі вивчення розділу, особливу увагу слід приділити логіці обробки інформації функціональними вузлами, практиці отримання синтезу електронних схем на основі законів алгебри логіки, набутті практичних умінь роботи з інтегральними схемами.
Наявність великого числа функціональних вузлів цифрової техніки, необхідність послідовного та глибокого вивчення принципу їх роботи вимагає від керівника гуртка не лише ретельного планування, а й визначення найбільш доцільних форм та метотів проведення гурткових занять.
Підвищити ефективність навчального процесу, надати йому більшої динамічності та колоритності можна за умови добре продуманої та організованої дослідно-експериментальної роботи гуртківців. Пояснення логічних операцій доцільно супроводжувати їх моделюванням на основі коммутаційних пристроїв (кнопок та вимикачів), ввімкнених у найпростіше электричне коло (рис.1).
Це необхідно, насамперед, для того, щоб учні краще зрозуміли зв'язок між математичним описом логічної послідовності і його електричним еквівалентом, засвоєли принцип побудови таблиці істинності.
В аналогічній послідовності слід будувати процес вивчення законів алгебри логіки. Тут доцільно подати спрощений алгоритм синтезу однотактних автоматів, вказати на потребу мінімізації їх структурної формули. Практичну частину заняття слід присвятити синтезу схем найпростіших автоматів та їх реалізації на комутаційних пристроях.
В ході вивчення елементів цифрової техніки, доцільно ознайомити гуртківців з історією виникнення цифрової електроніки, перспективах розвитку елементів цифрової електроніки, основних факторах, що стимулюють цей розвиток.
При вивченні кожної підгрупи цифрових ІС необхідно, після пояснення теоретичного матеріалу, проводити лабораторну роботу, спрямовану на закріплення отриманих знань та фронтальну практичну роботу з застосуванням ІС досліджуваних функціональних підгруп та видів.
При проведенні лабораторних та практичних робіт доцільно використовувати спеціальні модулі, призначені для імітації логічних рівнів вхідних сигналів та забезпечення візуального контролю за станом виходів цифрових ІС.
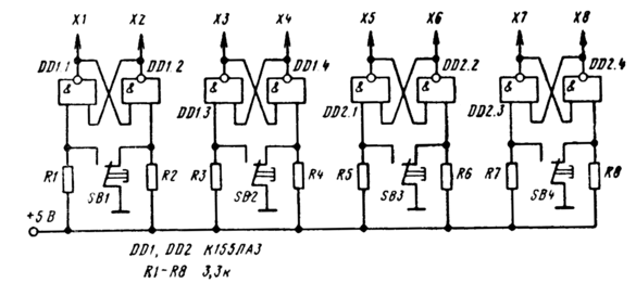
Модуль СЛР – статических логічних рівнів (рис.2), у початковому стані, має рівні логічного 0 на виходах XI, ХЗ, Х5, Х7 та рівні логічної 1 на виходах Х2, Х4, Х6, Х8. При замиканні контактів кнопок SВ1—SВ4 стани виходів змінюються на протилежні. При їх розмиканні - на виходах ХІ-Х8 відновлюються вихідні стани. У модулі використано малогабаритні кнопки типу КМТ-1.
Рис. 2
Рис. 3
Модуль ГОІ – генератор одиничного імпульсу (рис.3) – виробляє одиночний імпульс позитивної (вихід XI) або негативної (вихід Х2) полярності при одноразовому замиканні контактів кнопки SВ1. Про проходження імпульсу з виходу генератора сигналізує спалах світлодіода НL1. У модулі використано малогабаритну кнопку типу КМ-1 та світлодіод видимого спектру випромінювання.
Рис. 4
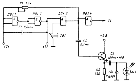
Модуль ГІ – генератор імпульсів (рис.4) – при замиканні контактів кнопки SB1 генерує електричні сигнали прямокутної форми. Частоту сигналу можна змінювати, у певних межах, резистором R1. Діапазон регулювання частоти можна також змінити, підключивши до клем ХТ1, ХТ2 додатковий конденсатор. При номіналах елементів, зазначених на схемі, частоту генератора можна змінювати в діапазоні 0,1 - 1Мгц. Індикація світлодіода НL1 свідчить про наявність імпульсів на виході генератора. У модулі використано малогабаритну кнопку типу КМТ-1 та світлодіод видимого спектру випромінювання.
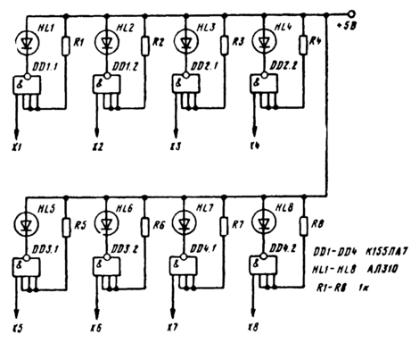
Модуль І – індикації (рис.5) – призначений для забезпечення візуального контролю за станом входів та виходів цифрових ІС. Робота індикаторів НL1-НL8 свідчить про подачу на відповідні входи модуля рівнів логічної 1. У модулі використано світлодіоди видимого спектру випромінювання.
Зауважимо, що подані схеми модулів сумісні з цифровими інтегральними схемами ТТЛ (мікросхеми цієї серії виготовлені за, так званою, біполярною технологією; вони містять елементи, подібні на окремо виготовлені (дискретні) біполярні транзистори, діоди і резистори, причому діоди виготовляють на основі транзисторів – звідси й назва ТТЛ – транзисторно-транзисторна логіка). Аналогічні модулі доцільно виготовити і для роботи з ІС КМОН (ці мікросхеми будують за так званою МОН-технологією – метал-оксид-напівпровідник).
Рис. 5
Підвищений інтерес до цієї серії мікросхем викликаний у зв'язку з їх малою споживаною потужністю, що дозволяє виготовляти конструкції з автономним джерелом живлення.
В процесі вивчення розділу “Елементи цифрової техніки”, окрім виконання лабораторних робіт, програмою радіотехнічних гуртків передбачено практичне конструювання нескладних електронних блоків, що містять цифрові інтегральні схеми. Це сприятиме кращому засвоєнню теоретичного матеріалу, виробленню практичних умінь роботи з цифровими мікросхемами, розширенню загального політехнічного світогляду школярів.
2.2 Розробка лабораторних робіт до розділу «Елементи цифрової техніки»















