95116 (590168), страница 5
Текст из файла (страница 5)
Блок живлення розміщений на горизонтальній панелі шасі.
Друковані плати індикації закріплені на вертикальній передній панелі шасі.
Інші друковані плати генератора розташовані горизонтально усередині шасі.
На передній панелі розміщені органи керування й індикації:
1) кнопка МЕРЕЖА, призначена для комутації мережного ланцюга генератора з живильною мережею;
2) перемикач ХВИЛЕВІД, що складається з трьох кнопок „1”,”2”, „3”, призначений для комутації ланцюга напруги, подаваного на перетворювач, з відповідним хвилеводом;
3) перемикач АМПЛІТУДА, що складається з двох кнопок „2” і „5”, призначений для комутації ланцюга напруги, подаваного на ультразвуковий випромінювач;
4) індикатор ЧАСТОТА кГц, що складається з двох цифрових індикаторів, що забезпечують світлову індикацію частоти ультразвукової вібрації на хвилеводі;
5) індикатор, що забезпечує світлову цифрову індикацію положення кнопок перемикача ХВИЛЕВІД;
6) індикатор амплітуди вібрації МКМ, що забезпечує світлову цифрову індикацію положення кнопок перемикача АМПЛІТУДА;
7) індикатор, що складається з трьох цифрових індикаторів, що забезпечують світлову індикацію установки, скидання й обліку часу процедури в хвилинах і секундах;
8) перемикач ЧАС, що складається з двох кнопок СКИДАННЯ й ВСТАН., призначений для комутації ланцюга скидання часу процедури й установки часу процедури;
9) кнопка ПРОЦЕДУРА, призначена для комутації ланцюга включення і вимикання амплітуди механічних коливань, а також для вимикання звукової сигналізації.
Перетворювачі ИУТ-22 і ИУТ-44 на 22 і 44 кГц виконані циліндричної форми і складаються з: джгута, кришки, пружини, підвісу, перетворювача, роз’єму, що служить для приєднання до генератора.
Змінні хвилеводи мають веретеноподібну форму, приєднання їх до перетворювача здійснюється за допомогою різьбового з’єднання, на кінці хвилеводу міститься наконечник, що виконаний з урахуванням анатомічної будови органів людини, що озвучуються.
2.4 Розрахунок електронного блока
Блок живлення повинен підключатися до промислової мережі ~Uвх=220В, f=50Гц. Вихідні параметри:
Uвих1=+10В,Uвих2=50В, Рвих1= І∙U=10·2=20Вт; Рвих2=1∙50=50Вт.
Складемо схему блока живлення (рис.2.4.1), яка складається з силового трансформатора, трьох мостових двонапівперіодних випрямлячах на напівпровідникових діодах, трьох RC фільтрів для згладжування пульсацій і схем стабілізації, які виконані як транзисторні компенсаційні стабілізатори напруги, які повинні працювати з коефіцієнтом стабілізації Кст=30 при струмі навантаження до 50мА.
Рис.2.4.1.
Розрахунок силового трансформатора.
1. Потужність, яка знімається з двох вторинних обмоток трансформатора
РІІ=Рвих1+Рвих2 =20+50=70Вт.
2. Прийняв ККД трансформатора ηтр=0,85, отримаємо потужність, яка споживається від електромережі [7]:
РІІ’=
=82,4Вт.
3. Площа поперечного перерізу осердя:
Q0=1,1
=10см2.
Коефіцієнт перед радикалом взятий 1,1 з врахуванням того, що використовується трансформаторна сталь середньої якості.
Вибираємо для зборки осердя стрічковий кільцевий магнітопровід типу ОЛ.
Для площі Q0=10см2 підходить кільце ОЛ40/64-40, для якого
Q0’=11 см2
Як бачимо 11см2>10см2, відповідно магнітопровід вибраний правильно.
4. Число витків на один вольт
N1=
6.
5. Число витків первинної обмотки:
n1=N1∙U1=6∙220=1320.
6. Число витків вторинних обмоток:
n2’= 1.25∙N1∙UH=1,25·6·10=75, n2’’=1.25∙N1∙UH=1,25∙6∙50=375.
7. Струм, який протікає по первинній обмотці:
ІІ=
0,37А.
8. Діаметр проводу первинної обмотки:
d1=0,8∙
=0,5мм.
9. Діаметри проводів вторинних обмоток:
d2’=0.8
=0,8мм, d2’’ = 0.8
=1,1мм
10. Перевіряємо можливість розміщення розрахованих обмоток у вікні осердя. Із таб.20 [7] знаходимо число витків, що припадає на 1см2 рядової обмотки діаметром 0,5мм (первинна обмотка). Якщо провід з емалевою ізоляцією марки ПЕ, то це число рівне 308. При загальному числі витків 1320 площа, яку займе первинна обмотка:
1320: 308= 4,3см2.
Площа, яка зайнята вторинними обмотками: для проводу 0,8 з емалевою ізоляцією марки ПЕ, число витків, що припадає на 1см2 відповідно до таб.20 [7] 128, для проводу 1,1см2 з емалевою ізоляцією марки ПЕ, число витків, що припадає на 1см2 відповідно до таб.20 [7] 69.
Тоді
75: 128=0,6см2.
375: 69=5,4см2
Загальна площа всіх обмоток:
4,3+0,6+5,4=10,3см2
Приймаючи коефіцієнт заповнення 0,7, отримаємо загальну площу реальних обмоток:
Qобм=
=14,7см2.
Приймаємо осердя кільцеве типу ОЛ.
Площа вікна у вибраного осердя:
Qв=
=15см2.
Очевидно, що розраховані обмотки розмістяться у вікні вибраного осердя.
Розрахунок трьох випрямлячів.
Випрямляч складається з трансформатора Тр1, який змінює напругу в розгляненій схемі з 220В 50Гц до 22В 50Гц; вентилів, які випрямляють змінну напругу і згладжуючого фільтра. Вентиль являє собою нелінійний елемент, опір якого в прямому напрямку у сотні-тисяч разів менше, ніж у зворотному. В якості вентилів будемо використовувати напівпровідникові діоди.
Основні параметри випрямлячів - напруга та частота живлячої мережі та їх відхилення від номінальних, повна потужність, яка споживається від живлячої мережі при номінальному навантаженні, номінальний струм навантаження та його можливі відхилення від номінального, номінальна вхідна напруга, коефіцієнт пульсації вихідної напруги.
Коефіцієнт пульсації вихідної напруги Кп0, %, являє собою відношення подвійної амплітуди пульсацій 2Um до номінальної вхідної напруги U0:
Кп0=
.
Подвійна амплітуда пульсацій вимірюється як сума позитивної та від’ємної напівхвилі змінної складової вихідної напруги.
З трьох схем, які частіше всього використовуються у випрямлячах для пісилюючо-перетворюючих пристроїв приладів: однонапівперіодна (однофазна), двонапівперіодна (двофазна) та однофазна мостова схема вибираємо останню, яка характеризується хорошим використанням потужності трансформатора. Зворотна напруга на вентилях при такій схемі у два рази менша, ніж при одно - і двонапівперіодній схемах випрямлення. Напруга на вторинній обмотці трансформатора при мостовій схемі приблизно у два рази менша, ніж при двонапівперіодній із середнім виводом обмотки, частота пульсацій така ж, тобто у два рази більша частоти живлячої мережі 502=100Гц (мал.2.4.2).
Рис.2.4.2.
Однофазна мостова схема (рис.2.4.2) містить трансформатор Тр та чотири вентилі, зібрані за схемою моста. Живляча напруга вторинної обмотки трансформатора включена в одну з діагоналей моста, а в іншу включений опір навантаження. Додатнім полюсом навантаження являється загальна точка з’єднання катодів вентилів, від’ємним - точка з’єднання анодів.
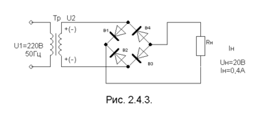
Форма кривої напруги вторинної обмотки трансформатора показана на рис.2.4.3.
Рис.2.4.3 Лінійні діаграми мостового випрямляча.
При додатній напівхвилі синусоїди напруги U2 струм протікає через вентиль В1, опір навантаження Rн і вентиль В3 у напрямку, показаному суцільними стрілками. Вентилі В2 і В4 у цей момент струм не пропускають і знаходяться під зворотною напругою, тобто вони закриті. У другий напівперіод, коли потенціал верхнього кінця обмотки стає від’ємним, а потенціал нижнього - додатнім, струм протікає через вентиль В2, опір навантаження Rн і вентиль В4 у напрямку вказаному пунктирними стрілками.
Вентилі В1 і В3 у цей напівперіод струму не пропускають. З діаграми бачимо і на схемі (рис.2.4.2), що напрям струмів, які протікають крізь навантаження протягом обох напівперіодів, співпадають.
Струм вторинної обмотки трансформатора протікає протягом усього періоду, причому напрям його змінюється кожний напівперіод (рис.2.4.3 І21, І22). Відповідно, у вторинній обмотці протікає змінний синусоїдний струм (при активному навантаженні), забезпечуючи хороше використання трансформатора в схемі.
Співвідношення між параметрами навантаження і вентиля наступні:
1. Фазова ЕРС у вторинній обмотці трансформатора:
U2=
=11,1B.
2. Максимальне значення зворотної напруги:
Uзвор. макс=1,57∙Uн=1,57∙10=15,7В.
3. Середнє значення струму через вентиль:
Іа=0,5∙Ін=0,5∙1=0,5А.
4. Максимальне значення струму через вентиль:
Іа макс=1,57∙Ін=1,57∙1=1,57А.
5. Значення струму, який протікає у вторинній обмотці трансформатора:
І2=1,11∙Ін=1,11∙1=1,11А.
6. Значення струму, який протікає в первинній обмотці трансформатора:
І1=
=0,06А,
де КТ=
20.
7. По розрахованим параметрам згідно табл. IV-4 [5] вибираємо для мостової схеми кремнієві діоди типу КД202Д з наступними параметрами:
найбільше значення зворотної напруги Uзвор. макс=200В;
середнє значення випрямленого струму без радіатора 1,0А;
падіння напруги в прямому напрямку при максимальному значенні випрямленого струму 1В.
Для другого випрямляча розрахунок аналогічний. Вибираємо діоди типу КД202Д.
Розрахунок згладжуючих фільтрів.
Так як після фільтру стоїть стабілізатор і струм на виході фільтра часто не перевищує 30мА, то приймаємо коефіцієнт пульсації на виході фільтрів Кп. доп=0,01=1%, а вид фільтру (рис.2.4.4).
Рис.2.4.4.
Параметри фільтру визначаємо із співвідношення:
RC=1,5∙105q/мf,
де q - коефіцієнт згладжування
q=
,
де Кпо і Кп1 - коефіцієнти пульсацій на вході і виході фільтра відповідно.
q=
.
У противному випадку можуть виникнути резонансні явища.
м - число фаз випрямляча, м=1.
f - частота живлячої мережі, f=50Гц.
Задаючи Rф1=6,2кОм, отримаємо Сф1:
Сф1=
=940мкФ.
Для другого фільтра
Rф2=6,2кОм.
Сф2=
=940мкФ.
Приймаємо для Сф два конденсатори електролітичних по 470мкФ і включаємо їх паралельно.
Вибір стабілізаторів напруги.
Основним параметром стабілізаторів напруги являється коефіцієнт стабілізації напруги - величина, яка показує у скільки разів відносна зміна напруги на вході менше, ніж на вході:
















