95116 (590168), страница 3
Текст из файла (страница 3)
Ηпідс= Рнагр/ ΣР (6)
Частотна і фазова характеристики.
Форма складного гармонійного сигналу на виході лінійного чотириполюсника відрізняється від форми сигналу на його вході, якщо
1) гармонійні складового вхідного сигналу змінюються (підсилюються або послабляються) чотириполюсником неоднаково. Зміни форми сигналу, викликані цією причиною, називають частотними перекручуваннями;
2) внесені чотириполюсником фазові зрушення змінюють взаємне розташування гармонійних складових у вихідному сигналі. Викликувані цим зміни форми вихідного сигналу називають фазовими перекручуваннями.
Тому що частотні і фазові перекручування можуть виникати в лінійному електричному ланцюзі, що не містить нелінійних елементів, них називають лінійними перекручуваннями.
Представивши вихідну напругу підсилювача на частоті ω як вектор, зрушений на кут φω стосовно вектора вхідної напруги Uвх, на підставі (1) одержимо
К=
(7)
відкіля видно, що коефіцієнт підсилення на будь-якій частоті також є вектором, який характеризується модулем Кω=Uвих. ω/Uвх і фазовим кутом φω, який являє собою кут зрушення фази між вихідною і вхідною напругами підсилювача
Якщо відкласти вектор коефіцієнта підсилення підсилювача Кω у площині комплексних чисел або полярній системі координат, то при зміні частоти сигналу ω від 0 до ∞ кінець вектора опише криву, називану частно-фазовой характеристикою підсилювача або його годографом коефіцієнта підсилення (рис 1.2). Частотнофазова характеристика містить повну інформацію як про залежності величини коефіцієнта підсилення від частоти, так і про зміну з частотою внесеного підсилювачем кута зрушення фази, характеристики такого типу (годографи) зручні для аналізу стійкості підсилювачів з негативним зворотним зв'язком і визначення деяких їхніх показників. Для судження про внесений підсилювачем лінійних викривлень частотнофазову характеристику не використовують тому що для цієї мети вона недостатньо наочна.
Рис.1.2 Частотнофазова характеристика підсилювача.
Рис.1.3 Частотна характеристика підсилювача
Оцінку внесених підсилювачем частотних спотворень роблять по його частотній характеристиці (називаною також амплітудно-частотною характеристикою), що представляє собою графік залежності модуля коефіцієнта підсилення До від частоти (мал.1.3), де по вертикальній осі відкладають К в лінійному або логарифмічному масштабі (або вихідна напруга Uвих, що відповідає незмінному значенню вхідної напруги Uвх) і по горизонтальній осі - частоту f у герцах (або кутову частоту ω=2πf) у логарифмічному масштабі. Необхідність застосування логарифмічного масштабу на осі частот диктується широким діапазоном робочих частот сучасних підсилювачів.
Діапазоном робочих частот підсилювача гармонійних сигналів називають смугу частот від нижчої робочої частоти fн до вищої робочої частоти fв, у межах якої абсолютна величина (модуль) коефіцієнта підсилення, а іноді і його фаза не повинні виходити за межі заданих допусків.
Діапазон робочих частот, а отже, і частоти fн і fв визначаються призначенням підсилювача; їх вибирають у відповідності зі спектральним складом посилюваних сигналів.
Амплітудна характеристика і динамічний діапазон.
Амплітудною характеристикою підсилювача називають залежність амплітуди (або діючого значення) напруги сигналу на виході, від амплітуди (або діючого значення) напруги сигналу на вході. Тому що коефіцієнт підсилення ідеального підсилювача надає собою постійну величину, що не залежить від величини вхідного сигналу, його амплітудна характеристика являє собою пряму. минаючу через початок координат; під кутом, обумовленим посиленням підсилювача (мал.1.4, пунктир).
Рис.1.4 Амплітудна характеристика підсилювача
Амплітудна характеристика реального підсилювача (мал.1.4, суцільна лінія) не проходить через початок координат, а згинається при малих вхідних напругах, перетинаючи вертикальну вісь у точці Uш, тому що при відсутності вхідного сигналу вихідна напруга підсилювача дорівнює напрузі власних шумів у його вихідному ланцюзі Uш. При занадто великих вхідних напругах реальна амплітудна характеристика також розходиться з ідеальної, згинаючи внаслідок перевантаження нелінійних елементів, що містяться в схемі підсилювача, в основному тому, що амплітуда сигналу на останньому (вихідному) підсилювальному елементі при цьому виходить за межі робочої ділянки його характеристики.
З мал.3 видно, що реальний підсилювач може підсилювати підведені до його входу сигнали з напругою не нижче Uвхмін тоді як більш слабкі сигнали будуть маскуватися (заглушатися) напругою власних шумів підсилювача Uш, і не вище Uвхмакс тому що інакше підсилювач буде вносити дуже великі нелінійні спотворення. Відношення Uвхмакс/Uвх. мін характеризує діапазон напруг сигналу, посилюваних даним підсилювачем без надмірних перешкод і перекручувань, і називається динамічним діапазоном підсилювача:
Ду=Uвхмакс/Uвхмін; Ду (дБ) =20lgДу=20lgUвх. макс/Uвх. мін (8)
У більшості випадків напруга сигналу, підведена до входу підсилювача, не є постійною величиною, а змінюється від найбільшого значення Uсигн. макс до найменшого Uсигн. мін. Відношення найбільшої напруги до найменшого характеризує робочий діапазон напруг даного джерела сигналу і називається динамічним діапазоном сигналу:
Дс=Uсигн. макс/Uсигн. мін; Дс (дБ) =20lgДс=20lgUсигн. макс/Uсигн. мін (9)
Щоб підсилювач міг підсилювати весь діапазон напруг джерела сигналу, динамічний діапазон підсилювача повинний бути більше або дорівнює динамічному діапазонові сигналу, тобто Ду=Дс. Якщо цю вимога задовольнити не вдається, то для посилення з припустимими спотвореннями і перешкодами сигналів, що надходять на підсилювач, динамічний діапазон сигналу стискають за допомогою автоматичного регулятора посилення; іноді для цієї мети використовують ручний регулятор.
Підсилювачі потужності.
Основною задачею підсилювача потужності є забезпечення на навантаженні заданої потужності корисного сигналу. Більшість електронних підсилювачів складається з декількох каскадів попереднього посилення напруги сигналу й одного або двох каскадів посилення потужності, називаних відповідно предоконечным і кінцевим каскадами.
Підсилювачі потужності мають ряд особливостей у порівнянні з підсилювачами напруги. Зовнішніми навантаженнями кінцевих каскадів звичайно служать обмотки електродвигунів, реле, динамічних гучномовців і т.д., опору яких у більшості випадків мають порядок одиниць і десятків омів. У той же час вихідні опори транзисторів і ламп, до яких підключається зовнішнє навантаження, складають тисячі омів і більш. А тому що максимальна потужність, виділювана в навантаженні, виникає за умови рівності внутрішнього опору джерела й опору навантаження, необхідно погодити ці опори один з одним. Ця задача вирішується за допомогою погоджуючого трансформатора погодить, називаного вихідним. Первинну обмотку вихідного трансформатора включають у колекторний ланцюг транзистора або анодний ланцюг лампи, а до вторинної обмотки підключають зовнішнє навантаження підсилювача потужності. Тоді опір зовнішнього навантаження Rн, приведений до первинної обмотки трансформатора, буде мати величину R'н, обумовлену коефіцієнтом трансформації трансформатора kт.
R'н= Rн kт2= Rн (ω1/ω2) 2, (10)
де ω1 і ω2 - відповідно число витків первинної і вторинної обмоток трансформатора.
Підбором коефіцієнта трансформації можна домогтися оптимального режиму роботи підсилювача потужності. При вихідному опорі підсилювача потужності Rвих= R'н формули (10) знаходимо
kт=ω1/ω2=
(11)
Величина вихідної потужності Рвих у залежності від призначення підсилювача може складати від часток вата до десятків кіловатів і більш. Ця потужність передається навантаженню Rн підсилювача і дорівнює
Рвих=
Uвих. т/Rн (12)
де Uвих. m=IнmRн - амплітуда перемінної напруги на навантаженні Rн.
Чим більше вихідна потужність підсилювача, тим більшого практичного значення набуває його коефіцієнт корисної дії (ККД), тому що споживання енергії від джерел живлення може виявитися досить значним. Тому в підсилювачах потужності часто використовують режим класу В, що забезпечує більш високий ККД, чим режим класу А. Але в режимі класу В виникають значні нелінійні перекручування. Для їхнього зменшення служать спеціальні двотактні підсилювачі потужності, а в однотактных підсилювачах потужності приходиться застосовувати тільки режим класу А.
Як правило, двотактні схеми підсилювачів потужності на лампах застосовують при вихідній потужності понад 2-6 Вт, а на транзисторах - уже при потужності більш 50-100 мВт. Для одержання значної вихідної потужності (порядку сотень ват і вище) застосовують потужні генераторні лампи.
Однотактные підсилювачі потужності.
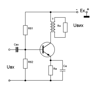
На мал.1.5 представлена схема однотактного підсилювача потужності на транзисторі.
Рис.1.5 Схема однотактного підсилювача потужності.
Конденсатори Свх є вхідними розділовими, резистори Rб1 і Rб2 утворять дільник, що створює необхідний зсув на базу транзисторів, а резистор Rе і конденсатор Се є елементами температурної стабілізації режиму роботи каскаду.
Розрахунок основних величин, що характеризують режим роботи підсилювача потужності, проводять графоаналітичним методом по вихідних характеристиках транзистора або анодних характеристик лампи. При цьому граничні експлуатаційні величини підсилювальних приладів не повинні бути перевищені. Для транзистора цими величинами є максимальна напруга колектора Uкмакс максимальний струм колектора Iкмакс і максимальна потужність, що розсіюється на колекторі транзистора, Ркмакс.
Двотактні підсилювачі потужності.
Схема двотактного підсилювача потужності на транзисторах і часових діаграмах, що пояснюють принцип його роботи, дані на мал.1.6 а і б.
Двотактний підсилювач потужності складається з двох симетричних пліч на транзисторах VI і V2 з максимально близькими параметрами і працюючими в однакових режимах. Звичайно двотактні підсилювачі потужності працюють у режимі посилення класу В, тому що при цьому їхній КПД найбільший. Напруга зсуву на бази транзисторів у режимі класу У вибирають таким чином, щоб робоча крапка знаходилася на нижньому кінці лінії навантаження й обоє транзистора при відсутності сигналу були замкнені. У схемі мал.1.6 а, це досягається підбором співвідношення опору резисторів Rб1 і Rб2.
















