63950 (589072), страница 4
Текст из файла (страница 4)
Рис. 2.2.. Функциональная схема лабораторной установки по исследованию акустоэлектрических каналов утечки информации
3. РАЗРАБОТКА НЕСТАНДАРТНОГО ОБОРУДОВАНИЯ ЛАБОРАТОРНОЙ УСТАНОВКИ
3.1 Определение электрических и акустических параметров экранированной звукопоглощающей камеры
К основным параметрам экранированной звукопоглощающей относятся степень поглощения звуковых колебаний и экранирующая способность в отношении влияния на исследуемые образцы внешних электромагнитных полей.
В качестве камеры принята металлическая камера с габаритами 90014001300 мм
В соответствии с техническим заданием она должна удовлетворять следующим условиям:
-
подавление электрических и магнитных полей 20-40 дБ;
-
подавление звукового давления 20-40 дБ;
-
максимальные габариты камеры 150015001500 мм
В качестве звукопоглощающего материала принят поролон. Выбор остановим в его пользу в силу незначительной стоимости данного вида звукопоглотителя, распространенности и доступности в продаже. Конечно, можно использовать и другие звукопоглощающие материалы с более высокой степенью поглощения, но во-первых нам не требуется такая качественная звукоизоляция для выполнения санитарных норм в лаборатории, а во-вторых стоимость качественных звукопоглотителей на порядок выше стоимости поролона. При правильной установке поглотителя внутри камеры можно добиться общего уровня звукоизоляции, удовлетворяющего техническому заданию.
Для расчета эффективности экранирования камерой электрических и магнитных полей воспользуемся ориентировочными формулами (3.1) и (3.2) [6]:
, (3.1)
, (3.2)
где ЭЭ и Эм – эффективность экранирования для электрической и магнитной составляющих электромагнитного поля;
ЭПЛ – эффективность экранирования полупространства от падающей плоской волны бесконечным экраном;
- длина волны;
R – эквивалентный радиус экрана;
, (3.3)
где a, b, c – линейные размеры экрана.
Таким образом, получаем:
. (3.4)
. (3.5)
В качестве экранирующего материала возьмем сталь толщиной 0,5 мм для которого ЭПЛ = 150 дБ на частоте 10 кГц.
Рассчитаем эффективность экранирования:
. (3.6)
. (3.7)
Как видим, камера с такими линейными размерами, выполненная из данного материала пригодна для экранирования внешних электромагнитных полей.
Реальное затухание звукового давления и электромагнитных волн оценим практическим способом.
Конструкция и размеры камеры приведены в приложении 1
3.2 Разработка структурной и функциональной схемы акустического излучателя
При разработке структурной схемы датчика акустического поля требуется выполнить следующие условия технического задания:
-
развиваемое звуковое давление на расстоянии 1 м от излучателя не менее 120 дБ (20 Па).
-
тип генерируемых колебаний:
-
шум с распределением мгновенных значений по нормальному закону с независимой регулировкой уровня в октавных полосах на средне - геометрических частотах 250, 500, 1000, 2000, 4000, 8000 Гц; диапазон регулировки ±20 дБ.
-
гармонические колебания с частотами fср.г. ±15%, где fср.г.=250, 500, 1000, 2000, 4000, 8000 Гц. С независимой регулировкой уровней по частотам в диапазоне ±20 дБ.
Как следует из задания, в качестве первичного источника акустических сигналов необходимо разработать генератор шума с нормальным распределением мгновенных значений, возможно в качестве генератора шума использовать внешние источники: кассетный магнитофон с записью шума, стандартные источники шума. В случае с гармоническими колебаниями воспользуемся обычным генератором низкой частоты (Г3-102, Г3-112, и др.).
Для независимой регулировки уровня в октавных полосах на средне - геометрических частотах 250, 500, 1000, 2000, 4000, 8000 Гц встает вопрос о разработке октавного эквалайзера.
Наконец, для того чтобы развить требуемое звуковое давление, нужно первичный сигнал усилить с помощью усилителя мощности звуковой частоты.
На выходе акустического излучателя стоит акустическая система, которая создает требуемое звуковое давление.
Таким образом, можно выделить структуру акустического излучателя, состоящую из четырех основных блоков:
-
источник первичного сигнала;
-
октавный эквалайзер;
-
усилитель мощности звуковой частоты;
-
акустическая система.
Структурная схема акустического излучателя изображена на рис. 3.1
Рис. 3.1. Структурная схема акустического излучателя.
Разработку функциональной схемы датчика акустического поля начнем с выбора акустической системы. Она должна удовлетворять следующим условиям:
-
диапазон воспроизводимых частот 100 Гц-10000 Гц;
-
развиваемое звуковое давление 20 Па;
-
экранированный точечный излучатель;
Из ряда диффузорных электродинамических громкоговорителей выбираем громкоговоритель 10ГД-36, со следующими основными параметрами:
-
диапазон воспроизводимых частот 63 Гц-20000 Гц;
-
паспортная мощность 15 Вт;
-
номинальное электрическое сопротивление 4 Ом;
-
развиваемое стандартное звуковое давление 0,2 Па;
-
габариты 200200 мм.
Под точечным понимается излучатель, линейные размеры которого не превышают 10% размеров исследуемой преграды. Данный громкоговоритель удовлетворяет этому условию. Для экранирования электрических и магнитных полей создаваемых магнитной системой громкоговорителя закроем диффузор заземленной мелкоячеистой металлической сеткой.
Звуковое давление PЗВ (Па), развиваемое громкоговорителем, жестко связано с подаваемой на него электрической мощностью W (Вт) (мощность, рассеиваемая на сопротивлении, равном по величине номинальному электрическому сопротивлению громкоговорителя, при напряжении, равном напряжению на зажимах громкоговорителя) и средним стандартным звуковым давлением PСТ (Па) (среднее звуковое давление, развиваемое громкоговорителем в номинальном диапазоне частот на рабочей оси на расстоянии 1 м от рабочего центра при подведении к нему напряжения, соответствующего электрической мощности равной 0,1 Вт) соотношением (3.8).
. (3.8)
Таким образом, чтобы получить звуковое давление 20 Па необходимо к громкоговорителю подвести электрическую мощность:
. (3.9)
Естественно, что приведенные числа являются ориентировочными, так как обусловлены определенными уровнями шума, его спектральными характеристиками, а также заданным стандартным звуковым давлением громкоговорителя. Однако они позволяют выдвинуть максимальные требования к характеристикам усилителя мощности.
Отсюда следует, что необходимо разработать усилитель с выходной мощностью не менее 10 Вт и коэффициентом усиления не менее 50 дБ. Значительный запас мощности, которым обладает усилитель, позволяет получить большой динамический диапазон громкости, что улучшает стабильность работы при номинальной мощности и обеспечивает незначительные нелинейные искажения. Максимальная выходная мощность, которая может быть передана в нагрузку, определяется максимальными значениями напряжения, действующего на выходе усилителя, и тока, протекающего через усилитель при заданной нагрузке.
Для регулировки уровня входного напряжения подаваемого на вход усилителя нужно использовать регулятор громкости.
Для независимой регулировки уровня в октавных полосах на средне - геометрических частотах 250, 500, 1000, 2000, 4000, 8000 Гц встает вопрос о разработке октавного эквалайзера, представляющего собой набор полосовых фильтров с регулировкой уровня на выходе, с последующим суммированием всех полос.
В качестве датчика шума возможно использование как внутреннего, так и внешнего источника. Внешними источниками могут являться стандартный генератор шума, магнитофонная запись с шумом и ряд других устройств.
Для простоты работы и минимизации стандартной аппаратуры необходимо разработать внутренний (встроенный) генератор шума.
При использовании внутреннего генератора шума необходимо, усилить выходной сигнал с генератора, для обеспечения нормальной работы октавного эквалайзера и достижения нужного коэффициента усиления.
Учитывая сказанное выше, функциональная схема акустического излучателя имеет вид представленный на рис. 3.2.
Рис. 3.2. Функциональная схема акустического излучателя.
3.3.Разработка принципиальной схемы акустического излучателя
-
Усилитель мощности с регулятором громкости
В настоящее время существует множество различных схем усилителей мощности звуковой частоты, как отечественного, так и зарубежного производства. При выборе схемного решения устройства будем придерживаться следующих критериев:
-
Коэффициент усиления не менее 50 дБ;
-
Выходная мощность не менее 10 Вт;
-
Сопротивление нагрузки 4 Ом;
-
Частотный диапазон от 100 Гц до 10 кГц;
-
Минимальное количество навесных элементов.
Выбор остановим на усилителе мощности низкой частоты, разработанный фирмой SGS THOMSON MICROELECTRONICS, со следующими основными показателями:
-
Коэффициент усиления 84 дБ;
-
Выходная мощность 15 Вт;
-
Сопротивление нагрузки 4 Ом;
-
Частотный диапазон от 30 Гц до 20 кГц;
-
Напряжение питания 6В - 18В.
Основным усилительным элементом выступает микросхема TDA 2030 (отечественный аналог - микросхема серии К174УН19). В качестве простейшего регулятора громкости может служить обычный переменный резистор, включенный по схеме делителя напряжения. Принципиальная схема усилителя мощности с регулятором громкости представлена на рис. 3.3.
Рис. 3.3. Принципиальная схема усилителя мощности низкой частоты с регулятором громкости.
3.3.2 Расчет октавного эквалайзера
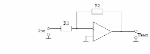
Октавный эквалайзер представляет собой набор полосовых фильтров со срединными частотами 250 Гц, 500 Гц, 1000 Гц, 2000 Гц, 4000 Гц, 8000 Гц и соответствующими октавами 177 Гц – 354 Гц, 354 Гц – 707 Гц, 707 Гц – 1410 Гц, 1410 Гц – 2830 Гц, 2830 Гц – 5660 Гц, 5660 Гц – 11300 Гц, с последующей независимой регулировкой уровня напряжения сигнала. На выходе фильтров смесь сигналов суммируется с помощью буферного усилителя, представляющего собой операционный усилитель, включенный по стандартной схеме приведенной на рис 3.4.
Рис. 3.4. Схема включения операционного усилителя, работающего в режиме усиления.
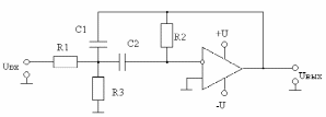
В качестве устройства, реализующего необходимые характеристики, выберем полосовой фильтр со сложной отрицательной обратной связью, который отличается простотой реализации и удовлетворяет заданным требованиям.
Соответствующая схема фильтра приведена на рис. 3.5
Рис. 3.5. Схема полосового фильтра со сложной отрицательной связью
Примем С1 = С2 = С
Его передаточная функция имеет следующий вид:
. (3.10)
Из сравнения этого выражения с передаточной функцией полосового фильтра в общем случае:
(3.11)
гдеAr – коэффициент передачи на резонансной частоте;
Q – добротность.
следует, что коэффициент при p2 должен быть равен 1, отсюда находим резонансную частоту fр
.
.
. 3.12)
Подставив это выражение для резонансной частоты в передаточную функцию (3.10), и приравняв соответствующие коэффициенты к коэффициентам выражения (3.11), получим остальные формулы для вычисления характеристик фильтра:
.
. (3.13)
.
.
.(3.14)
из которых видно, что коэффициент передачи, добротность и резонансная частота рассматриваемого полосового фильтра могут выбираться произвольно.
















