63950 (589072), страница 5
Текст из файла (страница 5)
Выражение для полосы пропускания фильтра получим из формулы:
.(3.15)
Для нахождения параметров схемы R1, R2 и R3 зафиксируем с,B,fр и возьмем Аr =-1
. (3.16)
. (3.17)
. (3.18)
Для нахождения АЧХ фильтра подставим в выражение (3.10).
и возьмем его модуль.
. (3.19)
- АЧХ фильтра
По изложенной выше методике рассчитаем параметры схемы для всех шести полос и построим АЧХ фильтров. Расчет и построение проведем с помощью профессионального приложения Mathcad 7 Professional
Данные расчетов приведены в табл. 3.1.
Таблица 3.1.
Параметры схемы полосовых фильтров
| fСРЕД (Гц) | R1 (Ом) | R2 (Ом) | R3 (Ом) | C (нФ) |
| 250 | 89,92103 | 179,80103 | 30,07103 | 10 |
| 500 | 45,09103 | 90,17103 | 14,97103 | 10 |
| 1000 | 22,64103 | 45,28103 | 7,43103 | 10 |
| 2000 | 11,21103 | 22,42103 | 3,78103 | 10 |
| 4000 | 5,62103 | 11,25103 | 1,88103 | 10 |
| 8000 | 2,82103 | 5,64103 | 0,93103 | 10 |
АЧХ фильтров приведены на рис. 3.6.а и 3.6.б
а)
б)
Рис. 3.6. АЧХ полосовых фильтров
а) для fср=250 Гц, 500 Гц, 1000 Гц;
б) для fср=2000 Гц, 4000 Гц, 8000 Гц,
гдеН0(f) – АЧХ фильтра с fСР = 250 Гц;
Н1(f) – АЧХ фильтра с fСР = 500 Гц;
Н2(f) – АЧХ фильтра с fСР = 1000 Гц;
Н3(f) – АЧХ фильтра с fСР = 2000 Гц;
Н4(f) – АЧХ фильтра с fСР = 4000 Гц;
Н5(f) – АЧХ фильтра с fСР = 8000 Гц.
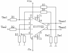
В качестве активного элемента выберем микросхему серии К157 УД2, которая представляет собой двухканальный операционный усилитель общего назначения, построенный по "стандартной" трехкаскадной схеме с защитой выхода от короткого замыкания. Типовая схема включения операционного усилителя приведена на рис. 3.7. Для обеспечения устойчивой работы ОУ в каждом каскаде необходимо подключить емкость коррекции С1, С2 величиной от 0 до 30 пФ.
Напряжение питания ОУ выбирается из диапазона питающих напряжений 3В - 18В.
Рис. 3.7. Типовая схема включения операционного усилителя К157УД2
Нумерация и назначение выводов:
1, 14 – частотная коррекция 1 канала;
2 – неинвертирующий вход 1 канала;
3 – инвертирующий вход 1 канала;
4 – отрицательный источник питания;
5 – инвертирующий вход 2 канала;
6 – неинвертирующий вход 2 канала;
7, 8 – частотная коррекция 2 канала;
9 – выход 2 канала;
10, 12 – свободный вывод;
11 – положительный источник питания;
13 – выход 1 канала.
В качестве пассивных элементов выбираем резисторы типа МЛТ 0,125, СП3-04А, конденсаторы типа К10-17а.
-
Генератор шума с предусилителем
В качестве первичного источника шума в данном дипломном проекте выбран полупроводниковый стабилитрон Д814. Основным требованием к первичному источнику шума является стабильность характеристик последнего.
Хотя генераторы на стабилитронах обладают рядом недостатков по сравнению с другими источниками шума, при малых сопротивлениях нагрузки эти недостатки пропадают и на таких генераторах становится возможным создание довольно стабильных устройств.
В качестве предусилителя воспользуемся операционным усилителем К157 УД2 построенным по схеме усиления.
Принципиальная схема генератора шума с предусилителем представлена на рис. 3.8
Рис. 3.8. Принципиальная схема генератора шума с предусилителем
-
Согласующий усилитель
Согласующий усилитель – устройство, осуществляющее переход от симметричной линии к несимметричной. Он представляет из себя дифференциальный усилитель с симметричным входом и несимметричным выходом.
Данный усилитель должен быть малошумящим, чтобы его собственные шумы не превышали уровень наведенного сигнала Uс. Коэффициент усиления желательно иметь как можно больше, но усилитель не должен самовозбуждаться. Усиленный сигнал должен значительно превышать уровень собственных шумов усилителя. В данном лабораторном стенде коэффициент усиления согласующего усилителя равен 100.
4. РАЗРАБОТКА МЕТОДИК ЛАБОРАТОРНЫХ ИССЛЕДОВАНИЙ
-
Методика проведения лабораторных работ по исследованию воздушных и вибрационных каналов утечки речевой информации
Целью лабораторных исследований является исследование частотных свойств элементов воздушных и вибрационных каналов утечки речевой информации (стены, двери, воздуховоды, окна, помещения, в котором циркулирует конфиденциальная информация) при различных значениях звукового давления, развиваемого падающей на исследуемый элемент волной акустического колебания. Определение степени защищенности исследуемых каналов по энергетическому критерию и критерию словесной разборчивости речи.
В процессе проведения этих работ студенты должны определить степень защищенности каналов и предложить необходимые меры по его защите, в случае неудовлетворительных результатов.
Исследования проводятся в соответствии со схемой представленной на рис. 2.1. и заключается в выполнении следующих этапов.
-
Подготовительный этап.
Собрать схему в соответствии с рис 2.1;
Провести калибровку измерительных приборов: селективного микровольтметра В6-9 (СМ) (селективного усилителя У2-8);
Провести калибровку измерительного микрофона 1 (ИМ1) по схеме указанной в пункте 5.1.2;
С помощью генератора шума (ГШ) и ДАП сформировать низкочастотный отрезок "белого шума" в полосе частот 17510000 Гц. Для чего октавным эквалайзером (ОЭ) на ДАП установить уровень шума в октавах со среднегеометрическими частотами 250, 500, 1000, 2000, 4000, 8000 Гц в соответствии с выражением 4.1:
P = Pmin + n3 дБА ,(4.1)
где Рmin – давление в октаве с fср = 250 Гц;
n – порядковый номер октавы.
Измерения проводить с помощью шумомера 00014 (режим "EXT") и октавного фильтра 00016 (режим "FIL", настройка поочередно на 250 Гц, 500 Гц, 1 кГц, 2 кГц, 4 кГц, 8 кГц);
-
Установить на выходе камеры исследуемую преграду;
-
Подключить СМ к ИМ 1.
-
Этап первичных измерений и обработки данных.
-
Установить внутри камеры давление звукового поля с интегральным уровнем Ринт = Ринт min. Контроль осуществляется с помощью СМ и графика на рис. 5.4;
-
Провести измерение уровня внешних шумов в месте установки исследуемой преграды Lшi в октавных полосах с fсрi = 250 Гц, 500 Гц, 1 кГц, 2 кГц, 4 кГц, 8 кГц с помощью измерительного микрофона 2 (ИМ 2), шумомера 00014 и октавного фильтра 00016;
-
Установить внутри камеры давление звукового поля с интегральным уровнем Ринт = Ринт min + L,. Контроль осуществляется с помощью СМ и графика на рис. 5.4;
-
Провести измерение уровня смеси сигнал+шум в месте установки исследуемой преграды L(с+ш)i в октавных полосах с помощью шумомера 00014 и октавного фильтра 00016;
-
Вычислить октавный уровень акустического сигнала по формуле 4.2;
-
. (4.2)
Вычислить отношение «уровень речевого сигнала / уровень акустического шума (помехи) qi в октавных полосах c fсрi по формуле (4.3);
. (4.3)
Вычислить формантный параметр Аi, на среднегеометрической частоте полосы
, характеризующий энергетическую избыточность дискретной составляющей речевого сигнала в полосе, по формуле (1.11);
Вычислить весовой коэффициент полосы кi, характеризующий вероятность наличия формант речи в данной полосе, по формулам (1.12) и (1.13);
Спектральный индекс артикуляции (понимаемости) речи ri (информационной вес i-й спектральной полосы частотного диапазона речи), по формулам (1.14) и (1.15);
- Далее для общей частотной полосы спектра речевого сигнала рассчитываются интегральный индекс артикуляции речи R, по формуле (1.16);
Зависимость словесной разборчивости речи W от интегрального индекса артикуляции речи по формуле (1.17);
Последовательно устанавливая внутри камеры давление с интегральным уровнем Рn = Ринт min + nP, где P = 10 дБ, n = 1, 2…, при этом для уровня Рn при котором октавный уровень L(с+ш) Lш берется добавка L, т.е. Рn = Ринт min + nP + L, для уровня Рn при котором октавный уровень L(с+ш) Lш, Рn = Ринт min + nP, для уровня Рn при котором октавный уровень L(с+ш) > Lш;
Для каждого значения Рn повторить пункты 2.4. – 2.11;
Построить зависимость W=W(Pn) и семейство кривых qi (f) при различных значениях Рn;
-
Включить генератор шума "Эхо" непосредственно возле исследуемой преграды;
Установить с помощью регулировок на ГШ "Эхо" интегральный уровень шума Lшэ = Lш + 20дБА;
Повторить пункты 2.3. – 2.14;
Сравнить полученные результаты;
По полученным результатам сделать соответствующие выводы о степени защищенности воздушного канала утечки речевой информации, предложить меры защиты в случае неудовлетворительных результатов.
Методика проведения лабораторных работ по исследованию вибрационных каналов утечки речевой информации аналогична предыдущей с той лишь разницей что, в качестве устройства регистрирующего октавные уровни вибрационных сигнала и шума V(с+ш) и Vш применяется контактный вибропреобразователь (акселерометр), и вибрационный шум с ГШ "Эхо" создается с помощью вибратора (динамик без диффузора)
-
Методика проведения лабораторных работ по исследованию акустоэлектрических каналов утечки речевой информации
Целью лабораторных работ является исследование уровней наведенного сигнала в линии связи исследуемого устройства (телефонный аппарат, датчик пожарной сигнализации, система оповещения и т.д.) в зависимости от величины развиваемого на данное устройство звукового давления в диапазоне частот речевого сигнала.
Исследования проводятся в соответствии со схемой представленной на рис. 2.2. и заключается в выполнении следующих этапов.
1.Подготовительный этап.
-
Собрать схему в соответствии с рис 2.2;
-
Установить испытуемый образец внутрь камеры на виброизолирующую прокладку и подключить его к согласующему усилителю (СУ);
-
Провести калибровку измерительных приборов: селективного микровольтметра В6-9 (СМ) (селективного усилителя У2-8);
-
Провести калибровку измерительного микрофона 1 (ИМ1) по схеме указанной в пункте 5.1.3;
-
С помощью генератора звуковой частоты (ГЗЧ) и датчика акустического поля (ДАП) на частоте f = 1кГц задать звуковое давление внутри камеры 110-120 дБА и сорентировать испытуемый образец относительно акустического излучателя в положении максимального показания стрелочного индикатора СМ;
-
помощью генератора шума (ГШ) и ДАП сформировать низкочастотный отрезок "белого шума" в полосе частот 17510000 Гц. Для чего октавным эквалайзером (ОЭ) на ДАП установить уровень шума в октавах со среднегеометрическими частотами 250, 500, 1000, 2000, 4000, 8000 Гц в соответствии с выражением 4.4:
P = Pmin + n3 дБА, (4.4)
где Рmin – давление в октаве с fср = 250 Гц;
n – порядковый номер октавы.
















