62882 (588847)
Текст из файла
Министерство образования и науки Республики Казахстан
Павлодарский государственный университет им.С. Торайгырова
Факультет физики, математики и информационных технологий
Кафедра вычислительной техники и программирования
КУРСОВОЙ ПРОЕКТ
Пояснительная записка
КП.370140.1805.32.05. ПЗ
Тема: Процесс моделирования работы коммутационного узла
Ст. преподаватель В.Ю. Игнатовский
Нормоконтролер: Студент:
Заведующий кафедрой Потапенко О.Г.
2006
Задание
Основной целью курсового проекта является разработка системы получения информации о температуре с минимальными допустимыми потерями. Поставленная цель достигается анализом способов необходимого преобразования сигнала, подбором наиболее рациональных вариантов обработки сигнала, формулированием требований к схемотехническим решениям.
В зависимости от варианта, возможный порядок выполнения курсового проекта выглядит как поочередное решение задачи:
выбор структурной схемы, выбор параметров сигнала на входах и выходах элементов структурной схемы, составление баланса погрешностей
выбор схемы и расчет измерительного преобразователя сопротивления в напряжение
выбор схемы и расчет источника стабильного тока
выбор схемы и расчет частотного фильтра
определение суммарной погрешности и мероприятий для уменьшения погрешности
выбор схемы и расчет формирователя выходного сигнала
составление принципиальной схемы системы обработки сигнала.
При решении задач следует рассматривать все возможные варианты реализации, однако к рассмотрению принимать наиболее целесообразные. Системный анализ и экономические расчеты для сопоставления равноценных вариантов допускается не производить с целью ограничения объема выполняемых работ.
Исходные данные к проекту:
1) допустимая погрешность 1%;
2) устройство удаленно от объекта на 95м;
3) уровень синфазной помехи составляет 3.2 В;
4) диапазон измерения температуры составляет
;
5) выходной сигнал
в диапазоне
мА;
6) датчик 50M, от
до
С, опрос каждые 4.5 секунды.
Содержание
Введение
1. Структурная схема измерительной части
2. Выбор схемы и расчет ПСН
2.1 Схема ПСН
2.2 Расчет ПСН
2.3 Определение погрешностей ПСН
3. Выбор схемы и расчет источника стабильного тока для ПСН
3.1 Выбор схемы источника стабильного тока
3.2 Расчет источника стабильного тока
3.3 Определение погрешностей источника стабильного тока
4. Выбор схемы и расчет измерительного усилителя
4.1 Выбор схемы измерительного усилителя
4.2 Расчет измерительного усилителя
4.3 Определение погрешностей измерительного усилителя
5. Выбор схемы и расчет фильтра низкой частоты
5.1 Определение желаемых параметров фильтра
5.2 Определение реальных параметров фильтра
5.3 Выбор схемы фильтра и его расчет
5.4 Определение погрешностей фильтра
6. Выбор схемы и расчет ПНТ
6.1 Выбор схемы ПНТ
6.2 Расчет ПНТ
6.3 Определение погрешностей ПНТ
7. Расчет источника питания
7.1 Выбор схемы и расчет стабилизатора напряжения
7.2 Выбор и расчет выпрямителя напряжения
7.3 Выбор и расчет трансформатора
8. Проверка общей погрешности
Заключение
Список использованных источников
Введение
Одной из характерных черт научно-технической революции является дальнейшее совершенствование средств и систем комплексной автоматизации различных процессов. Разработка и проектирование современных средств и систем - базируется на достижения в различных областях науки и техники, в том числе и в области автоматического регулирования и управления
Задача разработки систем автоматического регулирования и систем управления состоит в том чтобы, располагая некоторыми априорными сведениями об объекте и заданными требованиями к свойствам всей системы в целом (точность, надежность и т.д.), выбрать технические средства (а в случае необходимости сформулировать технические условия на разработку новых средств автоматики) и составить схему системы, обеспечивающую реализацию этих требований.
Измерительные устройства в системах управления служат для восприятия первичной информации о состоянии управляемого объекта и преобразования ее в сигналы, удобные для их последующей переработки в сигналы управления.
В современных системах управления измерительные устройства часто представляют собой сложные системы, содержащие ряд преобразователей, усилителей, корректирующих цепей, следящих систем и вычислительных устройств.
Основное требование, предъявляемое к измерительному устройству, состоит в том, чтобы он формировал полезный сигнал с минимальными искажениями.
Последние могут вызываться как динамическими и статическими свойствами измерительного устройства, так и влиянием на его работу помех и шумов.
Очень важной характеристикой измерительного устройства в системах управления является его точность, так как очевидно, что точность управления не может быть выше, чем точность измерения.
На точность измерения влияют точность датчиков, элементов преобразующих сигнал этих датчиков, а также большое значение имеет уровень помех. Основными видами помех являются помехи синфазные и дифференциальные. Синфазная помеха отличается от дифференциальной тем, что воздействует одновременно на оба входа измерительного устройства.
Основными причинами появления синфазных помех являются:
1) Влияние ближнего электромагнитного поля;
2) Появления разности потенциалов из-за заземления в двух разных точках….
Существует несколько основных направлений, позволяющих снизить влияние синфазных помех на точность измерения. Это увеличение входного сопротивления, симметрирование входных цепей, применение операционных усилителей с большим сопротивлением синфазному напряжению и применение гальванической развязки и др.
В данной курсовой работе требуется разработать измерительную часть устройства автоматического управления. Эта часть состоит из двух преобразователей типов сигналов (температура в напряжения, напряжения в ток), усилителя сигнала, а также фильтра низкой частоты, необходимого для борьбы с синфазной помехой.
1. Структурная схема измерительной части
Структурная схема
помеха
Рисунок 1 - Структурная схема измерительной части
Описание составных частей структурной схемы
Структурная схема представлена на рисунке 1, где:
1 - датчик температуры 50M, необходим для преобразования температуры в сопротивление:
его сопротивление при измеряемой температуре
2 - преобразователь сигнала датчика в напряжения (ПСН);
3 - источник тока для ПСН;
4 - измерительный усилитель:
напряжение входного сигнала равно напряжению на выходе ПСН.
Напряжение синфазной помехи (по заданию) равно 3.5В, напряжение выходного сигнала принимаем 1В;
5 - фильтр низкой частоты (необходим для ослабления синфазной помехи до уровня, который нам необходим - принимаем, что будет вполне достаточно уровня в 0,01% от общей погрешности):
напряжение входного сигнала равно напряжению на выходе ПСН, напряжение синфазной помехи равно напряжению синфазной помехи с учет ослабления на измерительном усилителе, в качестве частоты синфазной помехи принимаем частоту промышленной сети
, опрос датчика ведется каждый 6 секунд;
6 - ПНТ (необходим для преобразования напряжения в ток):
входное напряжение ПНТ равно выходному напряжению измерительного усилителя, ток на выходе (по заданию)
;
7 - источник питания схемы измерительного устройства:
он должен обеспечивать двуполярное напряжение
с допустимым коэффициентом пульсаций
при входном напряжении переменного тока 220В.
Для расчета погрешностей принимаем, что около 50% погрешности будет на измерительном усилителе, на фильтре около 10%, а остальная погрешность поровну распределиться по остальным узлам схемы.
2. Выбор схемы и расчет ПСН
2.1 Схема ПСН
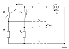
В качестве схемы преобразователя сопротивления в напряжение принимаем четырехпроводный ПСН рисунок 2
Рисунок 2 - ПСН
2.2 Расчет ПСН
Напряжение на выходе схемы ПСН будет равно:
(1)
где
- напряжение на выходе ПСН;
- потребляемый мостом ток;
- сопротивления плеч моста;
- сопротивления соединительных проводов.
Сопротивления плеч моста подбираются с учетом следующего соотношения:
(2)
Ом;
Ом;
Ом;
Сопротивления берем по ряду Е96 с точностью
Основное ограничение на параметры данной схемы накладывает мощность, рассеиваемая на термосопротивлении (принимается
mВт):
(3)
С учетом данного ограничения рассчитываем ток
:
(4)
Для удобства расчета примем
;
Так как плечи моста находятся в равновесии (т.е. выполнятся условие (2)), то общий ток, который потребляется мостом равен:
(5)
где
- ток потребляемый по второму плечу моста (
).
Напряжение на выходе схемы
будет равно (1):
2.3 Определение погрешностей ПСН
Далее рассчитываем погрешность ПСН. Она будет состоять из погрешности неточности сопротивлений:
(7)
где
- погрешность от неточности сопротивлений;
- функции чувствительности соответственно для отклонения
.
Функция чувствительности для сопротивления
находиться по формуле:
(8)
аналогично для сопротивлений
и
:
(9)
(10)
Погрешность от неточности сопротивлений находим из (7) подстановкой (8), (9) и (10):
Характеристики
Тип файла документ
Документы такого типа открываются такими программами, как Microsoft Office Word на компьютерах Windows, Apple Pages на компьютерах Mac, Open Office - бесплатная альтернатива на различных платформах, в том числе Linux. Наиболее простым и современным решением будут Google документы, так как открываются онлайн без скачивания прямо в браузере на любой платформе. Существуют российские качественные аналоги, например от Яндекса.
Будьте внимательны на мобильных устройствах, так как там используются упрощённый функционал даже в официальном приложении от Microsoft, поэтому для просмотра скачивайте PDF-версию. А если нужно редактировать файл, то используйте оригинальный файл.
Файлы такого типа обычно разбиты на страницы, а текст может быть форматированным (жирный, курсив, выбор шрифта, таблицы и т.п.), а также в него можно добавлять изображения. Формат идеально подходит для рефератов, докладов и РПЗ курсовых проектов, которые необходимо распечатать. Кстати перед печатью также сохраняйте файл в PDF, так как принтер может начудить со шрифтами.
















