62882 (588847), страница 2
Текст из файла (страница 2)
Для вычисления максимальной погрешности принимаем, что
Тогда формула для определения погрешности принимает вид:
; (11)
Вычисляем погрешность от неточности сопротивлений:
3. Выбор схемы и расчет источника стабильного тока для ПСН
3.1 Выбор схемы источника стабильного тока
Рисунок 3 - Источник стабильного тока
3.2 Расчет источника стабильного тока
Определяем наибольшее сопротивление нагрузки
:
(12)
Сопротивления соединительных проводов находим по формуле:
(13)
Где
- удельное электрическое сопротивление провода (Ом/м);
- длина соединительных проводов (90 м);
S - площадь поперечного сечения соединительных проводов (
).
Ом;
Примечание, для соединения схемы с ПСН используем кабель КВВГ.
Сопротивление нагрузки (12) будет равно:
Ом;
В качестве исходной схемы берем схему, представленную на рисунке 3. Необходимо выбрать стабилитрон VD. Для этого вычисляем необходимое напряжение стабилизации
:
(14)
где
- напряжение вхождения транзистора в насыщение. Так как напряжение стабилизации
повторяется на сопротивлении
(так как
), то есть возможность выбрать номинальное напряжение стабилизации стабилитрона
:
; (15)
выбирается таким образом, чтобы транзистор VT не входил в режим насыщения. Для кремниевых транзисторов принимается
В,
В;
Выбираем прецизионный стабилитрон Д815Е. Его параметры:
Напряжение стабилизации
В;
Ток стабилизации
;
Максимальное дифференциальное сопротивление
Ом;
Допустимая рассеиваемая мощность
mВт;
Температурный коэффициент сопротивления ТКС=0,1.
Теперь выбираем сопротивление
. Оно необходимо для задания тока через стабилитрон VD (
) и находиться из соотношения (16):
; (16)
Ом;
Выбираем по ряду Е24 сопротивление
= 4,3 Ом.
Мощность рассеваемая на сопротивлении будет равна:
Вт;
С целью надежности, номинальную мощность резистора принимаем с запасом от 3 до 6 раз:
Вт;
Принимаем
= 0,05 Вт.
Выбираем сопротивление
:
Ом;
Для того чтобы скомпенсировать разброс напряжения стабилитрона и влияние тока базы транзистора сопротивление
делаем с подстройкой:
Ом;
Принимаем
Ом (по ряду Е96);
Ом (по ряду Е24).
Мощность рассеваемая сопротивлением
равна:
Вт;
Номинальную мощность сопротивления
принимаем также в
раз больше:
Вт = 2,5 Вт;
Далее выбираем транзистор VT. Он должен удовлетворять следующим параметрам:
В;
А;
;
В.
Выбираем по справочнику ВС489С. Его параметры:
Допустимое напряжение К-Э
В;
Допустимый ток коллектора
mA;
Напряжение насыщения
В;
Коэффициент усиления
;
Допустимая рассеваемая мощность
mВт.
Рассеваемая мощность на транзисторе будет:
mВт;
Резистор
в данном случае необязателен, поэтому принимаем
= 0.
Выбираем операционный усилитель (ОУ): ОР-37Е. Его параметры:
Напряжение питания
В;
Потребляемая мощность
mВт;
Напряжение смещения
мкВ;
КОСС
дБ;
Коэффициент усиления
;
Входное сопротивление
Мом;
Средний входной ток
нА;
Разность входных токов
7нА;
;
Температурный диапазон
.
3.3 Определение погрешностей источника стабильного тока
Определяем погрешности:
а) Погрешность от разброса сопротивлений не учитываем, так как сопротивление
подстроечное;
б) Погрешность от отклонения напряжения питания:
Разброс напряжения питания составляет 0,5%, тогда:
В;
Отклонение напряжения питания до минимума
равно:
;
Выражаем отсюда ток стабилизации:
mA;
Разброс напряжения стабилизации составляет:
mВ;
Аналогичный расчет делаем для повышения напряжения питания.
mA;
mВ;
Наибольшим отклонением напряжения стабилизации является - 2,787 mВ.
Погрешность составит:
mA;
в) Погрешность от реального ОУ, она зависит в данном случае от
:
mВ;
мкА;
г) Погрешность от резистора
не учитываем, так как
подстроечное.
д) Погрешность от транзистора. Она определяется долей тока базы, но так как
подстроечное, то эту погрешность не учитываем.
е) Суммарная погрешность:
мкА;
или в процентном соотношении:
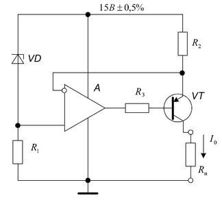
Окончательная схема источника стабильного тока изображена на рисунке 4.
Рисунок 4 - Источник стабильного тока
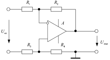
4. Выбор схемы и расчет измерительного усилителя
4.1 Выбор схемы измерительного усилителя
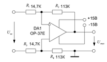
Так как синфазная помеха не превышает 10В и коэффициент усиления не большой, то достаточно будет взять простейший дифференциальный усилитель. Схема простейшего дифференциального усилителя представлена на рисунке 5.
Рисунок 5 - Измерительный усилитель
4.2 Расчет измерительного усилителя
Определяем требуемый коэффициент усиления:
; (17)
где
- напряжение на выходе измерительного усилителя;
- напряжение на входе измерительного усилителя.
Выбираем операционный усилитель ОР-37Е.
Теперь выбираем сопротивления
и
. Они должны удовлетворять следующим условиям:
Мом;
где
- входное сопротивление ОУ;
Ом;
где
- напряжение смещения ОУ;
- разность входных токов ОУ.
Принимаем
12Ком;
Ком;
Принимаем значения сопротивлений с точностью 0,005% по ряду Е96:
4.3 Определение погрешностей измерительного усилителя
Рассчитываем погрешности измерительного усилителя. Она состоит из погрешностей ОУ и погрешностей от влияния соединительных проводов.
Погрешность от несовпадения сопротивлений с номиналами:
Новый коэффициент усиления будет равен (17):
Погрешность от неточности резисторов:
где
- отклонения сопротивлений от номинала.
Эту погрешность определяем на самый благоприятный исход:
Адаптивная погрешность:
Погрешность от
U
mВ;
не учитываем, так как используем подстройку
UU
mВ
где ТКUсм - температурный коэффициент напряжения смещения.
или в процентах:
;
Погрешность от входных токов:
mВ;
или в процентах:
Погрешность от конечного КОСС:
mВ;
Суммарная погрешность:
Суммарную погрешность рассчитываем (из 18) без учета влияния Uсф т.е. без учета
и
.
;
или в процентном соотношении:
Влияние соединительных проводов не учитываем, так как дальше в схеме есть подстройка выходного сигнала.
Окончательная схема измерительного усилителя приведена на рисунке 6.
Рисунок 6 - Измерительный усилитель
5. Выбор схемы и расчет фильтра низкой частоты
5.1 Определение желаемых параметров фильтра
Составляем требуемую АЧХ фильтра (Рисунок 7):
Рисунок 7 – АЧХ
Находим частоту опроса:
Находим верхнею частоту опроса:
(19)
Следовательно
Далее находим частоту среза фильтра:
Составляем нормированную АЧХ фильтра:
Частота среза составит:
Уровень синфазного напряжения на входе фильтра находим из расчета измерительного усилителя (18):
;
Погрешность которая нас устраивает - 0,01%
Коэффициент передачи фильтра:
5.2 Определение реальных параметров фильтра
Теперь определяем степень аппроксимации полинома. Принимаем полином Баттерворта, степень которого должна быть такой, чтобы АЧХ проходила через точку с координатой 45 и 1. Нормированная частотная характеристика находиться по формуле:
Отсюда находим относительную частоту
:
Теперь находим порядок фильтра n:
Так как этот коэффициент минимальный, то принимаем n=2. При этом коэффициент передачи на частоте помехи будет равен:
(20)
Этот коэффициент меньше необходимого (0,5809), поэтому можно пересмотреть частоту среза для упрощения реализации фильтра. Воспользуемся формулой (20). Подставляем значение желаемой относительной частоты, после чего находим новое значение частоты среза:
Исходными данными для фильтра будут:
коэффициент усиления А=1;
частота среза
В качестве фильтра используем фильтр Баттерворта.
Составляем передаточную функцию фильтра:
Для фильтра Баттерворта второго порядка коэффициента равны:
n=2; c=1; в=1;
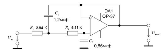
5.3 Выбор схемы фильтра и его расчет
Принимаем схему фильтра низкой частоты по структуре Саллена-Ки, она показана на рисунке 8.
Выбираем параметры элементов схемы:
Рисунок 8 - Фильтр низкой частоты
1)
принимаем по ряду Е24
=1,2 мкФ (иначе нельзя будет посчитать
);
2)
принимаем ближайшее меньшее значение по ряду Е24
=0,56мкФ;
3)
Принимаем по ряду Е96 ближайшее значение
2,94 Ком;
4)
Принимаем по ряду Е96 ближайшее значение
5,11 Ком
5) Так как коэффициент усиления А=1, то
и
0
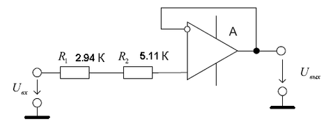
Окончательная схема фильтра низкой частоты показана на рисунке 9.
Рисунок 9 - Фильтр низкой частоты
5.4 Определение погрешностей фильтра
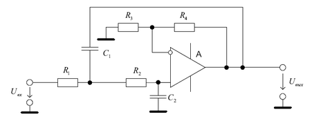
Рассчитываем погрешности, для этого преобразуем схему, исключив из нее конденсаторы. Измененная схема показана на рисунке 10.
Рисунок 10 - Фильтр низкой частоты
















