62882 (588847), страница 3
Текст из файла (страница 3)
Как видно из преобразованной схемы погрешности фильтра состоят из погрешностей неинвертирующего усилителя А.
Погрешность от неточности коэффициента отсутствует, так как этот
коэффициент равен 1;
Погрешность от неточности резисторов также отсутствует, так как
0;
Погрешность от напряжения смещения Uсм:
Погрешность от напряжения смещения с изменением температуры:
5) Погрешность от влияния входных токов отсутствует, так как коэффициент равен 1 (
0);
6) Погрешность от конечного КОСС:
Суммарная погрешность:
или в процентах:
6. Выбор схемы и расчет ПНТ
6.1 Выбор схемы ПНТ
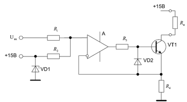
За основу возьмем схему приведенную на рисунке 11.
Рисунок 11 – ПНТ
6.2 Расчет ПНТ
В данной схеме сопротивления
и
используются в качестве делителя напряжения, так как на выходе ПНТ сигнал от 4 мА. Они рассчитываются по методу двух узлов (Рисунок 12а и 12в). Проводимости ветвей равны:
Рисунок 12
Возьмем потенциал точки в=в1 за нулевой.
; (21)
Так как необходимо собрать делитель, который обеспечивал бы на выходе из схемы ПНТ ток от 4 до 20мА, то можно сместить напряжение на ОУ А на значение, которое бы обеспечивало бы при нулевом сигнале на входе схемы 4мА на выходе (соответственно при максимальном входном сигнале в 1В и смещении 0В на выходе должно быть 20-4 =16мА). Тогда потенциалы в точке а будут равны:
Тогда система уравнений (21) примет вид:
Выражаем из полученного соотношения
к
:
(22)
Выбираем сопротивления
и
по ряду Е192 с точностью
максимально удовлетворяющие отношению (22):
Теперь выбираем сопротивление датчика тока
:
Напряжение
найдем из (21):
Для того чтобы всю схему можно было настроить после сборки, сопротивления
собираем из двух, одно из которых подстроечное
.
;
Принимаем по ряду Е24
;
;
Принимаем по ряду Е96
;
Мощность рассеиваемая на сопротивлении
:
Вт;
Принимаем
= 0,25Вт;
Выбираем транзистор VT.
(23)
где
- напряжение питания;
- ток на выходе ПНТ;
- сопротивление нагрузки ПНТ;
- напряжение насыщения на выводах К-Э транзистора.
Для транзисторов структуры p-n-p принимают
не более
В. Напряжение питания выбираем таким, чтобы при максимальном выходном токе транзистор VT не выходит в насыщение. Из (23) найдем допустимое сопротивление нагрузки:
;
Таким образом схема ПНТ пригодна (с учетом запаса) для нагрузки сопротивлением до 500Ом.
Транзистор выбирается исходя из следующих условий:
коэффициент усиления
где
- допустимое напряжения на К-Э;
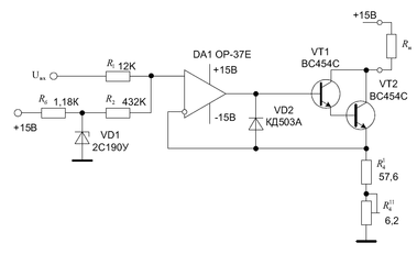
Выбираем по справочнику два транзистора ВС454С и собираем из них транзистор Дарлингтона.
Параметры ВС454С:
Допустимое напряжение К-Э
=50В;
Коэффициент усиления
Напряжение насыщения
В;
Допустимая рассеваемая мощность
mВт.
Выбираем ОУ ОР-37Е.
Сопротивление
задает ток базы, но так как у транзистора Дарлингтона очень большой коэффициент усиления (
), то необходимость в этом сопротивлении отпадает, поэтому принимаем
=0.
Выбираем диод VD2. Он необходим для защиты перехода Б-Э. Выбираем по справочнику диод КД503А.
6.3 Определение погрешностей ПНТ
Рассчитываем погрешности ПНТ.
1) Погрешность от неточности сопротивления
отсутствует, так как оно подстроечное;
2) Погрешность от напряжения смещения ОУ:
3) Погрешность от входных токов. Эта погрешность почти отсутствует так как ОУ включен как повторитель напряжения.
4) Погрешность от несовпадения
и
с номиналами и от ухода напряжения стабилизации стабилитрона VD1:
При максимальном напряжении сигнала на входе выходной ток будет равен:
(24)
Расчет делаем их наихудших условий. Как видно из (24) это произойдет при увеличении напряжения стабилитрона до максимального, при увеличении
до максимума и при уменьшении
до минимума, то есть:
будет равно
будет равно
будет равно
Выходной ток при таком раскладе будет равен:
При этом погрешность составит:
Суммарная погрешность ПНТ:
Расчет балластного сопротивления для стабилитрона:
где
- минимальный ток стабилизации стабилитрона VD1.
Принимаем по ряду Е96
=1,18 Ком. Мощность рассеваемая на
:
Принимаем
=0,5Вт;
Окончательная схема ПНТ показана на рисунке 13.
Рисунок 13 - ПНТ
Порядок подстройки
: датчик температуры заменятся сопротивление 130ом, после чего подстроечным резистором
добиваются выходного тока 20мА, после чего датчик температуры ставится на место и теперь схема годна к применению.
7. Расчет источника питания
7.1 Выбор схемы и расчет стабилизатора напряжения
Определяем требуемую нагрузку питания. Она состоит из:
Источника тока для ПСН: питание ОУ:
где
- мощность потребляемая ОУ;
- напряжение питания ОУ.
Измерительный усилитель: питание ОУ:
Фильтр: питание ОУ:
ПНТ: питание ОУ:
Ток стабилизации стабилитрона:
Выходной ток
Минимальный ток, потребляемый нагрузкой:
Максимальный ток потребляемый нагрузкой:
Выбираем интегральный стабилизатор напряжения К142ЕН6А:
Его параметры:
Входное напряжение
Максимальный ток нагрузки
Коэффициент нестабильности по напряжению
Коэффициент нестабильности по току
Потребляемый ток
Коэффициент сглаживания
Определяем напряжение на выходе стабилизатора:
Определяем номинальное входное напряжение:
Где 0,9 - необходимо для учета понижения напряжения на 10%.
Принимаем
=20В;
Определяем нестабильность напряжения на входе стабилизатора:
Из-за изменения напряжения на входе:
где
- максимальное отклонение напряжения от номинального
От отклонения напряжения на входе из-за изменения тока в нагрузке:
Из-за изменения температуры:
Суммарная нестабильность:
или в процентах:
7.2 Выбор и расчет выпрямителя напряжения
Исходные данные для расчета:
Напряжение на входе выпрямителя
Напряжение на выходе
Максимальный ток нагрузки
Минимальный ток нагрузки
Определяем допустимые пульсации напряжения на выходе стабилизатора:
Напряжение пульсаций на выходе стабилизатора:
где
- напряжение на выходе источника питания;
- допустимый коэффициент пульсации на выходе измерителя;
Напряжение пульсаций на входе стабилизатора:
Допустимый процент пульсаций на выходе стабилизатора:
Выбираем двухполупериодную схему выпрямителя с питанием от трансформатора со средней точкой. Определяем средний ток и допустимое обратное напряжение:
Выбираем выпрямительный мост КЦ407А. Его параметры:
Максимальное обратное напряжение
Максимальный средний ток
7.3 Выбор и расчет трансформатора
Сопротивление вторичной обмотки:
,
где
- напряжение на входе стабилизатора;
- ток нагрузки (
).
Напряжение на вторичной обмотке:
,
где
- сопротивление диода.
Ток вторичной обмотки:
Ток первичной обмотки:
где
- напряжение на первичной обмотке.
Определяем емкость конденсатора сглаживающего фильтра:
Емкость определяется для двух последовательно соединенных конденсаторов:
Принимаем по ряду Е24
Определяем габаритную мощность для двухполупериодного выпрямителя:
По полученной габаритной мощности выбираем магнитопровод. Параметрами для выбора являются произведением площади сердечника на площадь окна:
;
По полученному значению из таблицы Ш-образных пластин выбираем магнитопровод Ш18. Его параметры:
Ширина перегородки а=1,8см;
Ширина окна в=0,9см;
Высота окна h=2,7см;
Площадь окна
Находим минимальную площадь сечения:
Необходимая толщина пакета пластин:
Проверка получения реальных габаритов:
Полученная цифра принадлежит интервалу
.
Определяем число витков первичной обмотки:
Число витков вторичной обмотки:
Определяем диаметр проводов:
Первичной обмотки:
;
Вторичной обмотки:
;
Подбираем по справочнику провода марки ПЭЛ:
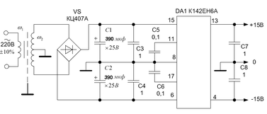
Окончательная схема источника питания приведена на рисунке 14.
Рисунок 14 - Источник питания
8. Проверка общей погрешности
1) Погрешность ПСН: 0,015%;
2) Погрешность источника тока для ПСН: 0,031%;
3) Погрешность измерительного усилителя: 0,0306%
4) Погрешность фильтра: 0,0015%;
5) Погрешность ПНТ: 0,0658%;
6) Погрешность от синфазной помехи: 0,01%
7) Суммарная погрешность:
Заключение
В данной курсовой работе было необходимо разработать измерительную часть системы автоматического управления.
В ходе выполнения работы были выполнены расчеты преобразователей температуры в напряжение и напряжения а ток, расчет измерительного усилителя и фильтра низкой частоты, а также источника стабильного тока для ПСН и источника питания всей схемы. Были предусмотрены меры для снижения синфазной помехи, а именно в измерительном усилителе был использовании дифференциальный усилитель на ОУ с высоки КОСС, а также для окончательного снижения синфазной помехи до уровня, который уже не страшен, был использован фильтр низкой частоты.
Первоначальное распределение погрешности по узлам схемы оказалось неточным, из-за того, сто в ПНТ был добавлен делитель напряжения. На который пришлось почти 50% всей погрешности.
В результате работы суммарная погрешность с учетом влияния синфазной погрешности составила 0,1539% при допустимой по заданию 1%
Также была добавлена возможность подстройки всей схемы при помощи переменного резистора в ПНТ.
Список использованных источников
-
А.А. Сазанов и др. "Микроэлементные устройства в автоматике" - М.: Энергоиздат. 1991г.
-
В.С. Гутников "Интегральная электроника в измерительных устройствах" - Л.: Энергоатомиздат. 1988г.
-
А.Дж. Пейтон, В. Волш "Аналоговая электроника на операционных усилителях" - М.: БИНОМ, 1994г.
-
А.Л. Булычев и др. "Аналоговые интегральные схемы: Справочник" - Минск: Беларусь, 1993г.
-
М.В. Гальперин. "Практическое схемотехника в промышленной автоматике" - М.: Энергоатомиздат, 1987г.















