62528 (588798)
Текст из файла
ВВЕДЕНИЕ
В 1998 году специалисты компании Lucent Tehnologies обратили внимание на то, что в США за последние 15 лет скорость работы запоминающих устройств возросла в 90 раз (с 450 до пяти нс), скорость работы центральных процессоров узлов коммутации повысилась в 250 раз(с одного до 250 Мбит/с), а скорость передачи информации по линиям связи увеличилась в 11000 раз (с 56 кбит/с до 622 Мбит/с). Отсюда возникла необходимость в создании такой коммутационной техники, которая могла бы обрабатывать порядка 10000 вызовов в минуту при времени установления соединения не более 100 мкс. В месте с тем, еще в 1987 году в соответствии с рекомендациями бывшего МККТТ в качестве технической основы ШЦСИО была принята технология АТМ. Поэтому новая техника коммутации работает с ячейками АТМ.
В настоящее время технология АТМ лежит в основе глобальной высокоскоростной магистральной сети, предоставляющей услуги мультимедиа, то есть услуги, которые могут одновременно использовать несколько различных служб связи. Для работы такой сети требуется как транзитные узлы коммутации, так и узлы доступа, осуществляющие коммутацию на местном и региональном уровне. Естественно, что отдельные конкретные узлы коммутации могут объединять обе эти функции.
Главной задачей, при разработке ATM-коммутатора, является увеличение пропускной способности и улучшение других характеристик данного оборудования и сети ATM в целом. ATM-коммутация отличается от традиционной использованием высокоскоростных интерфейсов, причем производительность внутренней коммутационной матрицы может достигать десятков гигабит в секунду. Кроме того, необходимо обеспечить возможность статистического мультиплексирования потоков, проходящих через коммутационные системные мо дули. Наконец, передача различных видов трафика с несхожими требованиями к количественным характеристикам функционирования сети (доля потерянных ячеек, допустимый процент ошибок, время задержки) сама по себе является непростой задачей.
Чтобы удовлетворять всем указанным критериям, АТМ-коммутаторы должны значительно отличаться от традиционных устройств. Функции коммутационной системы ATM не ограничиваются буферизацией и маршрутизацией ячеек. Такая система представляет собой сложную структуру, состоящую из нескольких интегрированных модулей, которая способна не только передавать ячейки, но и управлять трафиком, отдельными соединениями и сетью в целом.
1. КОММУТАЦИЯ В ТЕХНОЛОГИИ АТМ
1.1 КОММУТАТОРЫ ДЛЯ ТЕХНОЛОГИИ ATM
Широкое применение коммутаторов значительно повысило эффективность использования сети за счет равномерного распределения полосы пропускания между пользователями и приложениями. Несмотря на то что первоначальная стоимость была довольно высока, тем не менее они были значительно дешевле и проще в настройке и использовании, чем маршрутизаторы. Широкое распространение коммутаторов на уровне рабочих групп можно объяснить тем, что коммутаторы позволяют повысить отдачу от уже существующей сети. При этом для повышения производительности всей сети не нужно менять существующую кабельную систему и оборудование конечных пользователей.
Общий термин "коммутация" применяется для четырех различных технологий:
-
Конфигурационной коммутации;
-
Коммутации кадров;
-
Коммутации ячеек;
-
Преобразования между кадрами и ячейками.
В основе конфигурационной коммутации лежит нахождение соответствия между конкретным портом коммутатора и определенным сегментом сети. Это соответствие может программно настраиваться при подключении или перемещении пользователей в сети [1].
При коммутации кадров используются кадры сетей Ethernet, Token Ring и т.д. Кадр при поступлении в сеть обрабатывается первым коммутатором на его пути. Под термином обработка понимается вся совокупность действий, производимых коммутатором для определения своего выходного порта, на который необходимо направить данный кадр. После обработки он передается далее по сети следующему коммутатору или непосредственно получателю.
В технологии ATM также применяется коммутация, но в ней единицы коммутации носят название ячеек. Преобразование между кадрами и ячейками позволяет станциям в сети Ethernet, Token Ring и т.д. непосредственно взаимодействовать с устройствами ATM. Эта технология применяется при эмуляции локальной сети [2].
Коммутаторы делятся на четыре категории:
Простые автономные коммутаторы сетей рабочих групп позволяют некоторым сетевым устройствам или сегментам обмениваться информацией с максимальной для данной кабельной системы скоростью. Они могут исполнять роль мостов для связи с другими сетевыми сегментами, но не транслируют протоколы и не обеспечивают повышенную пропускную способность с отдельными выделенными устройствами, такими как серверы.
Коммутаторы рабочих групп второй категории обеспечивают высокоскоростную связь одного или нескольких портов с сервером или базовой станцией.
Третью категорию составляют коммутаторы сети отдела предприятия, которые часто используются для взаимодействия сетей рабочих групп. Они представляют более широкие возможности администрирования и повышения производительности сети. Такие устройства поддерживают древовидную архитектуру связей, которая используется для передачи информации по резервным каналам и фильтрации пакетов. Физически такие коммутаторы поддерживают резервные источники питания и позволяют оперативно менять модули.
Последняя категория - это коммутаторы сети масштаба предприятия, выполняющие диспетчеризацию трафика, определяя наиболее эффективный маршрут. Они могут поддерживать большое количество логических соединений сети. Многие производители корпоративных коммутаторов предлагают в составе своих изделий модули ATM. Эти коммутаторы осуществляют трансляцию протоколов Ethernet в протоколы ATM [4].
Для коммутационного оборудования ATM можно выделить две основные задачи:
-
VPI/VCI трансляция;
-
транспортирование ячейки от входа к нужному выходу.
Для выполнения данных задач необходимо применить 2 метода:
-
самоупорядочивающий принцип;
-
принцип табличного контроля.
При использовании самоупорядоченного метода коммутации элемента VPI/VCI трансляция должна быть выполнена лишь на входах коммутационного элемента. После передачи ячейка оказывается под влиянием коммутационной сети. Расширение заголовка ячейки требует увеличения внутренней скорости сети.
При использовании принципа табличного контроля VPI/VCI заголовок ячейки будет изменяться в каждом новым элементе. Поэтому нет необходимости изменения длины ячейки.
Содержания таблиц модернизируется во время фазы установки связи. Каждый вход таблицы состоит из обновленных VPI/VCI и номеров соответствующих выходов.
Общая структура ATM системы (коммутатора или перекрестного соединения) сконструирована в соответствии со следующими принципами:
-
-система может быть использована равно как коммутатор либо перекрестные соединение. Причем детали могут быть идентичными, тогда как оборудования будет разным эта архитектура также обеспечивает
-
-возможность реализации функций коммутатора и перекрестного соединения одним узлом.
-
коммутационная сеть использует самоупорядочивающий метод, как один из самых перспективных.
-
взаимосвязанная информация хранится в том периферийном оборудование, которые запрашивает определенной связью. Это позволяет получать высокое быстродействие для взаимосвязной информации.
-
используются нестандартные ячейки в коммутационной сети. Адаптация используемых различных ячеек, производится в модулях интерфейса пользователя.
Общая структура коммутатора перекрестного соединения, состоит из следующих модулей [1,3]:
-
Широкополосного линейного модуля абонента (SLMB).
-
Широкополосного магистрального модуля (ТМВ).
-
Мультиплексора.
-
Коммутационной сети.
-
Системного контроля.
Пользователь подключается к коммутационной сети или к мультиплексору с помощью широкополосного линейного пользовательского модуля (SLMB). Связь с другими коммутаторами и перекрестными соединениями осуществляется через широкополосный магистральный модуль (ТМВ), который достигает скорости передачи до 2.4 Гбит/с.
Мультиплексор используется для местной концентрации абонентского трафика и коммутатора. Коммутационная сеть соединяет модули интерфейса, мультиплексора и контрольного процессора; Она также используется для осуществления внутренней связи между узлами подсистем.
Контрольный процессор осуществляет системный контроль. Также он может выполнять функции, связанные с сигнализацией или сетевым управлением.
Для достижения высокой надежности работы системы мультиплексор, коммутационная сеть или контрольный процессор иногда дублирует функции друг друга.
На входе интерфейсный модуль (SLMB или ТМВ) посылает копии каждой ячейки, как в мультиплексор, так и в коммутационную сеть. На выходе модули интерфейса решают, какая ячейка и откуда должна быть передана.
В коммутаторе необходимо установить связь между произвольной парой входов и выходов, учитывая коммутационные узлы. В принципе, функция коммутатора может быть выполнена одиночным коммутационным элементом. Если же этот элемент не в состоянии отвечать предъявляемым требованиям большого ATM коммутационного узла, то используются большие коммутаторы, построенные из нескольких коммутационных элементов.
Информация в коммутационном узле достигает скорости в несколько
Гбит/с, вследствие чего в узле может произойти задержка, в этом случае возникает необходимость уменьшения потерь ячеек. Поэтому централизованный контроль не может быть применен в коммутационных ячейках. И только коммутаторы с высокой параллельной архитектурой могут отвечать таким жестким требованиям.
1.2 КОММУТАЦИОННЫЕ ЭЛЕМЕНТЫ
Коммутационный элемент является основной частью коммутатора [4,5,6]. На порту информация поступившей ячейки анализируется и ячейка затем направляется на определенный выход. Обычно коммутационный элемент состоит из взаимосвязной сети, выходного контроллера (1C) для каждой входящей линии и выходного контроллера (ОС) для каждой исходящей линии (рисунок 1.1). Для предупреждения чрезмерной потери ячеек в случае внутренней коллизии (противоречия) (2 или более ячейки «соревнуются» на одном и том же выходе одновременно), внутри коммутационных элементов необходимо предусматривать размещение буферов.
Поступившая ячейка синхронизирована в соответствии с внутренним временем входного контроллера (1C). Выходной контроллер (ОС) транспортирует ячейки, полученные от взаимосвязной сети, по назначению. Входные и выходной контроллеры попарно соединены сетью взаимосвязи.
IC - input controller - входной контроллер
ОС- output controller - выходной контроллер
Рисунок 1.1- Стандартная модель коммутационного элемента
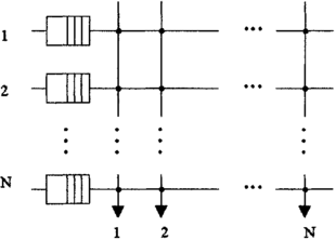
1.3 МАТРИЧНЫЕ (ПЕРЕКРЕСТНЫЕ) КОММУТАЦИОННЫЕ СТРУКТУРЫ
Внутренняя не блокируемая коммутационная структура может быть
построена путем использования перекрестной прямоугольной матрицы для создания взаимосвязной сети (рисунок 1.2). Одновременно с этим существует
возможность связки любой незанятой пары вход / выход. Так или иначе,
перекрестная связь входа и выхода зависит от информации ячейки так же, как и от случайности возникновения «опасных соревнований» ячеек [7,8].
Внутри такой коммутационной структуры возможны различные расположения буферов:
-
На входных контроллерах
-
На выходных контроллерах
-
В узлах матрицы
1C - входной контроллер
ОС - выходной контроллер
Рисунок 1.2 - Матричная коммутационная структура
1.4 ВХОДНАЯ БУФЕРИЗАЦИЯ В КОММУТАТОРАХ МАТРИЧНОГО ТИПА
При входной буферизации отдельные буферы размещаются на входных контроллерах (рисунок 1.3). При использовании FIFD буферов (first-in first-out) конкуренция возникает в случае появления двух или более ячеек, находящихся в голове очереди, стремящихся одновременно к одному и тому же выходу [3,8]. В этом случае происходит блокировка в голове очереди, т.е. пакеты, следующие за блокированным в голове очереди пакетом, также блокируется, даже если они предназначены для другого доступного выхода.
Рисунок 1.3 - Коммутатор матричного типа с входными буферами
Для преодоления этого недостатка, FIFD буфера могут быть замещены на запоминающее устройство с произвольной выборкой (RAM). Если первая ячейка заблокирована, то для передачи выбирается следующая, при условии, что ее порт назначения свободен. Однако такой режим функционирования требует более сложного управления буферами для нахождения ячеек, следующих к свободным портам выхода, и обеспечения порядка следования пакетов, направляющихся на один и тот же выход. Общая емкость буфера должна логически разделяться в зависимости от нагрузки на разные буферы FIFD (по количеству выходных линий).
Дальнейшие улучшения могут быть достигнуты при условии, что два или более ячейки могут быть переданы одновременно из одного буфера к различным выходам. Это требует использования буфера с множеством выходов или буфера с пониженной произвольной выборкой времени.
1.5 ВЫХОДНАЯ БУФЕРИЗАЦИЯ В КОММУТАТОРАХ МАТРИЧНОГО ТИПА
Рисунок 1.4 показывает коммутационную структуру, состоящую из матрицы с выходными буферами [8,9]. Только в случае, когда матрица функционирует на той же скорости, что и входящие линии, может возникнуть конфликт «опасных соревнований» (несколько ячеек одновременно стремятся попасть на один выход). Этот недостаток может быть сконцентрирован путем понижения прямого доступа буферного времени и увеличения скорости коммутатора матричного типа. Эти факторы могут привести к технологическим ограничениям в размере коммутационной структуры.
Характеристики
Тип файла документ
Документы такого типа открываются такими программами, как Microsoft Office Word на компьютерах Windows, Apple Pages на компьютерах Mac, Open Office - бесплатная альтернатива на различных платформах, в том числе Linux. Наиболее простым и современным решением будут Google документы, так как открываются онлайн без скачивания прямо в браузере на любой платформе. Существуют российские качественные аналоги, например от Яндекса.
Будьте внимательны на мобильных устройствах, так как там используются упрощённый функционал даже в официальном приложении от Microsoft, поэтому для просмотра скачивайте PDF-версию. А если нужно редактировать файл, то используйте оригинальный файл.
Файлы такого типа обычно разбиты на страницы, а текст может быть форматированным (жирный, курсив, выбор шрифта, таблицы и т.п.), а также в него можно добавлять изображения. Формат идеально подходит для рефератов, докладов и РПЗ курсовых проектов, которые необходимо распечатать. Кстати перед печатью также сохраняйте файл в PDF, так как принтер может начудить со шрифтами.















