62528 (588798), страница 2
Текст из файла (страница 2)
Коммутационный элемент с выходной буферизацией будет не блокируемым в том случае, когда фактор быстродействия коммутатора матричного типа равен b (т.е. b ячеек одновременно стремятся попасть на один выход) для b x b коммутационного элемента. В других случаях, добавочные буферы необходимы на входе для избежания потери ячеек под действием внутренней блокировки.
Рисунок 1.4 - Коммутатор матричного типа с выходной буферизацией
1.6 БУФЕРИЗАЦИЯ В ТОЧКАХ ПЕРЕСЕЧЕНИЯ КОММУТАТОРА МАТРИЧНОГО ТИПА
Буферы могут быть также расположены в индивидуальных точках пересечения матрицы (рисунок 1.5) [8]. Такой коммутационный элемент получил название «Бабочка» (butterfly). Эта схема предупреждает столкновение ячеек, движущихся к одному выходу. Если более чем в одном буфере находятся ячейки, предназначенные для одного и того же выхода, то по той или иной системе должен быть выбран буфер, обслуживаемый первым.
Рисунок 1.5 - Буферизация в точках пересечения коммутатора матричного типа
В действительности, эта стратегия размещения буфера имеет недостаток: малого размера буфер требуется на каждой точке пересечения (узле), и разделить этот буфер не представляется возможным. Поэтому невозможно достигнуть той же эффективности работы коммутационной структуры, какую обеспечивает коммутационная структура с выходной буферизацией.
1.7 КОЛЬЦЕОБРАЗНЫЙ ТИП СТРУКТУРЫ КОММУТАТОРА
В кольцеобразном типе структуры коммутатора все входы и выходы взаимно соединены через кольцевую сеть, которая должна быть управляема особым образом, чтобы минимизировать избыток [1,8]. В принципе, фиксированное время размещения схемы может быть использовано, но это требует кольцевой емкости, которая является суммой емкостей всех входящих звеньев. Если кольцевая мощность меньше, чем входная мощность, то гибкое эластичное размещение схемы является необходимостью, которая результирует добавочный избыток.
Кольцевая структура имеет преимущество под шинной структурой в том, что промежуток времени может быть использован несколько раз за одно
вращение. Однако это требует, чтобы выходные контроллеры были освобождены в течение заданного времени.
1.8 ОСОБЕННОСТИ КОММУТАТОРА БАНЬЯНОВИДНОГО ТИПА
Коммутационной структуре матричного типа требуется N2 ключей, что усложняет работу такой коммутационной структуры при увеличении N (свыше двух десятков). Поэтому были предприняты поиски альтернативных коммутационных структур, основанных на многокаскадных сетях [5,6].
Чтобы наилучшим способом описать концепцию многокаскадных структур коммутаторов с пространственным разделением, обратимся к абстрактной модели коммутатора с пространственным разделением и рассмотрим возможность реализации разветвителей и концентраторов с помощью элементарных (2х2)-переключателей, которые могут находиться в двух состояниях - сквозном и перекрестном.
Разветвитель на N=2k выходов может быть построен в виде двоичного дерева с k разветвлениями на N-1 двоичном коммутационном элементе. В таком дереве существует единственный путь от корня (входа) до каждого из листьев. Таким образом, такой разветвитель обладает свойством самомаршрутизации.
Проблема, связанная с таким вариантом конструкции многокаскадного коммутатора с пространственным разделением, имеет два аспекта:
-
во-первых, требуемое число переключателей равно 2N2-N, т.е. почти вдвое больше количества элементов в коммутаторе матричного типа;
-
во-вторых, требуется N промежуточных буферов и N2 соединений между разветвителем и концентратором.
Однако в каждом временном интервале для передачи одного пакета с входа на выход требуются не все переключатели, имеющиеся в дереве. Возможно совместное использование переключателей несколькими разетвителями. Путем добавления пар входных каналов к уже имеющейся структуре можно соединить между собой N входов и N выходов, используя только (N / 2)log2 N элементарных двоичных переключателей.
У конструкции коммутатора с пространственным разделением и числом элементов (N / 2)log2 N существует два интересных свойства [1,4]:
-
первое - это сокращение общего числа переключателей;
-
второе - возможность возникновения внутренних конфликтов.
При этом возникновение внутренних конфликтов будет иметь место не только в случае, когда на переключатель поступают два пакета, которые должны быть направлены на один и тот же выход, но внутренние конфликты могут возникать и в случаях, когда пакеты не предназначены для одного и того же выходного порта.
Существует очень большое количество разнообразных многокаскадных структур. За последние два десятка лет специалисты разных стран проводили исследования многокаскадных коммутационных структур и наработали комплекс типовых решений, актуальных на сегодняшний день.
Однако, независимо от конкретной разновидности все NN многоканальные структуры обладают следующими основными свойствами:
-
существует единственный путь, соединяющий входной канал с выходным;
-
установление соединений может быть осуществлено децентрализовано с использованием процедуры самомаршрутизации;
-
во всех сетях возможно одновременное установление не более N соединений;
-
структура сети является регулярной, что удобно для реализации на СБИС;
-
структура является модульной, что позволяет строить большие сети без необходимости модификации физической компоновки или алгоритмов.
Основной недостаток такой структуры заключается в наличии внутренних блокировок, что снижает пропускную способность коммутатора.
Основными способами преодоления внутренних блокировок, повышения пропускной способности коммутатора и уменьшения потерь пакетов являются [8,9]:
-
размещение в местах возникновения конфликтов буферов, т.е. использование буферизованной Баньяновидной структуры;
-
использование входной буферизации и блокировки ячеек на входе с помощью управляющих сигналов, формируемых при возникновении конфликта;
-
использование входной буферизации в сочетании с сортировкой входных пакетов с целью устранения выходных конфликтов и перехода к перестановкам, при которых гарантируется отсутствие конфликтов;
-
параллельное, или тандемное, использование группы Баньяновидных соединительных сетей, что увеличивает число возможных путей между входами и выходами и в пределе позволяет получить характеристики соответствующей выходной буферизации.
1.9 БУФЕРИЗОВАННАЯ БАНЬЯНОВИДНАЯ СТРУКТУРА КОММУТАТОРА ATM
При буферизованной Баньяновидной структуре коммутатора ATM на входе каждого коммутатора помещается буфер [9]. Однако, буферизация в Баньяновидной сети решает проблему внутренних конфликтов только тогда, когда эти конфликты не существуют в одних и тех же переключателях в течение длительного времени (как, например, в случае группирующегося трафика с большой длиной пачек).
Может быть предложено два способа для уменьшения потерь ячеек при передаче пачечного трафика. Первый способ состоит в увеличении скорости работы внутренних соединений по сравнению с внешними каналами. Второй способ заключается в рандомизации входного трафика по разным входам, чтобы распределить его по всей коммутационной сети и тем самым устранить эффект пачечного трафика. Для этого перед коммутационным полем ставится распределительная сеть. Эта сеть также является Баньяновидной, но пакеты в ее переключателях поочередно направляются на оба выхода. При этом адресная информация игнорируется. Кроме того, если один или два порта блокированы, то пакеты передаются на первый освободившийся порт.
1.10 БАНЬЯНОВИДНАЯ КОММУТАЦИОННАЯ СТРУКТУРА БАТЧЕРА
В Баньяновидной коммутационной структуре Батчера ячейки вначале поступают на сортировщик Батчера, в котором они сортируются (расставляются) в соответствии со своими адресами [7,9,10]. В этом случае при их направлении в Баньяновидную сеть с самомаршрутизацией внутренних конфликтов быть не должно. Однако могут быть выходные конфликты между пакетами, которые направляются на один и тот же выход. Для преодоления выходных конфликтов сортировщик Батчера дополняются специальной сетью - "ловушкой", которая распознает запросы одного и того же порта на выходе сортировщика путем сравнения адресных запросов и оставляет во всех кратных адресных запросах лишь первые.
Пакеты, которые не были пропущены "ловушкой" в коммутационную сеть, возвращаются через рециркулятор в коммутационную структуру в последующие возможные интервалы. Для этой цели специально отводится некоторое число М входных портов, что уменьшает количество входов-выходов N, обслуживаемых коммутатором ATM.
Баньяновидная коммутационная структура Батчера использовалась при разработке коммутатора Starlite в AT&T Bell Laboratories, а также коммутатора Sunshine в Bell Communications Research.
1.11 МНОГОКАСКАДНЫЕ СОЕДИНЕНИЯ С ПОЛНОДОСТУПНЫМ ВКЛЮЧЕНИЕМ
Многокаскадные сети могут быть использованы для избежания помех, которые происходят в однокаскадных сетях [10,11,12]. Многокаскадные сети строятся на основе нескольких каскадов, соединенных между собой
определенными звеновыми структурами. В соответствии с качеством данных структур, позволяющих достичь необходимый выход из данного входа, такие сети делят на 2 группы: однонаправленные и многонаправленные сети.
1.12 КОММУТАЦИОННАЯ СИСТЕМА С ДВУМЯ КАСКАДАМИ
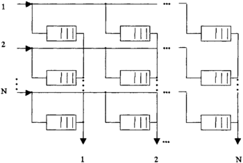
Модель коммутационной системы с двумя каскадами, представленная в рисунке 1, включает r1 матрицы nr2 в первом каскаде и r2 матрицы r1m во втором каскаде [10,12]. Эта система ясно имеет полный доступ, но в то же самое время блокируется. Фактически, если мы выбираем пару произвольных матриц Ai и Bj, в первом каскаде Ai и втором каскаде Bj, то получаем, что не более, чем одно подключение между n входами и m выходами может быть установлено в данное время. Так как этот предел возникает из-за одиночной связи между матрицами, то не блокирующая полнодоступная сеть с двумя каскадами может быть легко получена, если должным образом будет расширено межкаскадное проключение, которое обеспечивает d связей между любой парой матриц в двух каскадах (рисунок 1.6).
Минимальный фактор расширения, требуемый в не блокируемой сети равен: d = min(n,m), так как не более min(n,m), проключений может быть установлено между Аi и Bj одновременно.
Рисунок 1.6 - Двух каскадная полнодоступная коммутационная система
Стоимость не блокирующей коммутационной системы с двумя каскадами очевидно в d раз больше стоимости не расширенной системы с двумя каскадами [12].
1.13 КОММУТАЦИОННАЯ СИСТЕМА С ТРЕМЯ КАСКАДАМИ
Общая схема системы с тремя каскадами представлена на рисунке 1.7 на котором, как обычно, n и m обозначают число входов и выходов первого –(A) и третьего - (С) каскада матрицы, соответственно [11,12]. Адаптация трех каскадов в многоступенчатую сеть, представляет очень важную особенность: различные пути ввода - вывода доступны между любой парой матриц и каждый путь использует различные матрицы во втором каскаде (B). Два пути ввода - вывода могут совместно использовать межкаскадные связи, то есть когда эти два входа (выхода) принадлежат той же самый А (С) матрице. Поэтому, подходящий алгоритм управления для сети требуется, чтобы устанавливаемый путь ввода - вывода для новых проключений, не затронул уже существующие проключения ввода-вывода.
Рисунок 1.7 - Трех каскадная полнодоступная коммутационная система
Для получения наиболее общего результата относительно не блокируемой полнодоступной системы с тремя каскадами желательно будет рассмотреть схему Клоза [8,9].
В качестве примера на рисунке 1.8 представлена трехкаскадная сеть Клоза (N,n,m), применяемая в коммутаторах FETEX-150 компании Fujitsu и АТОМ фирмы NEC.
Рисунок 1.8- Система Клоза (N,n,m)
Первый каскад содержит N/n коммутационных модулей размером nm, второй — m модулей размером N/nN/n; последний каскад тоже имеет N/n модулей размера nm. Поскольку данная конфигурация обеспечивает m различных путей между каждой парой «вход—выход», распределение трафика может быть сбалансировано. Исходная последовательность ячеек должна восстанавливаться на выходах, так как в пределах коммутационного поля каждая ячейка передается независимо от других. В процессе формирования соединения обычно выбирается наименее загруженный путь, если же сеть перегружена, новый запрос не принимается.
Сеть Клоза является строго не блокирующей, если в ней всегда существует доступный путь между любыми свободными входным и выходным портами — независимо от наличия других соединений в сети. Поскольку в сетях ATM ширина полосы частот, используемой соединением, может изменяться во времени, то определение условий отсутствия блокировки является нетривиальной задачей [13].















