48551 (588565), страница 8
Текст из файла (страница 8)
Дополнительные блоки: переключатели (Klych и K_Z), управляемый ключ (Switch), машинное время (Clock), осциллограф (XY), шинный формирователь (Mux), цифровые и графические дисплеи («n, M»; «P2, P1, I1, S, KPD, Cos.f»; «n, M, I1»), рабочие характеристики, блок «U1. I1. P1», усилитель «-К-».
Блоки программ: «Ввод данных», «Построение механической характеристики» и «Построение рабочих характеристик».
Рисунок 6.2 - Схема модели лабораторной работы для исследования асинхронного двигателя с короткозамкнутым ротором
6.4.2 Ввод данных в модель
Данные исследуемого двигателя для своего варианта (таблицы П1 и П3) необходимо ввести в модель, для этого необходимо дважды щёлкнуть левой кнопкой мыши по блоку асинхронной машины AD и в открывшемся окне ввести данные двигателя (рисунок 5.4). В качестве примера использован двигатель 4А112М4У3.
6.4.3 Определение пускового момента и тока при коротком замыкании
Опыт короткого замыкания асинхронного двигателя с короткозамкнутым ротором соответствует питанию обмотки статора при заторможенном роторе. Опыт проводится с целью определения пускового момента и пускового тока [4].
Для проведения опыта необходимо открыть блок AD и изменить параметры Rotor [Rr'(ohm) Llr'(H)] на соответствующие параметры ротора при коротком замыкании R`2 кз и L`r кз для заданного варианта, а также переключить блок K_Z (рисунок 5.7) в нижнее положение щёлкнув на нём дважды левой кнопкой мыши. Это приведёт к переключению на схему, когда электромагнитный момент подаётся на вход М2. В этом случае ω=0 и получается режим короткого замыкания.
Запустить систему на моделирование нажатием на кнопку
и в установившемся режиме (когда показания блоков перестанут изменяться) остановить моделирование нажатием на кнопку
, записать пусковой момент Мп и пусковой ток I1п с цифровых дисплеев «P2, P1, I1, S, KPD, Cos.f» и «n, M». Определить кратность пускового тока
и пускового момента
. Сравнить полученные значения с паспортными.
6.4.4 Снятие динамической характеристики при параметрах короткого замыкания
Опыт проводится с параметрами двигателя из пункта 6.4.3. Блок K_Z переключить в верхнее положение, это приведёт к переключению схемы в режим снятия характеристик, а также переключить блок Klych и Dinamika (рисунок 5.7) в верхнее положение и открыв блок М2 (рисунок 4.12), установить в нём значение равное 0.
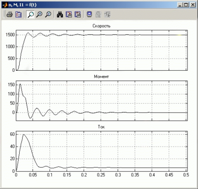
Запустить систему на моделирование, двигатель начнёт разгоняться, и скорость дойдёт до холостого хода, в установившемся режиме остановить модель. Открыть блок «Построение механической характеристики» при этом вызовется подпрограмма построения характеристики в графическом окне Figure и построит динамическую механическую характеристику пуска двигателя (рисунок 6.3). Если необходимо, вызвать редактор свойств осей через меню Edit→Axes properties (рисунок 6.4) и изменить пределы осей X и Y до удобных. Через меню File→Export сохранить характеристику как рисунок, предварительно создав для этого на диске собственную папку. Окно с характеристикой закрыть. В блоке «n, M, I1=f(t)» просмотреть переходные процессы скорости, момента и тока статора во времени (рисунок 6.5). Нажатие сочетания клавиш «Alt + Print Screen» на клавиатуре приведёт к копированию активного окна в буфер, т.е. окна с переходными процессами, откуда их можно вставить в графическую программу Paint или в Word. Сохранить рисунок с переходными процессами в ранее созданной папке для создания отчёта.
Рисунок 6.3 - Динамическая механическая характеристика двигателя при пуске без нагрузки с параметрами короткого замыкания
Рисунок 6.4 - Редактор свойств осей
Рисунок 6.5 - Переходные процессы скорости, момента и тока статора во времени при пуске двигателя без нагрузки с параметрами короткого замыкания
6.4.5 Снятие естественной механической характеристики
Механической характеристикой называют зависимость частоты вращения ротора от вращающего электромагнитного момента.
Механическая характеристика называется естественной, если она соответствует номинальному напряжению, номинальной частоте и отсутствию внешних сопротивлений в цепях обмоток [6].
По методике пункта 6.4.2 ввести в блок AD параметры номинального режима. Блок Klych и Dinamika переключить в нижнее положение. В блоке α•М2 задать скорость нарастания нагрузки Slope равной 0,15•Мн. Это значение обуславливается тем, что при большой скорости нарастания нагрузки механическая характеристика становится динамической и появляется отклонение от естественной характеристики, что наглядно видно из рисунка 6.6, а при очень маленькой скорости нарастания нагрузки процесс вычисления занимает много времени.
Рисунок 6.6 – Механические характеристики при различных значениях α
Запустить систему на моделирование, двигатель начнёт разгоняться и скорость дойдёт до холостого хода, по завершении переходного процесса блок α•М2 начнёт нагружать двигатель и в блоке XY (рисунок 4.18) будет отображаться статическая механическая характеристика. При нагрузке больше критической двигатель остановится и прейдёт в режим противовключения. При отрицательной частоте вращения приблизительно равной 0.3ּn1 об/мин остановить модель. Открыв блок «Построение механической характеристики» вызовется подпрограмма построения механической характеристики в графическом окне Figure, окно с характеристикой не закрывать.
Повторить опыт, предварительно изменив в блоке α•М2 скорость нарастания нагрузки в поле Slope на отрицательное значение. При отрицательной нагрузке двигатель прейдёт в генераторный режим с отдачей электроэнергии в сеть. При частоте вращения приблизительно равной 2ּn1 об/мин остановить модель. Повторно открыть блок «Построение механической характеристики», при этом снятая новая характеристика построится вместе с уже имеющейся (рисунок 6.7).
Рисунок 6.7 - Механическая характеристика АД во всех режимах работы
Вызвать редактор свойств осей и изменить пределы осей X и Y до удобных. Сохранить характеристику на диске как рисунок и закрыть окно.
6.4.6 Построение естественных рабочих характеристик
При изменении нагрузки двигателя изменяются токи в обмотках, мощности, частота вращения и другие эксплуатационные показатели. Под рабочими характеристиками поминают зависимость подводимой мощности, тока, скольжения, КПД и коэффициента мощности от отдаваемой мощности на валу при неизменных значениях напряжения, частоты тока питающей сети и внешних сопротивлений в цепях обмоток [6].
Рабочие характеристики снимают при увеличении нагрузки от холостого хода до 1.3 номинальной. Опыт производится аналогично пункту 6.4.5 при параметрах номинального режима. Скорость нарастания нагрузки в блоке α•М2 должна быть 0.15•Мн.
Запустить систему на моделирование, при нагрузке более 1.3 от номинальной (показания контролировать на цифровом дисплее «n, M») остановить модель. Открыв блок «Построение рабочих характеристик» получить снятые характеристики (рисунок 6.8) и сохранить их на диске как рисунок.
Рисунок 6.8 - Рабочие характеристики
Повторить опыт, сняв одну точку при нагрузке М2=0.5ּМн. Для этого необходимо переключить блок Klych в верхнее положение и в блоке М2 установить значение равное 0.
Запустить систему на моделирование, после разгона двигателя до холостого хода открыть блок М2 и установить в нём заданную нагрузку. В установившемся режиме снять показания: n, M2, P1, I1 и по этим данным рассчитать рабочие характеристики при заданной нагрузке по формулам:
,
,
,
,
к входной мощности добавляется мощность потерь в стали рсm1, так как в модели она не учитывается.
6.4.7 Снятие искусственных механических характеристик
Характеристики, не соответствующие номинальным значениям напряжения и частоты тока питающей сети, а также при наличии сопротивлений в цепях обмоток называют искусственными [6].
Во всех опытах ключ Dinamika в нижнем положении.
Снять естественную и искусственные характеристики при трёх значениях U1 и построить их в одних осях. Естественная характеристика снимается при U1= U1н. Для снятия искусственных характеристик необходимо задать напряжение U1< U1н, открыв блок «Ввод данных», при этом на экране появится меню (рисунок 5.12). Нажав кнопку «Амплитуда фазного напряжения (V, B)» в окне команд MATLAB появится приглашение ввести новое значение напряжения, следует ввести его и нажать «Enter» (рисунок 6.10), по завершении ввода данных нажать «Выход».
Рисунок 6.9 - Приглашение ввести новое значение напряжения в окне команд MATLAB
Опыт проводить по методике пункта 6.4.5 при значениях напряжения 0.5U1н, 0.75U1н и U1н, снятие характеристики в генераторном режиме не производить. Результаты представлены на рисунке 6.9.
Снять естественную и искусственные характеристики при трёх значениях f1 и построить их в одних осях. Для снятия характеристик необходимо задать через меню ввода данных частоту равную 0.7f1н, f1н и 1.3f1н. Методика снятия характеристик аналогична пункту 6.4.7.1. Результаты представлены на рисунке 6.10.
Рисунок 6.10 - Механические характеристики при трёх значениях f1
Снять естественную и искусственные характеристики при трёх значениях f1 и
, построить их в одних осях. Для снятия характеристик необходимо задать через меню ввода данных значения частот тока 0.5f1н при напряжении 0.5U1н, 0.75f1н при напряжении 0.75U1н и f1н при напряжении U1н так, чтобы сохранялось условие
. Методика снятия характеристик аналогична пункту 6.4.7.1. Результаты представлены на рисунке 6.11.
Рисунок 6.11 - Механические характеристики при трёх значениях частоты f1 и
6.5 Изучение двигателя с фазным ротором
Описание принципа действия, устройства, способов пуска и регулирования скорости приведено в разделе 2.
6.5.1 Ознакомление со схемой лабораторной работы
Для выбора схемы необходимо в окне MATLAB (рисунок 6.1) выбрать в качестве текущего каталога папку, в которой находится файл со схемой асинхронного двигателя с фазным ротором: «C:\MATLAB6p5\work\AD\AFR\AFR.mdl». На экране появится схема модели лабораторной работы для исследования асинхронного двигателя с фазным ротором, представленная на рисунке 6.12.
Рисунок 6.12 - Схема модели лабораторной работы для исследования двигателя с фазным ротором















