лаба1. елисеев. альфа (564286)
Текст из файла
Цель работы:
Моделирование системы управления нормальной перегрузкой в продольном режиме. Рассмотрение влияния коэффициентов обратных связей на процессы в системе. Рассмотрение статической и астатической системы.
Входные данные:
Высота полета: 6 км
Скорость: 189.84
Исходя из входных данных и модели летательного аппарата, рассчитаем коэффициенты системы управления:
Mwz = -0.856
Mza. = -0.164
Mza = -6.54
Mzd = -11.724
Ya=0.575
Yd=0.0822
Характеристики управляемости:
OM = 0.2657829
KSI = 0.3007358
C1 = 1.595
C2 = 7.0322
Статические коэффициенты усиления:
Ka = -1.667188
Kn = -0.323201
Градиент усиления: PN = -3.088134
Z0 = 3.3357
Z1 = 0.7583
Nya = 11.1272
W = 0.08708
Зададим желаемое KSI = 0,707
Wотн=1,2
Pнж = 1
Кш = 6,886449
Кwz = 0.3415592
Kny = 2.787167
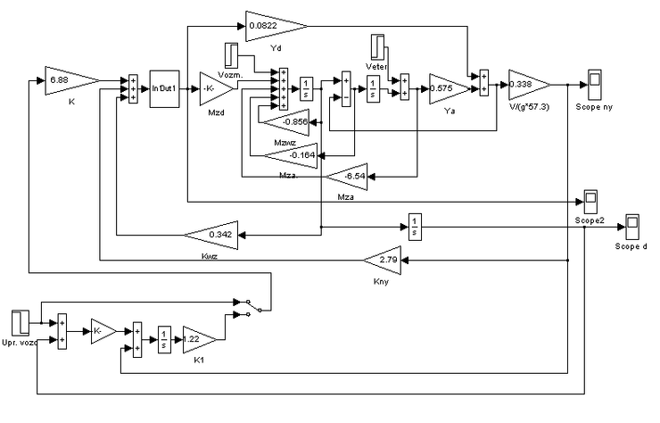
Структурная схема контура перегрузки:
Полная структурная схема контура перегрузки построенная в среде Simulink будет иметь вид:
Подадим ступенчатое возмущающее воздействие.
Переходный процесс по перегрузке будет иметь вид:
Как можно заметить установившееся значение перегрузки отлично от 1, это связано с тем что при расчете передаточных числе была взята упрощенная система уравнений, без влияния
Подберем значение коэффициента Kш вручную, таким образом чтобы установившееся значение перегрузки было равно единице:
Кш = 7,15
Введем возмущающее воздействие: (пропорционально 2м градусам)
Как мы видим установившееся значение перегрузки отлично от 1. Это связано с тем, что данная система не является астатической, а значит, малейшие ошибки в подборе коэффициентов или возмущающие воздействия приведут к изменению конечного значения перегрузки, что крайне нежелательно
Прирост в значении установившегося значения перегрузки напрямую зависит от возмущающего воздействия.
Покажем для наглядности процесс в контуре без управляющего воздействия, но с введенным возмущением.
Фактически установившееся значение в данном процессе – это и есть значение перегрузки созданное только за счет возмущения
Ветровое воздействие:
Так как ветровое воздействие было приведено в 0й момент времени, то в этот момент времени мы наблюдаем заброс по перегрузке.
Можно сместить по времени ветровое воздействие, например на 2ю секунду, в этот момент перегрузка уже будет иметь установившееся значение, равное единице. В таком случае мы увидим скачек и апериодическое уменьшение перегрузки до значения равного единице.
Варьирую коэффициенты обратных связей Kny и Kwz можно добиться получения наиболее быстрого процесса по перегрузке, который наиболее желателен. Однако следует помнить, что при этом значение перерегулирования не должно выходить за пределы 5% трубки
Рассмотрим Процессы в астатическом контуре управления. Для этого переключим переключатель в положение 2 и задействуем обратную связь по ny через интегратор.
Подадим возмущающее воздействие:
Мы убеждаемся, что даже с возмущающим воздействием конечное значение перегрузки остается равным единице, что является наиболее желательным. Таким образом, астатическая система позволяет держать заданный уровень перегрузки даже при неточных коэффициентах усиления или возмущающих воздействиях.
Однако, обратим внимание на время регулирования. Заметим, что по сравнению со статичной системой время регулирования увеличилось в несколько раз. Если в первом случае время регулирования составляет приблизительно 1с для процесса с подставленным расчетными коэффициентами и 0.7 для наиболее быстрого процесса, то в данном случае время регулирования составляет приблизительно 2.5 секунды, что кончено же является недостатком астатической системы управления.
Изменим коэффициенты для получения наиболее быстрого процесса:
В данном случае значение время регулирования составляет приблизительно 1.7 секунды, что более чем в 2 раза больше чем в статичной системе.
Рассмотрим астатический контур по углу тангажа:
В таком случае значение перегрузки будет стремиться к нулю:
Выводы:
В данной лабораторной работе мы рассмотрели статическую и астатическую систему управления нормальной перегрузкой летательного Аппарата. Мы промоделировали систему в среде simulink и посмотрели на влияние коэффициентов обратных связей на процессы в системе. Мы убедились в том что, варьируя коэффициенты обратных связей можно влиять на ключевые параметры переходного процесса – время регулирования и время регулирования.
Мы сравнили статическую и астатическую системы управления.
В статической системе управления конечное значение нормальной перегрузки достигается за счет точного подбора коэффициентов системы управления. Даже небольшие воздействия отклоняют значения перегрузки от заданного. В астатической системе управления конечное значение перегрузки не зависит от возмущающих воздействий и не так сильно зависит от точного подбора коэффициентов, это достаточно удобно и желательно при проектировании системы управления. Однако существенный недостаток астатической системы управления заключается в увеличении времени регулирования, по сравнению со статической системой время регулирования возрастает в 2 и более раз и добиться столь же быстрого процесса невозможно даже точным подбором коэффициентов обратных связей.
2
Характеристики
Тип файла документ
Документы такого типа открываются такими программами, как Microsoft Office Word на компьютерах Windows, Apple Pages на компьютерах Mac, Open Office - бесплатная альтернатива на различных платформах, в том числе Linux. Наиболее простым и современным решением будут Google документы, так как открываются онлайн без скачивания прямо в браузере на любой платформе. Существуют российские качественные аналоги, например от Яндекса.
Будьте внимательны на мобильных устройствах, так как там используются упрощённый функционал даже в официальном приложении от Microsoft, поэтому для просмотра скачивайте PDF-версию. А если нужно редактировать файл, то используйте оригинальный файл.
Файлы такого типа обычно разбиты на страницы, а текст может быть форматированным (жирный, курсив, выбор шрифта, таблицы и т.п.), а также в него можно добавлять изображения. Формат идеально подходит для рефератов, докладов и РПЗ курсовых проектов, которые необходимо распечатать. Кстати перед печатью также сохраняйте файл в PDF, так как принтер может начудить со шрифтами.
















