Курсач РЭС (560395)
Текст из файла
Московский Авиационный Институт
(государственный технический университет)
Факультет радиоэлектроники летательных аппаратов
Кафедра 404
Расчетно-пояснительная
Записка
К курсовому проекту по дисциплине
«ОК и ТП РЭС»
Выполнил: Ильинский А.М.
группа 04-315
Принял: Шишков А.Н.
Москва 2010г.
Реферат
Отчет 17 страниц, 9 рисунков, 9 таблиц, 8 источников.
Объектом исследования является высокочастотный усилитель видеосигнала, обрабатывающий сигналы с видеокамер, установленных на орбитальной космической станции.
Цель работы - разработка комплекта конструкторско-технологической документации на изготовление блока 24-канального усилителя видеосигнала. Задачами разработки являются: схемотехническая отработка конструкции, разработка конструкции, оценка показателей качества, оформление конструкторской документации.
В данной расчетно-пояснительной записке приводятся требования, предъявляемые к разрабатываемому устройству в техническом задании, анализ электрической принципиальной схемы по постоянному току и описание системы обеспечения электромагнитной совместимости, подбор элементной базы и типового разъемного соединителя, разработка системы охлаждения, характеристик функциональной ячейки и блока. Также приведены оценочные расчеты показателей надежности и вибропрочности. Для оценки температурных параметров устройства приведен расчет теплового режима и составлена схема тепловой модели.
Содержание
Введение...................................................................................................................4
1. Техническое задание...........................................................................................5
2. Анализ электрической принципиальной схемы...............................................6
2.1 Краткое описание разрабатываемого устройства................................6
2.2 Частотные свойства и ЭМС....................................................................6
2.3 Анализ принципиальной схемы по постоянному току........................6
3. Выбор элементной базы......................................................................................7
4. Разработка конструкции РЭС...........................................................................10
4.1 Выбор системы охлаждения.................................................................10
4.2 Разработка конструкции функциональной ячейки............................10
4.2.1 Расчет площади печатной платы............................................10
4.2.2 Выбор размеры печатной платы.............................................10
4.2.3 Разработка конструкции печатной платы..............................11
4.3 Разработка конструкции блока............................................................11
5. Оценка показателей качества конструкции....................................................12
5.1 Тепловое моделирование и расчет теплового режима конструкции..12
5.2 Расчет показателей вибропрочности изделия.......................................14
5.3 Расчет надежности изделия....................................................................16
Заключение.............................................................................................................18
Список использованной литературы...................................................................19
Введение
Цель работы - разработка комплекта конструкторско-технологической документации на изготовление блока 24-канального усилителя видеосигнала.
Объектом установки разрабатываемого блока устройства будет являться орбитальная космическая станция.
Задачами разработки являются: схемотехническая отработка конструкции, разработка конструкции, оценка показателей качества, оформление конструкторской документации.
В рамках курсового проекта производится схемотехническая обработка конструкции, разработка конструкции изделия, описание конструкции изделия, оценка показателей качества конструкции, расчет показателей вибропрочности и расчет надежности конструкции изделия.
1. Техническое задание
1.1. Наименование и область применения.
Наименование - блок 24-канального усилителя 50МГц с NE592 . Используется в качестве усилителя электромагнитных сигналов, пробника для измерения напряжения, устанавливается на орбитальной космической станции.
1.2. Основание для разработки.
Основанием для разработки является задание на курсовую работу по курсу «ОК и ТП РЭС», выданное кафедрой №404.
1.3. Цель и задачи разработки.
Целью разработки является комплект конструкторско-технологической документации на изготовление блока 24-канального усилителя 50МГц с NE592. Задачами разработки являются: схемотехническая отработка конструкции, разработка конструкции, оценка показателей качества, оформление конструкторской документации.
1.4. Источники разработки.
В качестве схемы 1 канала будет использована схема для 1-канального усилителя, приведенная в книге Шрайбера «400 новых радиоэлектронных схем» стр.29 рис.2.7
1.5. Тактико-технические требования.
1.5.1. Состав изделия и требования к конструкции.
Конструктивно изделие должно представлять собой блок, заключенный в герметичный корпус, выполненный в форме параллелепипеда и сделанный из легкого ударопрочного материала.
Требования к конструкции: масса не более 2 кг; габаритные размеры не более 200*200*50. Изделие должно быть выполнено на печатных платах, а также при монтаже электрорадиоэлементов должен быть использован способ монтажа на поверхность. Технология монтажа в отверстие допустима лишь для установки разъемных соединителей, индикаторов либо ручек управления.
1.5.2. Показатели назначения.
Устройство должно выполнять свои функции при следующих условиях:
- количество каналов – 24;
- ток питания до 30 мА;
- напряжения питания ±8 В ±10%;
- амплитуда входного сигнала – от 0В до 1В;
- полоса рабочих частот – от 30 МГц до 150 МГц;
- коэффициент усиления – 60 дБ.
1.5.3 Требования к надежности.
Наработка на отказ не менее 20000 часов.
1.5.4. Требования к уровню унификации и стандартизации.
В устройстве используются материалы и элементы, серийно выпускаемые промышленностью.
1.5.5. Требования к безопасности.
Изделие должно является быть безопасным по требованиям безопасности ГОСТ12.2.006-86.
1.5.6. Эстетические и эргономические требования.
Изделие должно отвечать антропометрическим и гигиеническим требованиям.
1.5.7. Условия эксплуатации.
Объектом установки изделия является орбитальная космическая станция. Исходя из данного факта, изделие должно сохранять работоспособность при следующих уровнях окружающей среды:
- температура окружающей среды от 233° К до 333° К;
- относительной влажности воздуха при Т=298° К – 100%;
- пониженное давление 0.12 кПа;
- ускорение при ударе 961 м/с²;
- длительность удара 5-12 мс;
- вибрации в диапазоне частот 0-2500 Гц;
- ускорение при вибрации до 196,2 м/с²;
- акустический шум в полосе 50-1000 Гц – 170 дБ.
1.6. Дополнительные требования.
Дополнительных требований нет.
1.7 Комплектность документации.
- расчетно-пояснительная записка;
- принципиальная электрическая схема;
- сборочный чертеж блока изделия;
- сборочный чертеж ФЯ;
- чертеж печатной платы;
- спецификация на блок;
- спецификация на ФЯ;
- перечень элементов.
1.8 Сроки выполнения работ.
Календарный план сдачи курсового проекта.
02.2010 - Техническое задание;
03.2010 - Схемотехническая отработка конструкции;
03.2010 - Разработка конструкции РЭС;
04.2010 - Расчет показателей качества;
04.2010 - Оформление записки и графической части;
05.2010 - Защита.
2. Анализ электрической принципиальной схемы
2.1. Краткое описание разрабатываемого устройства.
Блок 24-канального видеоусилителя используется для усиления сигналов с видеокамер на орбитальной космической станции. Электрическая принципиальная схема для одного канала, основанная на микросхеме NE592, приведена на рисунке 1.
Рисунок 1 - Электрическая принципиальная схема одного канала
2.2. Частотные свойства и ЭМС.
Рассмотрев рабочую полосу диапазона частот, можно заметить что, несмотря на то, что она включает в себя высокие частоты, они недостаточно высоки для появления необходимости использования микрополосковых линий. Для обеспечения стабильности работы устройства входы и выходы на печатной плате должны располагаться топологически как можно на большем расстоянии друг от друга. По этой причине расположим входы каналов на вдоль одной из сторон печатной платы, а выходы – вдоль противоположной стороны.
2.3. Анализ электрической принципиальной схемы по постоянному току.
Целью анализа является определение величин падения напряжений и протекающих токов через отдельные элементы контура. Знание приведенных параметров необходимо для определения величин рассеиваемых мощностей.
При рассмотрении электрической схемы по постоянному току принимают следующие допущения:
- величина входных сигналов по постоянной составляющей мала
- входное сопротивление выводов микросхем стремится к бесконечности
- выходное сопротивление стремится к 0
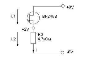
Составим эквивалентную схему, «обрывая» входные проводники микросхем и емкости (рисунок 2).
Рисунок 2 - Схема по постоянному току
Найдем напряжение на транзисторе BF345B и на сопротивлении R3:
Здесь
- напряжение на транзисторе BF245B;
- напряжение на сопротивлении R3.
Найдем величину тока через эквивалентную электрическую цепь:
Используя полученные данные, найдем рассеиваемую мощность на элементах:
Где
– мощность, рассеиваемая на полевом транзисторе,
– мощность, рассеиваемая на сопротивлении R3.
Чтобы рассчитать полную мощность рассеивания, необходимо добавить к сумме
и
еще одно слагаемое – рассеиваемую мощность на микросхеме NE592:
3. Выбор элементной базы
Основываясь на указанных в схеме номиналах элементов и вычисленной мощности рассеивания, выберем конкретную элементную базу. Приведем также параметры для указанных в схеме полевого транзистора BF245B и микросхемы NE592. Параметры выбранных резисторов, конденсаторов, транзистора и микросхемы указаны в таблице 3.1, таблице 3.2, таблице 3.3 и таблице 3.4 соответственно. Выбор резисторов производится с учетом величин рассеиваемых мощностей, вычисленных в анализе схемы по постоянному току. Очевидно, что величина предельной рассеиваемой мощности резистора должна превышать рассчитанную по постоянному току. Для резисторов, не вошедших в эквивалентную схему по постоянному току, выберем предельную рассеиваемую мощность такую же, как и у резисторов, вошедших в схему по постоянному току. Рабочее напряжение для конденсаторов подберем таким образом, чтобы оно с некоторым запасом превышало удвоенное значение напряжение питания. При выборе резисторов, конденсаторов, корпуса полевого транзистора и корпуса микросхемы будем руководствоваться требованиями к монтажу на поверхность. Следовательно, выберем SMD чип-резисторы и чип-конденсаторы. В таблице 3.1 столбец
- мощность, рассеиваемая на элементах при анализе схемы по постоянному току. Чип-резисторы и чип-конденсаторы удовлетворяют требованию к монтажу ЭРЭ на поверхность. Полевой транзистор BF245B также по умолчанию предназначен для монтажа на поверхность. Микросхема NE592 имеет несколько подтипов, различающихся типом корпусов в зависимости от технологии монтажа. Учитывая требование к ТМП, необходимо выбрать подтип «D» с 14-ю выводами. Такая микросхема имеет маркировку NE592D14. Для монтажа требуемого транзистора на поверхность используем корпус SOT323, габаритные размеры которого приведены в таблице 3.5. Для микросхемы на рисунке 3 приведено ее схематическое изображение, а в таблице 3.6 – ее габаритные параметры.
Характеристики
Тип файла документ
Документы такого типа открываются такими программами, как Microsoft Office Word на компьютерах Windows, Apple Pages на компьютерах Mac, Open Office - бесплатная альтернатива на различных платформах, в том числе Linux. Наиболее простым и современным решением будут Google документы, так как открываются онлайн без скачивания прямо в браузере на любой платформе. Существуют российские качественные аналоги, например от Яндекса.
Будьте внимательны на мобильных устройствах, так как там используются упрощённый функционал даже в официальном приложении от Microsoft, поэтому для просмотра скачивайте PDF-версию. А если нужно редактировать файл, то используйте оригинальный файл.
Файлы такого типа обычно разбиты на страницы, а текст может быть форматированным (жирный, курсив, выбор шрифта, таблицы и т.п.), а также в него можно добавлять изображения. Формат идеально подходит для рефератов, докладов и РПЗ курсовых проектов, которые необходимо распечатать. Кстати перед печатью также сохраняйте файл в PDF, так как принтер может начудить со шрифтами.
















