Курсач РЭС (560395), страница 2
Текст из файла (страница 2)
Таблица 3.1
| Элемент | Обозначение | Номинальное сопротивление (допуск ±1%) | Масса, мг |
| Номинальная мощность | Рабочая температура t° C | Размеры | ||
| Длина, мм | Ширина, мм | Высота, мм | |||||||
|
| RC0402FR-0710M | 10 МОм | 0.8 | 0 | 0.062 Вт | -55…+155 | 1 | 0.5 | 0.3 |
|
| RC0402FR-0733R | 33 Ом | 0.8 | 0 | 0.062 Вт | -55…+155 | 1 | 0.5 | 0.3 |
|
| RC0402FR-074K7 | 4.7 кОм | 0.8 | 21.2 мВт | 0.062 Вт | -55…+155 | 1 | 0.5 | 0.3 |
|
| RC0402FR-071K | 1 кОм | 0.8 | 0 | 0.062 Вт | -55…+155 | 1 | 0.5 | 0.3 |
|
| |||||||||
|
| RC0402FR-07100R | 100 Ом | 0.8 | 0 | 0.062 Вт | -55…+155 | 1 | 0.5 | 0.3 |
Таблица 3.2
| Элемент | Обозначение | Номинальная емкость (допуск ±1%) | Масса, мг | Номинальное напряжение | Рабочая температура t° C | Размеры | ||
| Длина, мм | Ширина, мм | Высота, мм | ||||||
|
| 0402N101F500 | 100 пФ | 0.2 | 50 В | -55…+125 | 1 | 0.5 | 0.5 |
|
| 1206N103F500 | 10 нФ | 0.34 | 50 В | -55…+125 | 3.2 | 1.6 | 1.6 |
|
| ||||||||
|
| 1206B104J500 | 100 нФ | 0.34 | 50 В | -55…+125 | 3.2 | 1.6 | 1.6 |
|
| ||||||||
Таблица 3.3
| Элемент |
|
|
|
|
| Рабочая температура tº С | масса, г |
| BF245B | 12.72 мВт | 6…15 мА | ±30 В | 300 мВт | - 30 В | -65…+150 | 1 |
Таблица 3.4
| Элемент |
|
|
|
| Рабочая полоса частот, МГц | Рабочая температура tº С | масса, г |
| NE592 | 80 мВт | ±8 В | 10 мА | 60 дБ | 30…150 | -65…+150 | 1.12 |
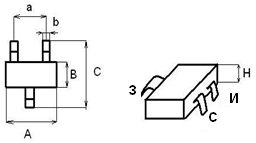
Рисунок 3 - Схематическое изображение корпуса транзистора
Таблица 3.5
| A, мм | B, мм | C, мм | H, мм | a, мм | b, мм |
| 2 | 1.25 | 2.1 | 1 | 1.3 | 0.3 |
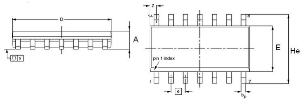
Таблица 3.6
| A, мм | D, мм | z, мм | E, мм | He, мм | e, мм | bp, мм |
| 1.75 | 8.55 | 0.3 | 3.8 | 5.8 | 1.27 | 0.36 |
Рисунок 4 - Схематическое изображение корпуса микросхемы
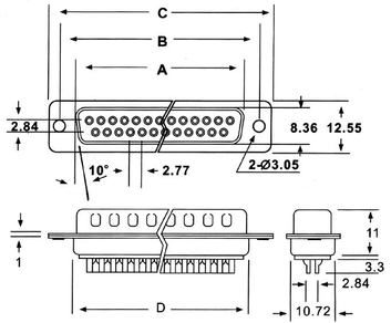
В качестве разьемного соединителя выберем разъем D-sub на 50 контактов со шлейфом из поливинилхлорида (ПВХ). Количество контактов выбирается из соображений, что на каждый из 24 каналов будет приходиться 2 контакта (сигнал и земля) и еще 2 контакта, подающих питание к схеме. В целях обеспечения стабильности работы схемы вход и выход схемы будут разнесены на противоположные концы печатной платы, на которой будут располагаться все 24 канала блока. Для обеспечения большей степени унификации расположим на входе и выходе схемы одинаковые разъемы D-sub. На рисунке 5 изображен рассматриваемый разъемный соединитель в схематическом виде. Также, в таблице 3.7 приведены его габаритные размеры.
Рисунок 5 - Схематическое изображение разъемного соединителя D-sub
Таблица 3.7
4. Разработка конструкции РЭС
4.1 Выбор системы охлаждения
Массогабаритные характеристики РЭС в значительной мере зависят от способа охлаждения, обеспечивающего нормальный тепловой режим изделия. Определим величину теплового потока, рассеиваемого поверхностью изделия:
, где
- мощность, потребляемая от источника питания, η – коэффициент полезного действия изделия. Учитывая, что входной сигнал очень мал по переменной составляющей, выходная мощность изделия тоже мала. Следовательно, ей можно пренебречь и рассматривать ситуацию, когда мощность от источника питания полностью рассеивается на элементах, т.е. КПД приблизительно равен 0.
Таким образом, тепловой поток для всех 24-х каналов будет составлять:
Чтобы выбрать систему охлаждения, необходимо найти поверхностную плотность теплового потока и допустимый перегрев в конструкции:
, где
- поправочный коэффициент на давление окружающей среды, Н=760 мм рт. ст. – нормальное давление,
- минимальное давление окружающей среды. Т.к. разрабатываемый блок будет применяться на орбитальной космической станции, а доставляться туда посредством ракеты-носителя, очевидно, что достаточно рассчитать в условиях пониженного давления для наземной аппаратуры. Это обуславливается тем, что и на орбитальной станции, и на ракете блок устройства будет располагаться в отсеках с контролируемыми параметрами среды, максимально приближенными к нормальным условиям на поверхности планеты для обеспечения комфортных условий полета астронавтов.
– площадь поверхности теплообмена,
- коэффициент дезинтеграции объема,
- суммарный установочный объем элементов.
Найдем допустимый перегрев в конструкции:
, где
- допустимая рабочая температура наименее теплостойкого элемента,
- максимальная температура окружающей среды.
Значения
и
представляют собой координаты точки, положение которой на диаграмме (3, страница 21 рисунок 4.1) определяет систему охлаждения конструкции. Точки с нашими значениями попадает в зону «1», соответствующую естественному воздушному охлаждению.
4.2 Разработка конструкции функциональной ячейки
4.2.1. Расчет площади печатной платы.
Площадь печатной платы, необходимую для одностороннего размещения радиоэлементов, находят по формуле:
, помножив на количество каналов на печатной плате, где
- коэффициент дезинтеграции площади,
- установочная площадь i-го радиоэлемента.
24*2.5*(7*0.5+4*5.12+4.2+49.59)=4666 мм²
4.2.2. Выбор размера печатной платы.
Выбор размера печатной платы определялся условием: Lx*Ly≥S, где Lx, Ly – линейные размеры печатной платы. Исходя из соображений о том, что максимальное соотношение сторон не должно превышать 3:1 и требований ГОСТ 10317-79, наиболее оптимальными размерами были выбраны 100(мм)*160 (мм). Тогда:
Lx*Ly=160*100=16000 мм², что удовлетворяет условию Lx*Ly≥S, где S=Sпл, найденная в предыдущем пункте (4.2.1.). В качестве материала для печатной платы был выбран фольгированный стеклотекстолит марки СТФ-1, для которого в таблице 4.1 приведены присущие ему характеристики.
Таблица 4.1
| Марка материала | Толщина фольги, мкм | Толщина материала с фольгой, мм | Прочность сцепления Е, г*с | Т, ºС |
| СТФ-1 | 35 | 1.5 | 450 | -60...+120 |
4.2.3. Разработка конструкции печатной платы.
Учитывая требования к понижению стоимости изготовления устройства (если это возможно), но и, отметив, что на разрабатываемой плате будет расположено 24 канала, что накладывает некоторые условия для повышения плотности компоновки элементов, выберем 3-й класс точности печатной платы, параметры которого приведены в таблице 4.2.
предельная
















