Курсач РЭС (560395), страница 3
Текст из файла (страница 3)
Таблица 4.2
| Конструктивный параметр элемента печатной платы | Минимальная ширина проводников t, мм | Минимальное расстояние между проводниками s, мм | Гарантированная ширина пояска в наружном слое | Гарантированная ширина пояска во внутреннем слое | Отношение диаметра металлизированного отверстия к толщине платы |
| Минимальный размер для класса точности | 0.25 | 0.25 | 0.1 | 0.05 | 0.33 |
Определим геометрические размеры элементов проводящего рисунка и их взаимное расположение с учетом производственных погрешностей.
Минимальный диаметр переходного отверстия:
, где
,
- толщина печатной паты, тогда
.
Минимальный диаметр контактной площадки:
,
где
;
- погрешность расположения отверстия;
- погрешность расположения контактной площадки;
- погрешность фотокопии и фотошаблона;
– толщина фольги на диэлектрическом основании. Тогда:
.
Минимальная ширина проводника:
Минимальное расстояние между проводниками:
,
где
- расстояние между осевыми линиями проводников;
– погрешность смещения проводников. Тогда:
мм.
4.3. Разработка конструкции блока
Прежде всего необходимо учесть что выбор блока уже распространенной модели является предпочтительным. Это требование вызывается неоправданностью финансовых затрат на изготовление формы для литья корпуса новой формы.
Необходимо учитывать размеры выбранной печатной платы, производя выбор корпуса. Таким образом, необходимо подобрать корпус, который размерами по длине и ширине превышает 100(мм)х160(мм). В связи с тем, что используется моноплатная компоновка, габариты по высоте соотвествуют высоте максимально высокого элемента. Это позволяет не учитывать данный габарит, т.к. все промышленные блоки без исключения превышают высоту в 5 мм (а именно такова высота микросхемы с учетом толщины печатной платы).
В результате был выбран корпус BS27BK 171(мм)х121(мм)х55(мм) производителя Gainta Industries.
5. Оценка показателей качества конструкции
5.1 Тепловое моделирование и расчет теплового режима конструкции
Тепловой режим разработанной конструкции должен соответствовать требованию нормального теплового режима: температура в любой точке конструкции
не должна превышать допустимой рабочей температуры наименее теплостойкого элемента
. Следовательно, поверочный расчет теплового режима необходимо доводить до определения температур
. Однако на практике условия нормального теплового режима конструкции приобретают иное толкование, связанное с особенностями тепловой модели конструкции.
Закономерности процессов теплообмена конструкций РЭС с окружающей средой в значительной мере определяются их структурой. Поэтому многообразие существующих конструкций можно представить классами, для каждого из которых характерна своя тепловая модель и набор показателей, необходимых для оценки теплового режима. Одним из признаков классификации может служить структура нагретой зоны конструкции.
Разрабатываемая конструкция выполнена на одной печатной плате, размещенной в корпусе, поэтому для нее может быть применена модель теплового моделирования и расчета теплового режима конструкций РЭС с источниками тепла, расположенными в плоскости.
Размещение тепловыделяющих элементов в плоскости дает возможность при оценке теплового режима ограничиться расчетом среднеповерхностной температуры нагретой зоны tз, которая с небольшой погрешностью может быть принята в качестве характеристики теплового режима элементов.
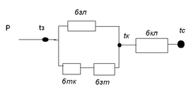
Представим конструкцию в виде тепловой модели (рисунок 6), где 2 - корпус, 1 - печатная плата (нагретая зона), 3 – установочные элементы для закрепления в корпусе.
При построении тепловой модели принимаются следующие допущения:
- нагретая зона является однородным анизотропным телом;
- источники тепла в нагретой зоне распределены равномерно;
-поверхности нагретой зоны и корпуса - изотермические со среднеповерхностными температурами tз и tк соответственно.
Рисунок 6 - Модель конструкции блока
Учитывая, что блок разрабатываемого усилителя будет располагаться на орбитальной космической станции, следовательно, передача тепла конвекцией будет отсутствовать. Также, учитывая что толщина корпуса блока лежит в пределах от 0 до 2мм, следует, что можно пренебречь теплопроводностью между его внутренней и внешней поверхностью. Таким образом, можно составить упрощенную схему теплопередачи (рисунок 7).
Рисунок 7 - Тепловая схема
Предположим что Δt=tс-tк=10ºC, где tc=60ºC – максимальная температура окружающей среды. Следовательно, tк=70ºС.
По номограмме найдем коэффициент теплопередачи излучением αлн=7.1 Вт/(м^2*К) для ε=0.8 .
Произведем пересчет коэффициента для черноты нашей поверхности блока:
αл=αлн*εн/ε=7.1*0.4/0.8=3.55 Вт/м^2*К
Отсюда, можно найти теплопроводность корпус-среда излучением:
σкл=αл*Sк=3.55*Sк.внешн.=3.55*0.073502=0.26 Вт/К
Найдем тепловой поток:
P=σкл*Δt=0.26*10=2.6 Вт
Построим тепловую характеристику для перехода «корпус-среда» (рисунок 8).
Рисунок 8 - Тепловая характеристика перехода корпус-среда
- перегрев корпус-среда
σзл=αл*Sпл , где αл=7.8 Вт/м^2*К, Sпл=0.03278 м^2, тогда σзл=0.255 Вт/К
σзт=(nλ/l)Sср, где λ=47 Вт/м*град – коэффициент теплопроводности материала бобышки (сталь), n=4 – число бобышек, l=11.3*10^(-3) м – высота бобышек, Sср=π*(rmax-rmin)^2=π*(3.75-2.75)^2=π мм^2=π*10^(-6) м^2 – средняя площадь сечения бобышек.
Таким образом:
- теплопроводность теплового контакта, где
– сопротивление теплового контакта,
- площадь теплового контакта.
- т.к. поверхность теплового контакта в нашем случае не подвергается тщательной обработке и не покрывается термопроводящей пастой.
0.307 (Вт/К)
Примем
перегрев равным 10ºС, тогда:
Найдем величину теплового потока
Построим тепловую характеристику для перехода «нагретая зона-корпус» (рисунок 9).
Рисунок 9 - Тепловая характеристика перехода нагретая зона – корпус
- перегрев для перехода нагретая зона – корпус.
tпл=60+10.5+8.9=79.4º - температура нагретой зоны (платы)
Видно, что tпл 5.2 Расчет показателей вибропрочности изделия Рисунок 10 – Схематическое изображение ПП и способа ее монтажа Для того, чтобы представить схематичное изображение печатной платы и, в частности, способа ее монтажа обратимся обратимся к рисунку 10. Конструкция считается вибропрочной, если в ней отсутствуют механические резонансы, а допустимая перегрузка на резонансной частоте превышает перегрузку, указанную в техническом задании на изделие. Отсутствие в конструкции механических резонансов характеризуется следующим соотношением частоты свободных колебаний f0 любого элемента конструкции и верхней частоты fВ диапазона частоты внешних вибрационных воздействий. Допустимая величина вибрационной перегрузки рассчитывается по формулам: где Адоп – допустимая величина прогиба упругого элемента конструкции. Vдоп – допустимая виброскорость. μ0 – коэффициент динамичности конструкции. Таким образом, оценка вибропрочности конструкции сводится к расчёту частоты свободных колебаний и допустимой величины виброперегрузки. Исходными данными для расчёта вибропрочности являются: стеклотекстолит фольгированный СФ-1, длина ПП – а=160 мм( 0.16 м), ширина ПП – b=100 мм ( 0.1 м), толщина ПП – h=1.5 мм( 0.0015 м), суммарная масса радиоэлементов - mэл=51.01344 г( 0.05101344 кг), модуль упругости материала ПП – E=71*109 Н/м2, плотность материала ПП – ρ=2.7 г/см3( 2700 кг/м3), коэффициент Пуассона - ε=0.29. 1) Коэффициент α, зависящий от способа закрепления и соотношения сторон ПП. Для принятого способа закрепления ПП: p=1, q=2, r=1. α =21.9 2) Цилиндрическая жёсткость ПП. 3) Масса ПП. mПП=ρ*VПП=2700*0.16*0.1*0.0015=0.0648 кг 4) Приведённая масса ПП к её площади. Mэл +М0=(Мэл+Мпп)/Sпп = (0.05101344+0.0648)/(0.16*0.1) = 0.1158/0.016=7.2375 кг/м2 5) Частота свободных колебаний основного тона. Видно, что не выполнятеся условие: Таким образом видно, что в диапазоне частот воздействующих вибраций будет присутствовать резонанс. 7) Допустимые величины вибрационных перегрузок на резонансной частоте конструкции. Sдоп=δдоп*b2, где δдоп – допустимая стрела прогиба материала ПП на длине 1 м. Sдоп=11*0.12=0.11 мм( 0.00011 м) Определим величину прогиба пластины: где А – амплитуда колебания края пластины, К числу возможных способов решения данной задачи в качестве примера можно привести использование демпфирующих амортизаторов в конструкции блока изделия, либо заливки всей полости внутри корпуса компаундом марки КТ-102. 5.3 Расчет надежности изделия Расчет надежности заключается в определении показателей надежности изделия по известным характеристикам надежности элементов и условиям эксплуатации. Расчет надежности выполняется на основе логической модели безотказной работы РЭС. При составлении модели предполагается, что отказы элементов независимы, а элементы и в целом РЭС могут находиться в одном из двух состояний: работоспособном и неработоспособном. Используются две логические схемы надежности: последовательная, когда отказ любого элемента ведет к отказу РЭС, и параллельная, когда отказ элемента не вызывает отказа РЭС. В данном случае используется последовательная логическая схема надежности, т.к. нет резервирования. Основными количественными характеристиками надежности являются вероятность безотказной работы РЭС P(t)=exp(– λ э*t) и среднее время наработки на отказ T=1\ λ э, где t – время непрерывной работы изделия, λ э – эксплуатационное значение интенсивности отказов РЭС. Для последовательной логической схемы надежности n λ э = ∑ λ эi i=1 где λ эi – эксплуатационное значение интенсивности отказов i-го элемента, учитывающее внешние воздействия, влияние тепловых и электрических нагрузок, n-число элементов. λ эi = ai*k1 *k2 *k3 * λ oi , где λ oi – интенсивность отказов элемента в номинальном режиме работы берем из приложения 10 (табл. П.10.1) [1], ai – поправочный коэффициент на температуру и электрическую нагрузку элемента, берем из табл. П.10.2 [1] , k1 – коэффициент, учитывающий влияние механических воздействий, берем из табл. П.10.4 [1] k2 – поправочный коэффициент на воздействие климатический факторов, берем из табл. П.10.5 [1] k3 – коэффициент, отражающий условия работы при пониженном атмосферном давлении, берем из табл. П.10.6 [1] Рекомендованные значения коэффициентов нагрузки для радиоэлементов и узлов РЭС даны в табл.П.10.3. [1]. коэффициент учитывающий влияние механических воздействий. Коэффициент взят при суммарных воздействиях при условии эксплуатации в самолете. k2=2.5 Поправочный коэффициент на воздействие климатических факторов (при влажности 90-98% и температуре 30-40 градусов. k3=1.4 Коэффициент, отражающий условия работы при пониженном атмосферном давлении.
- коэффициент передачи.
, где
- коэффициент демпфирования, значение коэффициента
принимается равным 7 для печатных плат.
, где а=196.2 м/с^2 – ускорение при вибрации (значение взято из ТЗ), f0=381.06 Гц – резонансная частота конструкции., тогда
, следовательно, величина прогиба превышает допустимое значение, таким образом необходимы дополнительные меры по устранению данной проблемы.
λС1-С5=0.563*10^(-6) λR1-R6=0.1043*10^(-6) λVT=2.45*10^(-6) λDA=0.075*10^(-6)
λпайки=0.01*10^(-6)*(24*39+28+24)=9.88*10^(-6)
λΣ=24*(λC1-C5+λR1-R6+λVT+λDA)+λпайки=86.495*10^(-6)
θ=1/(λΣ)=11560 ч – среднее время наработки на отказ, меньше требуемого в ТЗ (20000 часов)
Вероятность безотказной работы в зависимости от времени, в часах изображена на рисунке 11.
Рисунок 11 - Зависимость вероятности безотказной работы от времени работы
Для решения проблемы несоответствия среднего времени наработки на отказ требуемому в ТЗ применяются разнообразные методы. В качестве примеры возможно применение метода резервирования некоторых компонентов схемы изделия. Очевидно, что наиболее разумно резервировать компоненты, обладающие наихудшей надежностью. Некоторой компенсацией низкого времени наработки на отказ может быть улучшение ремонтопригодности. Можно добавить, что в случае разбиения 24 каналов на несколько функциональных ячеек может увеличить массогабаритные параметры блока, но позволит в случае выхода из строя некоторых из них производить замену не всех каналов сразу, а лишь отдельной ячейки. Следовательно, данный прием позволит снизить затраты на ремонт устройства.
Заключение
В результате исследования была разработана конструкция блока 24-канального ВЧ-усилителя, отвечающего части требований стабильности работы в рассматриваемой области эксплуатации.
В рабочем диапазоне частот вибраций для рассматриваемых условий эксплуатации (0-2500Гц) для разработанного блока изделия присутствует резонансная частота (381.06Гц), и амплитуда прогиба печатной платы при резонансной частоте (0.2396мм) превышает допустимый предел (до 0.11мм). К числу возможных способов решения данной задачи в качестве примера можно привести использование демпфирующих амортизаторов в конструкции блока изделия, либо заливки всей полости внутри корпуса компаундом марки КТ-102.
Разработанное устройство полностью удовлетворяет температурным требованиям (от -40ºС до +60ºС).
Требования к надежности работы устройства не выполняются (наработка на отказ не менее 20000 часов). Для решения проблемы несоответствия среднего времени наработки на отказ требуемому в ТЗ применяются разнообразные методы. В качестве примеры возможно применение метода резервирования некоторых компонентов схемы изделия. Очевидно, что наиболее разумно резервировать компоненты, обладающие наихудшей надежностью. Некоторой компенсацией низкого времени наработки на отказ может быть улучшение ремонтопригодности. Можно добавить, что в случае разбиения 24 каналов на несколько функциональных ячеек может увеличить массогабаритные параметры блока, но позволит в случае выхода из строя некоторых из них производить замену не всех каналов сразу, а лишь отдельной ячейки. Следовательно, данный прием позволит снизить затраты на ремонт устройства.
С экономической стороны разработанное изделие можно рассматривать с разных позиций. В целях уменьшения стоимости изготовления была применена элементная база, выпускающаяся в промышленных масштабах и обладающая невысокой закупочной стоимостью. С этой же целью при разработке использовалась стандартная конструкция кожуха прибора (что позволило сэкономить средства на изготовление специальной формы для изготовления). С другой стороны, в целях уменьшения габаритных параметров блока был выбран 3-й класс точности изготовления печатной платы, который является не самым дешевым из доступных для производства.
Список использованных источников
1. В.Ф. Борисов, А.А. Мухин, В.В. Чермошенский и др. Основы конструирования и технологий РЭС. Учебное пособия для курсового проектирования. Москва. МАИ 2000г.
2. Шишков А. Н. Конспект лекций по ОКиТП РЭС.
3. В.Ф. Борисов, М.Ф.Митюшин, А.А. Мухин, А.Н. Шишков, Ю.В. Чайка. Проектирование РЭС. Москва МАИ 2007г.
4. www.radioradar.net
5. www.chip-dip.ru
6. www.radioman.ru
7. www.theicstock.com
8. www.radiomuseum.org
, мм
, мм
















