Глава 11.1 (559884), страница 5
Текст из файла (страница 5)
Причинно-следственный анализ (ПСА) выявляет причины происшедшего ЧП. Тем не менее ПСА является составной частью общего анализа опасностей. Он завершается прогнозом новых ЧП и составлением плана мероприятий по их предупреждению.
Анализ начинают со сбора информации, которая призвана описать ЧП точно и объективно. Составляют перечень событий, предшествовавших ЧП, при этом обращают внимание на то, что регистрируемые реальные события и факты бывают двух видов: носящие случайный характер и носящие постоянный характер. Последние участвуют в возникновении ЧП опосредованно и в сочетании со случайными событиями. Например, плохая конструкция ограждений на машине (факт, носящий постоянный характер) способствовала проникновению руки оператора в опасную зону (случайное событие). Перечень может содержать достаточно большое число событий, предшествовавших ЧП, и по нему трудно дать необходимые заключения. В этом случае целесообразно построить ориентированный граф – дерево причин.
Рис. 11.16. Вариант представления результатов анализа ошибок оператора
Построение на
чинают с последней стадии развития событий, а именно с ЧП-несчастья. По каждому предшествующему событию последовательно ставят следующие вопросы. Каким предшествующим событием Х было непосредственно вызвано событие У? Достаточно ли было одного события X, чтобы вызвать У? Если нет, то какие другие предшествующие события Х1 Х2, ..., Хn еще необходимы, чтобы непосредственно вызвать событие У?
Таблица 11.14. Вариант представления результатов анализа ошибок персонала
| Форма анализа | Пример 1 | Пример 2 | Пример 3 |
| Система и вид работы | Объект XI | Объект Х2 | Объект ХЗ |
| Процесс Y11 | Процесс Y2 | Процесс Y3 | |
| Вид работы Z1 | Вид работы Z2 | Вид работы Z3 | |
| Цель работы | Задача по Z1 | Задача по Z2 | Задачи по Z3 |
| Вид потенциальной ошибки | D12 | D2 | D3 |
| Потенциальные последствия | А | N | К |
| Исправление ошибки | И2 | И7 | И4 |
| Причины ошибки | ПЗ | П5 | П6 |
| Метод предотвращения ошибки | П38 (пересмотр правил) | П54 (снижение шума) | П61 (изменение объекта) |
| Вероятность ошибки | 0,02 (В4) | 0,3 (В5) | 0,1 (В5) |
| Вероятность исправления ошибки | 0,2 | 0,99 | 0,01 |
| Шкала последствий | 1...100 | 1...10 | 1...10 |
| Величина последствий U | 40 | 4 | 8 |
| Расчет риска: R = Роп(1 - Рис)U | 0,64 | 0,012 | 0,792 |
| Метод снижения риска | Управление | Обучение персонала | Технические меры, обучение персонала |
| Другие данные | Нет | Нет | Нет |
Таблица 11.15. – Использование логических связей в причинно-следственном анализе
С помощью этих вопросов выявляют логические связи, представленные в табл. 11.15 (с. 335).
Логическая согласованность дерева причин контролируется путем постановки к каждому предшествующему событию следующих вопросов.
Если бы событие Х не произошло, могло бы тем не менее произойти событие У?
Было ли необходимым и достаточным само по себе событие Х для того, чтобы произошло событие У?
Процесс создания дерева причин побуждает исследователя к сбору и глубокому анализу информации. По окончании работы исследователь имеет группу факторов и диаграмму развития н-ЧП.
Логическая структура дерева причин такова, что при отсутствии хотя бы одного из предшествующих событий н-ЧП произойти не может. Это является хорошей основой для того, чтобы сформулировать предупредительные меры с целью: а) исключить повторение н-ЧП данного типа; б) избежать более или менее аналогичных н-ЧП (ЧП, которые имеют с данным ЧП общие признаки).
Анализируя дерево причин, можно также заметить, что не все предшествующие события имеют одинаковое значение для предотвращения н-ЧП. Поэтому имеет смысл составить еще один (сокращенный) перечень событий, по которому и принимать предупредительные меры.
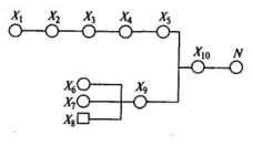
Рассмотрим пример. Во дворе предприятия водитель тягача приступил к сцепке тягача с прицепом. Операция осложнилась из-за различной высоты тягача и прицепа, и водитель спустился вниз, чтобы выяснить причину затруднения, забыв поставить тягач на тормоз. Кроме того, это был не тот тягач, который обычно эксплуатировался с этим прицепом. Когда водитель находился между прицепом и тягачом, тягач с работающим двигателем скатился назад по небольшому уклону и придавил водителя к раме прицепа.
Дерево причин дано на рис. 11.17. Результаты анализа (возможный вариант) представлены в табл. 11.16 в виде причин происшедшего ЧП, предупредительных мероприятии и источников опасности, которые спрогнозированы на базе фактов, занесенных в графу причин. Прогнозирование осуществляют в двух дополняющих друг друга направлениях: а) ведут поиск источников опасности на данном месте; б) ведут поиск рабочих мест, где данный источник опасности может быть идентифицирован. Таким образом, причинно-следственный анализ происшедшего н-ЧП не только позволяет исключить выявленные причины, но и спрогнозировать опасности. Наконец, за исполнением предупредительных мероприятий необходимо проследить. Этому будет способствовать планирование, проведенное, например, по форме табл. 11.17, которая отвечает на вопросы: кто? когда? где? сколько? Эффективность всей работы будет также зависеть от информации, которую получит персонал предприятия. Информация должна вызывать положительное отношение персонала к принимаемым мерам.
Рис. 11.17. Дерево причин аварии тягача:
А1 – обычно используемый тягач вышел из строя; Х2 – другой тягач использовался в работе; X3 – различие в высоте прицепа и нового тягача; X4 – осуществление сцепки затруднено; X5 – водитель встает между тягачом и прицепом; X6 – не включен ручной тормоз; Х7 – вибрации от работающего двигателя; X8– двор имеет уклон; X9 – тягач движется к прицепу; Х10 – водитель зажимается между прицепом и тягачом; N – несчастный случай (травма); (X8 – факт постоянного характера; остальные – случайного)
Таблица 11.16. – Вариант представления результатов причинно-следственного анализа в примере с тягачом
| Причины несчастного случая | Возможные предупредительные мероприятия | Источники опасностей |
| Двор с уклоном | Реконструкция двора | Неподходящие места стоянок |
| Не выключенный тормоз, работающий двигатель | Инструктаж водителя | Недостаточная подготовка водителей |
| Разная высота прицепа и тягача | Стандартизация соединений | Техническая несовместимость материалов |
| Тягач, вышедший из строя | Предупредительный ремонт транспортных средств | Поломка оборудования |
Таблица 11.17. – Форма для планирования предупредительных мероприятий
| Первая стадия: регистрация | |||||||
| Рассматриваемые предупредитель-ные мероприятия | Стадия внедрения мероприятий (что внедряется) | Объекты внедрения | Срок внедрения | Ответственный | Ожидаемая стоимость | ||
| Вторая стадия: проверка | |||||||
| Дата | Стадия внедрения мероприятий (что внедрено) | Результаты внедрения или причины, помешавшие внедрению | |||||
1Предполагается, что читатель изучал теорию вероятностей, и данный параграф ставит своей целью изложение основных правил применительно к анализу опасностей.
2 Сумма высказываний обозначается обычно знаком
, а сумма событий – знаком
. Для обозначения суммы удобно внести единый знак
, похожий на знак суммы
. Соответственно для произведения событий или высказываний вводим знак
, похожий на знак произведения
















