04Глава 3 (558142), страница 7
Текст из файла (страница 7)
Рис. 3. 12 Карты Вейча для минимизации функций
по аналогии
Схема синхронного реверсивного счетчика с параллельным переносом, построенная на J – K-триггерах и элементах И — ИЛИ — НЕ, показана на рис. 3.13
Рис. 3.13 Синхронный реверсивный счетчик
В зависимости от управляющего сигнала х (сложение—вычитание) открывается схема И—НЕ межразрядных переносов либо для режима сложения, лило для режима вычитания.
Емкостью счетчика называется число его различных состояний. Двоичный n–разрядный счетчик на базе счетных триггеров имеет максимальную емкость С=2 n. Если входной сигнал снимается только со старшего разряда счетчика, то он указывает, что на выход подано 2 n сигналов.
Схема счетчика, фиксирующая выходной сигнал после поступления на его вход фиксированного числа сигналов, называется пересчетной схемой. Число входных сигналов, определяющих появление выходного сигнала, называется коэффициентом пересчета схемы. При наличии обратных связей n-разрядный двоичный счетчик имеет емкость К<2 n; такие схемы называются счетчиками по модулю К. Для построения асинхронной пересчетной схемы с заданным числом состояний К определяется:
количество разрядов n из условия
число неиспользованных состояний m
обобщенная функция сброса
которая подается на общую шину установки всего счетчика в нуль.
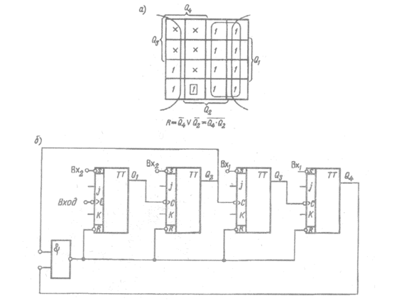
Пример. Рассмотрим построение декадного счетчика на J – K-триггерах и логической схеме И—НЕ. Декадный счетчик (к=10) можно получить из последовательного четырех разрядного счетчика с к=16, если при поступлении десятого сигнала, когда установится состояние выходов Q4Q3Q2Q1=1010, подать на общий вход установки нуля сигнал R = 1. Для этого используется управляющая комбинационная схема, выходная функция которой R равна 1 только при Q4=Q2=1 и при Q3=Q1=0. После минимизации функции сброса с использованием карт Вейча (рис. 3.14 а) получаем выражение функции
, которая реализуется на двухвходовом элементе И—НЕ, подключаемом ко входу R последовательного счетчика. Схема декадного счетчика приведена на рис. 3.14 б.
Рис. 3.14 Декадный счетчик: а — карта Вейча; б — схема декадного счетчика
При построении синхронных пересчетных схем используют методы структурного синтеза автоматов. Рассмотрим вышеприведенный пример. Кодированная таблица функций перехода и возбуждений декадного счетчика приведена в табл. 3.20.
Таблица 3.20
| № п/п | Время t | Время t+1 | Функции возбуждения | |||||||||||||
| Q4 | Q3 | Q2 | Q1 | Q4 | Q3 | Q2 | Q1 | J4 | K4 | J3 | K3 | J2 | K2 | J1 | K1 | |
| 1 | 0 | 0 | 0 | 0 | 0 | 0 | 0 | 1 | 0 | b | 0 | b | 0 | b | 1 | b |
| 2 | 0 | 0 | 0 | 1 | 0 | 0 | 1 | 0 | 0 | b | 0 | b | 1 | b | b | 1 |
| 3 | 0 | 0 | 1 | 0 | 0 | 0 | 1 | 1 | 0 | b | 0 | b | b | 0 | 1 | b |
| 4 | 0 | 0 | 1 | 1 | 0 | 1 | 0 | 0 | 0 | b | 1 | b | b | 1 | b | 1 |
| 5 | 0 | 1 | 0 | 0 | 0 | 1 | 0 | 1 | 0 | b | b | 0 | 0 | b | 1 | b |
| 6 | 0 | 1 | 0 | 1 | 0 | 1 | 1 | 0 | 0 | b | b | 0 | 1 | b | b | 1 |
| 7 | 0 | 1 | 1 | 0 | 0 | 1 | 1 | 1 | 0 | b | b | 0 | b | 0 | 1 | b |
| 8 | 0 | 1 | 1 | 1 | 1 | 0 | 0 | 0 | 1 | b | b | 1 | b | 1 | b | 1 |
| 9 | 1 | 0 | 0 | 0 | 1 | 0 | 0 | 1 | b | 0 | 0 | b | 0 | b | 1 | b |
| 10 | 1 | 0 | 0 | 1 | 0 | 0 | 0 | 0 | b | 1 | 0 | b | 0 | b | b | 1 |
Рис. 3. 15 Декадный синхронный счетчик:
а — карты Вейча; б — схема декадного счетчика
Карты Вейча для минимизации функций представлены на рис. 3.15 а, из которых получаем выражения для функций возбуждения:
Функциональная схема декадного синхронного счетчика приведена на рис. 3.15, б.
Сумматоры и вычитатели. Сумматором называется операционное устройство, выполняющее арифметическое (без учета знаков) сложение кодов чисел.
В зависимости от количества разрядов слагаемых, участвующих в сложении, различают одно- и многоразрядные сумматоры.
При сложении двух чисел независимо от системы счисления в каждом разряде суммируются три цифры две цифры данного разряда слагаемых и цифра переноса из соседнего младшего разряда. В результате сложения определяются две цифры: цифра данного разряда суммы и цифра переноса в следующий разряд.
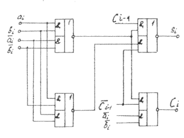
Одноразрядный полный сумматор представляет собой схему, имеющую три входа и два выхода, работа которой описывается булевыми функциями согласно таблице истинности (табл. 3.21) полного сумматора:
сумма:
перенос:
где aibi — цифра i–го разряда слагаемых; Ci-1 — перенос из предыдущего младшего разряда; Si — цифра i–го разряда суммы; Ci — перенос в следующий старший разряд.
Таблица 3.21
| ai | bi | Ci-1 | Si | Ci | ai | bi | Ci-1 | Si | Ci |
| 0 | 0 | 0 | 0 | 0 | 1 | 0 | 0 | 1 | 0 |
| 0 | 0 | 1 | 1 | 0 | 1 | 0 | 1 | 0 | 1 |
| 0 | 1 | 0 | 1 | 0 | 1 | 1 | 0 | 0 | 1 |
| 0 | 1 | 1 | 0 | 1 | 1 | 1 | 1 | 1 | 1 |
Указанные функции (или логически эквивалентные им) реализуются за одни или несколько тактов работы схемы, что позволяет получать различные виды двоичных сумматоров.
Комбинационный сумматор не обладает свойством памяти, коды слагаемых поступают на входы сумматора одновременно, выходные сигналы вырабатываются только во время действия входных сигналов.
На рис. 3.16 представлены схемы одноразрядного комбинационного сумматора, реализованного на разных типах элементов, выходные функции которого имеют вид:
элементы И — ИЛИ — НЕ:
элементы И— НЕ:
Выходные сигналы схемы вырабатываются непосредственно после одновременной подачи входных сигналов, т.е. работа схемы однотактная. При снятии сигналов со входов схемы выходные сигналы теряются.
Быстродействие одноразрядного комбинационного сумматора характеризуется временем установления выходных сигналов суммы и переноса после подачи входных сигналов. Наиболее важным с точки зрения быстродействия является время формирования сигнала переноса, так как при образовании многоразрядного сумматора из одноразрядных схем сигнал переноса может распространяться от разряда к разряду. Для увеличения быстродействия сумматоров используется принцип одновременного (параллельного) переноса, когда входной перенос каждого разряда вырабатывается независимо от переноса соседнего младшего разряда.
Перепишем уравнение i–го разряда сумматора в несколько ином виде. Если в уравнении входного сигнала переноса i–го разряда множитель Ci вынести за скобки, получим
. Введем два дополнительных уравнения
и
, здесь Pi и σi представляют собой сигналы передачи и генерирования переноса. Тогда уравнение для переноса можно записать в виде
а уравнение суммы —
Уравнения суммы и выходного сигнала переноса четырехразрядного сумматора с одновременным переносом имеют вид:
Недостатком сумматора с одновременным переносом является то, что при увеличении его разрядности функции переноса становятся все более сложными; в конечном счете практически нереализуемыми из-за большого числа внутренних соединений и перегрузки схем, генерирующих функции Pi и σi.
Для построения многоразрядного параллельного комбинационного сумматора его проектируют как устройство, состоящее из нескольких секций, для которых вводят вспомогательные функции σ и P:
Необходимо отметить, что ни одно из этих уравнений не содержит входного сигнала переноса в секцию. В связи с этим функции σ и P не зависят от числа секций, образующий сумматор, и реализуются с минимальной задержкой.
С целью для каждой четырехразрядной секции входного сигнала переноса, который зависел бы от результатов выполнений операций в младших секциях, сигналы, соответствующие функциям σ и P, можно подать на входы схем элемента «И». В этом случае входной сигнал переноса в секцию описывается следующим уравнением:
Вычитателем называется операционное устройство, выполняющее арифметическое вычитание кодов чисел.
В зависимости от количества разрядов операндов, участвующих в операциях, различают одно- и многоразрядные вычитатели.
При вычитании двух чисел в каждом разряде вычитаются три цифры: две цифры данного разряда и цифра займа из соседнего старшего разряда. В результате вычитания определяются две цифры: цифра разности и цифра займа в следующий разряд.
Одноразрядный полный двоичный вычитатель представляет по аналогии с сумматором схему, имеющую три входа и два выхода, работа которой описывается булевыми функциями, согласно таблице истинности (табл. 3.22).
Таблица 3.22
| ai | bi | Зi+1 | Si | Зi | ai | bi | Зi+1 | Si | Зi |
| 0 | 0 | 0 | 0 | 0 | 1 | 0 | 0 | 1 | 0 |
| 0 | 0 | 1 | 1 | 1 | 1 | 0 | 1 | 0 | 0 |
| 0 | 1 | 0 | 1 | 1 | 1 | 1 | 0 | 0 | 0 |
| 0 | 1 | 1 | 0 | 1 | 1 | 1 | 1 | 1 | 1 |
Разность
заем
По аналогии с полным сумматором полный вычитатель можно собрать на элементах И — ИЛИ — НЕ и И — НЕ (заменив в операции заем
на
) (рис.3.17):
на элементах И — ИЛИ — НЕ
на элементах И — НЕ
Четырехразрядный комбинационный вычитатель с одновременным переносом
Вводя две дополнительные функции
и
, получим
Рис. 3. 17 Одноразрядный комбинационный вычитатель
Необходимо подчеркнуть, что все эти уравнения могут быть записаны в виде выражений, в которые входят только значения входных сигналов ai, bi, З0 четырехразрядного вычитателя.
Распределители сигналов. Распределителем сигналов называется устройство, которое при поступлении на его вход переключающих сигналов формирует управляющий сигнал в одном из выходных каналов.
В зависимости от назначения распределители различаются числом переключающих входов, каналов, а также длительностью частотой и порядком следования формируемых сигналов.
По виду формируемых сигналов распределители сигналов классифицируются следующим образом:
распределители сигналов (потенциалов);
распределители импульсов;
комбинированные распределители.
Распределители сигналов (потенциалов) формируют выходной сигнал во время подачи переключающего сигнала и сохраняют его до прихода следующего переключающего сигнала; длительность выходного сигнала определяется периодом следования переключающих сигналов. Распределители сигналов служат основой для построения импульсных и комбинированных распределителей.
В распределителях импульсов выходной сигнал формируется только во время совпадения переключающего и стробирующего входного сигналов; длительность выходного сигнала определяется длительностью стробирующего импульса.
Распределители комбинированного типа имеют как потенциальные, так и импульсные выходы.
Схема распределителя сигналов (рис. 3.18) содержит устройство формирования параллельного кода и дешифратор. В качестве устройства формирования кода используются кольцевые сдвигающие регистры с прямыми и перекрестными связями и двоичные счетчики.
Рис. 3. 18
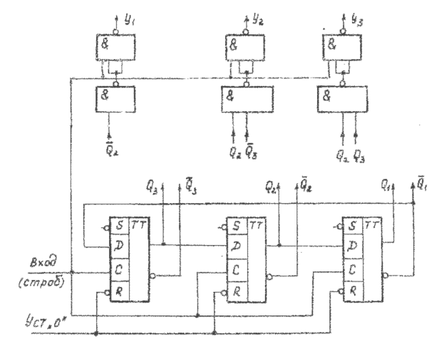
Распределители сигналов на счетчиках. При построении схем распределителей наиболее удобны счетчики с параллельным переносом, обладающие высоким быстродействием и не вызывающие ложного включения каналов при переходе из одного состояния в другое.
На рис. 3.19а приводится схема 8-канального однотактного распределителя сигналов, использующая трехразрядный счетчик на триггерах J – K и полный линейный дешифратор на элементах И — НЕ (управляющий сигнал в каналах представлен логическим нулем). Длительность управляющего сигнала равна периоду следования переключающих сигналов, поступающих с выхода счетчика (рис. 3.19б).
Рис. 3.19
Работа схемы поясняется таблицей состояний и выходов распределителя сигналов (табл. 3.23).
Таблица 3.23
Из таблицы состояний для каждого выхода распределителя справедливы следующие соотношения:
Для реализации распределителя импульсов на выходные схемы И — НЕ дешифратора следует подать через дополнительный вход стробирующий импульс, который и будет определять длительность выходного сигнала.
Распределители на регистрах. К достоинствам этих схем распределителей относятся высокое быстродействие, простота схем дешифрации, регулярность топологии разрядов; к недостаткам — наличие запрещенных состояний.
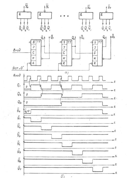
Рассмотрим методику синтеза распределителей на примере построения схемы трехканального распределителя сигналов, выдающей в следующем порядке выходные сигналы: 1, 1, 3, 3, 2, 1 и реализованной на базе регистра — счетчика Джонсона. Так как длина последовательности номеров каналов равна 6, то выбираем трехразрядный счетчик Джонсона. Занесем условия примера в таблицу состояний и выходов (табл. 3.24).
Таблица 3.24
Из табл. 3.24 определяем для выходной последовательности сигналов:
Минимизируя выражения с учетом запрещенных комбинаций
и
, получаем:
В базисе И — НЕ
Из последнего выражения видно, что для реализации у1 нужно использовать одноступенчатую логику И — НЕ, а для реализации у2 и у3 — двухступенчатую логику, поэтому для выравнивания логики запишем:
На рис. 3.20 представлена схема трехканального распределителя сигналов на счетчике Джонсона, реализованном на триггерах типа D с инверсной связью выхода Q1 со входом D3, формирующая заданную последовательность кодов.
Рис. 3. 20
В общем случае как число каналов распределителя, так и последовательность их включения могут быть заданы достаточно произвольно. При этом определяющей величиной для построения схемы распределителя является не число каналов, а длина повторяющейся последовательности номеров включаемых каналов. Эта величина соответствует числу различных состояний схемы формирования кодов, и если она кратна степени 2, то в распределителе используется полный дешифратор. В противном случае применяется неполный дешифратор, функции которого минимизируются с учетом запрещенных состояний схемы формирования кодов.
Выходы дешифратора с помощью логических схем объединяются согласно повторению номеров на выделенном участке.
2>















