04Глава 3 (558142), страница 6
Текст из файла (страница 6)
Таблица 3.18
| Сложение | Вычитание | |||||||
| Si(a) | φi-1(a) | Si+1(a) | φi(a) | Si(a) | ψ i-1(a) | Si-1(a) | ψ i(a) | |
| 0 | 0 | 0 | 0 | 0 | 0 | 0 | 0 | |
| 0 | 1 | 1 | 0 | 0 | 1 | 1 | 1 | |
| 1 | 0 | 1 | 0 | 1 | 0 | 1 | 0 | |
| 1 | 1 | 0 | 1 | 1 | 1 | 0 | 0 | |
Если соединение разрядов счетчика передает перенос (φi(a)) в старший разряд при переходе младшего разряда из состояния Si(a) в состояние Si+1(a)=0, то счетчик работает в режиме сложения:
Если перенос (заем) ψ i(a) в старший разряд образуется при переходе младшего разряда из состояния Si(a)=0 в состояние Si-1(a)=0, то счетчик работает в режиме вычитания:
Основой построения счетчиков служат триггеры. Быстродействие счетчика зависит от реализации межразрядных соединений. Существует несколько способов передачи переносов: последовательный, параллельный, сквозной, групповой и др. Групповой перенос представляет комбинацию параллельного переноса в группе и сквозного между группами разрядов счетчика и наоборот.
В счетчике с последовательным переносом счетные сигналы подаются только на вход триггера первого разряда. Для каждого из последующих разрядов сигналы переноса поступают с выхода предшествующих разрядов. В результате происходит последовательное переключение разрядов счетчика. Быстродействие такого счетчика определяется задержкой распространения сигнала:
где n— количество разрядов в счетчике; tdтр— средняя задержка триггера.
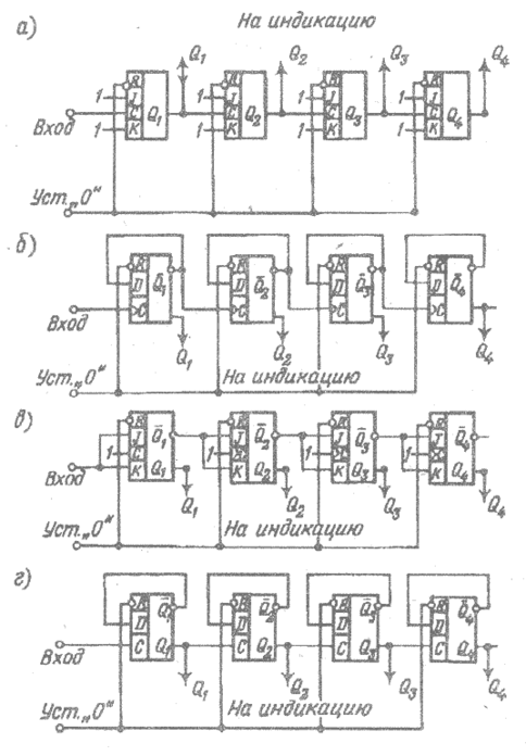
На рис. 3.10 а, б приведены схемы суммирующего, а на рис. 3.10 в, г — вычитающего счетчиков с последовательным переносом, собранных на J – K- и D-триггерах соответственно (
,
— сложение,
и
— вычитание).
Рис. 3.10 Счетчик с последовательным переносом:
а, б — суммирующий; в, г — вычитающий
В счетчиках с параллельным переносом на информационный вход каждого разряда поступают сигналы с выходов всех предшествующих разрядов, а входной счетный сигнал одновременно (параллельно) поступает на синхровходы С триггеров всех разрядов. Счетчики с параллельным переносом обычно строятся на базе J – K- и D – V-триггеров, синхронизируемых фронтом сигнала. Быстродействие счетчика с параллельным переносом определяется задержкой сигнала на одном триггере:
.
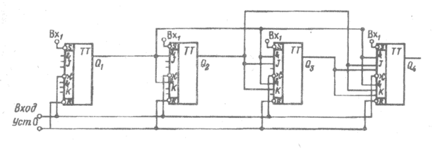
На рис. 3.11 представлены схемы суммирующего (вычитающего) счетчика с параллельным переносом на J – K-триггерах:
Алгоритм синтеза счетчиков рассмотрим на примере построения трехразрядного реверсивного синхронного счетчика (при х=0 суммирующий счетчик, при х=1 вычитающий счетчик) на J – K-триггерах.
Рис. 3.11 Счетчик с параллельным переносом
Таблица переходов счетчика представлена в столбцах 2…8 (табл.3.19).
Таблица 3.19
| № п/п | Входной сигнал х | Время t | Время t+1 | Функции возбуждения | |||||||||
| Q3 | Q2 | Q1 | Q3 | Q2 | Q1 | J3 | K3 | J2 | K2 | J1 | K1 | ||
| 1 | 0 | 0 | 0 | 0 | 0 | 0 | 1 | 0 | b | 0 | b | 1 | b |
| 2 | 0 | 0 | 0 | 1 | 0 | 1 | 0 | 0 | b | 1 | b | b | 1 |
| 3 | 0 | 0 | 1 | 0 | 0 | 1 | 1 | 0 | b | b | 0 | 1 | b |
| 4 | 0 | 0 | 1 | 1 | 1 | 0 | 0 | 1 | b | b | 1 | b | 1 |
| 5 | 0 | 1 | 0 | 0 | 1 | 0 | 1 | b | 0 | 0 | b | 1 | b |
| 6 | 0 | 1 | 0 | 1 | 1 | 1 | 0 | b | 0 | 1 | b | b | 1 |
| 7 | 0 | 1 | 1 | 0 | 1 | 1 | 1 | b | 0 | b | 0 | 1 | b |
| 8 | 0 | 1 | 1 | 1 | 0 | 0 | 0 | b | 1 | b | 1 | b | 1 |
| 9 | 1 | 0 | 0 | 0 | 1 | 1 | 1 | 1 | b | 1 | b | 1 | b |
| 10 | 1 | 1 | 1 | 1 | 1 | 1 | 0 | b | 0 | b | 0 | b | 1 |
| 11 | 1 | 1 | 1 | 0 | 1 | 0 | 1 | b | 0 | 0 | 1 | 1 | b |
| 12 | 1 | 1 | 0 | 1 | 1 | 0 | 0 | b | 0 | 0 | b | b | 1 |
| 13 | 1 | 1 | 0 | 0 | 0 | 1 | 1 | b | 1 | 1 | b | 1 | b |
| 14 | 1 | 0 | 1 | 1 | 0 | 1 | 0 | 0 | b | b | 0 | b | 1 |
| 15 | 1 | 0 | 1 | 0 | 0 | 0 | 1 | 0 | b | 0 | 1 | 1 | b |
| 16 | 1 | 0 | 0 | 1 | 0 | 0 | 0 | 0 | b | 0 | b | b | 1 |
По табл. 3.19, с использованием матрицы переходов триггера, составляется функция возбуждения кодов счетчика (столбцы 9…14). Карты Вейча (рис. 3.12) позволяют получить минимальные формы функций:
















