Оформление (539093)
Текст из файла
Федеральное агентство по образованию
Московский Государственный Технический Университет «МАМИ»
Факультет: «Автоматизация и управление»
Кафедра: «АССИ»
Курсовой проект на тему:
«Зубофрезерный полуавтомат 5М32»
Выполнил студент факультета «АиУ» Борисонов А.М.
Группы 7АиУ8
Подпись:___________
Проверил Григорьев Е.В.
Подпись:___________
оценка_______
Москва 2008г.
1. Технические характеристики станка 5М32
1.1. НАЗНАЧЕНИЕ И ОБЛАСТЬ ПРИМЕНЕНИЯ
Зубофрезерный станок модели 5М32 является полуавтоматом, работает по методу обката и предназначен для нарезания зубьев цилиндрических и червячных колес в условиях мелкосерийного и серийного производства. В качестве инструмента используются червячные фрезы.
Полуавтомат выполнен по вертикальной компоновке с неподвижной инструментальной стойкой и подвижным в горизонтальном направлении столом.
| Технические характеристики станка мод. 5М32 | |||||||||||||||
| Н | ||||||||||||||
1.2.СОСТАВ СТАНКА
1.2.1. Общий вид с обозначением составных частей станка (рис. 2).
Рис. 1. 5М32 Зубофрезерный полуавтомат
1.2.1. Общий вид с обозначением составных частей станка (рис. 2).
1.2.2. Перечень составных частей станка
| Номер позиции на рис. 2 | Наименование | ||
| 1 | Станина | ||
| 2 | Коробка скоростей | ||
| 3 | Рукоятка включения вертикальной подачи | ||
| 4 | Коробка распределения движений | ||
| 5 | Кнопка включений золотника | ||
| 6 | Квадрат валика | ||
| 7 | Пульт управления | ||
| 8 | Упор | ||
| 9 | Рукоятка реверса | ||
| 10 | Стойка | ||
| 11 | Переключение блока тангенциальной поддержки | ||
| 12 | Каретка | ||
| 13 | Валик | ||
| 14 | Фрезерный суппорт | ||
| 15 | Контроподдержка | ||
| 16 | Задняя стойка | ||
| 17 | Стол | ||
| 18 | Рукоятка | ||
| 19 | Рукоятка лубрикатора | ||
| 20 | Валик | ||
| 21 | Рукоятка перемещения упора стола | ||
| 22 | Упор | ||
Рис.2 Зубофрезерный полуавтомат 5М32к
1.3. УСТРОЙСТВО И РАБОТА СТАНКА И ЕГО СОСТАВНЫХ ЧАСТЕЙ
1.3.1. Пульт управления зубофрезерного станка 5М32 (рис.3)
1.3.2. Перечень органов управления
| Номер позиции на рис. 3 | Органы управления и их назначение | Номер позиции на рис. 2 | Органы управления и их назначение |
| 1 | Переключатель изменения направления вращение фрезы | 18 | Лампа, сигнализирующая о включение радиальной подачи |
| 2 | Переключатель работы правой или левой фрезы | 19 | Кнопка останова цикла |
| 3 | Кнопка останова главного привода | 20 | Кнопка пуска цикла |
| 4 | Кнопка пуска главного привода | 21 | Кнопка включения ускоренного хода стола вправо |
| 5 | Переключатель включения и выключения освещения | 22 | Кнопка включения ускоренного хода стола влево |
| 6 | Переключатель включения осевой передвижки фрезы в цикле | 23 | Кнопка пуска гидравлики |
| 7 | Переключатель установки частоты вращения фрезы на первом рабочем ходу | 24 | Лампа, сигнализирующая о включении гидравлики |
| 8 | Переключатель установки частоты вращения на втором рабочем ходу | 25 | Кнопка общий стоп |
| 9 | Кнопка пуска подачи вверх | 26 | Кнопка включения ускоренного хода суппорта вниз |
| 10 | Кнопка останова подачи | 27 | Кнопка включения ускоренного хода суппорта вверх |
| 11 | Кнопка пуска подачи вниз | 28 | Переключатель установки цикла обработки: один рабочий ход, наладочный, два рабочих хода |
| 12 | Лампа, сигнализирующая о включении напряжения | 29 | Переключатель установки метода обработки: попутный, попутно-встречный, радиальное врезание |
| 13 | Переключатель подачи охлаждения | 30 | Кнопка включения осевой передвижки фрезы в наладке |
| 14 | Переключатель установки величины подачи на первом рабочем ходу | 31 | Лампа, сигнализирующая включение осевой передвижки фрезы |
| 15 | Переключатель установки величины подачи на втором рабочем ходу | ||
| 16 | Лампа, сигнализирующая о включении подачи вверх | ||
| 17 | Лампа, сигнализирующая о включении подачи вниз | ||
Рис.3 Пульт управления зубофрезерного станка 5М32
| Рис. 2. Размещение органов управления на станке |
| Наибольший диаметр нарезаемых цилиндрических колес, мм | 800 |
| Наибольший нарезаемый модуль, мм | 10 |
| Пределы частот вращения фрезы, с1 | 0,83-5,25 |
| Пределы подачи, мм/об |
|
| Вертикальной | 0,8...5,0 |
| Радиальной | 0,15...1 |
| тангенциальной | 0,17...3,1 |
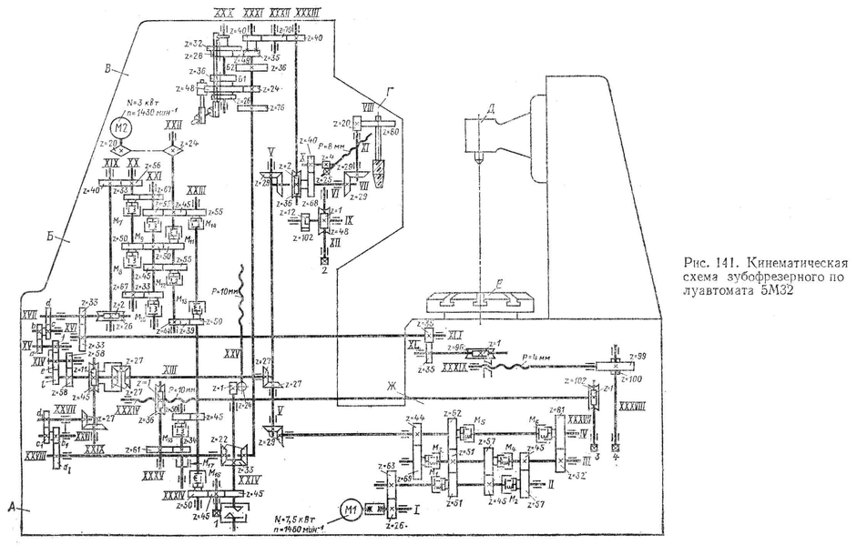
1.3.4. Кинематическая схема (рис.4)
Конструктивно станок состоит из следующих основных узлов: станины А, на которой закреплена стойка B, по ней перемещается фрезерный суппорт Г. Стол E движется по горизонтальным направляющим станины (рис. 4). Узел Д поддерживает верхний конец оправки с установленными на ней заготовками. Коробка скоростей Ж расположена в станине, а в суппортной стойке - коробка подач Б. При обработке заготовок на станке осуществляется главное движение — вращение фрезы.
Кинематическая схема станка показана на рис. 4.
Рис.4. Кинематическая схема станка
1.3.5. Принципиальная схема смазки станка.
Маслоуказатели:
-
резервуар смазки и гидравлики
-
суппортная стойка
-
каретка суппорта
-
зубчатые колеса суппорта
-
суппорт
-
подшипники фрезерной оправки
-
каретка контрподдержки
-
стол
9,10. резервуар стола
11. редуктор шнекового транспотера
Перед первоначальным запуском станка масло для смазки заливают во все резервуары, а также поливают им открытые участки направляющих. Контроль уровня масла в резервуарах производят по маслоуказателям, помеченным на схеме (рис.5) черно-белыми кружками
Рис. 5 Схема смазки зубофрезерного станка 5М32
1.3.6. Установка заготовки. рис.6
Заготовка должна быть закреплена в установочном приспособлении жестко, не пружинить и не перемещаться в процессе обработки под действием сил резания. Конструкция установочного приспособления должна учитывать размеры и конфигурацию заготовки, а также требования по точности нарезания. Опорный торец приспособления должен располагаться по возможности ближе к нарезаемому венцу, что повышает жесткость системы деталь- приспособление. Заготовки типа вал- шестерни устанавливаются в центре стола станка и контрподдержки и жестко соединяют со столом механическими или гидравлическими устройствами. Рекомендуется проверять радиальное и торцевое биение установленной на станок заготовки, доводя их до величин, указанных на чертеже.
Рис.6 Способ крепления заготовки при зубофрезеровании.
1.3.7. Положение фрезы и заготовки перед началом нарезания зубьев по методу попутного фрезерования за один рабочий ход рис. 7
Характеристики
Тип файла документ
Документы такого типа открываются такими программами, как Microsoft Office Word на компьютерах Windows, Apple Pages на компьютерах Mac, Open Office - бесплатная альтернатива на различных платформах, в том числе Linux. Наиболее простым и современным решением будут Google документы, так как открываются онлайн без скачивания прямо в браузере на любой платформе. Существуют российские качественные аналоги, например от Яндекса.
Будьте внимательны на мобильных устройствах, так как там используются упрощённый функционал даже в официальном приложении от Microsoft, поэтому для просмотра скачивайте PDF-версию. А если нужно редактировать файл, то используйте оригинальный файл.
Файлы такого типа обычно разбиты на страницы, а текст может быть форматированным (жирный, курсив, выбор шрифта, таблицы и т.п.), а также в него можно добавлять изображения. Формат идеально подходит для рефератов, докладов и РПЗ курсовых проектов, которые необходимо распечатать. Кстати перед печатью также сохраняйте файл в PDF, так как принтер может начудить со шрифтами.















