yslovie-tr (520897)
Текст из файла
Вариант 1
Цилиндрический некоаксиальный конденсатор имеет указанные в таблице размеры.
-
Найти допустимое напряжение при заданной допустимой напряжённости электрического поля. Сравнить полученное значение с допустимым напряжением для такого же конденсатора при a=0.
-
Рассчитать ёмкость на единицу длины. Сравнить полученное значение ёмкости с ёмкостью такого же конденсатора при a=0.
-
Провести эквипотенциали через каждые 25% от приложенного напряжения.
-
Провести силовую линию через точку М.
-
Рассчитать плотность поверхностных зарядов в точке М.
-
Рассчитать и построить график распределения напряжённости электрического поля и потенциала в плоскости АВ.
| 1 | 2 | 3 | 4 | 5 | 6 | 7 | 8 | 9 | 10 | 11 | 12 | |
| d1, мм | 70 | 80 | 90 | 100 | 110 | 120 | 70 | 80 | 90 | 100 | 110 | 120 |
| d2, мм | 40 | 40 | 50 | 50 | 60 | 60 | 30 | 30 | 40 | 40 | 50 | 50 |
| a, мм | 5 | 10 | 10 | 15 | 15 | 20 | 10 | 15 | 15 | 20 | 20 | 25 |
| | 6 | 5 | 4 | 4 | 5 | 6 | 6 | 5 | 4 | 4 | 5 | 6 |
| Едоп, кВ/см | 100 | 150 | 200 | 100 | 150 | 200 | 100 | 150 | 200 | 100 | 150 | 200 |
Вариант 2
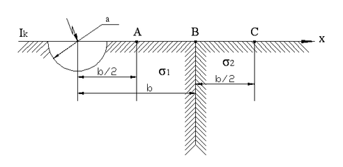
Полусферический заземлитель находится в среде с удельной проводимостью 1 на расстоянии b от плоскости границы, отделяющей эту среду от среды с проводимостью 2.
-
Определить потенциал эаземлителя относительно бесконечно удалённой точки.
-
Рассчитать и построить эквипотенциаль на поверхности земли, проходящую через точку С. На этом же чертеже качественно провести силовые линии вектора E по одну сторону плоскости симметрии и вектора плотности тока J по другую.
-
Найти точки пересечения границы опасной зоны с осью Х, полагая, что допустимое шаговое напряжение Uш=40 В, а длина шага 0,7 м.
-
Рассчитать радиус опасной зоны для случая, когда вся почва имеет одинаковую проводимость =1. Указать на чертеже опасную зону и точки, определённые в пункте 3.
-
Рассчитать и построить вектор плотности тока по обе стороны границы раздела двух сред с проводимостью 1 и 2 в точке на расстоянии b/2 от поверхности.
-
Построить график изменения напряжённости поля и потенциала по оси X.
Примечание. При расчёте полагать а<<b.
| 1 | 2 | 3 | 4 | 5 | 6 | 7 | 8 | 9 | 10 | 11 | 12 | |
| а, м | 0,5 | 0,4 | 0,3 | 0,2 | 0,6 | 0,5 | 0,4 | 0,2 | 0,3 | 0,4 | 0,5 | 0,6 |
| b, м | 10 | 10 | 8 | 6 | 5 | 5 | 6 | 6 | 7 | 8 | 10 | 10 |
| 1, см/м | 0,1 | 0,1 | 0,1 | 0,2 | 0,2 | 0,2 | 0,5 | 0,4 | 0,3 | 0,6 | 0,8 | 1,0 |
| 2, см/м | 0,5 | 0,4 | 0,3 | 0,6 | 0,8 | 1,0 | 0,1 | 0,1 | 0,1 | 0,2 | 0,2 | 0,2 |
| Jк, А | 1000 | 2000 | 3000 | 1000 | 2000 | 3000 | 1000 | 2000 | 3000 | 1000 | 2000 | 3000 |
Вариант 3
Металлический цилиндр расположен в проводящей среде между двумя металлическими стенками, образующими угол 90.
-
Рассчитать проводимость между цилиндром и стенками на единицу длины.
-
В плоскости ОВ рассчитать плотность тока при заданном потенциале провода (потенциал стенок считать равным 0).
-
Качественно построить картину линий тока и эквипотенциалей.
-
Построить график изменения потенциала вдоль биссектрисы угла.
-
Рассчитать и построить вектор напряжённости электрического поля в точке А.
Примечание: При расчёте полагать r0<<a.
| 1 | 2 | 3 | 4 | 5 | 6 | 7 | 8 | 9 | 10 | 11 | 12 | |
| , В | 100 | 120 | 140 | 160 | 180 | 200 | 220 | 240 | 260 | 280 | 300 | 320 |
| а, мм | 40 | 50 | 60 | 70 | 80 | 90 | 100 | 110 | 120 | 130 | 140 | 150 |
| r0, мм | 2 | 3 | 4 | 2 | 3 | 4 | 2 | 3 | 4 | 2 | 3 | 4 |
| , см/м | 0,1 | 0,2 | 0,3 | 0,4 | 0,5 | 0,6 | 0,7 | 0,8 | 0,9 | 0,1 | 0,2 | 0,3 |
Вариант 4
Металлический цилиндрический стержень находится в среде с проводимостью .
-
Найти так утечки между стержнем и металлической поверхностью, если потенциал стержня с, а потенциал проводящей поверхности 0=0.
-
Найти проводимость на единицу длины G1 между стержнем и металлической поверхностью без учёта влияния непроводящей стенки. Сравнить это значение с проводимостью, вычисленной с учётом влияния стенки.
-
Построить качественно две эквипотенциали, проходящие через точки А, В, учитывая граничные условия на поверхности раздела сред.
-
Найти плотность тока в точке В поверхности.
Примечание. При расчёте считать, что r0<<a, r0<<h.
| 1 | 2 | 3 | 4 | 5 | 6 | 7 | 8 | 9 | 10 | 11 | 12 | |
| с, кВ | 2 | 1.5 | 1 | 0,4 | 0,5 | 0,22 | 0,22 | 0,5 | 0,4 | 1 | 2 | |
| 10, см/м | 9 | 1 | 3 | 2 | 1 | 3 | 1 | 2 | 4 | 3 | 2 | 4 |
| h, м | 1,5 | 1,4 | 1,3 | 1.2 | 1.2 | 1,0 | 0,8 | 0,8 | 1,0 | 1,2 | 1,3 | 1,4 |
| а, м | 1,0 | 0,9 | 0,8 | 0,7 | 0,6 | 0,9 | 1,0 | 1,1 | 1,2 | 0,6 | 0,7 | 0,8 |
| r0102, м | 5 | 4 | 3 | 6 | 5 | 4 | 3 | 6 | 5 | 4 | 3 | 5 |
Вариант 5
В полукруглой трубе, заполненной несовершенной изоляцией с электрической проводимостью , проложена цилиндрическая жила. Между жилой и трубой приложено напряжение U0.
-
Рассчитать проводимость между трубой и жилой на единицу длины.
-
Рассчитать и построить распределение напряжённости электрического поля и потенциала по оси X.
-
Провести эквипотенциаль через точки с потенциалом, равным U0/2.
-
Рассчитать удельную мощность, рассеиваемую в единице объёма изоляции вдоль плоскости Y0Z.
Примечание. При расчёте учесть, что d<<R и d<<b.
| 1 | 2 | 3 | 4 | 5 | 6 | 7 | 8 | 9 | 10 | 11 | 12 | |
| U0, кВ | 1 | 2 | 3 | 4 | 10 | 6 | 6 | 4 | 2 | 1 | 0,5 | 2 |
| R, мм | 100 | 100 | 50 | 60 | 200 | 200 | 200 | 150 | 150 | 150 | 150 | 100 |
| d, мм | 2 | 2 | 4 | 6 | 15 | 15 | 4 | 2 | 4 | 2 | 4 | 4 |
| b, мм | 80 | 20 | 20 | 30 | 100 | 80 | 120 | 40 | 80 | 50 | 110 | 80 |
| 107, см/м | 0,1 | 2 | 1 | 0,15 | 0,1 | 0,05 | 1 | 10 | 0,1 | 0,1 | 0,1 | 1 |
Характеристики
Тип файла документ
Документы такого типа открываются такими программами, как Microsoft Office Word на компьютерах Windows, Apple Pages на компьютерах Mac, Open Office - бесплатная альтернатива на различных платформах, в том числе Linux. Наиболее простым и современным решением будут Google документы, так как открываются онлайн без скачивания прямо в браузере на любой платформе. Существуют российские качественные аналоги, например от Яндекса.
Будьте внимательны на мобильных устройствах, так как там используются упрощённый функционал даже в официальном приложении от Microsoft, поэтому для просмотра скачивайте PDF-версию. А если нужно редактировать файл, то используйте оригинальный файл.
Файлы такого типа обычно разбиты на страницы, а текст может быть форматированным (жирный, курсив, выбор шрифта, таблицы и т.п.), а также в него можно добавлять изображения. Формат идеально подходит для рефератов, докладов и РПЗ курсовых проектов, которые необходимо распечатать. Кстати перед печатью также сохраняйте файл в PDF, так как принтер может начудить со шрифтами.
















