yslovie-tr (520897), страница 4
Текст из файла (страница 4)
Вариант 16
В среде с удельной проводимостью 1, расположен шар с удельной проводимостью 2. Поле создаётся двумя электродами, форму которых требуется определить. Расстояние по оси Y (при X=0; Z=0) между электродами должно быть равно 1,4 от диаметра шара, 2a=60 мм.
-
Рассчитать и построить профиль электродов, обеспечивающих создание однородного поля в шаре.
-
Определить разность потенциалов между электродами, при которой плотность тока внутри шара 2 равна заданному значению.
-
Определить, какая при этом будет максимальная напряжённость поля в среде, окружающей шар.
-
Провести силовые линии вектора E (на одной стороне чертежа) и вектора плотности тока (на другой). Качественно построить картину поля и профиль электродов до Х=(34)а.
-
Рассчитать и построить эпюру распределения плотности тока в плотности XZ, J(X).
-
Рассчитать удельную мощность, выделяющуюся в точке с координатами x1= 30 мм; y1=10 мм.
| 1 | 2 | 3 | 4 | 5 | 6 | 7 | 8 | 9 | 10 | 11 | 12 | |
| 110, см/м | 1 | 1 | 1 | 2 | 3 | 4 | 2 | 2 | 2 | 4 | 6 | 7 |
| 210, см/м | 2 | 3 | 4 | 1 | 1 | 1 | 4 | 6 | 7 | 2 | 2 | 2 |
| J2, кА/м2 | 0,1 | 0,2 | 0,3 | 0,4 | 0,5 | 0,6 | 0,1 | 0,2 | 0,3 | 0,4 | 0,5 | 0,6 |
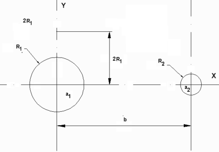
Вариант 17
Две металлические трубы радиусами R1 и R2 находятся в среде с проводимостью . Разность потенциалов между трубами U0.
-
Рассчитать ток между трубами на единицу длины.
-
Построить эквипотенциали, проходящие через каждые 25% от приложенной разности потенциалов.
-
Рассчитать и построить две силовые линии, лежащие на поверхности, ограничивающие одну из силовых трубок, в которой протекает 10% всего тока.
-
Рассчитать и построить вектор напряжённости электрического поля в точке А.
-
Рассчитать и построить график изменения потенциала и напряжённости электрического поля вдоль оси Y.
| 1 | 2 | 3 | 4 | 5 | 6 | 7 | 8 | 9 | 10 | 11 | 12 | |
| U0, В | 100 | 200 | 300 | 400 | 100 | 200 | 300 | 400 | 100 | 200 | 300 | 400 |
| R1, м | 0,2 | 0,2 | 0,2 | 0,2 | 0,4 | 0,4 | 0,4 | 0,4 | 0,6 | 0,6 | 0,6 | 0,6 |
| R2/R1 | 0,4 | 0,4 | 0,5 | 0,5 | 0,2 | 0,2 | 0,3 | 0,3 | 0,6. | 0,6 | 0,4 | 0,4 |
| b/ R1 | 2,0 | 2,0 | 2,5 | 2,5 | 1,8 | 1,8 | 2,0 | 2,0 | 2,2 | 2,2 | 2,1 | 2,1 |
| 10, см/м | 4 | 3 | 2 | 1 | 1 | 2 | 3 | 1 | 4 | 3 | 2 | 1 |
Вариант 18
В среде с удельной проводимостью 1 раcположен цилиндр с удельной проводимостью 2. Поле создаётся двумя электродами, форму которых требуется определить. Расстояние между электродами по оси Y (при X=0) должно быть равно 2,5а.
-
Рассчитать и построить профиль электродов, обеспечивающих создание однородного поля в цилиндре. Считать, что длина цилиндра много больше его диаметра.
-
При заданной максимальной напряжённости в первой среде E1max рассчитать разность потенциалов между электродами.
-
Провести эквипотенциали и силовые линии вектора плотности тока (на одной стороне чертежа) и вектора E (на другой).
-
Построить график распределения напряжённости поля и потенциале вдоль оси Y.
-
Построить эпюру распределения плотности тока J(X) и напряжённости электрического поля E(х) в плоскости ХZ. Картину поля и профиль электродов строить до Х=(34)а.
-
Рассчитать удельную мощность, выделяющуюся в точке с координатами x1; y1.
| 1 | 2 | 3 | 4 | 5 | 6 | 7 | 8 | 9 | 10 | 11 | 12 | |
| 110, см/м | 1 | 1 | 1 | 1 | 2 | 3 | 4 | 5 | 2 | 2 | 8 | 10 |
| 210, см/м | 2 | 3 | 4 | 5 | 1 | 1 | 1 | 1 | 8 | 10 | 2 | 2 |
| E1max10–3, кВ/м | 10 | 8 | 6 | 10 | 8 | 6 | 10 | 8 | 6 | 10 | 8 | 6 |
| а, мм | 20 | 40 | 60 | 30 | 50 | 70 | 20 | 40 | 60 | 30 | 50 | 70 |
| x1, мм | 30 | 40 | 50 | 30 | 50 | 70 | 30 | 35 | 55 | 35 | 55 | 75 |
| y1, мм | 20 | 30 | 50 | ад | 30 | 60 | 10 | 25 | 40 | 25 | 35 | 90 |
Вариант 19
Две металлические трубы радиусами R1 и R2 находятся в среде с диэлектрической проницаемостью . Разность потенциалов между трубами U0.
-
Рассчитать ёмкость системы проводов и линейный заряд.
-
Построить эквипотенциали через каждые 25% приложенной разности потенциалов.
-
Рассчитать и построить эпюру распределения плотности поверхностного заряда на большем электроде.
-
Рассчитать и построить вектор напряжённости электрического поля в точке А.
-
Рассчитать и построить графики изменения потенциала и напряжённости электрического поля вдоль осей Х, Y.
| 1 | 2 | 3 | 4 | 5 | 6 | 7 | 8 | 9 | 10 | 11 | 12 | |
| U0, В | 100 | 200 | 300 | 400 | 100 | 200 | 300 | 400 | 100 | 200 | 300 | 400 |
| R1, м | 0,2 | 0,2 | 0,2 | 0,2 | 0,4 | 0,4 | 0,4 | 0,4 | 0,6 | 0,6 | 0,6 | 0,6 |
| R2/R1 | 0,4 | 0,4 | 0,5 | 0,5 | 0,2 | 0,2 | 0,3 | 0,3 | 0,6 | 0,6 | 0,4 | 0,4 |
| b/ R1 | 2,0 | 2,0 | 2,5 | 2,5 | 1,8 | 1,8 | 2,0 | 2,0 | 2,2 | 2,2 | 2,1 | 2,1 |
| | 4 | 3 | 2 | 1 | 1 | 2 | 3 | 10 | 4 | 3 | 2 | 1 |
















