yslovie-tr (520897), страница 6
Текст из файла (страница 6)
Вариант 25
Металлический цилиндр радиуса r0 заряжен до потенциала 1 относительно бесконечно протяженной проводящей поверхности.
-
Рассчитать и построить график распределения потенциала и вертикальной составляющей напряжённости электрического поля вдоль границы раздела диэлектрика.
-
В среде с диэлектрической проницаемостью 2 построить эквипотенциали через каждые 25% от рассчитанного в пункте 1 максимального значения потенциала. Одну из линий продолжить в среде с 1.
-
Построить силовые линии, проходящие в области с 2 через точки А и В.
-
В одной из точек пересечения силовой линии с плоскостью раздела диэлектриков рассчитать и построить векторы E, D, P.
-
Рассчитать и построить распределение поверхностной плотности свободных, связанных и полных зарядов вдоль проводящей поверхности.
Примечание. При расчёте учесть, что r0<<a и r0<<b.
| 1 | 2 | 3 | 4 | 5 | 6 | 7 | 8 | 9 | 10 | 11 | 12 | |
| 1, кВ | 1 | 2 | 3 | 4 | 1 | 2 | 3 | 4 | -1 | -2 | -3 | -4 |
| а, мм | 50 | 60 | 70 | 80 | 30 | 40 | 50 | 60 | 20 | 30 | 40 | 50 |
| b, мм | 30 | 40 | 50 | 60 | 50 | 60 | 70 | 80 | 10 | 20 | 30 | 40 |
| 1 | 6 | 6 | 6 | 6 | 1 | 1 | 1 | 1 | 1 | 1 | 4 | 4 |
| 2 | 1 | 1 | 1 | 1 | 6 | 6 | 6 | 6 | 4 | 4 | 1 | 1 |
Вариант 26
Два цилиндрических металлических стержня находятся по одну и другую сторону от границы раздела двух проводящих сред. Оси стержней параллельны.
-
Рассчитать проводимость между стержнями на единицу длины системы.
-
Найти ток утечки при заданном значении разности потенциалов U между проводами.
-
Рассчитать разность потенциалов UАВ.
-
Рассчитать и построить потенциалы и вертикальную составляющую напряжённости поля вдоль оси ВС.
-
Найти векторы плотностей тока в точке С по обе стороны границы. Построить найденные векторы плотностей тока и напряжённостей поля.
Примечание. При расчёте учесть, что r0<<a и r0<<b.
| 1 | 2 | 3 | 4 | 5 | 6 | 7 | 8 | 9 | 10 | 11 | 12 | |
| а, м | 0,5 | 0,6 | 0,7 | 0,8 | 0,4 | 0,3 | 0,5 | 0,6 | 0,7 | 0,8 | 0,4 | 0,3 |
| b, м | 0,7 | 0,8 | 0,6 | 0,5 | 0,3 | 0,4 | 0,7 | 0,8 | 0,6 | 0,5 | 0,3 | 0,4 |
| 110, см/м | 1 | 2 | 4 | 5 | 1 | 2 | 3 | 1 | 2 | 3 | 4 | 5 |
| 210, см/м | 10 | 6 | 1 | 2 | 5 | 1 | 6 | 3 | 6 | 6 | 1 | 2 |
| r0, мм | 5 | 10 | 15 | 20 | 20 | 20 | 20 | 20 | 20 | 15 | 15 | 15 |
| U, кВ | 2 | 3 | 6 | 10 | 2 | 2 | 3 | 3 | 5 | 5 | 4 | 4 |
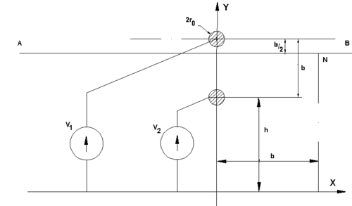
Вариант 27
По заданным в таблице параметрам высоковольтной линии рассчитать:
-
Частичные ёмкости.
-
Рабочую ёмкость линии.
-
Заряд, приходящийся на 1 км длины каждого провода.
-
Рассчитать и построить на одном графике распределение потенциала в плоскости АВ и распределение горизонтальной составляющей напряжённости электрического поля.
-
Построить эквипотенциаль, проходящую через точку N.
-
Рассчитать плотность поверхностного заряда на поверхности земли вдоль оси X.
| 1 | 2 | 3 | 4 | 5 | 6 | 7 | 8 | 9 | 10 | 11 | 12 | |
| h, м | 6,0 | 6,5 | 5,0 | 6,0 | 5,5 | 5,5 | 6,0 | 5,5 | 5,0 | 6,0 | 7,0 | 6,5 |
| b, м | 2,0 | 2,0 | 2,0 | 1,8 | 1,8 | 1,8 | 2,2 | 2,2 | 2,2 | 3,0 | 4,0 | 3,0 |
| r0, мм | 10 | 12 | 13 | 8 | 10 | 12 | 8 | 8 | 8 | 6 | 6 | 6 |
| U1, кВ | +10 | +5 | +15 | -10 | -20 | -20 | -10 | -20 | -30 | +40 | +20 | +10 |
| U2, кВ | -10 | -15 | -10 | -5 | +10 | 0 | +15 | +25 | +10 | +10 | +5 | +30 |
Вариант 28
Цилиндрический проводник расположен в диэлектрике между двумя проводящими стенками, образующими угол 60.
-
Рассчитать ёмкость провода на единицу длины.
-
Рассчитать и построить график плотностей распределения поверхностных зарядов на одной из проводящих поверхностей при заданном потенциале провода.
-
Качественно построить картину силовых линий и эквипотенциалей.
-
Определить потенциал и вектор напряжённости поля в точке М (потенциал проводящих стенок считать нулевым).
Примечание. Учесть, что r0<<a, тo есть можно считать, что эквивалентный линейный заряд расположен на геометрической оси стержня.
| 1 | 2 | 3 | 4 | 5 | 6 | 7 | 8 | 9 | 10 | 11 | 12 | |
| , кВ | 20 | 20 | 30 | 30 | 20 | 20 | 40 | 40 | 50 | 60 | 10 | 20 |
| а, мм | 40 | 50 | 30 | 60 | 60 | 50 | 40 | 60 | 70 | 40 | 20 | 20 |
| r0, мм | 3 | 4 | 2 | 5 | 4 | 3 | 2 | 4 | 5 | 3 | 2 | 2 |
| | 2 | 3 | 4 | 5 | 4 | 3 | 2 | 5 | 4 | 6 | 4 | 6 |
Вариант 29
















