yslovie-tr (520897), страница 5
Текст из файла (страница 5)
Вариант 20
Две металлические трубы расположены в среде с проводимостью (см. рис.). Между трубами приложено напряжение U0.
-
Рассчитать проводимость между трубами на единицу длины. Сравнить её со значением проводимости, вычисленной без учёта влияния границы среды (в бесконечно протяжённом пространстве с проводимостью ).
-
Рассчитать ток между трубами на единицу длины трубы.
-
Провести эквипотенциаль через точку А.
-
Рассчитать и построить график распределения потенциалов и напряжённости поля в земле у поверхности.
Примечание. При расчёте считать, что r0<<h.
| 1 | 2 | 3 | 4 | 5 | 6 | 7 | 8 | 9 | 10 | 11 | 12 | |
| U0, В | 100 | 120 | 110 | 200 | 220 | 250 | 100 | 120 | 110 | 200 | 220 | 250 |
| b, м | 2 | 2 | 1,5 | 1,5 | 1,4 | 1,2 | 1,2 | 1,1 | 1,0 | 1,2 | 2 | 1 |
| h, м | 1 | 1 | 0,6 | 0,5 | 0,4 | 0,7 | 0,8 | 0,3 | 0,4 | 0,5 | 0,6 | 0,7 |
| r0, мм | 20 | 30 | 40 | 50 | 30 | 40 | 50 | 30 | 40 | 50 | 30 | 40 |
| , см/м | 1,0 | 0,8 | 0,6 | 0,5 | 0,4 | 1,0 | 0,9 | 0,8 | 0,7 | 0,6 | 0,5 | 0,4 |
Вариант 21
Металлический шар радиуса r0 заряжен до потенциала 1 относительно бесконечно протяженной проводящей поверхности (см. рис.).
-
Рассчитать и построить график распределения потенциала и вертикальной составляющей напряжённости электрического поля вдоль границы раздела двух диэлектриков.
-
Построить линии пересечения эквипотенциальной поверхности, проходящей через точку А, с плоскостью чертежа.
-
В точке А по обе стороны границы раздела диэлектриков рассчитать и построить векторы E, D, P.
-
Построить распределение поверхностной плотности полных, свободных и связанных зарядов на проводящей поверхности.
Примечание. При расчёте учесть, что r0<<a и r0<<b.
| 1 | 2 | 3 | 4 | 5 | 6 | 7 | 8 | 9 | 10 | 11 | 12 | |
| 1, кВ | 1 | 2 | 3 | 4 | 1 | 2 | 3 | 4 | -1 | -2 | -3 | -4 |
| а, мм | 50 | 60 | 70 | 80 | 30 | 40 | 50 | 60 | 20 | 30 | 40 | 50 |
| b, мм | 30 | 40 | 50 | 60 | 50 | 60 | 70 | 80 | 10 | 20 | 30 | 40 |
| 1 | 6 | 6 | 6 | 6 | 1 | 1 | 1 | 1 | 1 | 1 | 4 | 4 |
| 2 | 1 | 1 | 1 | 1 | 6 | 6 | 6 | 6 | 4 | 4 | 1 | 1 |
Вариант 22
В среде с удельной проводимостью 1 раcположен цилиндр с удельной проводимостью 2. Поле создаётся двумя электродами, форму которых требуется определить. Расстояние между электродами по оси Y (при X=0) должно быть равно 2,5а.
-
Рассчитать и построить профиль электродов, обеспечивающих создание однородного поля в цилиндре. Считать, что длина цилиндра много больше его диаметра.
-
При заданной максимальной напряжённости в первой среде E1max рассчитать разность потенциалов между электродами.
-
Провести эквипотенциали и силовые линии вектора плотности тока (на одной стороне чертежа) и вектора E (на другой).
-
Построить график распределения напряжённости поля и потенциале вдоль оси Y.
-
Построить эпюру распределения плотности тока J(X) и напряжённости электрического поля E(х) в плоскости ХZ. Картину поля и профиль электродов строить до Х=(34)а.
-
Рассчитать удельную мощность, выделяющуюся в точке с координатами x1; y1.
| 1 | 2 | 3 | 4 | 5 | 6 | 7 | 8 | 9 | 10 | 11 | 12 | |
| 110, см/м | 1 | 1 | 1 | 1 | 2 | 3 | 4 | 5 | 2 | 2 | 8 | 10 |
| 210, см/м | 2 | 3 | 4 | 5 | 1 | 1 | 1 | 1 | 8 | 10 | 20 | 2 |
| E1max, кВ | 100 | 80 | 60 | 100 | 80 | 60 | 100 | 80 | 60 | 100 | 80 | 60 |
| а, мм | 20 | 40 | 60 | 30 | 50 | 70 | 20 | 40 | 60 | 30 | 50 | 70 |
| x1, мм | 30 | 40 | 50 | 30 | 50 | 70 | 30 | 35 | 55 | 35 | 55 | 75 |
| y1, мм | 20 | 30 | 50 | 40 | 30 | 80 | 10 | 25 | 40 | 25 | 35 | 90 |
Вариант 23
На проводящей поверхности лежит равномерно поляризованное полушарие.
-
Рассчитать разность потенциалов между поверхностью и точкой К.
-
Провести эквипотенциаль через 50% от рассчитанной разности потенциалов. Построить силовые линии вектора Е (на одной половине чертежа) и вектора D (на другой).
-
Рассчитать и построить эпюру распределения зарядов на проводящей поверхности.
-
Рассчитать и построить график изменения потенциала и вертикальной составляющей напряжённости поля вдоль оси Y.
-
В точке А рассчитать и построить векторы векторы E, D, P по обе стороны границы.
-
Найти плотность зарядов в точке А.
| 1 | 2 | 3 | 4 | 5 | 6 | 7 | 8 | 9 | 10 | 11 | 12 | |
| а, мм | 20 | 40 | 60 | 30 | 50 | 70 | 20 | 40 | 60. | 30 | 50 | 70 |
| b, мм | 10 | 30 | 50 | 20 | 40 | 60 | 10 | 20 | 40 | 10 | 30 | 50 |
| P1010, Кл/м2 | 1 | 2 | 3 | 1 | 2 | 3 | 4 | 3 | 2 | 1 | 3 | 5 |
Вариант 24
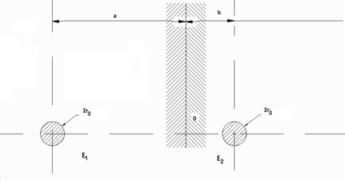
Два цилиндрических проводника с параллельными осями расположены по одну и другую стороны границы раздела двух диэлектриков.
-
Рассчитать ёмкость между проводниками на единицу длины.
-
Найти напряжённость поля в точке 0 в первой среде, если заряд левого провода +, а правого .
-
Рассчитать потенциалы проводов. За нулевой потенциал принят потенциал точки 0.
-
Построить график распределения плотности связанных зарядов вдоль границы.
Примечание. Считать, что r0<<a и r0<<b.
| 1 | 2 | 3 | 4 | 5 | 6 | 7 | 8 | 9 | 10 | 11 | 12 | |
| а, мм | 50 | 40 | 30 | 50 | 40 | 30 | 50 | 40 | 30 | 20 | 40 | 60 |
| b, мм | 20 | 20 | 20 | 20 | 40 | 20 | 50 | 40 | 30 | 20 | 40 | 60 |
| r0, мм | 1 | 1 | 1 | 1 | 1 | 1 | 2 | 2 | 2 | 2 | 2 | 2 |
| 1 | 4 | 4 | 4 | 2 | 1 | г | 2 | 4 | 4 | 5 | 6 | 2 |
| 2 | 2 | 1,8 | 2 | 4 | 4 | 1,8 | 4 | 2 | 3 | 2 | 3 | 6 |
| 10, Кл/м | 2 | 2 | 2 | 2 | 2 | 2 | 5 | 5 | 5 | 5 | 5 | 5 |
















