Для студентов МГТУ им. Н.Э.Баумана по предмету Механика жидкости и газа (МЖГ или Гидравлика)Защита ДЗ, РК, курсача у Протопопова, 4 задачиЗащита ДЗ, РК, курсача у Протопопова, 4 задачи
5,0058
2022-01-262022-01-26СтудИзба
ДЗ: Защита ДЗ, РК, курсача у Протопопова, 4 задачи
Описание
Защита домашних заданий у Протопопова 2021 года.
Он дает эти задания каждый год.
Выполняется по аналогии, просто свои числа подставляете
и считаете.
Все зачтено. Качество фото отличное, ниже - часть фото.
Условия:
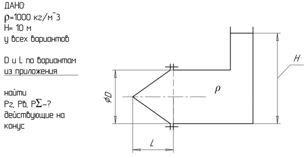
Задача 1
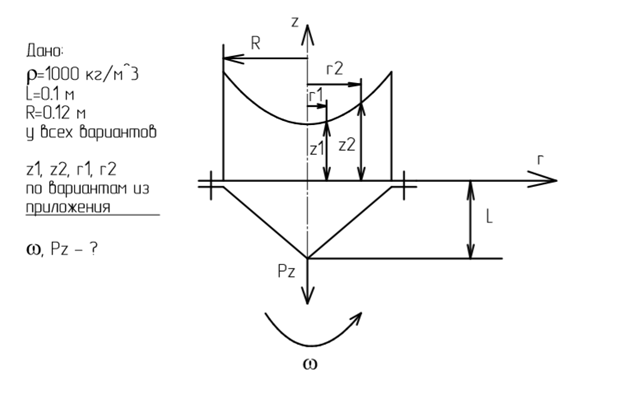
Задача 2
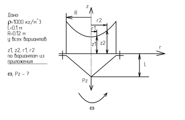
Задача 3
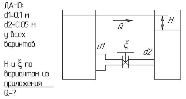
Задача 4
Вот часть решения:
![]()
Он дает эти задания каждый год.
Выполняется по аналогии, просто свои числа подставляете
и считаете.
Все зачтено. Качество фото отличное, ниже - часть фото.
Условия:
Задача 1

Задача 2

Задача 3

Задача 4

Вот часть решения:

Характеристики домашнего задания
Учебное заведение
Просмотров
117
Качество
Фото рукописных листов
Размер
1,69 Mb
Список файлов
Защита МЖГ.pdf
Бауманец