Для студентов МГТУ им. Н.Э.Баумана по предмету Инженерная графикаЦилиндр сцепленияЦилиндр сцепления
4,90547163
2021-05-022024-10-06СтудИзба
ДЗ Б: Цилиндр сцепления вариант 38
-55%
Описание
Чертеж PDF формате А1
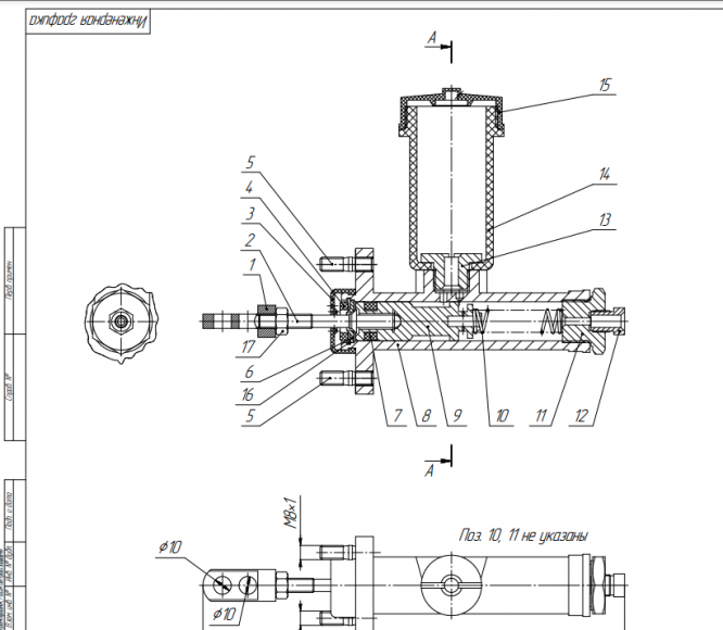
В задании нужно было сделать эскизы деталей некоторой сборочной единицы (в данном случае это был предположительно главный цилиндр сцепления), а после сделать чертежи![]()
В задании нужно было сделать эскизы деталей некоторой сборочной единицы (в данном случае это был предположительно главный цилиндр сцепления), а после сделать чертежи

Характеристики домашнего задания
Предмет
Учебное заведение
Семестр
Номер задания
Вариант
Просмотров
300
Размер
951,63 Kb
Список файлов
цилиндр сцепления
1.PNG
2.PNG
Бачок.pdf
Главный цилиндр сцепления.pdf
Защитный колпак.pdf
Корпус ГЦС.pdf
Крышка бачка.pdf
Манжета уплотнительнаяъ.pdf
Поршень.pdf
Проушина толкателя.pdf
Пружина.pdf
Толкатель.pdf
Шайба уплотнительная.pdf
Шайба уплотнительная1.pdf
Шайба упорная.pdf
Шпилька М8.pdf
Штуцер ГЦС.pdf
Штуцер бачка.pdf
Штуцер.pdf

Друзья, спасибо за доверие! Если вам понравилась работа – поставьте 5⭐ и напишите отзыв. Это поможет другим студентам, а мне даст силы делать ещё больше качественных материалов для вас 🔥