Сапсалев А.В. - Основы теории цепей - Методическое руководство к лабораторным работам - 1 (1276556), страница 3
Текст из файла (страница 3)
4. Проверить справедливость принципа взаимности (обратимости) для цепи с одним источником напряжения.
5. Определить значения параметров активного двухполюсника.
6. Найти линейную зависимость значений токов двух ветвей схемы.
Порядок выполнения работы
-
Измерить цифровым комбинированным прибором значения напряжений холостого хода Uо1 и Uо2 источников питания цепи
(рис. 2.2, а). Учитывая заданные положительные направления напряжений источников питания и ЭДС источников напряжения их последовательных схем замещения, принять значения ЭДС источников равными соответственно E1 = Uо1 и E2 = Uо2. Этим же прибором измерить значения сопротивлений резисторов R1…R5 исследуемой цепи (рис. 2.2, б, на котором i = 1…5). Значения внутренних сопротивлений источников питания цепи Rо1 и Rо2 находятся позднее после вычисления значений токов активных ветвей
схемы, представленной на рис. 2.3. Заполнить табл. 2.1.
Т а б л и ц а 2.1
Значения параметров элементов исследуемой цепи
| E1 | E2 | R01 | R02 | R1 | R2 | R3 | R4 | R5 |
| В | В | Ом | Ом | Ом | Ом | Ом | Ом | Ом |
2. Собрать цепь по схеме, приведенной на рис. 2.3. Установить тумблер переключения полярности миллиамперметра в левое положение. При таком положении тумблера показания миллиамперметра считаются положительными, а его полярность соответствует показанной на схеме. Включить источники питания цепи. Приняв (по указанию преподавателя) один из узлов 1…5 цепи за базисный, т.е. считая его напряжение
равным нулю, измерить значения напряжений остальных узлов цепи относительно базисного.
Вычислить значения токов резисторов I1…I5 и активных ветвей
,
схемы на рис. 2.3. Сравнить значение тока I3 с показанием миллиамперметра третьей ветви. Заполнить табл. 2.2.
3. Проверить соблюдение первого закона Кирхгофа для первого и третьего узлов цепи. Записать результат.
Рис. 2.3
Т а б л и ц а 2.2
Значения напряжений узлов и токов ветвей
4. Вычислить значения внутренних сопротивлений источников питания цепи Rо1 и Rо2.
5. Оставляя в схеме поочередно каждый из двух источников питания цепи (рис. 2.4, а и б), измерить значения частичных токов
и
. При измерении тока
по схеме рис. 2.4, б тумблер переключения полярности миллиамперметра придется поставить в другое положение,
а показания прибора записать со знаком « – ». Вычислить значение тока I3 путем «наложения» значений частичных токов
и
и сравнить полученный результат с данными табл. 2.2.
6. Поставить тумблер переключения полярности миллиамперметра в исходное положение. Исключить из схемы второй источник питания цепи (рис. 2.5, а). Измерить ток
. Поменять местами первый источник питания и миллиамперметр (рис. 2.5, б)*. Записать показание прибора. Объяснить результаты измерений.
а
б
Рис. 2.4
а
б
Рис. 2.5
Рис. 2.6
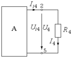
7. В исходной цепи (см. рис. 2.3) исследовать состояния однойиз пассивных ветвей, например ветви с резистором R4. Остальная часть цепи рассматривается в этом случае как активный двухполюсник (рис. 2.6).
Измерить (под контролем преподавателя!) цифровым комбинированным прибором напряжение холостого хода активного двухполюсника Ui4o (рис. 2.7, а) и его ток короткого замыкания Ii4к (рис. 2.7, б).
Внимание! Студентам, намеренным выполнить следующий (факультативный) пункт работы, рекомендуется одновременно записать значения токов I3о и I3к, используемых для вычисле-
ния коэффициентов, определяющих линейные зависимости токов ветвей 3 и 4.
На основании теоремы об эквивалентном двухполюснике и известных значений R4 (п. 1), Ui4о и Ii4к вычислить значение тока I4 резистора R4 и сравнить полученный результат с данными табл. 2.2.
а
б
Рис. 2.7
Решить эту же задачу графически путем построения совмещенных графиков вольт-амперных характеристик (ВАХ) активного двухпо-люсника и резистора R4. Сравнить полученный результат с данными табл. 2.2.
7. Между значениями токов и напряжений ветвей линейной цепи существуют линейные соотношения, например
. Определить значения коэффициентов a34 и b34, имея две пары результатов измерения в двух последних опытах: токов холостого хода
(I3о, Ii4о = 0) (рис. 2.8, а) и короткого замыкания (I3к, Ii4к) (рис. 2.8, б). Постройте график линейной зависимости
. Для подтверждения гипотезы о линейной связи значений токов I3 и I4 ветвей
3 и 4 исследуемой цепи нанести на тот же график точку с координатами (I3, I4), значения которых следует взять из табл. 2.2. Сделать
вывод.
а
б
Рис. 2.8
Методические указания и рекомендации
-
Перед началом экспериментов с электрической цепью или анализа ее схемы необходимо дать определения токов и напряжений всех элементов цепи и ее схемы.
Рис. 2.9
Мгновенные значения напряжения и тока элемента цепи характеризуются показаниями идеальных полярных измерительных прибо-ров – вольтметра и амперметра – специальных двухполюсных физических объектов, соучаствующих в изучаемом процессе, но не влияющих на него. Полярность измерительного прибора указывается какой-либо маркировкой его полюсов, например традиционно используемыми значками « + » и « – » (рис. 2.9).
Если к элементу цепи подключить измерительный прибор, то отклонение его стрелки от центральной нулевой отметки шкалы в направлении, условно принятом за положительное, свидетельствует о положительном значении (естественно, тоже условном) измеряемой величины. Если же стрелка прибора отклонится в противоположную сторону шкалы, то значение измеряемой величины считается отрицательным.
Принципиально несущественно, как именно включен измерительный прибор (рис. 2.10, a и 2.11, a), однако для однозначного определения искомой величины – напряжения u и тока i* элемента – принятое включение обязательно фиксируется на схеме цепи.
Приборы, определяющие напряжения и токи всех ее элементов, на схеме цепи не показывают. Вместо них можно пользоваться буквами u и i с нижними двойными цифровыми или буквенными индексами – идентификаторами полюсов элементов. Упорядоченная последователь-ность идентификаторов полюсов в индексе соответствует выбран-ной полярности подключения прибора к элементу цепи (рис. 2.10, б
и 2.11, б); при этом, очевидно, umn = – unm, imn = – inm.
Полярность подключения прибора можно также обозначать стрелкой на схемном изображении элемента (рис. 2.10, в и 2.11, в). При изменении ориентации стрелки значение определяемой ею величины меняется на противоположное. Эти альтернативные способы фиксации полярности подключения измерительных приборов характеризуют
так называемые условно положительные направления определяемых величин.
Таким образом, значения напряжения и тока элемента цепи определяются однозначно, если на схеме цепи указаны их идентификаторы и условно положительные направления, заданные произвольно. Эти направления учитываются затем при измерении стационарных значений этих величин, а также при записи уравнений Кирхгофа и вольт-амперных характеристик элементов.
Измерения стационарных значений напряжений и токов элементов цепи осуществляются в соответствии с принятым условно положительным направлением этих величин (рис. 2.10 и 2.11); при измерении значения напряжения узла цепи корпусной зажим вольтметра, обозначенный значками «
» или « – », присоединяют к опорному узлу цепи, а потенциальный (« + ») – к узлу с искомым напряжением.
-
Измерение токов всех ветвей цепи, показанной рис. 2.3, кроме третьей, производится косвенным методом: измеряются напряжения ее узлов, а значения токов рассчитываются по закону Ома. Например, значение тока I1















