Сапсалев А.В. - Основы теории цепей - Методическое руководство к лабораторным работам - 1 (1276556), страница 9
Текст из файла (страница 9)
Рис. 9.1
3. При резонансе установить вновь Uвх = 3 В, измерить напряжения Uк и UR1 (см. п.1 методических указаний к работе), а также ток в ветви с катушкой Iк, и результаты занести в табл. 9.1.
Т а б л и ц а 9.1
К определению параметров контура
| Измерено | Вычислено | ||||||||||||
| Uвх | R1 | f0 | UR1 | Uк | Iк | I1 | IC1 | Q | | Rэ | C1 | Lк | Rк |
| В | Ом | Гц | В | В | мА | мА | мА | – | Ом | Ом | мкФ | мГн | Ом |
4. По результатам опыта вычислить основные параметры контура (добротность, характеристическое сопротивление, входное сопротивление контура при резонансе Rэ) и заполнить табл. 9.1. Построить векторную диаграмму.
5. Снять амплитудно-частотную характеристику контура Uк(f) по схеме рис. 9.1 в диапазоне частот, на границах которого напряжение на контуре снижается до 0.1Uк0 (Uк0 – значение напряжения на контуре при резонансе). В полученном диапазоне частот произвести измерения для 8...10 точек, причем в пределах полосы пропускания шаг измерения частоты лучше взять меньшим, чем за ее пределами. При проведении опыта напряжение на входе цепи поддерживать постоянным. Результаты измерений занести в табл. 9.2.
Т а б л и ц а 9.2
Амплитудно-частотная характеристика
| f, Гц | |||||||||
| Uк, В |
6. Подключить параллельно контуру (гнезда Г3–Г4) сопротивле-ние Rш с панели «Элементы цепи». Снять амплитудно-частотную характеристику нагруженного контура и заполнить табл. 9.3, аналогичную табл. 9.2. Определить добротность Qэ ненагруженного контура.
7. Построить на одном графике амплитудно-частотные характеристики, снятые в пп. 5 и 6. Сделать выводы о влиянии нагрузочного сопротивления на добротность контура и его амплитудно-частотную характеристику.
8.* По экспериментальным данным вычислить коэффициент прямоугольности исследуемого контура. Рассчитать и построить фазочастотную характеристику параллельного колебательного контура.
Методические указания и рекомендации
1. При измерении напряжения на контуре «нуль» и потенциальный зажим источника на универсальной панели меняют местами и «нуль» вольтметра подключают к «нулю» генератора (см. п. 1 методических указаний к работе № 4).
2. При высокой добротности контура резонансные частоты при последовательном и параллельном резонансах практически совпадают.
3. Добротность контура связана с параметрами его элементов соотношением
––––––––––––––––––––––––––
* Выполняется факультативно в порядке учебно-исследовательской работы.
4. Добротность параллельного контура связана с основными его характеристиками соотношением
где Rэ – сопротивление контура при резонансе; – характеристическое сопротивление.
5. Добротность контура можно определить из построенной амплитудно-частотной характеристики контура.
6. При подключении к параллельному контуру нагрузочного сопротивления Rш его добротность определяется
Программа домашней подготовки
к выполнению работы
1. По конспекту лекций и учебнику В. П. Попова (§ 3.3) изучить тему «Параллельный контур».
2. Заготовить бланк протокола с необходимыми схемами, таблицами и формулами для расчета параметров (табл. 9.1 – 9.3).
Контрольные вопросы
1. Как определяются резонансная частота, характеристическое сопротивление (проводимость), добротность параллельного контура?
2. Как изменяется полоса пропускания параллельного контура при уменьшении внутреннего сопротивления источника питания?
3. Как изменяется полоса пропускания параллельного контура при подключении нагрузки?
4. Какие существуют виды параллельных колебательных контуров?
5. Что называется коэффициентом включения и как он влияет на резонансную частоту и резонансное сопротивление сложных параллельных контуров?
6. Какой вид имеют амплитудно-частотная и фазочастотная характеристики параллельного контура и как они зависят от параметров контура?
ЛАБОРАТОРНАЯ РАБОТА № 10
ИССЛЕДОВАНИЕ СВЯЗАННЫХ
КОЛЕБАТЕЛЬНЫХ КОНТУРОВ
Цель работы – произвести экспериментальные исследования частотных характеристик и резонансных свойств колебательных контуров с трансформаторной связью при различных коэффициентах связи.
Объект и средства исследования
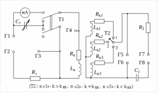
Схема лабораторной установки приведена на рис. 10.1. Первичный контур собран на элементах C1, Lк , Rк , вторичный контур – на элементах R2, C2 и Lк1 , Rк1 (Lк2 , Rк2 ; Lк3 , Rк3). В зависимости от положения переключателя связи T2 во вторичном контуре последовательно с элементами R2 , C2 включается одна из катушек: Lк1 , Rк1 ; Lк2 , Rк2 ; Lк3 , Rк3. Каждая из катушек магнитно связана с Lк , Rк. Параметры катушек практически одинаковы. Степень связи катушек (критическая, больше или меньше критической) указана на схеме рис. 10.1.
Рис. 10.1
Рабочее задание
1. Подключить генератор синусоидальных сигналов на вход вторичного контура (гнезда Г7–Г8, причем нулевой зажим генератора –
к гнезду Г7), переключатель связи T2 установить в положение «2»
(k = kкр). Первичный контур разомкнуть. Установить на входе генератора напряжение Uвх = 3 В и настроить вторичный контур в резонанс напряжений по максимуму напряжения на R2 , изменяя частоту генератора сначала ручкой грубой регулировки частоты, а затем плавной. Убедиться в существовании резонанса с помощью двухлучевого осциллографа (см. лабораторную работу № 8, п.2).
2. Настроить в резонанс первичный контур, для чего подключить генератор к входу первого контура (гнезда Г1–Г2, причем нулевой зажим генератора – к гнезду Г2); вторичный контур должен быть разомкнут. Не изменяя частоты f0 генератора, с помощью переменной емкости C1 настроить первый контур в резонанс по максимуму напряжения на резисторе R1. В дальнейшем C1 не изменять!
3. Снять нормированную амплитудно-частотную характеристику вторичного тока
при критическом коэффициенте связи, где
, а
.
Для этого генератор синусоидальных сигналов подключить к входу первичного контура и установить Uвх = 3 В. Цепь вторичного контура при этом должна быть замкнута. Изменяя частоту генератора f вверх
и вниз от резонансной f0 , измерить напряжение на R2 и заполнить табл. 10.1.
Т а б л и ц а 10.1
Частотная характеристика при k = kкр (f0 = ; UR20 = )
| f, Гц | |||||||||
| f / f0 | |||||||||
| UR2, В | |||||||||
| UR2 / UR20 |
4. Установить переключатель связи T2 в положение «3» k < kкр и снять амплитудно-частотную характеристику
при этом коэффициенте связи. Данные занести в табл. 10.2, которая должна быть аналогична табл.10.1.
5. Установить переключатель связи T2 в положение «1» k > kкр
и снять амплитудно-частотную характеристику
при этом коэффициенте связи, для чего:
а) определить экспериментально частоты f10 и f20, на которых ток вторичного контура I2 (или напряжение на R2) принимает максимальное значение (т.е. частоты максимумов двугорбой характеристики);
б) определить экспериментально частоты f1 и f2, на которых
I2 ≈ 0.1 I20 (или U2 ≈ 0.1UR20);
в) в диапазоне частот f1… f2 снять характеристики, обратив особое внимание на частоты f0, f10 и f20. Результаты измерений занести в табл.10.3, аналогичную табл. 10.1.
6. Построить на одном графике нормированные амплитудно-частотные характеристики
при k = kкр, k < kкр, k > kкр. По построенным графикам для всех трех случаев определить полосу пропускания связанных контуров.
7.* Определить значение критического коэффициента связи, для чего переключатель связи T2 установить в положение «2» k = kкр, и на резонансной частоте первичной цепи (при разомкнутой вторичной) измерить напряжения на катушках гнезда (Г3–Г4 и Г5–Г6 соответственно).
Методические указания и рекомендации
1. При снятии всех характеристик емкость C1 не изменять, а напряжение на входе контура поддерживать постоянным.
2. Коэффициент связи при одинаковых параметрах катушек контуров (Lк = Lк1 = Lк2 = Lк3 = L), если пренебречь их активным сопротивлением (Rк = Rк1 = Rк2 = Rк3 = 0), определяется по формуле
––––––––––––––––––––––––––––––––
* Выполняется факультативно в порядке учебно-исследовательской работы.















