РГЗ №1 - Анализ линейной электрической цепи постоянного тока - Вариант ХХХ (1267106)
Текст из файла
Министерство образования и науки РФ
Новосибирский государственный технический университет
Кафедра Общей Электротехники
Расчётно-графическое задание №1
«АНАЛИЗ ЛИНЕЙНОЙ ЭЛЕКТРИЧЕСКОЙ ЦЕПИ
ПОСТОЯННОГО ТОКА»
Выполнил: Проверила:
Студент: Бадальянц Ю.Н. Преподаватель: Давыденко О.Б.
Группа: РКС 10-71
| ОЦЕНКА | ||
| Выполнение | Защита | Общая |
Новосибирск
2008
Для заданной схемы и параметров нужно:
1. Рассчитать токи ветвей методом контурных токов.
2. Проверить расчёт по законам Кирхгофа и составить баланс мощностей для исходной схемы.
3. Вычислить ток в ветви №2 методом узловых напряжений (метод узловых потенциалов).
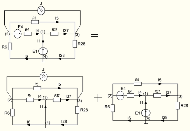
4. Вычислить ток в ветви №3 методом наложения (частичный ток от действия источника вычислить методом пропорционального пересчёта).
5. Вычислить ток в ветви №4 исходной схемы методом эквивалентного источника.
| Методы расчета | Вычисленные значения | |||||||||||
| 1.Контутрных токов | Δ | I1,A | I28,A | I37,A | I4,A | I5,A | I6,A | |||||
| 409 | 0.616 | 0.902 | 0.244 | -0.372 | 0.658 | 0.286 | ||||||
| Баланс мощностей | ||||||||||||
| Pген= 6.856 Вт | Pпотр= 6.856 Вт | |||||||||||
| 2.Узловых потенциалов (напряжений) | Δφ | φ1,B | φ2,B | φ3,B | φ4,B | I28,A | ||||||
| 0.682 | 5 | -0.858 | 4.511 | 0 | 0.902 | |||||||
| 3.Наложения | I37J= -0.782 A | I37E= 1.027 A | I37=0.244 A | |||||||||
| 4.Эквивалентного источника | Rвх | Uxx | I4 | |||||||||
| 1.932 | -2.576 | -0.372 | ||||||||||
1. Расчёт токов ветвей методом контурных токов.
| R2 | R3 | R4 | R5 | R6 | R7 | R8 | E1 | E4 | J |
| Ом | Ом | Ом | Ом | Ом | Ом | Ом | В | В | А |
| 2 | 1,6 | 5 | 4 | 3 | 0,4 | 3 | 5 | 4 | 2 |
Для упрощения расчетов преобразуем в начальной схеме источник тока J в источник ЭДС Е5:
Для данной схемы:
E5=J*R5=2*4=8(В)
R28=R2+R8=2+3=5(Ом)
R37=R3+R7=1,6+0,4=2(Ом)
При расчёте методом контурных токов произвольно выбираем независимые контуры в рассматриваемой схеме, полагаем, что в каждом из независимых контуров протекает фиктивный контурный ток, направление которого выбираем произвольно.
Уравнения по второму закону Кирхгофа для независимых контуров принимают вид:
Для вычисления контурных токов по системе уравнений составим 2 матрицы – квадратную матрицу сопротивлений (Z) и матрицу-столбец контурных ЭДС (E):
Найдём контурные токи в схеме по формуле:
J=Z-1*E
Вычислим:
J11=0.658 A
J22=0.286 A
J33=0.902 A
Зная значения контурных токов, можем найти токи реальные. Поскольку по пятой, шестой и ветви 28 протекают лишь по контурному току, реальные токи в этих ветвях будут численно совпадать с соответствующими контурными токами. По всем остальным ветвям рассматриваемой схемы протекают по два контурных тока. Поэтому реальные токи в этих ветвях определяем суммированием соответствующих контурных токов.
Составим уравнения для вычисления реальных токов:
I1=J33-J22=0,902-0,286=0,616(A)
I28=J33=0,902 (А)
I37=J33-J11=0,902-0,658=0,244 (А)
I4=J22-J11=0,286-0,658=-0,372 (А)
I5=J11=0,658 (А)
I6=J22=0,286 (А)
Запишем результаты в таблицу:
| I1 | I28 | I37 | I4 | I5 | I6 |
| A | A | A | A | A | A |
| 0.616 | 0.902 | 0.244 | -0.372 | 0.658 | 0.286 |
2. Проверка расчётов по законам Кирхгофа и составление баланса мощности.
Проверим справедливость первого и второго законов Кирхгофа для данной схемы:
Первый закон Кирхгофа – алгебраическая сумма токов в любом узле равна нулю.
Для первого узла:
0,372-0.616+0.244=0
Для второго узла:
-0,286-0,372+0,658=0
Для третьего узла:
-0,658-0,244+0,902=0
Для четвертого узла:
-0,902+0,616+0,286=0
Второй закон Кирхгофа – алгебраическая сумма ЭДС вдоль любого замкнутого контура равна алгебраической сумме падений напряжений в том же контуре.
Для первого контура:
0,902*5+0,244*2-5=0
Для второго контура:
0,286*3-0,372*5-4+5=0
Для третьего контура:
0,902*5+0,286*3+0,658*4-8=0
Баланс мощности: потребляемая энергия равняется генерируемой энергии в соответствии с законом сохранения энергии.
Рпотр=Рген
Рген=(-0,372)*4+0,616*5+0,658*8=6.856 (Вт)
Из полученных результатов можно сделать вывод, что расчет токов по методу контурных токов был выполнен правильно.
3. Вычисление тока в ветви методом узловых потенциалов.
Из условия к заданию нам известно, что потенциал узла 4 равен нулю. Так как ветвь 1 – это ветвь с идеальным источником (R1=0), то:
Ф 4=0
Ф1=Ф4+Е1=0+5=5 (В)
Составим систему уравнений по методу узловых потенциалов:
Составим матрицы:
Найдем значения узловых потенциалов по формуле:
Ф=G-1*H
Вычислим:
Ф2=-0,858 В
Ф3=4,511 В
Теперь, зная потенциалы всех узлов, можно найти искомый ток I28 по обобщенному закону Ома:
I28= Ф3/R28=4,511/5=0.902 (A)
4. Вычислить ток в ветви №3 методом наложения (частичный ток от действия источника вычислить методом пропорционального пересчёта).
В соответствии с принципом наложения ток в любой ветви схемы определяется как совокупность частичных токов, обусловленных каждым из источников энергии в отдельности. При этом остальные источники удаляются из схемы при сохранении в цепи внутренних сопротивлений. В данном задании ток ветви можно определить как сумму частичных токов от источника тока и от источников ЭДС:
Искомый ток ветви I37 находим как сумму частичных токов:
I37= I137+ I237
Где I137 – частичный ток, обусловленный источником тока.
I237 – частичный ток, обусловленный двумя источниками ЭДС.
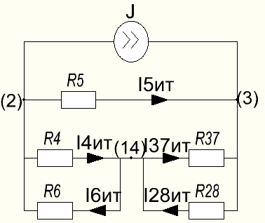
4.1. Расчёт составляющей искомого тока, обусловленной источником тока (метод пропорционального пересчёта).
Расчётная схема для определения тока изображена на рисунке. На место удалённых источников ЭДС введены участки ветвей с нулевым сопротивлением. Поскольку узлы (1) и (4) равнопотенциальны, объединили их в один узел (14).
Так как ток постоянный, то зададим произвольную величину тока
I6ит = 1 (А).
Затем, последовательно «перемещаясь» от избранной ветви к источнику, подсчитываем все напряжения на разветвлениях и токи в ветвях.
По закону Ома:
U214ит=-I6ит*R6=-1*3=-3 (В)
Зная U21ит можно найти ток I4ит по закону Ома:
I4ит= U214ит/R4=(-3)/5=-0.6 (А)
По первому закону Кирхгофа для узла (14) получаем:
- I4ит+ I6ит- I28ит+ I37ит=0
Т.к. в ветвях 28 и 37 одинаковое напряжение, то по закону Ома:
I37ит R37= -I28ит R28
Откуда получаем:
Подставив это выражение в формулу для токов в узле (14), получим:
Выразим и подсчитаем ток I28ит:
Подсчитаем ток I37ит:
Из второго закона Кирхгофа следует:
U23ит=U214ит+U143ит
Где U143ит=R37*I37ит=2*(-1,143)= -2.286 (В)
U23ит=-3-2.286=-5.286 (В)
Ток I5ит можно найти по закону Ома:
I5ит= U23ит/R5=(-5.286)/4=-1.321 (A)
Ток источника тока можно найти, составив уравнение по первому закону Кирхгофа для узла (3):
Jит= I28ит –I37ит -I5ит=0,457+1,143+1,321= 2.921 (А)
Определим коэффициент подобия:
Кп=J/Jит=2/2.921= 0.685
Характеристики
Тип файла документ
Документы такого типа открываются такими программами, как Microsoft Office Word на компьютерах Windows, Apple Pages на компьютерах Mac, Open Office - бесплатная альтернатива на различных платформах, в том числе Linux. Наиболее простым и современным решением будут Google документы, так как открываются онлайн без скачивания прямо в браузере на любой платформе. Существуют российские качественные аналоги, например от Яндекса.
Будьте внимательны на мобильных устройствах, так как там используются упрощённый функционал даже в официальном приложении от Microsoft, поэтому для просмотра скачивайте PDF-версию. А если нужно редактировать файл, то используйте оригинальный файл.
Файлы такого типа обычно разбиты на страницы, а текст может быть форматированным (жирный, курсив, выбор шрифта, таблицы и т.п.), а также в него можно добавлять изображения. Формат идеально подходит для рефератов, докладов и РПЗ курсовых проектов, которые необходимо распечатать. Кстати перед печатью также сохраняйте файл в PDF, так как принтер может начудить со шрифтами.
















