РГЗ №1 - Анализ линейной электрической цепи постоянного тока - Вариант ХХ (1267105)
Текст из файла
Министерство образования и науки
Российской Федерации
НОВОСИБИРСКИЙ ГОСУДАРСТВЕННЫЙ ТЕХНИЧЕСКИЙ УНИВЕРСИТЕТ
Кафедра Общей электротехники
Расчётно-графическое задание № 1
Анализ линейной электрической цепи
постоянного тока
Выполнил:
Студент _____Неткач Е.В.________
Группа _____РКС10-51__________
Дата ______18.10.2006г._________
Проверил:
| ОЦЕНКА | ||
| Выполнение | Защита | Общая |
Преподаватель __Давыденко О.Б
| Методы расчёта | Вычисленные значения | |||||||||||
| 1. Контурных токов | ∆ | I1 | I2 | I3 | I4 | I5 | I6 | |||||
| 1827 | 0.167 | -0.079 | -0.612 | 0.287 | 0.325 | 0.246 | ||||||
| Баланс мощностей | ||||||||||||
| Pген = 2.654 | Pпотр = 2.654 | |||||||||||
| 2. Узловых потенциалов (напряжений) | ∆φ | φ1 | φ2 | φ3 | φ4 | I2 | ||||||
| 0.222 | 2.448 | 3 | 1.278 | 0 | -0.079 | |||||||
| 3. Наложения | I3J = 0.287 | I3E = 0.324 | I3 = -0.612 | |||||||||
| 4. Эквивалентного источника | Rвх | Uхх | I4 | |||||||||
| 4.038 | -0.119 | 0.287 | ||||||||||
Таблица результатов:
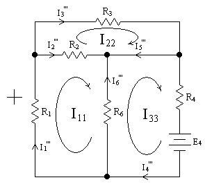
Исходная схема:
Исходные данные: R1=7 Ом
R2=7 Ом
R3=4 Ом
R4=6 Ом
R6=7 Ом
E4=3 В
E5=3 В
J1=0.7 А
Задачи:
-
Рассчитать токи ветвей методом контурных токов.
-
Проверить расчёт по законам Кирхгофа и составить баланс мощностей для исходной схемы.
-
Вычислить ток в ветви №2 методом узловых напряжений.
-
Вычислить ток в ветви №3 методом наложения (частичный ток от действия источника тока вычислить методом пропорционального пересчёта).
-
Вычислить ток в ветви №4 исходной схемы методом эквивалентного источника.
1. Обозначим контурные токи: I11=J1-I1
I22=-I3
I33=I4
Составим систему уравнений для исходной схемы по второму закону Кирхгофа:
Составим определители:
I11=0.533 А
I22=0.612 А
I33=0.287 А
Вычислим токи ветвей: I1 = J1 - I11 = 0.167 А
I2 = - I22 + I11 = -0.079 А
I3 = - I22 = -0.612 А
I4 = I33 = 0.287 А
I5 = I22 - I33 = 0.325 А
I6 = I11 - I33 = 0.246 А
2. Проверим расчёт по законам Кирхгофа:
-
Для узла 1: I3 - I2 - I1 + J1 = -0.612 – (-0.079) - 0.167 + 0.7 = 0
-
Для узла 2: I2 + I5 - I6 = -0.079 + 0.325 – 0.246 = 0
-
Для узла 3: I6 + I4 + I1 – J1 = 0.246 + 0.287 + 0.167 – 0.7 = 0
-
Для узла 0: I3 + I5 + I4 = -0.612 + 0.325 + 0.287 = 0
Баланс мощности: Pген = J1R1I1 + E4I4 + E5I5 = 2.654
Pпотр = I12R1 + I22R2 + I32R3 + I42R4 + I62R6 = 2.654
3. Потенциал в точке φ0 = 0 В. Так как ветвь №2 является идеальной (сопротивление равно нулю), то потенциал φ2 = E5 = 3 В. Чтобы найти потенциалы в точках 1 и 3, составим систему из двух уравнений:
Посчитаем определители в программе MathCAD:
По известным значениям потенциалов найдём ток I2
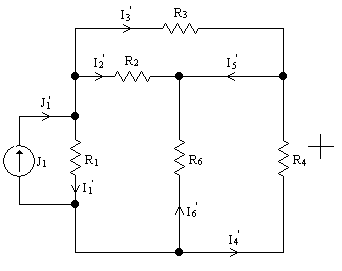
4. Исключим поочерёдно каждый из источников энергии.
-
Для первой схемы ток I3' рассчитаем методом пропорционального пересчёта.
Изобразим схему в более наглядной форме:
Пусть ток (I2' + I3')* = 1 А
Тогда ток I3'* = (I2'+I3')R2/(R2 + R3)
I3'* = 0.636 А
Уберём источник тока J1, сопротивление R1 и посчитаем Rоб:
Rоб = 5.776 Ом
Рассчитаем входное сопротивление цепи:
Rвх = 3.164 Ом
Найдём напряжение холостого хода Uхх:
Uхх = Rоб(I2'+I3')* = 5.776 В
Найдём E13 = RвхJ1 = 2.215 В
Посчитаем коэффициент пересчёта: K = E13/Uхх
Пересчитаем значение тока I3' с учётом коэффициента: I3' = I3'*K = 0.244 А
-
Вторую и третью схемы рассчитаем методом контурных токов. Обозначим токи I3" и I3"' за контурные I22. Найдём их с помощью системы MathCAD.
, т.е. ток I3" = 0.287 А
, т.е. ток I3"' = 0.08 А
Искомый ток I3 определяется соотношением: I3 = -I3' – I3" – I3"'
I3 = -0.244 – 0.287 – 0.08 = -0.612 А
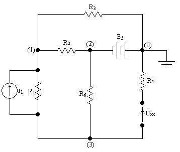
5. В соответствии с теоремой об активном двухполюснике исходная схема относительно ветви с искомым током может быть представлена одной ветвью с ЭДС Eэкв и сопротивлением Rэкв. В результате исходная схема преобразуется в одноконтурную, с искомым током I4, определяемым соотношением:
Для определения ЭДС эквивалентного генератора необходимо разомкнуть четвёртую ветвь с искомым током I4. В результате, исходная схема приобретает вид:
Напряжение холостого хода в разрыве четвёртой ветви найдём с помощью метода узловых потенциалов. Так как ветвь, примыкающая ко второму и нулевому узлам, идеальна и φ0 = 0, то φ2 = φ0 + E5 = E5. Для первого и третьего узлов уравнения примут вид:
Рассчитаем систему уравнений с помощью программы MathCAD:
Потенциалы первого и третьего узлов равны соответственно 2.138 В и 0.119 В.
Uхх = φ0 – φ3 = -0.119 В.
Для определения внутреннего сопротивления эквивалентного генератора (Rэкв) схема делается пассивной. В результате, схема (без учёта четвёртой ветви с искомым током) принимает вид:
После объединения второго и нулевого узлов в один узел схема становится последовательно-параллельной:
Входное сопротивление относительно третьего и нулевого узлов, к которым подключена четвёртая ветвь с искомым током, определяется соотношением
Искомый ток I4 равен
Характеристики
Тип файла документ
Документы такого типа открываются такими программами, как Microsoft Office Word на компьютерах Windows, Apple Pages на компьютерах Mac, Open Office - бесплатная альтернатива на различных платформах, в том числе Linux. Наиболее простым и современным решением будут Google документы, так как открываются онлайн без скачивания прямо в браузере на любой платформе. Существуют российские качественные аналоги, например от Яндекса.
Будьте внимательны на мобильных устройствах, так как там используются упрощённый функционал даже в официальном приложении от Microsoft, поэтому для просмотра скачивайте PDF-версию. А если нужно редактировать файл, то используйте оригинальный файл.
Файлы такого типа обычно разбиты на страницы, а текст может быть форматированным (жирный, курсив, выбор шрифта, таблицы и т.п.), а также в него можно добавлять изображения. Формат идеально подходит для рефератов, докладов и РПЗ курсовых проектов, которые необходимо распечатать. Кстати перед печатью также сохраняйте файл в PDF, так как принтер может начудить со шрифтами.
















