Отчет по ЛР №9 - Частотные характеристики последовательного колебательного контура (1267054)
Текст из файла
Новосибирский Государственный Технический Университет
Кафедра Общей Электротехники
Отчет по лабораторной работе №9
по ОТЦ
Факультет: РЭФ
Группа:
Студенты:
Преподаватель:
Новосибирск
2002
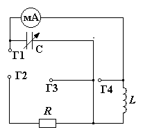
Цель работы: Произвести экспериментальное исследования частотных характеристик последовательного колебательного контура. Изучить влияние добротности контура на его характеристики..
-
Расчет резонансной частоты контура (f0)
Известные параметры:
Н
апряжение на входе равняется U1=3 В.
Значение переменной емкости устанавливается в крайне правое положение.
| Измерено | |||||
| U1 | R1 | f0 | UR1 | Uk | IL1 |
| В | Ом | кГц | В | В | мкА |
| 3 | 10.11 | 4,3 | 0,27 | 2,75 | 975 |
| Вычислено | ||||||||
| IC1 | I0 | ХС | Rk | L | C | Q | | RЭ |
| мкА | мкА | кОм | Ом | мГн | нФ | – | кОм | Ом |
| 974,6 | 26,7 | 2,8 | 76,5 | 48,4 | 6,11 | 2,8 | ||
Векторная диаграмма по которой вычисляются значения прилагается.
-
Амплитудно-частотная характеристика для С=С1
Пороговое значение UR1=0.1*UR01(при резонансе)
| f,кГц | 2 | 4 | 5 | 6 | 7 | 8 | 9 | 8.5 | 9.5 | 10 | 11 |
| UR1, B | 0.27 | 0.6 | 0.75 | 1 | 1.5 | 2 | 2.6 | 2.5 | 2.7 | 2.5 | 2.1 |
| f,кГц | 12 | 13 | 14 | 15 | 16 | 17 | 18 | 20 | 25 | 30 | 35 |
| UR1, B | 1.7 | 1.5 | 1.2 | 1.0 | 1.0 | 0.9 | 0.8 | 0.7 | 0.5 | 0.4 | 0.32 |
Векторные диаграммы
Расчет к векторной диаграмме
Векторные диаграммы
|
|
|
Характеристики
Тип файла документ
Документы такого типа открываются такими программами, как Microsoft Office Word на компьютерах Windows, Apple Pages на компьютерах Mac, Open Office - бесплатная альтернатива на различных платформах, в том числе Linux. Наиболее простым и современным решением будут Google документы, так как открываются онлайн без скачивания прямо в браузере на любой платформе. Существуют российские качественные аналоги, например от Яндекса.
Будьте внимательны на мобильных устройствах, так как там используются упрощённый функционал даже в официальном приложении от Microsoft, поэтому для просмотра скачивайте PDF-версию. А если нужно редактировать файл, то используйте оригинальный файл.
Файлы такого типа обычно разбиты на страницы, а текст может быть форматированным (жирный, курсив, выбор шрифта, таблицы и т.п.), а также в него можно добавлять изображения. Формат идеально подходит для рефератов, докладов и РПЗ курсовых проектов, которые необходимо распечатать. Кстати перед печатью также сохраняйте файл в PDF, так как принтер может начудить со шрифтами.
















