Для студентов НГТУ по предмету Основы теории цепей (ОТЦ)Отчет по ЛР №9 - Частотные характеристики последовательного колебательного контураОтчет по ЛР №9 - Частотные характеристики последовательного колебательного контура
2021-08-232021-08-23СтудИзба
Лабораторная работа: Отчет по ЛР №9 - Частотные характеристики последовательного колебательного контура
Описание
Отчет по лабораторной работе №9
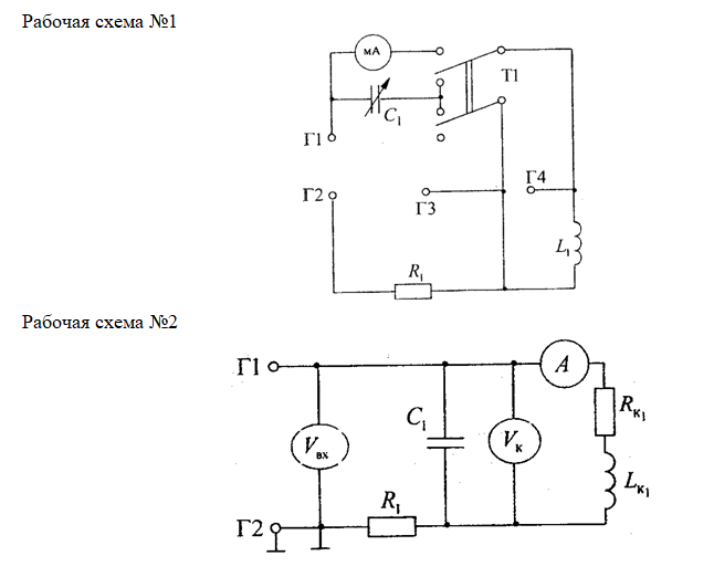
Частотные характеристики последовательного колебательного контура
Цель работы: произвести эксперементальное исследование частотных характеристик параллельного контура. Изучить влияние нагрузки на характеристики контура

Характеристики лабораторной работы
Предмет
Учебное заведение
Семестр
Просмотров
7
Качество
Идеальное компьютерное
Размер
99,75 Kb
Список файлов
Отчет по ЛР №9 - Частотные характеристики последовательного колебательного контура
Маткад - 1.mcd
Маткад - 2.mcd
Маткад - 3.mcd

Вам все понравилось? Получите кэшбэк - 40 рублей на Ваш счёт при покупке. Поставьте оценку и напишите положительный комментарий к купленному файлу. После Вы получите деньги на ваш счет.