Отчет по ЛР №8 - Исследование последовательного колебательного контура (1267053)
Текст из файла
Министерство образования Российской Федерации
Новосибирский государственный технический университет
Кафедра Общей электротехники
Отчёт по лабораторной работе № 8
по ОТЦ
"Исследование последовательного колебательного контура"
Факультет: РЭФ
Группа: РТ5-52
Студенты: Варкентин И.В.
Преподаватель: профессор
Полевский В.И.
Новосибирск 2006
Цель работы
Произвести экспериментальные исследования частотных характеристик последовательного колебательного контура. Изучить влияние добротности контура на его характеристики.
Рабочее задание
-
Настроить цепь на резонанс. Снять характеристики колебательного контура при первом заначении ёмкости конденсатора С1.
-
Изменить заначение ёмкости конденсатора С1. Снять характеристики колебательного контура при втором заначении ёмкости конденсатора С1.
-
Построить графики АЧХ обоих контуров.
-
Построить АЧХ и ФЧХ контура с помощью программы MathCAD. Сравнить экспериментальные данные с расчётными.
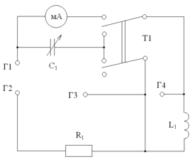
Схема экспериментальной установки
1. Снятие характеристик колебательного контура
при первом заначении ёмкости конденсатора С1=0,015 мкФ
| Измерено | Вычислено | |||||||||||||
| U1 | R1 | ƒ0 | UR1 | UC | UL | URk | I0 | XC1 | Rk | L1 | C1 | Q | ρ | 2Δƒ0.7 |
| В | Ом | кГц | В | В | В | В | мА | Ом | Ом | мГн | мкФ | - | Ом | кГц |
| 3 | 100 | 14 | 1,4 | 13,7 | 13,6 | 0,252 | 14 | 978,6 | 18,02 | 11 | 0,016 | 8,3 | 978,57 | 1,69 |
Векторная диаграмма
Расчетные формулы
АЧХ контура I(ƒ) (ƒрез =14 кГц, I = 16.7 A)
| ƒ, кГц | 6.5 | 7 | 8 | 9 | 10 | 12 | 13 | 14 | 16 | 18 | 20 | 30 | 50 | 80 | 90 |
| I , A | 1.6 | 1.9 | 2.6 | 3.5 | 4.8 | 5.8 | 15.4 | 16.7 | 11.8 | 8.1 | 6.2 | 3.8 | 3.5 | 2.7 | 1.6 |
2. Снятие характеристик колебательного контура
при втором заначении ёмкости конденсатора С1=0.033 мкФ
| Измерено | Вычислено | |||||||||||||
| U1 | R1 | ƒ0 | UR1 | UC | UL | URk | I0 | XC1 | Rk | L1 | C1 | Q | ρ | 2Δƒ0.7 |
| В | Ом | кГц | В | В | В | В | мА | Ом | Ом | мГн | мкФ | - | Ом | кГц |
| 3 | 100 | 9 | 1,8 | 10,2 | 11 | 2,32 | 18 | 566,67 | 128,8 | 10 | 0,031 | 2,47 | 566,67 | 3,63 |
АЧХ контура I(ƒ)
(ƒрез = 11,5кГц, I = 8.2 A)
| ƒ, кГц | 90 | 80 | 60 | 30 | 20 | 18 | 16 | 14 | 11.5 | 10.5 | 9 | 8.1 | 7.8 | 6 | 5 | 4 | 2.9 |
| I , A | 1.9 | 2.9 | 3.4 | 3.8 | 4.8 | 5.2 | 5.8 | 7 | 8.2 | 13.3 | 19.8 | 15.1 | 13.6 | 6.4 | 4.4 | 3 | 1.9 |
3. Графики АЧХ обоих контуров и ФЧХ первого контура
Расчётные формулы
АЧХ
1 – АЧХ контура при первом значении ёмкости (п.1),
2 – АЧХ контура при втором значении ёмкости (п.2)
ФЧХ первого контура
Вывод: с увеличением добротности уменьшается полоса частот пропускания контура.
4. АЧХ и ФЧХ, полученные с помощью программы MathCAD
Расчётные формулы
АЧХ
1 – АЧХ контура при первом значении ёмкости (п.1),
2 – АЧХ контура при втором значении ёмкости (п.2)
ФЧХ
1 – ФЧХ контура при первом значении ёмкости (п.1),
2 – ФЧХ контура при втором значении ёмкости (п.2)
Вывод: теоретически рассчитанные АЧХ по виду совпадают с экспериментальными, некоторые расхождения обусловлены погрешностью вычислений по экспериментальным данным и идеализированностью теоретического метода расчётов. Теоретические и экспериментальная ФЧХ совпадают.
Заключение: в данной лабораторной работе нами были произведены экспериментальные исследования частотных характеристик последовательного колебательного контура. Было установлено, что при повышении добротности контура уменьшается его полоса пропускания.
Характеристики
Тип файла документ
Документы такого типа открываются такими программами, как Microsoft Office Word на компьютерах Windows, Apple Pages на компьютерах Mac, Open Office - бесплатная альтернатива на различных платформах, в том числе Linux. Наиболее простым и современным решением будут Google документы, так как открываются онлайн без скачивания прямо в браузере на любой платформе. Существуют российские качественные аналоги, например от Яндекса.
Будьте внимательны на мобильных устройствах, так как там используются упрощённый функционал даже в официальном приложении от Microsoft, поэтому для просмотра скачивайте PDF-версию. А если нужно редактировать файл, то используйте оригинальный файл.
Файлы такого типа обычно разбиты на страницы, а текст может быть форматированным (жирный, курсив, выбор шрифта, таблицы и т.п.), а также в него можно добавлять изображения. Формат идеально подходит для рефератов, докладов и РПЗ курсовых проектов, которые необходимо распечатать. Кстати перед печатью также сохраняйте файл в PDF, так как принтер может начудить со шрифтами.
















