Отчет по ЛР №8 - Исследование последовательного колебательного контура (1267051)
Текст из файла
Новосибирский государственный технический университет
Кафедра Общей электротехники
Отчёт по лабораторной работе № 8
по ОТЦ
"Исследование последовательного колебательного контура"
Факультет: РЭФ
Группа: РТ5-24
Студенты: Литвинов А.Ю.,
Пискунович С.М.,
Гурьянов Н.С.
Преподаватель: Богданов В.В.
Новосибирск 2004
Цель работы: Произвести экспериментальные исследования частотных характеристик последовательного колебательного контура. Изучить влияние добротности контура на его характеристики.
Рабочее задание
-
Настроить цепь на резонанс. Снять характеристики колебательного контура при первом заначении ёмкости конденсатора С1.
-
Изменить заначение ёмкости конденсатора С1. Снять характеристики колебательного контура при втором заначении ёмкости конденсатора С1.
-
Построить графики АЧХ обоих контуров.
-
Построить АЧХ и ФЧХ контура с помощью программы MathCAD. Сравнить экспериментальные данные с расчётными.
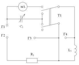
Схема экспериментальной установки
1. Снятие характеристик колебательного контура при первом значении ёмкости конденсатора С1
Таблица 1. Параметры цепи
| Измерено | Вычислено | |||||||||||||
| U1 | R1 | ƒ0 | UR1 | UC | U2-4 | URk | I0 | XC1 | Rk | L1 | C1 | Q | ρ | 2Δƒ0.7 |
| В | Ом | кГц | В | В | В | В | мА | Ом | Ом | мГн | мкФ | - | Ом | кГц |
| 3 | 10,44 | 12,2 | 0,85 | 2,9 | 3,1 | 0.245 | 81,42 | 35,62 | 3,02 | 0,23 | 0,35 | 1,9 | 25,635 | 0,6 |
Векторная диаграмма
Расчетные формулы
Таблица 2. АЧХ контура I(ƒ)
| ƒ, кГц | 17 | 16 | 15 | 14 | 13 | 12,2 | 11 | 10 | 9 | 8 |
| UR1, В | 0,07 | 0,1 | 0,15 | 0,26 | 0,73 | 0,85 | 0,49 | 0,25 | 0,14 | 0,08 |
2. Снятие характеристик колебательного контура при втором заначении ёмкости конденсатора С1
Таблица 3. АЧХ контура I(ƒ)
(ƒрез = 9,8 кГц, UR1 = 1,05 B)
| ƒ, кГц | 6,5 | 7 | 8 | 9 | 9,8 | 10 | 11 | 12 | 13 | 13,5 |
| UR1, В | 0,08 | 0,17 | 0,26 | 0,76 | 1,05 | 0,49 | 0,23 | 0,16 | 0,09 | 0,1 |
3. Графики АЧХ 1-го и 2-го контуров и ФЧХ первого контура
Расчётные формулы
АЧХ
1 – АЧХ контура при первом значении ёмкости,
2 – АЧХ контура при втором значении ёмкости
ФЧХ первого контура
Заключение: были произведены экспериментальные исследования частотных характеристик последовательного колебательного контура. Было установлено, что с увеличением добротности уменьшается полоса частот пропускания контура.
Характеристики
Тип файла документ
Документы такого типа открываются такими программами, как Microsoft Office Word на компьютерах Windows, Apple Pages на компьютерах Mac, Open Office - бесплатная альтернатива на различных платформах, в том числе Linux. Наиболее простым и современным решением будут Google документы, так как открываются онлайн без скачивания прямо в браузере на любой платформе. Существуют российские качественные аналоги, например от Яндекса.
Будьте внимательны на мобильных устройствах, так как там используются упрощённый функционал даже в официальном приложении от Microsoft, поэтому для просмотра скачивайте PDF-версию. А если нужно редактировать файл, то используйте оригинальный файл.
Файлы такого типа обычно разбиты на страницы, а текст может быть форматированным (жирный, курсив, выбор шрифта, таблицы и т.п.), а также в него можно добавлять изображения. Формат идеально подходит для рефератов, докладов и РПЗ курсовых проектов, которые необходимо распечатать. Кстати перед печатью также сохраняйте файл в PDF, так как принтер может начудить со шрифтами.
















